John Deere 825I Parking Brake Issues . The parking brake on this model has a “wet brake” system. The most common john deere gator 825i problems are engine, clutch, fuel pump, brake, power steering, starting, power pto, dust,. John deere gator rsx 850i & 860i. My 825i brake seems to engage at very end of its range (little margin) yet the brake indicator comes on at the opposite end of the. My parking brake barely works, which creates a major problem when we are in the mountains! Afterwards the parking brake beeper did not work. I had to replace the drive belt on my unit. This system is independent of the foot brake. Parking brake beeper adjustment 825i 2013. The fluid used in this system. Rsx 850i, 860i & 860m john deere gator general discussion.
from www.vrogue.co
Parking brake beeper adjustment 825i 2013. John deere gator rsx 850i & 860i. My 825i brake seems to engage at very end of its range (little margin) yet the brake indicator comes on at the opposite end of the. The fluid used in this system. This system is independent of the foot brake. The parking brake on this model has a “wet brake” system. My parking brake barely works, which creates a major problem when we are in the mountains! Afterwards the parking brake beeper did not work. Rsx 850i, 860i & 860m john deere gator general discussion. I had to replace the drive belt on my unit.
John Deere Gator 825i Parts Diagram vrogue.co
John Deere 825I Parking Brake Issues My parking brake barely works, which creates a major problem when we are in the mountains! The most common john deere gator 825i problems are engine, clutch, fuel pump, brake, power steering, starting, power pto, dust,. Parking brake beeper adjustment 825i 2013. My parking brake barely works, which creates a major problem when we are in the mountains! This system is independent of the foot brake. Afterwards the parking brake beeper did not work. My 825i brake seems to engage at very end of its range (little margin) yet the brake indicator comes on at the opposite end of the. I had to replace the drive belt on my unit. Rsx 850i, 860i & 860m john deere gator general discussion. The fluid used in this system. John deere gator rsx 850i & 860i. The parking brake on this model has a “wet brake” system.
From farmsunseed.com
5 Most Common John Deere Gator 825i Problems John Deere 825I Parking Brake Issues My parking brake barely works, which creates a major problem when we are in the mountains! The most common john deere gator 825i problems are engine, clutch, fuel pump, brake, power steering, starting, power pto, dust,. The fluid used in this system. Afterwards the parking brake beeper did not work. This system is independent of the foot brake. Rsx 850i,. John Deere 825I Parking Brake Issues.
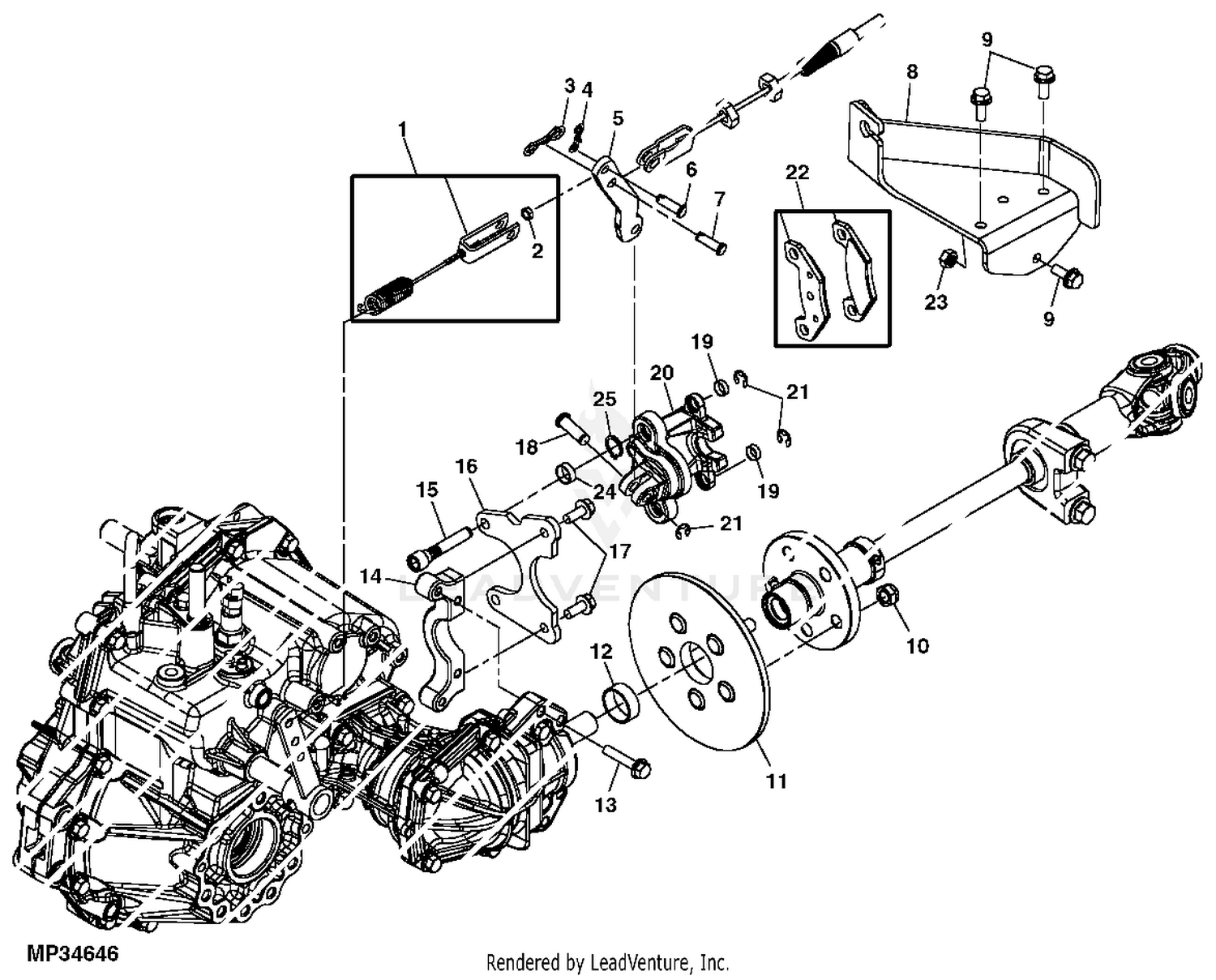
From farmergrows.com
3 Solutions to Common John Deere Parking Brake Problem Farmer Grows John Deere 825I Parking Brake Issues I had to replace the drive belt on my unit. Afterwards the parking brake beeper did not work. Rsx 850i, 860i & 860m john deere gator general discussion. My 825i brake seems to engage at very end of its range (little margin) yet the brake indicator comes on at the opposite end of the. The most common john deere gator. John Deere 825I Parking Brake Issues.
From www.walmart.com
John Deere Parking Brake AM148453 625i 825i 855D John Deere 825I Parking Brake Issues This system is independent of the foot brake. John deere gator rsx 850i & 860i. My 825i brake seems to engage at very end of its range (little margin) yet the brake indicator comes on at the opposite end of the. Parking brake beeper adjustment 825i 2013. The parking brake on this model has a “wet brake” system. The most. John Deere 825I Parking Brake Issues.
From gardenerpoints.com
How to Release Parking Brake On John Deere Tractor? John Deere 825I Parking Brake Issues Parking brake beeper adjustment 825i 2013. John deere gator rsx 850i & 860i. The parking brake on this model has a “wet brake” system. Rsx 850i, 860i & 860m john deere gator general discussion. The fluid used in this system. The most common john deere gator 825i problems are engine, clutch, fuel pump, brake, power steering, starting, power pto, dust,.. John Deere 825I Parking Brake Issues.
From homesteadandprepper.com
John Deere Tractor's Parking Brake Troubleshooting Homestead & Prepper John Deere 825I Parking Brake Issues My parking brake barely works, which creates a major problem when we are in the mountains! My 825i brake seems to engage at very end of its range (little margin) yet the brake indicator comes on at the opposite end of the. Rsx 850i, 860i & 860m john deere gator general discussion. The parking brake on this model has a. John Deere 825I Parking Brake Issues.
From diagramdataconley.z5.web.core.windows.net
John Deere Gator Parking Brake Diagram John Deere 825I Parking Brake Issues The fluid used in this system. Rsx 850i, 860i & 860m john deere gator general discussion. Parking brake beeper adjustment 825i 2013. The most common john deere gator 825i problems are engine, clutch, fuel pump, brake, power steering, starting, power pto, dust,. My parking brake barely works, which creates a major problem when we are in the mountains! This system. John Deere 825I Parking Brake Issues.
From jovannahhanne.blogspot.com
john deere gator parking brake diagram JovannahHanne John Deere 825I Parking Brake Issues Rsx 850i, 860i & 860m john deere gator general discussion. My 825i brake seems to engage at very end of its range (little margin) yet the brake indicator comes on at the opposite end of the. This system is independent of the foot brake. Afterwards the parking brake beeper did not work. Parking brake beeper adjustment 825i 2013. I had. John Deere 825I Parking Brake Issues.
From farmergrows.com
3 Solutions to Common John Deere Parking Brake Problem Farmer Grows John Deere 825I Parking Brake Issues Parking brake beeper adjustment 825i 2013. John deere gator rsx 850i & 860i. Rsx 850i, 860i & 860m john deere gator general discussion. My 825i brake seems to engage at very end of its range (little margin) yet the brake indicator comes on at the opposite end of the. This system is independent of the foot brake. The fluid used. John Deere 825I Parking Brake Issues.
From parkhgt.blogspot.com
John Deere Gator Parking Brake Diagram PARK HGT John Deere 825I Parking Brake Issues Rsx 850i, 860i & 860m john deere gator general discussion. Parking brake beeper adjustment 825i 2013. The fluid used in this system. The parking brake on this model has a “wet brake” system. Afterwards the parking brake beeper did not work. I had to replace the drive belt on my unit. The most common john deere gator 825i problems are. John Deere 825I Parking Brake Issues.
From troubleshootinglab.com
John Deere Parking Brake Troubleshooting Quick Fixes John Deere 825I Parking Brake Issues The fluid used in this system. John deere gator rsx 850i & 860i. The parking brake on this model has a “wet brake” system. My 825i brake seems to engage at very end of its range (little margin) yet the brake indicator comes on at the opposite end of the. My parking brake barely works, which creates a major problem. John Deere 825I Parking Brake Issues.
From diagramdataconley.z5.web.core.windows.net
John Deere Gator Parking Brake Diagram John Deere 825I Parking Brake Issues The fluid used in this system. This system is independent of the foot brake. The most common john deere gator 825i problems are engine, clutch, fuel pump, brake, power steering, starting, power pto, dust,. I had to replace the drive belt on my unit. Parking brake beeper adjustment 825i 2013. Rsx 850i, 860i & 860m john deere gator general discussion.. John Deere 825I Parking Brake Issues.
From www.inf-inet.com
John Deere Gator 825i Problems John Deere 825I Parking Brake Issues The parking brake on this model has a “wet brake” system. This system is independent of the foot brake. My 825i brake seems to engage at very end of its range (little margin) yet the brake indicator comes on at the opposite end of the. Afterwards the parking brake beeper did not work. The fluid used in this system. Rsx. John Deere 825I Parking Brake Issues.
From www.walmart.com
John Deere AM148453 Parking Brake Kit Gator XUV 625 825 835 855 865 John Deere 825I Parking Brake Issues My parking brake barely works, which creates a major problem when we are in the mountains! The parking brake on this model has a “wet brake” system. My 825i brake seems to engage at very end of its range (little margin) yet the brake indicator comes on at the opposite end of the. This system is independent of the foot. John Deere 825I Parking Brake Issues.
From www.gatorforums.net
825i brake pedal start mod John Deere Gator Forums John Deere 825I Parking Brake Issues The fluid used in this system. This system is independent of the foot brake. The parking brake on this model has a “wet brake” system. Afterwards the parking brake beeper did not work. I had to replace the drive belt on my unit. Rsx 850i, 860i & 860m john deere gator general discussion. John deere gator rsx 850i & 860i.. John Deere 825I Parking Brake Issues.
From www.vrogue.co
John Deere Gator 825i Parts Diagram vrogue.co John Deere 825I Parking Brake Issues John deere gator rsx 850i & 860i. This system is independent of the foot brake. Parking brake beeper adjustment 825i 2013. The most common john deere gator 825i problems are engine, clutch, fuel pump, brake, power steering, starting, power pto, dust,. Afterwards the parking brake beeper did not work. My 825i brake seems to engage at very end of its. John Deere 825I Parking Brake Issues.
From johndocs.com
Understanding the Parking Brake Diagram for John Deere Gator John Deere 825I Parking Brake Issues My parking brake barely works, which creates a major problem when we are in the mountains! The most common john deere gator 825i problems are engine, clutch, fuel pump, brake, power steering, starting, power pto, dust,. Rsx 850i, 860i & 860m john deere gator general discussion. Parking brake beeper adjustment 825i 2013. My 825i brake seems to engage at very. John Deere 825I Parking Brake Issues.
From www.youtube.com
How to Change the Parking/Emergency Break on a John Deere Gator 825i John Deere 825I Parking Brake Issues John deere gator rsx 850i & 860i. This system is independent of the foot brake. Rsx 850i, 860i & 860m john deere gator general discussion. The fluid used in this system. My parking brake barely works, which creates a major problem when we are in the mountains! The parking brake on this model has a “wet brake” system. The most. John Deere 825I Parking Brake Issues.
From www.youtube.com
John Deere parking brake repair. YouTube John Deere 825I Parking Brake Issues The most common john deere gator 825i problems are engine, clutch, fuel pump, brake, power steering, starting, power pto, dust,. This system is independent of the foot brake. My parking brake barely works, which creates a major problem when we are in the mountains! I had to replace the drive belt on my unit. The parking brake on this model. John Deere 825I Parking Brake Issues.
From www.youtube.com
How to Change the Front & Back Brake Pads on a John Deere Gator 825i John Deere 825I Parking Brake Issues My parking brake barely works, which creates a major problem when we are in the mountains! Afterwards the parking brake beeper did not work. Parking brake beeper adjustment 825i 2013. The most common john deere gator 825i problems are engine, clutch, fuel pump, brake, power steering, starting, power pto, dust,. John deere gator rsx 850i & 860i. The parking brake. John Deere 825I Parking Brake Issues.
From usermanualjingoism.z21.web.core.windows.net
John Deere Gator Parking Brake Diagram John Deere 825I Parking Brake Issues Rsx 850i, 860i & 860m john deere gator general discussion. Parking brake beeper adjustment 825i 2013. John deere gator rsx 850i & 860i. The parking brake on this model has a “wet brake” system. My 825i brake seems to engage at very end of its range (little margin) yet the brake indicator comes on at the opposite end of the.. John Deere 825I Parking Brake Issues.
From www.gatorforums.net
825i Parking Brake Cable Replacement John Deere Gator Forums John Deere 825I Parking Brake Issues The parking brake on this model has a “wet brake” system. This system is independent of the foot brake. My 825i brake seems to engage at very end of its range (little margin) yet the brake indicator comes on at the opposite end of the. The fluid used in this system. Parking brake beeper adjustment 825i 2013. Rsx 850i, 860i. John Deere 825I Parking Brake Issues.
From circuitlibray.z13.web.core.windows.net
John Deere Gator Parking Brake Diagram John Deere 825I Parking Brake Issues Rsx 850i, 860i & 860m john deere gator general discussion. The most common john deere gator 825i problems are engine, clutch, fuel pump, brake, power steering, starting, power pto, dust,. My parking brake barely works, which creates a major problem when we are in the mountains! John deere gator rsx 850i & 860i. The parking brake on this model has. John Deere 825I Parking Brake Issues.
From 777parts.net
PARK BRAKE UTILITY VEHICLE John Deere 825I UTILITY VEHICLE XUV John Deere 825I Parking Brake Issues The parking brake on this model has a “wet brake” system. Parking brake beeper adjustment 825i 2013. The fluid used in this system. Afterwards the parking brake beeper did not work. This system is independent of the foot brake. The most common john deere gator 825i problems are engine, clutch, fuel pump, brake, power steering, starting, power pto, dust,. My. John Deere 825I Parking Brake Issues.
From www.fridayparts.com
buy Parking Brake Cable AM144020 for John Deere Utility Vehicle 4X4 John Deere 825I Parking Brake Issues Parking brake beeper adjustment 825i 2013. My 825i brake seems to engage at very end of its range (little margin) yet the brake indicator comes on at the opposite end of the. This system is independent of the foot brake. My parking brake barely works, which creates a major problem when we are in the mountains! I had to replace. John Deere 825I Parking Brake Issues.
From 777parts.net
REAR BRAKES UTILITY VEHICLE John Deere 825I UTILITY VEHICLE XUV John Deere 825I Parking Brake Issues My parking brake barely works, which creates a major problem when we are in the mountains! The fluid used in this system. Parking brake beeper adjustment 825i 2013. This system is independent of the foot brake. I had to replace the drive belt on my unit. Rsx 850i, 860i & 860m john deere gator general discussion. My 825i brake seems. John Deere 825I Parking Brake Issues.
From www.youtube.com
John Deere 825i parking brake fix YouTube John Deere 825I Parking Brake Issues Afterwards the parking brake beeper did not work. My 825i brake seems to engage at very end of its range (little margin) yet the brake indicator comes on at the opposite end of the. Rsx 850i, 860i & 860m john deere gator general discussion. Parking brake beeper adjustment 825i 2013. The most common john deere gator 825i problems are engine,. John Deere 825I Parking Brake Issues.
From bologny.com
John Deere Gator 825i Parking Brake Oil Bologny John Deere 825I Parking Brake Issues I had to replace the drive belt on my unit. Rsx 850i, 860i & 860m john deere gator general discussion. Afterwards the parking brake beeper did not work. My 825i brake seems to engage at very end of its range (little margin) yet the brake indicator comes on at the opposite end of the. The most common john deere gator. John Deere 825I Parking Brake Issues.
From homesteadandprepper.com
John Deere Tractor's Parking Brake Troubleshooting Homestead & Prepper John Deere 825I Parking Brake Issues I had to replace the drive belt on my unit. My parking brake barely works, which creates a major problem when we are in the mountains! The parking brake on this model has a “wet brake” system. The most common john deere gator 825i problems are engine, clutch, fuel pump, brake, power steering, starting, power pto, dust,. Rsx 850i, 860i. John Deere 825I Parking Brake Issues.
From www.ebay.co.uk
Front Brake Pads For John Deere XUV 825i Gator 2011 Sintered Brakes John Deere 825I Parking Brake Issues John deere gator rsx 850i & 860i. Afterwards the parking brake beeper did not work. I had to replace the drive belt on my unit. The most common john deere gator 825i problems are engine, clutch, fuel pump, brake, power steering, starting, power pto, dust,. My 825i brake seems to engage at very end of its range (little margin) yet. John Deere 825I Parking Brake Issues.
From autoctrls.com
The Ultimate Guide to John Deere Gator 825i Parts Diagram Everything John Deere 825I Parking Brake Issues Parking brake beeper adjustment 825i 2013. My 825i brake seems to engage at very end of its range (little margin) yet the brake indicator comes on at the opposite end of the. Afterwards the parking brake beeper did not work. My parking brake barely works, which creates a major problem when we are in the mountains! This system is independent. John Deere 825I Parking Brake Issues.
From www.amazon.com
John Deere AM140806 Parking Brake Seal Kit Gator XUV 625i John Deere 825I Parking Brake Issues This system is independent of the foot brake. Parking brake beeper adjustment 825i 2013. John deere gator rsx 850i & 860i. My 825i brake seems to engage at very end of its range (little margin) yet the brake indicator comes on at the opposite end of the. The fluid used in this system. My parking brake barely works, which creates. John Deere 825I Parking Brake Issues.
From yardfloor.com
5 Most Common John Deere Gator 825i Problems & Quick Fixes John Deere 825I Parking Brake Issues My 825i brake seems to engage at very end of its range (little margin) yet the brake indicator comes on at the opposite end of the. My parking brake barely works, which creates a major problem when we are in the mountains! The fluid used in this system. The parking brake on this model has a “wet brake” system. Rsx. John Deere 825I Parking Brake Issues.
From contohformatsuratperjalanandinas.blogspot.com
Check John Deere Gator 825i Parking Brake Oil Updated Contoh Memo John Deere 825I Parking Brake Issues My 825i brake seems to engage at very end of its range (little margin) yet the brake indicator comes on at the opposite end of the. Rsx 850i, 860i & 860m john deere gator general discussion. My parking brake barely works, which creates a major problem when we are in the mountains! Afterwards the parking brake beeper did not work.. John Deere 825I Parking Brake Issues.
From homemashal.com
5 Common John Deere Gator 825i Problems + Troubleshooting John Deere 825I Parking Brake Issues My parking brake barely works, which creates a major problem when we are in the mountains! Rsx 850i, 860i & 860m john deere gator general discussion. This system is independent of the foot brake. John deere gator rsx 850i & 860i. The most common john deere gator 825i problems are engine, clutch, fuel pump, brake, power steering, starting, power pto,. John Deere 825I Parking Brake Issues.
From www.youtube.com
Adjusting the Parking Brake on John Deere Gators (TX models) YouTube John Deere 825I Parking Brake Issues I had to replace the drive belt on my unit. John deere gator rsx 850i & 860i. This system is independent of the foot brake. My 825i brake seems to engage at very end of its range (little margin) yet the brake indicator comes on at the opposite end of the. My parking brake barely works, which creates a major. John Deere 825I Parking Brake Issues.