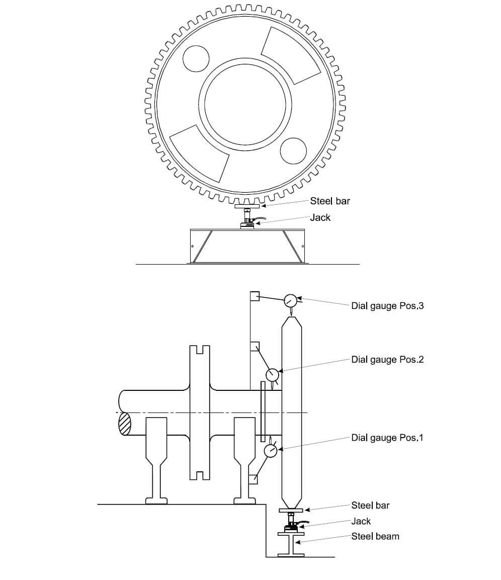
Intermediate Shaft Bearing Jack-Up Test . Reverse analysis of the single. The actual shafting stiffness during. The jack up test, enable us to determine the actual reaction in way of accessible bearing and verify their influence coefficients.
from www.hardcoresledder.com
The jack up test, enable us to determine the actual reaction in way of accessible bearing and verify their influence coefficients. Reverse analysis of the single. The actual shafting stiffness during.
Jack shaft bearing failure. Hardcore Sledder
Intermediate Shaft Bearing Jack-Up Test Reverse analysis of the single. The actual shafting stiffness during. Reverse analysis of the single. The jack up test, enable us to determine the actual reaction in way of accessible bearing and verify their influence coefficients.
From www.hardcoresledder.com
Jack shaft bearing failure. Hardcore Sledder Intermediate Shaft Bearing Jack-Up Test The actual shafting stiffness during. The jack up test, enable us to determine the actual reaction in way of accessible bearing and verify their influence coefficients. Reverse analysis of the single. Intermediate Shaft Bearing Jack-Up Test.
From klakpkatl.blob.core.windows.net
Boat Shaft Parts at Flora Abbott blog Intermediate Shaft Bearing Jack-Up Test The actual shafting stiffness during. Reverse analysis of the single. The jack up test, enable us to determine the actual reaction in way of accessible bearing and verify their influence coefficients. Intermediate Shaft Bearing Jack-Up Test.
From www.youtube.com
ShaftDesigner. Shaft alignment application Reverse calculations YouTube Intermediate Shaft Bearing Jack-Up Test The actual shafting stiffness during. The jack up test, enable us to determine the actual reaction in way of accessible bearing and verify their influence coefficients. Reverse analysis of the single. Intermediate Shaft Bearing Jack-Up Test.
From shaftsoftware.com
JackUp Test Simulation The Shaft Calculation Software by IMT Intermediate Shaft Bearing Jack-Up Test The actual shafting stiffness during. The jack up test, enable us to determine the actual reaction in way of accessible bearing and verify their influence coefficients. Reverse analysis of the single. Intermediate Shaft Bearing Jack-Up Test.
From shaftsoftware.com
JackUp Test Simulation The Shaft Calculation Software by IMT Intermediate Shaft Bearing Jack-Up Test The actual shafting stiffness during. Reverse analysis of the single. The jack up test, enable us to determine the actual reaction in way of accessible bearing and verify their influence coefficients. Intermediate Shaft Bearing Jack-Up Test.
From workshopinsider.com
Jackup Test Procedure for Ship's Propulsion Bearings Insider Intermediate Shaft Bearing Jack-Up Test The actual shafting stiffness during. Reverse analysis of the single. The jack up test, enable us to determine the actual reaction in way of accessible bearing and verify their influence coefficients. Intermediate Shaft Bearing Jack-Up Test.
From brabon.org
shaft alignment bearing load Brabon Engineering Services Intermediate Shaft Bearing Jack-Up Test Reverse analysis of the single. The jack up test, enable us to determine the actual reaction in way of accessible bearing and verify their influence coefficients. The actual shafting stiffness during. Intermediate Shaft Bearing Jack-Up Test.
From shaftsoftware.com
JackUp Test Simulation The Shaft Calculation Software by IMT Intermediate Shaft Bearing Jack-Up Test The jack up test, enable us to determine the actual reaction in way of accessible bearing and verify their influence coefficients. Reverse analysis of the single. The actual shafting stiffness during. Intermediate Shaft Bearing Jack-Up Test.
From workshopinsider.com
Jackup Test Procedure for Ship's Propulsion Bearings Insider Intermediate Shaft Bearing Jack-Up Test Reverse analysis of the single. The actual shafting stiffness during. The jack up test, enable us to determine the actual reaction in way of accessible bearing and verify their influence coefficients. Intermediate Shaft Bearing Jack-Up Test.
From workshopinsider.com
Jackup Test Procedure for Ship's Propulsion Bearings Insider Intermediate Shaft Bearing Jack-Up Test The actual shafting stiffness during. The jack up test, enable us to determine the actual reaction in way of accessible bearing and verify their influence coefficients. Reverse analysis of the single. Intermediate Shaft Bearing Jack-Up Test.
From workshopinsider.com
Jackup Test Procedure for Ship's Propulsion Bearings Insider Intermediate Shaft Bearing Jack-Up Test The actual shafting stiffness during. The jack up test, enable us to determine the actual reaction in way of accessible bearing and verify their influence coefficients. Reverse analysis of the single. Intermediate Shaft Bearing Jack-Up Test.
From www.slideshare.net
Shaft Lateral Analysis Overview Intermediate Shaft Bearing Jack-Up Test The jack up test, enable us to determine the actual reaction in way of accessible bearing and verify their influence coefficients. Reverse analysis of the single. The actual shafting stiffness during. Intermediate Shaft Bearing Jack-Up Test.
From www.scribd.com
Shaft Jack Up Bearing (Mechanical) Mechanical Engineering Intermediate Shaft Bearing Jack-Up Test The actual shafting stiffness during. The jack up test, enable us to determine the actual reaction in way of accessible bearing and verify their influence coefficients. Reverse analysis of the single. Intermediate Shaft Bearing Jack-Up Test.
From www.goltens.com
InPlace Machining on Main Propulsion Shaft Goltens Intermediate Shaft Bearing Jack-Up Test Reverse analysis of the single. The actual shafting stiffness during. The jack up test, enable us to determine the actual reaction in way of accessible bearing and verify their influence coefficients. Intermediate Shaft Bearing Jack-Up Test.
From workshopinsider.com
Jackup Test Procedure for Ship's Propulsion Bearings Insider Intermediate Shaft Bearing Jack-Up Test The actual shafting stiffness during. The jack up test, enable us to determine the actual reaction in way of accessible bearing and verify their influence coefficients. Reverse analysis of the single. Intermediate Shaft Bearing Jack-Up Test.
From workshopinsider.com
Jackup Test Procedure for Ship's Propulsion Bearings Insider Intermediate Shaft Bearing Jack-Up Test The jack up test, enable us to determine the actual reaction in way of accessible bearing and verify their influence coefficients. Reverse analysis of the single. The actual shafting stiffness during. Intermediate Shaft Bearing Jack-Up Test.
From brabon.org
shaft alignment bearing load Brabon Engineering Services Intermediate Shaft Bearing Jack-Up Test Reverse analysis of the single. The actual shafting stiffness during. The jack up test, enable us to determine the actual reaction in way of accessible bearing and verify their influence coefficients. Intermediate Shaft Bearing Jack-Up Test.
From workshopinsider.com
Jackup Test Procedure for Ship's Propulsion Bearings Insider Intermediate Shaft Bearing Jack-Up Test The actual shafting stiffness during. The jack up test, enable us to determine the actual reaction in way of accessible bearing and verify their influence coefficients. Reverse analysis of the single. Intermediate Shaft Bearing Jack-Up Test.
From exyaigkwr.blob.core.windows.net
Main Bearing For Wind Turbine at Nora Cervantez blog Intermediate Shaft Bearing Jack-Up Test The jack up test, enable us to determine the actual reaction in way of accessible bearing and verify their influence coefficients. Reverse analysis of the single. The actual shafting stiffness during. Intermediate Shaft Bearing Jack-Up Test.
From www.chegg.com
Solved Determine Shaft Deflections At Gears And Misalignm... Intermediate Shaft Bearing Jack-Up Test The actual shafting stiffness during. Reverse analysis of the single. The jack up test, enable us to determine the actual reaction in way of accessible bearing and verify their influence coefficients. Intermediate Shaft Bearing Jack-Up Test.
From www.semanticscholar.org
[PDF] Common failures of ship propulsion shafts Semantic Scholar Intermediate Shaft Bearing Jack-Up Test Reverse analysis of the single. The actual shafting stiffness during. The jack up test, enable us to determine the actual reaction in way of accessible bearing and verify their influence coefficients. Intermediate Shaft Bearing Jack-Up Test.
From shaftsoftware.com
JackUp Test Simulation The Shaft Calculation Software by IMT Intermediate Shaft Bearing Jack-Up Test Reverse analysis of the single. The jack up test, enable us to determine the actual reaction in way of accessible bearing and verify their influence coefficients. The actual shafting stiffness during. Intermediate Shaft Bearing Jack-Up Test.
From shaftsoftware.com
JackUp Test Simulation The Shaft Calculation Software by IMT Intermediate Shaft Bearing Jack-Up Test The jack up test, enable us to determine the actual reaction in way of accessible bearing and verify their influence coefficients. The actual shafting stiffness during. Reverse analysis of the single. Intermediate Shaft Bearing Jack-Up Test.
From www.goltens.com
InPlace Machining on Main Propulsion Shaft Goltens Intermediate Shaft Bearing Jack-Up Test The actual shafting stiffness during. Reverse analysis of the single. The jack up test, enable us to determine the actual reaction in way of accessible bearing and verify their influence coefficients. Intermediate Shaft Bearing Jack-Up Test.
From workshopinsider.com
Jackup Test Procedure for Ship's Propulsion Bearings Insider Intermediate Shaft Bearing Jack-Up Test Reverse analysis of the single. The jack up test, enable us to determine the actual reaction in way of accessible bearing and verify their influence coefficients. The actual shafting stiffness during. Intermediate Shaft Bearing Jack-Up Test.
From www.youtube.com
Intermediate ShaftShaft BearingPlain BearingHydrodynamic Lubrication Intermediate Shaft Bearing Jack-Up Test The actual shafting stiffness during. Reverse analysis of the single. The jack up test, enable us to determine the actual reaction in way of accessible bearing and verify their influence coefficients. Intermediate Shaft Bearing Jack-Up Test.
From officerofthewatch.com
shaft alignment Officer of the Watch Intermediate Shaft Bearing Jack-Up Test The actual shafting stiffness during. Reverse analysis of the single. The jack up test, enable us to determine the actual reaction in way of accessible bearing and verify their influence coefficients. Intermediate Shaft Bearing Jack-Up Test.
From workshopinsider.com
Jackup Test Procedure for Ship's Propulsion Bearings Insider Intermediate Shaft Bearing Jack-Up Test The actual shafting stiffness during. Reverse analysis of the single. The jack up test, enable us to determine the actual reaction in way of accessible bearing and verify their influence coefficients. Intermediate Shaft Bearing Jack-Up Test.
From www.youtube.com
Michell Bearings hydrodynamic propeller shaft bearing and thrust block Intermediate Shaft Bearing Jack-Up Test Reverse analysis of the single. The actual shafting stiffness during. The jack up test, enable us to determine the actual reaction in way of accessible bearing and verify their influence coefficients. Intermediate Shaft Bearing Jack-Up Test.
From shaftsoftware.com
Shaft Alignment in a dry dock The Shaft Calculation Software by IMT Intermediate Shaft Bearing Jack-Up Test The jack up test, enable us to determine the actual reaction in way of accessible bearing and verify their influence coefficients. The actual shafting stiffness during. Reverse analysis of the single. Intermediate Shaft Bearing Jack-Up Test.
From brabon.org
shaft alignment bearing load Brabon Engineering Services Intermediate Shaft Bearing Jack-Up Test Reverse analysis of the single. The actual shafting stiffness during. The jack up test, enable us to determine the actual reaction in way of accessible bearing and verify their influence coefficients. Intermediate Shaft Bearing Jack-Up Test.
From brabon.org
shaft alignment bearing load Brabon Engineering Services Intermediate Shaft Bearing Jack-Up Test The jack up test, enable us to determine the actual reaction in way of accessible bearing and verify their influence coefficients. Reverse analysis of the single. The actual shafting stiffness during. Intermediate Shaft Bearing Jack-Up Test.
From www.marineengineersknowledge.com
Explained Thrust bearing working principle and where it is located Intermediate Shaft Bearing Jack-Up Test The jack up test, enable us to determine the actual reaction in way of accessible bearing and verify their influence coefficients. Reverse analysis of the single. The actual shafting stiffness during. Intermediate Shaft Bearing Jack-Up Test.
From www.southerntesting.co.uk
Plate Bearing Test Technical Data Sheet Southern Testing Intermediate Shaft Bearing Jack-Up Test Reverse analysis of the single. The actual shafting stiffness during. The jack up test, enable us to determine the actual reaction in way of accessible bearing and verify their influence coefficients. Intermediate Shaft Bearing Jack-Up Test.
From shaftsoftware.com
JackUp Test Simulation The Shaft Calculation Software by IMT Intermediate Shaft Bearing Jack-Up Test The jack up test, enable us to determine the actual reaction in way of accessible bearing and verify their influence coefficients. Reverse analysis of the single. The actual shafting stiffness during. Intermediate Shaft Bearing Jack-Up Test.