Distributor Cap Sequence . When it comes to the chevy 350 engine, understanding the firing order and hei distributor is crucial for optimal performance. The distributor is tasked with receiving high voltage from the ignition coil to spark the individual spark plugs in proper. The distributor cap looks like a clock, but the number one is at the fifth hour and it spins the opposite way. The distributor cap wire order refers to the specific order in which the spark plug wires are connected to the distributor cap in a car’s ignition system. Learn about the diagram of a spark plug distributor cap and how it functions in your car's ignition system. Illustrated here is the correct position for the spark plug wires on the distributor cap, as well as the correct firing sequence. Gain insight into the crucial role of distributor cap firing order in optimizing engine performance, complete with a helpful diagram. So what does a distributor do in a car? This order is crucial for the engine. Understand its components and their.
from garagefixhamilton.z13.web.core.windows.net
The distributor cap wire order refers to the specific order in which the spark plug wires are connected to the distributor cap in a car’s ignition system. Gain insight into the crucial role of distributor cap firing order in optimizing engine performance, complete with a helpful diagram. Illustrated here is the correct position for the spark plug wires on the distributor cap, as well as the correct firing sequence. So what does a distributor do in a car? Understand its components and their. The distributor cap looks like a clock, but the number one is at the fifth hour and it spins the opposite way. Learn about the diagram of a spark plug distributor cap and how it functions in your car's ignition system. This order is crucial for the engine. The distributor is tasked with receiving high voltage from the ignition coil to spark the individual spark plugs in proper. When it comes to the chevy 350 engine, understanding the firing order and hei distributor is crucial for optimal performance.
2001 Dodge Ram Distributor Cap Diagram
Distributor Cap Sequence This order is crucial for the engine. So what does a distributor do in a car? Learn about the diagram of a spark plug distributor cap and how it functions in your car's ignition system. This order is crucial for the engine. The distributor is tasked with receiving high voltage from the ignition coil to spark the individual spark plugs in proper. When it comes to the chevy 350 engine, understanding the firing order and hei distributor is crucial for optimal performance. Gain insight into the crucial role of distributor cap firing order in optimizing engine performance, complete with a helpful diagram. Understand its components and their. The distributor cap looks like a clock, but the number one is at the fifth hour and it spins the opposite way. The distributor cap wire order refers to the specific order in which the spark plug wires are connected to the distributor cap in a car’s ignition system. Illustrated here is the correct position for the spark plug wires on the distributor cap, as well as the correct firing sequence.
From techschems.com
The Importance of Correct Distributor Cap Wire Order for Optimal Engine Performance Distributor Cap Sequence The distributor cap wire order refers to the specific order in which the spark plug wires are connected to the distributor cap in a car’s ignition system. When it comes to the chevy 350 engine, understanding the firing order and hei distributor is crucial for optimal performance. Understand its components and their. Learn about the diagram of a spark plug. Distributor Cap Sequence.
From diagramweb.net
00 Chevy S10 4.3l Distributor Cap Wiring Diagram Distributor Cap Sequence Gain insight into the crucial role of distributor cap firing order in optimizing engine performance, complete with a helpful diagram. The distributor cap looks like a clock, but the number one is at the fifth hour and it spins the opposite way. So what does a distributor do in a car? Illustrated here is the correct position for the spark. Distributor Cap Sequence.
From fixwiringwoodhouse.z21.web.core.windows.net
Ford 50 Firing Order Diagram Distributor Cap Sequence The distributor cap wire order refers to the specific order in which the spark plug wires are connected to the distributor cap in a car’s ignition system. Gain insight into the crucial role of distributor cap firing order in optimizing engine performance, complete with a helpful diagram. So what does a distributor do in a car? Illustrated here is the. Distributor Cap Sequence.
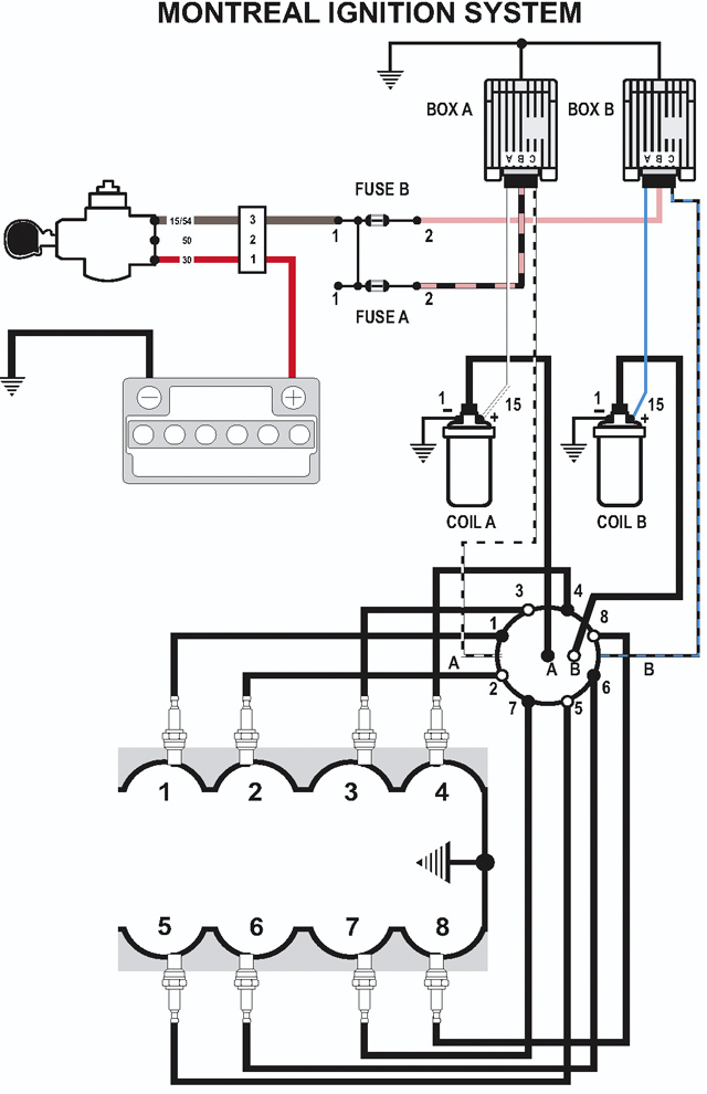
From www.alfabb.com
Alfa Montreal Distributor Cap Sequence Numbers for Leads Alfa Romeo Forums Distributor Cap Sequence This order is crucial for the engine. The distributor is tasked with receiving high voltage from the ignition coil to spark the individual spark plugs in proper. Gain insight into the crucial role of distributor cap firing order in optimizing engine performance, complete with a helpful diagram. When it comes to the chevy 350 engine, understanding the firing order and. Distributor Cap Sequence.
From www.justanswer.com
Chevy 454 Distributor Timing Q&A on Firing Order, Installation, and Timing JustAnswer Distributor Cap Sequence Gain insight into the crucial role of distributor cap firing order in optimizing engine performance, complete with a helpful diagram. Learn about the diagram of a spark plug distributor cap and how it functions in your car's ignition system. Illustrated here is the correct position for the spark plug wires on the distributor cap, as well as the correct firing. Distributor Cap Sequence.
From www.diagramelectric.co
Chevy Firing Order On Distributor Cap Wiring Diagram Distributor Cap Sequence So what does a distributor do in a car? Learn about the diagram of a spark plug distributor cap and how it functions in your car's ignition system. When it comes to the chevy 350 engine, understanding the firing order and hei distributor is crucial for optimal performance. Understand its components and their. Illustrated here is the correct position for. Distributor Cap Sequence.
From fordfiringorder.com
Firing Order Ford 390 Distributor Cap Wiring and Printable Distributor Cap Sequence This order is crucial for the engine. Learn about the diagram of a spark plug distributor cap and how it functions in your car's ignition system. Gain insight into the crucial role of distributor cap firing order in optimizing engine performance, complete with a helpful diagram. Understand its components and their. When it comes to the chevy 350 engine, understanding. Distributor Cap Sequence.
From uchanics.ca
Distributor Cap Replacement Cost and Guide Uchanics Auto Repair Distributor Cap Sequence Understand its components and their. The distributor is tasked with receiving high voltage from the ignition coil to spark the individual spark plugs in proper. Illustrated here is the correct position for the spark plug wires on the distributor cap, as well as the correct firing sequence. This order is crucial for the engine. The distributor cap wire order refers. Distributor Cap Sequence.
From www.firing-order.net
1998 Chevy Silverado 1500 Firing Order 2023 Distributor Cap Sequence Gain insight into the crucial role of distributor cap firing order in optimizing engine performance, complete with a helpful diagram. When it comes to the chevy 350 engine, understanding the firing order and hei distributor is crucial for optimal performance. Understand its components and their. The distributor cap looks like a clock, but the number one is at the fifth. Distributor Cap Sequence.
From wiredraw.co
Firing Order On Distributor Cap Wiring Draw Distributor Cap Sequence Gain insight into the crucial role of distributor cap firing order in optimizing engine performance, complete with a helpful diagram. When it comes to the chevy 350 engine, understanding the firing order and hei distributor is crucial for optimal performance. Illustrated here is the correct position for the spark plug wires on the distributor cap, as well as the correct. Distributor Cap Sequence.
From www.carparts.com
Bad Distributor Cap Symptoms, Testing, Replacement Cost In The Garage with Distributor Cap Sequence When it comes to the chevy 350 engine, understanding the firing order and hei distributor is crucial for optimal performance. This order is crucial for the engine. Illustrated here is the correct position for the spark plug wires on the distributor cap, as well as the correct firing sequence. Understand its components and their. Gain insight into the crucial role. Distributor Cap Sequence.
From angf35eis.com
Find the Right Firing Order for Chevy 350, SBC, and BBC Here AFE Chevy Distributor Cap Sequence The distributor is tasked with receiving high voltage from the ignition coil to spark the individual spark plugs in proper. Understand its components and their. The distributor cap looks like a clock, but the number one is at the fifth hour and it spins the opposite way. When it comes to the chevy 350 engine, understanding the firing order and. Distributor Cap Sequence.
From www.binderplanet.com
How to determine where spark plug wires go on distributor cap? Distributor Cap Sequence The distributor is tasked with receiving high voltage from the ignition coil to spark the individual spark plugs in proper. Understand its components and their. The distributor cap looks like a clock, but the number one is at the fifth hour and it spins the opposite way. Illustrated here is the correct position for the spark plug wires on the. Distributor Cap Sequence.
From www.justanswer.com
Chevy Firing Order 4.3 Vortec Distributor Cap Q&A JustAnswer Distributor Cap Sequence This order is crucial for the engine. Illustrated here is the correct position for the spark plug wires on the distributor cap, as well as the correct firing sequence. Gain insight into the crucial role of distributor cap firing order in optimizing engine performance, complete with a helpful diagram. The distributor is tasked with receiving high voltage from the ignition. Distributor Cap Sequence.
From www.lamborghini-talk.com
Distributor Cap Order And Coil Setup Talk Distributor Cap Sequence When it comes to the chevy 350 engine, understanding the firing order and hei distributor is crucial for optimal performance. Illustrated here is the correct position for the spark plug wires on the distributor cap, as well as the correct firing sequence. The distributor cap wire order refers to the specific order in which the spark plug wires are connected. Distributor Cap Sequence.
From www.chevyfiringorder.com
Chevy 350 Firing Order Distributor Cap 2022 Distributor Cap Sequence Illustrated here is the correct position for the spark plug wires on the distributor cap, as well as the correct firing sequence. This order is crucial for the engine. The distributor cap looks like a clock, but the number one is at the fifth hour and it spins the opposite way. The distributor cap wire order refers to the specific. Distributor Cap Sequence.
From axleaddict.com
Distributor Replacement and Ignition Timing Adjustment AxleAddict Distributor Cap Sequence So what does a distributor do in a car? Learn about the diagram of a spark plug distributor cap and how it functions in your car's ignition system. The distributor cap looks like a clock, but the number one is at the fifth hour and it spins the opposite way. Understand its components and their. This order is crucial for. Distributor Cap Sequence.
From repairfixbattling.z14.web.core.windows.net
Firing Order Of 5 Cylinder Engine Distributor Cap Sequence So what does a distributor do in a car? Learn about the diagram of a spark plug distributor cap and how it functions in your car's ignition system. The distributor cap looks like a clock, but the number one is at the fifth hour and it spins the opposite way. The distributor cap wire order refers to the specific order. Distributor Cap Sequence.
From chevygeek.com
What is the Chevy 350 Firing Order? [With Diagram] Distributor Cap Sequence The distributor is tasked with receiving high voltage from the ignition coil to spark the individual spark plugs in proper. Learn about the diagram of a spark plug distributor cap and how it functions in your car's ignition system. This order is crucial for the engine. Gain insight into the crucial role of distributor cap firing order in optimizing engine. Distributor Cap Sequence.
From exouarioo.blob.core.windows.net
What Does A Distributor Cap Do In A Car at Kristin Starling blog Distributor Cap Sequence The distributor cap wire order refers to the specific order in which the spark plug wires are connected to the distributor cap in a car’s ignition system. When it comes to the chevy 350 engine, understanding the firing order and hei distributor is crucial for optimal performance. Learn about the diagram of a spark plug distributor cap and how it. Distributor Cap Sequence.
From wiringguidefrosts.z19.web.core.windows.net
Distributor Cap Wire Order Distributor Cap Sequence Understand its components and their. Gain insight into the crucial role of distributor cap firing order in optimizing engine performance, complete with a helpful diagram. Illustrated here is the correct position for the spark plug wires on the distributor cap, as well as the correct firing sequence. The distributor cap wire order refers to the specific order in which the. Distributor Cap Sequence.
From giokcnwun.blob.core.windows.net
Chevy Distributor Cap Firing Order at Eric Copeland blog Distributor Cap Sequence The distributor is tasked with receiving high voltage from the ignition coil to spark the individual spark plugs in proper. Understand its components and their. Learn about the diagram of a spark plug distributor cap and how it functions in your car's ignition system. The distributor cap wire order refers to the specific order in which the spark plug wires. Distributor Cap Sequence.
From www.diagramelectric.co
Firing Order On Distributor Cap » Wiring Diagram Distributor Cap Sequence When it comes to the chevy 350 engine, understanding the firing order and hei distributor is crucial for optimal performance. Learn about the diagram of a spark plug distributor cap and how it functions in your car's ignition system. This order is crucial for the engine. Understand its components and their. So what does a distributor do in a car?. Distributor Cap Sequence.
From www.fcpeuro.com
How To Complete An Ignition TuneUp On An AirCooled Porsche 911 Spark Plugs, Distributor, and Distributor Cap Sequence The distributor cap wire order refers to the specific order in which the spark plug wires are connected to the distributor cap in a car’s ignition system. Illustrated here is the correct position for the spark plug wires on the distributor cap, as well as the correct firing sequence. Understand its components and their. So what does a distributor do. Distributor Cap Sequence.
From www.carid.com
Original Engine Management® 4225 Ignition Distributor Cap Distributor Cap Sequence So what does a distributor do in a car? When it comes to the chevy 350 engine, understanding the firing order and hei distributor is crucial for optimal performance. The distributor is tasked with receiving high voltage from the ignition coil to spark the individual spark plugs in proper. Gain insight into the crucial role of distributor cap firing order. Distributor Cap Sequence.
From fixlibrarygedwaaldebx.z21.web.core.windows.net
Chevy Hei Distributor Installation Distributor Cap Sequence This order is crucial for the engine. The distributor cap wire order refers to the specific order in which the spark plug wires are connected to the distributor cap in a car’s ignition system. So what does a distributor do in a car? Gain insight into the crucial role of distributor cap firing order in optimizing engine performance, complete with. Distributor Cap Sequence.
From butlerperformance.com
MSD Performance MSD/GM Distributor Cap HEI Terminals, Black for 8528 and 8563 Distributor Distributor Cap Sequence The distributor cap wire order refers to the specific order in which the spark plug wires are connected to the distributor cap in a car’s ignition system. This order is crucial for the engine. So what does a distributor do in a car? Gain insight into the crucial role of distributor cap firing order in optimizing engine performance, complete with. Distributor Cap Sequence.
From www.justanswer.com
Jeep 4.0 Spark Plug Wire Order 1996 Cherokee Firing Order Q&A Distributor Cap Sequence This order is crucial for the engine. The distributor cap looks like a clock, but the number one is at the fifth hour and it spins the opposite way. So what does a distributor do in a car? When it comes to the chevy 350 engine, understanding the firing order and hei distributor is crucial for optimal performance. Learn about. Distributor Cap Sequence.
From fordfiringorder.com
Ford Distributor Cap Firing Order Wiring and Printable Distributor Cap Sequence The distributor cap wire order refers to the specific order in which the spark plug wires are connected to the distributor cap in a car’s ignition system. Gain insight into the crucial role of distributor cap firing order in optimizing engine performance, complete with a helpful diagram. Illustrated here is the correct position for the spark plug wires on the. Distributor Cap Sequence.
From garagefixhamilton.z13.web.core.windows.net
2001 Dodge Ram Distributor Cap Diagram Distributor Cap Sequence The distributor is tasked with receiving high voltage from the ignition coil to spark the individual spark plugs in proper. Gain insight into the crucial role of distributor cap firing order in optimizing engine performance, complete with a helpful diagram. Understand its components and their. When it comes to the chevy 350 engine, understanding the firing order and hei distributor. Distributor Cap Sequence.
From www.hotrodders.com
454 chevy firing order Hot Rod Forum Distributor Cap Sequence This order is crucial for the engine. The distributor is tasked with receiving high voltage from the ignition coil to spark the individual spark plugs in proper. Understand its components and their. Gain insight into the crucial role of distributor cap firing order in optimizing engine performance, complete with a helpful diagram. The distributor cap looks like a clock, but. Distributor Cap Sequence.
From hxejrdrlq.blob.core.windows.net
Chevy Firing Order On Distributor Cap at Ramsey blog Distributor Cap Sequence Learn about the diagram of a spark plug distributor cap and how it functions in your car's ignition system. Illustrated here is the correct position for the spark plug wires on the distributor cap, as well as the correct firing sequence. The distributor cap looks like a clock, but the number one is at the fifth hour and it spins. Distributor Cap Sequence.
From www.facet.eu
FACET Srl Distributor caps Distributor Cap Sequence Illustrated here is the correct position for the spark plug wires on the distributor cap, as well as the correct firing sequence. So what does a distributor do in a car? The distributor is tasked with receiving high voltage from the ignition coil to spark the individual spark plugs in proper. When it comes to the chevy 350 engine, understanding. Distributor Cap Sequence.
From guidelistcarla.z19.web.core.windows.net
Installing Distributor In Small Block Chevy Distributor Cap Sequence Illustrated here is the correct position for the spark plug wires on the distributor cap, as well as the correct firing sequence. This order is crucial for the engine. Learn about the diagram of a spark plug distributor cap and how it functions in your car's ignition system. The distributor is tasked with receiving high voltage from the ignition coil. Distributor Cap Sequence.
From www.youtube.com
How to replace the distributor cap and rotor arm on a VW YouTube Distributor Cap Sequence Understand its components and their. Learn about the diagram of a spark plug distributor cap and how it functions in your car's ignition system. Gain insight into the crucial role of distributor cap firing order in optimizing engine performance, complete with a helpful diagram. So what does a distributor do in a car? This order is crucial for the engine.. Distributor Cap Sequence.