Hot Gas Bypass Sizing .  the hot gas bypass system design consists of two important modification to the standard, proven air conditioning unit:. Hot gas application guide for dx split systems.  explore the diagram of a hot gas bypass valve, an essential component in hvac systems that helps regulate the.   hot gas bypass is recommended when the load on an evaporator varies and operation of the air conditioning system is desired at lower than design conditions.  to understand why, let’s briefly review what hot gas bypass does and how it is applied.  hot gas bypass installation guidelines for direct expansion equipment. This article covers standard (external) hot gas bypass.
        
        from techschematic.com 
     
        
        This article covers standard (external) hot gas bypass.  explore the diagram of a hot gas bypass valve, an essential component in hvac systems that helps regulate the.   hot gas bypass is recommended when the load on an evaporator varies and operation of the air conditioning system is desired at lower than design conditions. Hot gas application guide for dx split systems.  to understand why, let’s briefly review what hot gas bypass does and how it is applied.  hot gas bypass installation guidelines for direct expansion equipment.  the hot gas bypass system design consists of two important modification to the standard, proven air conditioning unit:.
    
    	
            
	
		 
         
    Understanding Hot Gas Bypass Valve Diagrams A Comprehensive Guide 
    Hot Gas Bypass Sizing   to understand why, let’s briefly review what hot gas bypass does and how it is applied.  explore the diagram of a hot gas bypass valve, an essential component in hvac systems that helps regulate the.  to understand why, let’s briefly review what hot gas bypass does and how it is applied. This article covers standard (external) hot gas bypass.  the hot gas bypass system design consists of two important modification to the standard, proven air conditioning unit:. Hot gas application guide for dx split systems.   hot gas bypass is recommended when the load on an evaporator varies and operation of the air conditioning system is desired at lower than design conditions.  hot gas bypass installation guidelines for direct expansion equipment.
            
	
		 
         
 
    
        From refrigerationnew.blogspot.com 
                    Refrigeration Hot Gas Bypass Refrigeration System Hot Gas Bypass Sizing    hot gas bypass is recommended when the load on an evaporator varies and operation of the air conditioning system is desired at lower than design conditions.  to understand why, let’s briefly review what hot gas bypass does and how it is applied.  hot gas bypass installation guidelines for direct expansion equipment. This article covers standard (external) hot. Hot Gas Bypass Sizing.
     
    
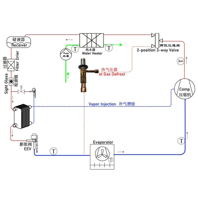
        From www.scribd.com 
                    Understanding Hot Gas Bypass PDF Air Conditioning Atmospheric Hot Gas Bypass Sizing   the hot gas bypass system design consists of two important modification to the standard, proven air conditioning unit:.   hot gas bypass is recommended when the load on an evaporator varies and operation of the air conditioning system is desired at lower than design conditions.  to understand why, let’s briefly review what hot gas bypass does and how. Hot Gas Bypass Sizing.
     
    
        From manualzz.com 
                    Danfoss Capacity regulators (hot gas bypass),type PMC andCVC Datasheet Hot Gas Bypass Sizing   explore the diagram of a hot gas bypass valve, an essential component in hvac systems that helps regulate the.   hot gas bypass is recommended when the load on an evaporator varies and operation of the air conditioning system is desired at lower than design conditions.  hot gas bypass installation guidelines for direct expansion equipment. Hot gas application. Hot Gas Bypass Sizing.
     
    
        From mepacademy.com 
                    How Solenoid Valves Work MEP Academy Hot Gas Bypass Sizing   hot gas bypass installation guidelines for direct expansion equipment. Hot gas application guide for dx split systems.  explore the diagram of a hot gas bypass valve, an essential component in hvac systems that helps regulate the. This article covers standard (external) hot gas bypass.   hot gas bypass is recommended when the load on an evaporator varies and. Hot Gas Bypass Sizing.
     
    
        From fdocuments.in 
                    Electric Hot Gas Bypass Valves Sporlan · PDF fileElectric Hot Gas Hot Gas Bypass Sizing    hot gas bypass is recommended when the load on an evaporator varies and operation of the air conditioning system is desired at lower than design conditions.  to understand why, let’s briefly review what hot gas bypass does and how it is applied. Hot gas application guide for dx split systems.  the hot gas bypass system design consists. Hot Gas Bypass Sizing.
     
    
        From www.brandopneumatic.com 
                    Sporlan Type Hot Gas Bypass Valve ADRIE/ADRSE/ADRPE/ADRHE China Hot Gas Bypass Sizing  Hot gas application guide for dx split systems.  hot gas bypass installation guidelines for direct expansion equipment. This article covers standard (external) hot gas bypass.   hot gas bypass is recommended when the load on an evaporator varies and operation of the air conditioning system is desired at lower than design conditions.  to understand why, let’s briefly review. Hot Gas Bypass Sizing.
     
    
        From www.aliexpress.com 
                    Universal Independent Working Hot Gas Defroster Provides Different Hot Gas Bypass Sizing  This article covers standard (external) hot gas bypass.  the hot gas bypass system design consists of two important modification to the standard, proven air conditioning unit:.  hot gas bypass installation guidelines for direct expansion equipment.  to understand why, let’s briefly review what hot gas bypass does and how it is applied.   hot gas bypass is recommended. Hot Gas Bypass Sizing.
     
    
        From wireblueprint.com 
                    A Visual Breakdown of a Hot Gas Bypass Valve Hot Gas Bypass Sizing   the hot gas bypass system design consists of two important modification to the standard, proven air conditioning unit:.   hot gas bypass is recommended when the load on an evaporator varies and operation of the air conditioning system is desired at lower than design conditions. Hot gas application guide for dx split systems. This article covers standard (external) hot. Hot Gas Bypass Sizing.
     
    
        From www.tpsearchtool.com 
                    Hot Gas Bypass Stand Schematic Fig 4 Hot Gas Bypass Stand P H Diagram Hot Gas Bypass Sizing   to understand why, let’s briefly review what hot gas bypass does and how it is applied.  explore the diagram of a hot gas bypass valve, an essential component in hvac systems that helps regulate the.   hot gas bypass is recommended when the load on an evaporator varies and operation of the air conditioning system is desired at. Hot Gas Bypass Sizing.
     
    
        From www.youtube.com 
                    Hot Gas Reheat vs. Hot Gas Bypass YouTube Hot Gas Bypass Sizing   explore the diagram of a hot gas bypass valve, an essential component in hvac systems that helps regulate the. Hot gas application guide for dx split systems.  to understand why, let’s briefly review what hot gas bypass does and how it is applied.  the hot gas bypass system design consists of two important modification to the standard,. Hot Gas Bypass Sizing.
     
    
        From techschematic.com 
                    Understanding Hot Gas Bypass Valve Diagrams A Comprehensive Guide Hot Gas Bypass Sizing   explore the diagram of a hot gas bypass valve, an essential component in hvac systems that helps regulate the. Hot gas application guide for dx split systems.  hot gas bypass installation guidelines for direct expansion equipment.   hot gas bypass is recommended when the load on an evaporator varies and operation of the air conditioning system is desired. Hot Gas Bypass Sizing.
     
    
        From dxojmcwxa.blob.core.windows.net 
                    How To Adjust Hot Gas Bypass Valve at Beverly Fried blog Hot Gas Bypass Sizing  This article covers standard (external) hot gas bypass.  to understand why, let’s briefly review what hot gas bypass does and how it is applied. Hot gas application guide for dx split systems.  explore the diagram of a hot gas bypass valve, an essential component in hvac systems that helps regulate the.   hot gas bypass is recommended when. Hot Gas Bypass Sizing.
     
    
        From www.airefrig.com.au 
                    Danfoss Hot Gas Bypass Regulator KVC12 387psig 1/2" ODS Airefrig Hot Gas Bypass Sizing   explore the diagram of a hot gas bypass valve, an essential component in hvac systems that helps regulate the.  the hot gas bypass system design consists of two important modification to the standard, proven air conditioning unit:. Hot gas application guide for dx split systems.  hot gas bypass installation guidelines for direct expansion equipment.  to understand. Hot Gas Bypass Sizing.
     
    
        From dokumen.tips 
                    (PDF) INSTALLATION INSTRUCTIONS HOT GAS BYPASS SYSTEM DESIGN Hot Gas Bypass Sizing   to understand why, let’s briefly review what hot gas bypass does and how it is applied. This article covers standard (external) hot gas bypass.  hot gas bypass installation guidelines for direct expansion equipment.  explore the diagram of a hot gas bypass valve, an essential component in hvac systems that helps regulate the.   hot gas bypass is. Hot Gas Bypass Sizing.
     
    
        From www.youtube.com 
                    Defrosting CO2 Systems Using Reverse Hot Gas Defrost Method with LT Hot Gas Bypass Sizing   hot gas bypass installation guidelines for direct expansion equipment.  the hot gas bypass system design consists of two important modification to the standard, proven air conditioning unit:.  to understand why, let’s briefly review what hot gas bypass does and how it is applied.   hot gas bypass is recommended when the load on an evaporator varies and. Hot Gas Bypass Sizing.
     
    
        From guidemanualanke88.z13.web.core.windows.net 
                    Hot Gas Bypass Piping Schematic Hot Gas Bypass Sizing   the hot gas bypass system design consists of two important modification to the standard, proven air conditioning unit:.  explore the diagram of a hot gas bypass valve, an essential component in hvac systems that helps regulate the. This article covers standard (external) hot gas bypass.   hot gas bypass is recommended when the load on an evaporator varies. Hot Gas Bypass Sizing.
     
    
        From controa.com 
                    Hot Gas Bypass Regulator Managing HVAC System Capacity Hot Gas Bypass Sizing   explore the diagram of a hot gas bypass valve, an essential component in hvac systems that helps regulate the.  the hot gas bypass system design consists of two important modification to the standard, proven air conditioning unit:.  to understand why, let’s briefly review what hot gas bypass does and how it is applied.   hot gas bypass. Hot Gas Bypass Sizing.
     
    
        From wireblueprint.com 
                    A Visual Breakdown of a Hot Gas Bypass Valve Hot Gas Bypass Sizing  This article covers standard (external) hot gas bypass.   hot gas bypass is recommended when the load on an evaporator varies and operation of the air conditioning system is desired at lower than design conditions.  explore the diagram of a hot gas bypass valve, an essential component in hvac systems that helps regulate the. Hot gas application guide for. Hot Gas Bypass Sizing.
     
    
        From www.researchgate.net 
                    Hot gas bypass load stand Download Scientific Diagram Hot Gas Bypass Sizing   the hot gas bypass system design consists of two important modification to the standard, proven air conditioning unit:.  hot gas bypass installation guidelines for direct expansion equipment. This article covers standard (external) hot gas bypass.  explore the diagram of a hot gas bypass valve, an essential component in hvac systems that helps regulate the.   hot gas. Hot Gas Bypass Sizing.
     
    
        From www.youtube.com 
                    Process Chiller Buyer's Guide Hot Gas Bypass YouTube Hot Gas Bypass Sizing    hot gas bypass is recommended when the load on an evaporator varies and operation of the air conditioning system is desired at lower than design conditions. This article covers standard (external) hot gas bypass.  the hot gas bypass system design consists of two important modification to the standard, proven air conditioning unit:. Hot gas application guide for dx. Hot Gas Bypass Sizing.
     
    
        From www.permitzip.com 
                    Hot Gas Reheat and Hot Gas Bypass permitzip Hot Gas Bypass Sizing    hot gas bypass is recommended when the load on an evaporator varies and operation of the air conditioning system is desired at lower than design conditions. This article covers standard (external) hot gas bypass. Hot gas application guide for dx split systems.  the hot gas bypass system design consists of two important modification to the standard, proven air. Hot Gas Bypass Sizing.
     
    
        From airconditioningmanuals.tpub.com 
                    Figure 77. Hot gas bypass valve disassembly, exploded view Hot Gas Bypass Sizing  This article covers standard (external) hot gas bypass.  the hot gas bypass system design consists of two important modification to the standard, proven air conditioning unit:. Hot gas application guide for dx split systems.   hot gas bypass is recommended when the load on an evaporator varies and operation of the air conditioning system is desired at lower than. Hot Gas Bypass Sizing.
     
    
        From www.miracleref.com 
                    Your Best Hot Gas Bypass Valve Supplier In ChinaMiracle Refrigeration Hot Gas Bypass Sizing   hot gas bypass installation guidelines for direct expansion equipment. This article covers standard (external) hot gas bypass.  to understand why, let’s briefly review what hot gas bypass does and how it is applied. Hot gas application guide for dx split systems.  explore the diagram of a hot gas bypass valve, an essential component in hvac systems that. Hot Gas Bypass Sizing.
     
    
        From graysonapuypiojutu.blogspot.com 
                    41 hot gas bypass diagram Modern Wiring Diagram Hot Gas Bypass Sizing   explore the diagram of a hot gas bypass valve, an essential component in hvac systems that helps regulate the.  the hot gas bypass system design consists of two important modification to the standard, proven air conditioning unit:.   hot gas bypass is recommended when the load on an evaporator varies and operation of the air conditioning system is. Hot Gas Bypass Sizing.
     
    
        From graysonapuypiojutu.blogspot.com 
                    41 hot gas bypass diagram Modern Wiring Diagram Hot Gas Bypass Sizing  Hot gas application guide for dx split systems.  explore the diagram of a hot gas bypass valve, an essential component in hvac systems that helps regulate the.  hot gas bypass installation guidelines for direct expansion equipment.  to understand why, let’s briefly review what hot gas bypass does and how it is applied.  the hot gas bypass. Hot Gas Bypass Sizing.
     
    
        From graysonapuypiojutu.blogspot.com 
                    41 hot gas bypass diagram Modern Wiring Diagram Hot Gas Bypass Sizing  This article covers standard (external) hot gas bypass.  to understand why, let’s briefly review what hot gas bypass does and how it is applied.  explore the diagram of a hot gas bypass valve, an essential component in hvac systems that helps regulate the.   hot gas bypass is recommended when the load on an evaporator varies and operation. Hot Gas Bypass Sizing.
     
    
        From www.researchgate.net 
                    Hot gas bypass load stand Download Scientific Diagram Hot Gas Bypass Sizing  Hot gas application guide for dx split systems.  explore the diagram of a hot gas bypass valve, an essential component in hvac systems that helps regulate the.  the hot gas bypass system design consists of two important modification to the standard, proven air conditioning unit:.  to understand why, let’s briefly review what hot gas bypass does and. Hot Gas Bypass Sizing.
     
    
        From www.mbs.engineering 
                    Gas Bypass Line Construction MBS ENGINEERING NATURAL GAS EXPERTS Hot Gas Bypass Sizing   hot gas bypass installation guidelines for direct expansion equipment.   hot gas bypass is recommended when the load on an evaporator varies and operation of the air conditioning system is desired at lower than design conditions. Hot gas application guide for dx split systems.  to understand why, let’s briefly review what hot gas bypass does and how it. Hot Gas Bypass Sizing.
     
    
        From www.scribd.com 
                    Hot Gas Bypass Compressors PDF Density Physical Chemistry Hot Gas Bypass Sizing  This article covers standard (external) hot gas bypass.  hot gas bypass installation guidelines for direct expansion equipment.  to understand why, let’s briefly review what hot gas bypass does and how it is applied.   hot gas bypass is recommended when the load on an evaporator varies and operation of the air conditioning system is desired at lower than. Hot Gas Bypass Sizing.
     
    
        From www.odellassoc.com 
                    DOAS Dehumidification DX Coil Bypass vs. Hot Gas Reheat O'Dell Hot Gas Bypass Sizing   to understand why, let’s briefly review what hot gas bypass does and how it is applied. This article covers standard (external) hot gas bypass.  the hot gas bypass system design consists of two important modification to the standard, proven air conditioning unit:.  explore the diagram of a hot gas bypass valve, an essential component in hvac systems. Hot Gas Bypass Sizing.
     
    
        From www.scribd.com 
                    HotGas Bypass Control PDF Hot Gas Bypass Sizing   explore the diagram of a hot gas bypass valve, an essential component in hvac systems that helps regulate the. Hot gas application guide for dx split systems.  the hot gas bypass system design consists of two important modification to the standard, proven air conditioning unit:. This article covers standard (external) hot gas bypass.  to understand why, let’s. Hot Gas Bypass Sizing.
     
    
        From graysonapuypiojutu.blogspot.com 
                    41 hot gas bypass diagram Modern Wiring Diagram Hot Gas Bypass Sizing   hot gas bypass installation guidelines for direct expansion equipment.   hot gas bypass is recommended when the load on an evaporator varies and operation of the air conditioning system is desired at lower than design conditions.  to understand why, let’s briefly review what hot gas bypass does and how it is applied. Hot gas application guide for dx. Hot Gas Bypass Sizing.
     
    
        From www.miracleref.com 
                    Your Best Hot Gas Bypass Valve Supplier In ChinaMiracle Refrigeration Hot Gas Bypass Sizing   explore the diagram of a hot gas bypass valve, an essential component in hvac systems that helps regulate the.  hot gas bypass installation guidelines for direct expansion equipment.  the hot gas bypass system design consists of two important modification to the standard, proven air conditioning unit:.   hot gas bypass is recommended when the load on an. Hot Gas Bypass Sizing.
     
    
        From hvacknowitall.com 
                    The Hot Gas Bypass Valve Explained HVAC Know It All Hot Gas Bypass Sizing  This article covers standard (external) hot gas bypass.   hot gas bypass is recommended when the load on an evaporator varies and operation of the air conditioning system is desired at lower than design conditions.  to understand why, let’s briefly review what hot gas bypass does and how it is applied.  explore the diagram of a hot gas. Hot Gas Bypass Sizing.
     
    
        From www.youtube.com 
                    Hot Gas Bypass Valve Application and Low Load Conditions YouTube Hot Gas Bypass Sizing  Hot gas application guide for dx split systems.  explore the diagram of a hot gas bypass valve, an essential component in hvac systems that helps regulate the. This article covers standard (external) hot gas bypass.  hot gas bypass installation guidelines for direct expansion equipment.  to understand why, let’s briefly review what hot gas bypass does and how. Hot Gas Bypass Sizing.