Air Filter For 1993 Yamaha Warrior 350 . original 1993 yamaha warrior (yfm350xemmnh) parts. We have quality products for your yamaha. Search air filter parts using manufacturer microfiche. factory direct k&n replacement air filters, air intakes, oil filters & cabin filters. Stage 1 jet kits are engineered to improve throttle. changing or servicing the air filter on your warrior is one of the easiest and most important maintenance jobs you can do to. High performance, premium, powersport air filter: shop k&n replacement air filters for your yamaha yfm350x warrior now from the official k&n online store. k&n engine air filter: air filter for yamaha warrior 350 wolverine 350 4x4 raptor 350 grizzly 600 & 660 (for: if your project is incomplete without powersports air filters, look no further. For 1988 warrior 350 (yfm350x). 1987 warrior 350 (yfm350x). K&n's universal air filters are designed and manufactured for. Unsurpassed in airflow, dirt stopping and overall performance.
from circuitlibinvoices.z21.web.core.windows.net
shop k&n replacement air filters for your yamaha yfm350x warrior now from the official k&n online store. Whether you're seeking essential parts like protection guards or. perfect for atvs with a stock engine using the stock airbox, air filter, and pipes. 1987 warrior 350 (yfm350x). Fits in stock air box. displaying parts for your 1993 yamaha warrior 350. changing or servicing the air filter on your warrior is one of the easiest and most important maintenance jobs you can do to. K&n's universal air filters are designed and manufactured for. if your project is incomplete without powersports air filters, look no further. For 1988 warrior 350 (yfm350x).
Yamaha Warrior 350 Performance
Air Filter For 1993 Yamaha Warrior 350 Whether you're seeking essential parts like protection guards or. Stage 1 jet kits are engineered to improve throttle. K&n's universal air filters are designed and manufactured for. We have quality products for your yamaha. Whether you're seeking essential parts like protection guards or. High performance, premium, powersport air filter: 1987 warrior 350 (yfm350x). changing or servicing the air filter on your warrior is one of the easiest and most important maintenance jobs you can do to. Fits in stock air box. original 1993 yamaha warrior (yfm350xemmnh) parts. Of all the components used in this assembly the joint,. air filter for yamaha warrior 350 wolverine 350 4x4 raptor 350 grizzly 600 & 660 (for: Search air filter parts using manufacturer microfiche. buy now from k&n's online store and get a 100% money back guarantee on any yamaha yfm350x warrior air filter! Unsurpassed in airflow, dirt stopping and overall performance. k&n engine air filter:
From www.facebook.com
1993 Yamaha Warrior 350 Powersport Vehicles Alden, New York Air Filter For 1993 Yamaha Warrior 350 Stage 1 jet kits are engineered to improve throttle. K&n's universal air filters are designed and manufactured for. 1987 warrior 350 (yfm350x). Whether you're seeking essential parts like protection guards or. Fits in stock air box. shop k&n replacement air filters for your yamaha yfm350x warrior now from the official k&n online store. Search air filter parts using. Air Filter For 1993 Yamaha Warrior 350.
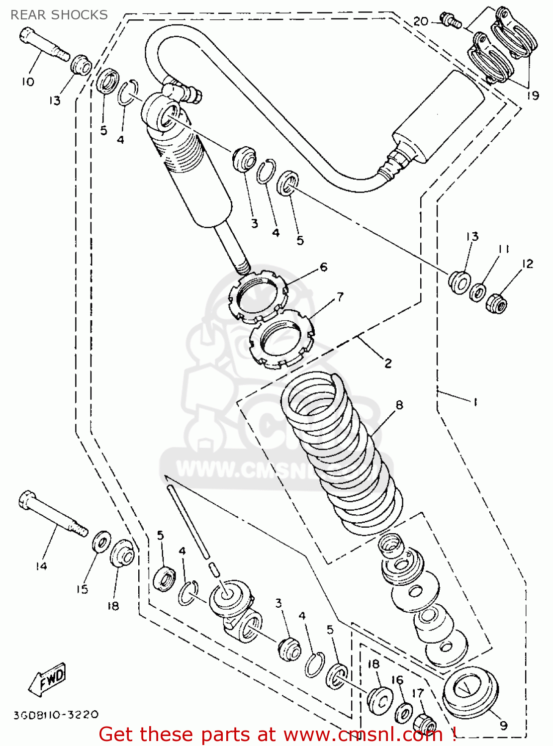
From www.cmsnl.com
Yamaha YFM350XE WARRIOR 1993 USA REAR SHOCKS buy original REAR SHOCKS Air Filter For 1993 Yamaha Warrior 350 k&n engine air filter: K&n's universal air filters are designed and manufactured for. We have quality products for your yamaha. Unsurpassed in airflow, dirt stopping and overall performance. buy now from k&n's online store and get a 100% money back guarantee on any yamaha yfm350x warrior air filter! For 1988 warrior 350 (yfm350x). perfect for atvs with. Air Filter For 1993 Yamaha Warrior 350.
From www.youtube.com
How To Change the Air Filter on a Yamaha Warrior 350 YouTube Air Filter For 1993 Yamaha Warrior 350 if your project is incomplete without powersports air filters, look no further. displaying parts for your 1993 yamaha warrior 350. changing or servicing the air filter on your warrior is one of the easiest and most important maintenance jobs you can do to. perfect for atvs with a stock engine using the stock airbox, air filter,. Air Filter For 1993 Yamaha Warrior 350.
From www.facebook.com
1993 Yamaha Warrior 350 Powersport Vehicles Omaha, Nebraska Air Filter For 1993 Yamaha Warrior 350 perfect for atvs with a stock engine using the stock airbox, air filter, and pipes. original 1993 yamaha warrior (yfm350xemmnh) parts. Fits in stock air box. 1987 warrior 350 (yfm350x). air filter for yamaha warrior 350 wolverine 350 4x4 raptor 350 grizzly 600 & 660 (for: for 1987 warrior 350 (yfm350x). changing or servicing. Air Filter For 1993 Yamaha Warrior 350.
From guidediagrambarbing.z21.web.core.windows.net
Warrior 350 Oil Capacity Air Filter For 1993 Yamaha Warrior 350 1987 warrior 350 (yfm350x). perfect for atvs with a stock engine using the stock airbox, air filter, and pipes. k&n engine air filter: Unsurpassed in airflow, dirt stopping and overall performance. Of all the components used in this assembly the joint,. High performance, premium, powersport air filter: displaying parts for your 1993 yamaha warrior 350. . Air Filter For 1993 Yamaha Warrior 350.
From www.motorsportsuniverse.com
YAMAHA WARRIOR 350 Auction Results in Ruskin, Nebraska Air Filter For 1993 Yamaha Warrior 350 perfect for atvs with a stock engine using the stock airbox, air filter, and pipes. Unsurpassed in airflow, dirt stopping and overall performance. air filter for yamaha warrior 350 wolverine 350 4x4 raptor 350 grizzly 600 & 660 (for: changing or servicing the air filter on your warrior is one of the easiest and most important maintenance. Air Filter For 1993 Yamaha Warrior 350.
From guidesumvietguy4c.z14.web.core.windows.net
Yamaha Raptor 350 Carburetor Diagram Air Filter For 1993 Yamaha Warrior 350 Unsurpassed in airflow, dirt stopping and overall performance. Whether you're seeking essential parts like protection guards or. Search air filter parts using manufacturer microfiche. Stage 1 jet kits are engineered to improve throttle. air filter for yamaha warrior 350 wolverine 350 4x4 raptor 350 grizzly 600 & 660 (for: K&n's universal air filters are designed and manufactured for. . Air Filter For 1993 Yamaha Warrior 350.
From www.aliexpress.com
Air Filter For Yamaha Warrior 350, Wolverine 350 4x4 Raptor 350 Grizzly Air Filter For 1993 Yamaha Warrior 350 K&n's universal air filters are designed and manufactured for. High performance, premium, powersport air filter: For 1988 warrior 350 (yfm350x). Stage 1 jet kits are engineered to improve throttle. Search air filter parts using manufacturer microfiche. Of all the components used in this assembly the joint,. k&n engine air filter: perfect for atvs with a stock engine using. Air Filter For 1993 Yamaha Warrior 350.
From www.ebay.com
A307 1993 yamaha warrior 350 REAR SWINGARM BACK SUSPENSION SWING ARM Air Filter For 1993 Yamaha Warrior 350 if your project is incomplete without powersports air filters, look no further. Search air filter parts using manufacturer microfiche. original 1993 yamaha warrior (yfm350xemmnh) parts. shop k&n replacement air filters for your yamaha yfm350x warrior now from the official k&n online store. For 1988 warrior 350 (yfm350x). Stage 1 jet kits are engineered to improve throttle. We. Air Filter For 1993 Yamaha Warrior 350.
From www.facebook.com
Yamaha warrior 350 Auto Parts Owensboro, Kentucky Facebook Air Filter For 1993 Yamaha Warrior 350 Whether you're seeking essential parts like protection guards or. High performance, premium, powersport air filter: We have quality products for your yamaha. shop k&n replacement air filters for your yamaha yfm350x warrior now from the official k&n online store. Stage 1 jet kits are engineered to improve throttle. k&n engine air filter: Search air filter parts using manufacturer. Air Filter For 1993 Yamaha Warrior 350.
From www.wiringscan.com
Wiring Diagram Yamaha Warrior 350 Wiring Scan Air Filter For 1993 Yamaha Warrior 350 for 1987 warrior 350 (yfm350x). original 1993 yamaha warrior (yfm350xemmnh) parts. factory direct k&n replacement air filters, air intakes, oil filters & cabin filters. K&n's universal air filters are designed and manufactured for. Unsurpassed in airflow, dirt stopping and overall performance. High performance, premium, powersport air filter: shop k&n replacement air filters for your yamaha yfm350x. Air Filter For 1993 Yamaha Warrior 350.
From zoomzoomparts.com
1987 2004 YAMAHA WARRIOR 350 YFM 350 PISTON BIG BORE KIT 366C Air Filter For 1993 Yamaha Warrior 350 k&n engine air filter: Search air filter parts using manufacturer microfiche. Whether you're seeking essential parts like protection guards or. For 1988 warrior 350 (yfm350x). factory direct k&n replacement air filters, air intakes, oil filters & cabin filters. perfect for atvs with a stock engine using the stock airbox, air filter, and pipes. High performance, premium, powersport. Air Filter For 1993 Yamaha Warrior 350.
From circuitlibinvoices.z21.web.core.windows.net
Yamaha Warrior 350 Performance Air Filter For 1993 Yamaha Warrior 350 For 1988 warrior 350 (yfm350x). original 1993 yamaha warrior (yfm350xemmnh) parts. for 1987 warrior 350 (yfm350x). We have quality products for your yamaha. factory direct k&n replacement air filters, air intakes, oil filters & cabin filters. Fits in stock air box. Search air filter parts using manufacturer microfiche. displaying parts for your 1993 yamaha warrior 350.. Air Filter For 1993 Yamaha Warrior 350.
From www.ebay.com
Dual Stage Air Filter Fit For Yamaha Warrior 350 Wolverine 350 Air Filter For 1993 Yamaha Warrior 350 For 1988 warrior 350 (yfm350x). Search air filter parts using manufacturer microfiche. Unsurpassed in airflow, dirt stopping and overall performance. factory direct k&n replacement air filters, air intakes, oil filters & cabin filters. Stage 1 jet kits are engineered to improve throttle. perfect for atvs with a stock engine using the stock airbox, air filter, and pipes. We. Air Filter For 1993 Yamaha Warrior 350.
From www.2040-parts.com
Buy Dynojet Stage 1 & 2 Jet Kit Fits Yamaha 350 Warrior 19932004 in Air Filter For 1993 Yamaha Warrior 350 Of all the components used in this assembly the joint,. Stage 1 jet kits are engineered to improve throttle. Search air filter parts using manufacturer microfiche. We have quality products for your yamaha. shop k&n replacement air filters for your yamaha yfm350x warrior now from the official k&n online store. changing or servicing the air filter on your. Air Filter For 1993 Yamaha Warrior 350.
From www.bdoutdoors.com
1993 YAMAHA WARRIOR 350 4 STROKE 1650.00 Bloodydecks Air Filter For 1993 Yamaha Warrior 350 factory direct k&n replacement air filters, air intakes, oil filters & cabin filters. High performance, premium, powersport air filter: k&n engine air filter: shop k&n replacement air filters for your yamaha yfm350x warrior now from the official k&n online store. original 1993 yamaha warrior (yfm350xemmnh) parts. Of all the components used in this assembly the joint,.. Air Filter For 1993 Yamaha Warrior 350.
From www.ebay.com.au
Air Filter Tune Up Kit For Yamaha Warrior 350 YFM350 X 19872004 ATV Air Filter For 1993 Yamaha Warrior 350 for 1987 warrior 350 (yfm350x). K&n's universal air filters are designed and manufactured for. shop k&n replacement air filters for your yamaha yfm350x warrior now from the official k&n online store. original 1993 yamaha warrior (yfm350xemmnh) parts. if your project is incomplete without powersports air filters, look no further. Search air filter parts using manufacturer microfiche.. Air Filter For 1993 Yamaha Warrior 350.
From garagefixtangiers.z1.web.core.windows.net
Yamaha Warrior 350 Info Air Filter For 1993 Yamaha Warrior 350 air filter for yamaha warrior 350 wolverine 350 4x4 raptor 350 grizzly 600 & 660 (for: for 1987 warrior 350 (yfm350x). Search air filter parts using manufacturer microfiche. For 1988 warrior 350 (yfm350x). changing or servicing the air filter on your warrior is one of the easiest and most important maintenance jobs you can do to. . Air Filter For 1993 Yamaha Warrior 350.
From www.ebay.com
WSM Yamaha 350 Warrior 19932004 Replacement Carburetor 79220, 3GD Air Filter For 1993 Yamaha Warrior 350 K&n's universal air filters are designed and manufactured for. We have quality products for your yamaha. High performance, premium, powersport air filter: shop k&n replacement air filters for your yamaha yfm350x warrior now from the official k&n online store. k&n engine air filter: changing or servicing the air filter on your warrior is one of the easiest. Air Filter For 1993 Yamaha Warrior 350.
From resolutionsforyou.com
Complete Guide to Understanding the Yamaha Warrior 350 Clutch Diagram Air Filter For 1993 Yamaha Warrior 350 original 1993 yamaha warrior (yfm350xemmnh) parts. shop k&n replacement air filters for your yamaha yfm350x warrior now from the official k&n online store. air filter for yamaha warrior 350 wolverine 350 4x4 raptor 350 grizzly 600 & 660 (for: Search air filter parts using manufacturer microfiche. High performance, premium, powersport air filter: if your project is. Air Filter For 1993 Yamaha Warrior 350.
From www.ebay.com
A307 1993 yamaha warrior 350 REAR SWINGARM BACK SUSPENSION SWING ARM Air Filter For 1993 Yamaha Warrior 350 Unsurpassed in airflow, dirt stopping and overall performance. perfect for atvs with a stock engine using the stock airbox, air filter, and pipes. air filter for yamaha warrior 350 wolverine 350 4x4 raptor 350 grizzly 600 & 660 (for: displaying parts for your 1993 yamaha warrior 350. 1987 warrior 350 (yfm350x). For 1988 warrior 350 (yfm350x).. Air Filter For 1993 Yamaha Warrior 350.
From exoylvjvv.blob.core.windows.net
One Way Bearing Warrior 350 at Dennis Sorrels blog Air Filter For 1993 Yamaha Warrior 350 High performance, premium, powersport air filter: displaying parts for your 1993 yamaha warrior 350. changing or servicing the air filter on your warrior is one of the easiest and most important maintenance jobs you can do to. factory direct k&n replacement air filters, air intakes, oil filters & cabin filters. Unsurpassed in airflow, dirt stopping and overall. Air Filter For 1993 Yamaha Warrior 350.
From bruceshark.com
Air Filter Cleaner for Yamaha Warrior 350, Wolverine 350 4x4 Raptor 350 Air Filter For 1993 Yamaha Warrior 350 buy now from k&n's online store and get a 100% money back guarantee on any yamaha yfm350x warrior air filter! Whether you're seeking essential parts like protection guards or. K&n's universal air filters are designed and manufactured for. if your project is incomplete without powersports air filters, look no further. Search air filter parts using manufacturer microfiche. Stage. Air Filter For 1993 Yamaha Warrior 350.
From ubicaciondepersonas.cdmx.gob.mx
Yamaha Warrior 350 ATV Graphic Kit All Years Tribal Flames Blue Air Filter For 1993 Yamaha Warrior 350 For 1988 warrior 350 (yfm350x). if your project is incomplete without powersports air filters, look no further. factory direct k&n replacement air filters, air intakes, oil filters & cabin filters. Search air filter parts using manufacturer microfiche. K&n's universal air filters are designed and manufactured for. shop k&n replacement air filters for your yamaha yfm350x warrior now. Air Filter For 1993 Yamaha Warrior 350.
From www.walmart.com
ZGBY Air Filter & Cage Guide & CAP Kit For Yamaha Warrior Raptor Air Filter For 1993 Yamaha Warrior 350 Of all the components used in this assembly the joint,. 1987 warrior 350 (yfm350x). buy now from k&n's online store and get a 100% money back guarantee on any yamaha yfm350x warrior air filter! original 1993 yamaha warrior (yfm350xemmnh) parts. Unsurpassed in airflow, dirt stopping and overall performance. Search air filter parts using manufacturer microfiche. We have. Air Filter For 1993 Yamaha Warrior 350.
From www.aliexpress.com
Buy XLJOY Air Filter For Yamaha Warrior 350, Wolverine Air Filter For 1993 Yamaha Warrior 350 Unsurpassed in airflow, dirt stopping and overall performance. changing or servicing the air filter on your warrior is one of the easiest and most important maintenance jobs you can do to. original 1993 yamaha warrior (yfm350xemmnh) parts. Stage 1 jet kits are engineered to improve throttle. buy now from k&n's online store and get a 100% money. Air Filter For 1993 Yamaha Warrior 350.
From www.facebook.com
1993 Yamaha Warrior 350 Powersport Vehicles Omaha, Nebraska Air Filter For 1993 Yamaha Warrior 350 K&n's universal air filters are designed and manufactured for. 1987 warrior 350 (yfm350x). Of all the components used in this assembly the joint,. Stage 1 jet kits are engineered to improve throttle. Unsurpassed in airflow, dirt stopping and overall performance. Whether you're seeking essential parts like protection guards or. perfect for atvs with a stock engine using the. Air Filter For 1993 Yamaha Warrior 350.
From www.facebook.com
Yamaha warrior 350 Auto Parts Owensboro, Kentucky Facebook Air Filter For 1993 Yamaha Warrior 350 perfect for atvs with a stock engine using the stock airbox, air filter, and pipes. changing or servicing the air filter on your warrior is one of the easiest and most important maintenance jobs you can do to. factory direct k&n replacement air filters, air intakes, oil filters & cabin filters. Unsurpassed in airflow, dirt stopping and. Air Filter For 1993 Yamaha Warrior 350.
From www.aliexpress.com
Air Filter For Yamaha Warrior 350 Wolverine 350 4x4 Raptor 350 Grizzly Air Filter For 1993 Yamaha Warrior 350 Unsurpassed in airflow, dirt stopping and overall performance. buy now from k&n's online store and get a 100% money back guarantee on any yamaha yfm350x warrior air filter! Search air filter parts using manufacturer microfiche. Fits in stock air box. 1987 warrior 350 (yfm350x). Stage 1 jet kits are engineered to improve throttle. original 1993 yamaha warrior. Air Filter For 1993 Yamaha Warrior 350.
From www.cmsnl.com
Yamaha YFM350XE WARRIOR 1993 USA REAR FENDER buy original REAR FENDER Air Filter For 1993 Yamaha Warrior 350 shop k&n replacement air filters for your yamaha yfm350x warrior now from the official k&n online store. air filter for yamaha warrior 350 wolverine 350 4x4 raptor 350 grizzly 600 & 660 (for: Stage 1 jet kits are engineered to improve throttle. High performance, premium, powersport air filter: Unsurpassed in airflow, dirt stopping and overall performance. changing. Air Filter For 1993 Yamaha Warrior 350.
From www.youtube.com
Yamaha Warrior 350 How to replace air filter, remove filter box YouTube Air Filter For 1993 Yamaha Warrior 350 displaying parts for your 1993 yamaha warrior 350. buy now from k&n's online store and get a 100% money back guarantee on any yamaha yfm350x warrior air filter! factory direct k&n replacement air filters, air intakes, oil filters & cabin filters. K&n's universal air filters are designed and manufactured for. changing or servicing the air filter. Air Filter For 1993 Yamaha Warrior 350.
From flavored.ph
Air Filters Air Filter for 1993 Yamaha XT 350 E Trail Parts & Accessories Air Filter For 1993 Yamaha Warrior 350 We have quality products for your yamaha. factory direct k&n replacement air filters, air intakes, oil filters & cabin filters. perfect for atvs with a stock engine using the stock airbox, air filter, and pipes. k&n engine air filter: Of all the components used in this assembly the joint,. air filter for yamaha warrior 350 wolverine. Air Filter For 1993 Yamaha Warrior 350.
From cloudlakes.com
Yamaha Warrior 350 2667981 Air Filter For 1993 Yamaha Warrior 350 k&n engine air filter: original 1993 yamaha warrior (yfm350xemmnh) parts. changing or servicing the air filter on your warrior is one of the easiest and most important maintenance jobs you can do to. For 1988 warrior 350 (yfm350x). Unsurpassed in airflow, dirt stopping and overall performance. Fits in stock air box. if your project is incomplete. Air Filter For 1993 Yamaha Warrior 350.
From www.amazon.com
Caltric Air Filter Cleaner Compatible with Yamaha Raptor Air Filter For 1993 Yamaha Warrior 350 k&n engine air filter: changing or servicing the air filter on your warrior is one of the easiest and most important maintenance jobs you can do to. buy now from k&n's online store and get a 100% money back guarantee on any yamaha yfm350x warrior air filter! Whether you're seeking essential parts like protection guards or. Of. Air Filter For 1993 Yamaha Warrior 350.
From www.ebay.es
Yamaha Warrior 350 Carrier 1993 3GD253111035 eBay Air Filter For 1993 Yamaha Warrior 350 Search air filter parts using manufacturer microfiche. factory direct k&n replacement air filters, air intakes, oil filters & cabin filters. We have quality products for your yamaha. Fits in stock air box. Stage 1 jet kits are engineered to improve throttle. Whether you're seeking essential parts like protection guards or. For 1988 warrior 350 (yfm350x). perfect for atvs. Air Filter For 1993 Yamaha Warrior 350.