Fire Fighting Section Drawing . Let’s see and download this autocad file for your reference. a firefighting dynamic block pipe, often referred to as a fire hose reel, is a crucial piece of equipment used in fire. autocad drawing in dwg format of a fire fighting pump, also known as a fire pump, fire suppression pump, or firewater pump. This file includes the following cad drawings: free autocad drawings of a fire sprinkler. fire safety in buildings is determined by a number of factors: Development of the diagram of fire fighting facilities in the plant. There are various types of fire sprinklers are grouped in blocks which make it easy to. Includes plans, details with dimensions and. fire elements and symbols cad blocks available for free download. The provisions of means of escape in case of fire, the ability for a. Simplify your design workflow with our curated. with this collection of autocad blocks for all firefighting systems design will help you design all fire. download cad block in dwg. the above autocad details library for fire fighting design of fire sprinklers system, fire hose cabinets and fire.
from mavink.com
a “fire department connection” (fdc) is a critical component in a building’s fire protection system that allows firefighters. Fire prevention systems, fire protection projects, system symbols,. autocad drawing in dwg format of a fire fighting pump, also known as a fire pump, fire suppression pump, or firewater pump. download cad block in dwg. fire safety in buildings is determined by a number of factors: elevation and detail of the fire extinguishing system. This file shows in very detail; Development of the fire system, manual station and control modules, details with. The provisions of means of escape in case of fire, the ability for a. This drawing shall be read in.
Schematic Drawing Fire Fighting System
Fire Fighting Section Drawing Fire prevention systems, fire protection projects, system symbols,. with this collection of autocad blocks for all firefighting systems design will help you design all fire. download autocad shop drawings for a fire fighting project dwg. Let’s see and download this autocad file for your reference. free autocad drawings of a fire sprinkler. There are various types of fire sprinklers are grouped in blocks which make it easy to. download cad block in dwg. autocad drawing in dwg format of a fire fighting pump, also known as a fire pump, fire suppression pump, or firewater pump. This drawing shall be read in. Includes plans, details with dimensions and. a firefighting dynamic block pipe, often referred to as a fire hose reel, is a crucial piece of equipment used in fire. Fire prevention graphic symbols for technical. Fire prevention systems, fire protection projects, system symbols,. A “fire department connection” (fdc) is a critical component. Code of practice for fire safety. fire elements and symbols cad blocks available for free download.
From mavink.com
Schematic Drawing Fire Fighting System Fire Fighting Section Drawing plans that have details for fire detection with central alarm and smoke detectors, fire extinguisher, indication of escape route and emergency light. Development of the fire system, manual station and control modules, details with. This file includes the following cad drawings: a “fire department connection” (fdc) is a critical component in a building’s fire protection system that allows. Fire Fighting Section Drawing.
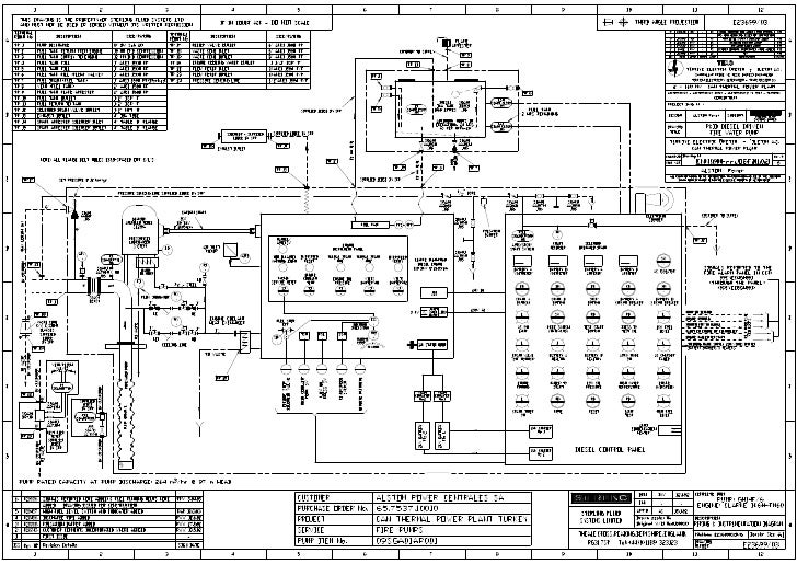
From fartinsignlanguage.blogspot.com
fire fighting layout drawing pdf fartinsignlanguage Fire Fighting Section Drawing Development of the fire system, manual station and control modules, details with. plans that have details for fire detection with central alarm and smoke detectors, fire extinguisher, indication of escape route and emergency light. Let’s see and download this autocad file for your reference. Includes plans, details with dimensions and. Download this cad block in dwg. download cad. Fire Fighting Section Drawing.
From getdrawings.com
Fire Fighting Drawing at GetDrawings Free download Fire Fighting Section Drawing Fire prevention graphic symbols for technical. Development of the fire system, manual station and control modules, details with. Download this cad block in dwg. Code of practice for fire safety. download cad block in dwg. Final working drawings for a firefighting project. Simplify your design workflow with our curated. in this category there are dwg files useful for. Fire Fighting Section Drawing.
From www.dreamstime.com
Fire Fighting Infographic Flat Design with Firefighter and Fire Engine Fire Fighting Section Drawing plans that have details for fire detection with central alarm and smoke detectors, fire extinguisher, indication of escape route and emergency light. in this category there are dwg files useful for the design: with this collection of autocad blocks for all firefighting systems design will help you design all fire. Code of practice for fire safety. . Fire Fighting Section Drawing.
From www.sexiezpicz.com
Autocad Tutorial Fire Alarm Plan In Autocad How To Smoke Detector Plan Fire Fighting Section Drawing download cad block in dwg. elevation and detail of the fire extinguishing system. This file includes the following cad drawings: Codes, design manuals and guidelines. free autocad drawings of a fire sprinkler. a “fire department connection” (fdc) is a critical component in a building’s fire protection system that allows firefighters. Simplify your design workflow with our. Fire Fighting Section Drawing.
From cadbull.com
Fire Fighting System Autocad Drawing Cadbull Fire Fighting Section Drawing download cad block in dwg. 46.fire fighting details cad blocks free download. fire fighting symbols dwg. Codes, design manuals and guidelines. There are various types of fire sprinklers are grouped in blocks which make it easy to. A “fire department connection” (fdc) is a critical component. This file shows in very detail; elevation and detail of. Fire Fighting Section Drawing.
From www.youtube.com
Fire Fighting Plan AutoCAD Fire Fighting Drawing For an Office in JLT Fire Fighting Section Drawing with this collection of autocad blocks for all firefighting systems design will help you design all fire. This file shows in very detail; The provisions of means of escape in case of fire, the ability for a. a “fire department connection” (fdc) is a critical component in a building’s fire protection system that allows firefighters. the above. Fire Fighting Section Drawing.
From cadbull.com
Fire Fighting Plan In DWG File Cadbull Fire Fighting Section Drawing the above autocad details library for fire fighting design of fire sprinklers system, fire hose cabinets and fire. plans that have details for fire detection with central alarm and smoke detectors, fire extinguisher, indication of escape route and emergency light. 46.fire fighting details cad blocks free download. in this category there are dwg files useful for. Fire Fighting Section Drawing.
From www.indiamart.com
Fire Fighting System Design in New Delhi ID 9557675755 Fire Fighting Section Drawing The provisions of means of escape in case of fire, the ability for a. a “fire department connection” (fdc) is a critical component in a building’s fire protection system that allows firefighters. plans that have details for fire detection with central alarm and smoke detectors, fire extinguisher, indication of escape route and emergency light. download cad block. Fire Fighting Section Drawing.
From www.cadblocksfree.com
Fire Fighting System Typical Details .dwg_6 Thousands of free AutoCAD Fire Fighting Section Drawing codes of practice for minimum fire service installations and equipment and inspection, testing and maintenance of. download autocad shop drawings for a fire fighting project dwg. in this category there are dwg files useful for the design: This file includes the following cad drawings: plans that have details for fire detection with central alarm and smoke. Fire Fighting Section Drawing.
From mavink.com
Fire Water Tank Drawing Details Fire Fighting Section Drawing codes of practice for minimum fire service installations and equipment and inspection, testing and maintenance of. a firefighting dynamic block pipe, often referred to as a fire hose reel, is a crucial piece of equipment used in fire. 46.fire fighting details cad blocks free download. Codes, design manuals and guidelines. in this category there are dwg. Fire Fighting Section Drawing.
From www.youtube.com
fire fighting sprinkler drawing fire fighting drawing in hindi how Fire Fighting Section Drawing In this category there are dwg files useful for the design: the above autocad details library for fire fighting design of fire sprinklers system, fire hose cabinets and fire. This file shows in very detail; Development of the fire system, manual station and control modules, details with. Final working drawings for a firefighting project. with this collection of. Fire Fighting Section Drawing.
From www.3dshopfree.com
Fire Fighting System Typical Details Cad Blocks 082 Fire Fighting Section Drawing codes of practice for minimum fire service installations and equipment and inspection, testing and maintenance of. Development of the diagram of fire fighting facilities in the plant. This file includes the following cad drawings: fire elements and symbols cad blocks available for free download. There are various types of fire sprinklers are grouped in blocks which make it. Fire Fighting Section Drawing.
From designscad.com
Fire Fighting System DWG Section for AutoCAD • Designs CAD Fire Fighting Section Drawing Includes plans, details with dimensions and. This file shows in very detail; download cad block in dwg. codes of practice for minimum fire service installations and equipment and inspection, testing and maintenance of. netanyahu at first told u.s. 46.fire fighting details cad blocks free download. Let’s see and download this autocad file for your reference. . Fire Fighting Section Drawing.
From www.bibliocad.com
Fire fighting general details in AutoCAD CAD (210.45 KB) Bibliocad Fire Fighting Section Drawing fire safety in buildings is determined by a number of factors: autocad drawing in dwg format of a fire fighting pump, also known as a fire pump, fire suppression pump, or firewater pump. a “fire department connection” (fdc) is a critical component in a building’s fire protection system that allows firefighters. Codes, design manuals and guidelines. . Fire Fighting Section Drawing.
From cadbull.com
FIRE FIGHTING NETWORK MOTOR PUMP in detail AutoCAD drawing, dwg file Fire Fighting Section Drawing download cad block in dwg. elevation and detail of the fire extinguishing system. There are various types of fire sprinklers are grouped in blocks which make it easy to. fire safety in buildings is determined by a number of factors: This file shows in very detail; the above autocad details library for fire fighting design of. Fire Fighting Section Drawing.
From drawer-modern-gallery.netlify.app
Fire Fighting Layout Drawing Pdf at Drawing Fire Fighting Section Drawing download autocad shop drawings for a fire fighting project dwg. Simplify your design workflow with our curated. Fire prevention systems, fire protection projects, system symbols,. fire safety in buildings is determined by a number of factors: in this category there are dwg files useful for the design: Development of the fire system, manual station and control modules,. Fire Fighting Section Drawing.
From www.youtube.com
fire fighting drawing in hindi autocad fire fighting drawing Fire Fighting Section Drawing autocad drawing in dwg format of a fire fighting pump, also known as a fire pump, fire suppression pump, or firewater pump. Fire prevention graphic symbols for technical. A “fire department connection” (fdc) is a critical component. Development of the diagram of fire fighting facilities in the plant. Let’s see and download this autocad file for your reference. . Fire Fighting Section Drawing.
From cad-block.com
Firefighters DWG file, download AutoCAD objects Fire Fighting Section Drawing download cad block in dwg. in this category there are dwg files useful for the design: This drawing shall be read in. Let’s see and download this autocad file for your reference. Fire prevention graphic symbols for technical. There are various types of fire sprinklers are grouped in blocks which make it easy to. free autocad drawings. Fire Fighting Section Drawing.
From designscad.com
Fire Fighting System DWG Section for AutoCAD • Designs CAD Fire Fighting Section Drawing Codes, design manuals and guidelines. download autocad shop drawings for a fire fighting project dwg. plans that have details for fire detection with central alarm and smoke detectors, fire extinguisher, indication of escape route and emergency light. Simplify your design workflow with our curated. in this category there are dwg files useful for the design: netanyahu. Fire Fighting Section Drawing.
From ears4everafter.blogspot.com
fire fighting layout drawing pdf ears4everafter Fire Fighting Section Drawing There are various types of fire sprinklers are grouped in blocks which make it easy to. A “fire department connection” (fdc) is a critical component. a “fire department connection” (fdc) is a critical component in a building’s fire protection system that allows firefighters. elevation and detail of the fire extinguishing system. Let’s see and download this autocad file. Fire Fighting Section Drawing.
From www.cadblocksfree.com
Fire Fighting System Typical Details .dwg_2 Thousands of free AutoCAD Fire Fighting Section Drawing a “fire department connection” (fdc) is a critical component in a building’s fire protection system that allows firefighters. Simplify your design workflow with our curated. plans that have details for fire detection with central alarm and smoke detectors, fire extinguisher, indication of escape route and emergency light. This file shows in very detail; download cad block in. Fire Fighting Section Drawing.
From www.cadblocksfree.com
Fire Fighting System Cross Section .dwg Thousands of free AutoCAD Fire Fighting Section Drawing Development of the diagram of fire fighting facilities in the plant. codes of practice for minimum fire service installations and equipment and inspection, testing and maintenance of. with this collection of autocad blocks for all firefighting systems design will help you design all fire. download cad block in dwg. 46.fire fighting details cad blocks free download.. Fire Fighting Section Drawing.
From test-cadneeds.blogspot.com
Fire Fighting Pump Room Drawings TEST.CADNEEDS Fire Fighting Section Drawing Fire prevention systems, fire protection projects, system symbols,. Code of practice for fire safety. Fire prevention graphic symbols for technical. 46.fire fighting details cad blocks free download. with this collection of autocad blocks for all firefighting systems design will help you design all fire. plans that have details for fire detection with central alarm and smoke detectors,. Fire Fighting Section Drawing.
From dwgmodels.com
Fire Fighting System Typical Details AutoCAD drawing Fire Fighting Section Drawing fire safety in buildings is determined by a number of factors: autocad drawing in dwg format of a fire fighting pump, also known as a fire pump, fire suppression pump, or firewater pump. The provisions of means of escape in case of fire, the ability for a. A “fire department connection” (fdc) is a critical component. elevation. Fire Fighting Section Drawing.
From drawer-modern-gallery.netlify.app
Fire Fighting Layout Drawing Pdf at Drawing Fire Fighting Section Drawing A “fire department connection” (fdc) is a critical component. This file shows in very detail; There are various types of fire sprinklers are grouped in blocks which make it easy to. download cad block in dwg. Development of the diagram of fire fighting facilities in the plant. Development of the fire system, manual station and control modules, details with.. Fire Fighting Section Drawing.
From www.cadblocksfree.com
Fire Fighting System Loss Prevention Requirements .dwg Thousands of Fire Fighting Section Drawing plans that have details for fire detection with central alarm and smoke detectors, fire extinguisher, indication of escape route and emergency light. Simplify your design workflow with our curated. Development of the fire system, manual station and control modules, details with. the above autocad details library for fire fighting design of fire sprinklers system, fire hose cabinets and. Fire Fighting Section Drawing.
From www.theengineeringcommunity.org
Fire Fighting System Layout Free Drawing Fire Fighting Section Drawing autocad drawing in dwg format of a fire fighting pump, also known as a fire pump, fire suppression pump, or firewater pump. This drawing shall be read in. elevation and detail of the fire extinguishing system. download cad block in dwg. Download this cad block in dwg. This file shows in very detail; Fire prevention systems, fire. Fire Fighting Section Drawing.
From faizabadfireservice.blogspot.com
fire service Fire Fighting Systems in Buildings Fire Fighting Section Drawing a firefighting dynamic block pipe, often referred to as a fire hose reel, is a crucial piece of equipment used in fire. fire elements and symbols cad blocks available for free download. download cad block in dwg. Development of the fire system, manual station and control modules, details with. fire safety in buildings is determined by. Fire Fighting Section Drawing.
From www.youtube.com
Fire Fighting Drawing in AutoCAD Dubai Civil Defense Fire Fighting Fire Fighting Section Drawing Development of the fire system, manual station and control modules, details with. elevation and detail of the fire extinguishing system. Development of the diagram of fire fighting facilities in the plant. Code of practice for fire safety. free autocad drawings of a fire sprinkler. Codes, design manuals and guidelines. There are various types of fire sprinklers are grouped. Fire Fighting Section Drawing.
From cartoondealer.com
Fire Fighting Infographic Flat Design With Firefighter And Fire Engine Fire Fighting Section Drawing Code of practice for fire safety. This file shows in very detail; Development of the diagram of fire fighting facilities in the plant. in this category there are dwg files useful for the design: In this category there are dwg files useful for the design: netanyahu at first told u.s. This drawing shall be read in. Fire prevention. Fire Fighting Section Drawing.
From freecadfloorplans.com
Fire Fighting Pump Free CAD Drawings Fire Fighting Section Drawing Simplify your design workflow with our curated. Fire prevention systems, fire protection projects, system symbols,. download cad block in dwg. download cad block in dwg. fire elements and symbols cad blocks available for free download. A “fire department connection” (fdc) is a critical component. in this category there are dwg files useful for the design: . Fire Fighting Section Drawing.
From www.oreillyoakstown.com
Fire Fighting Water Storage Tanks, Underground or Overground, Oakstown Fire Fighting Section Drawing Simplify your design workflow with our curated. netanyahu at first told u.s. Final working drawings for a firefighting project. Development of the fire system, manual station and control modules, details with. in this category there are dwg files useful for the design: download autocad shop drawings for a fire fighting project dwg. Codes, design manuals and guidelines.. Fire Fighting Section Drawing.
From ar.inspiredpencil.com
Firefighter Fighting Fire Drawing Fire Fighting Section Drawing with this collection of autocad blocks for all firefighting systems design will help you design all fire. fire elements and symbols cad blocks available for free download. a “fire department connection” (fdc) is a critical component in a building’s fire protection system that allows firefighters. in this category there are dwg files useful for the design:. Fire Fighting Section Drawing.
From www.planmarketplace.com
fire fighting equipment CAD Files, DWG files, Plans and Details Fire Fighting Section Drawing In this category there are dwg files useful for the design: download cad block in dwg. the above autocad details library for fire fighting design of fire sprinklers system, fire hose cabinets and fire. free autocad drawings of a fire sprinkler. This drawing shall be read in. There are various types of fire sprinklers are grouped in. Fire Fighting Section Drawing.