Concrete Bench Plans . Then just mix up a batch of concrete and pour. We commissioned weil to produce a bench project for pm readers that is less complicated than it looks: The key is to fabricate accurate molds; When you want to make your own concrete you have to put the cement, sand and gravel together. 1 part cement, 2 parts sand and 3 parts gravel. The printable outdoor concrete bench tutorial and plan includes full instructions and cut lists for the concrete forms and redwood bench top, as well as assembly diagrams and finishing.
from www.youtube.com
1 part cement, 2 parts sand and 3 parts gravel. The printable outdoor concrete bench tutorial and plan includes full instructions and cut lists for the concrete forms and redwood bench top, as well as assembly diagrams and finishing. Then just mix up a batch of concrete and pour. The key is to fabricate accurate molds; When you want to make your own concrete you have to put the cement, sand and gravel together. We commissioned weil to produce a bench project for pm readers that is less complicated than it looks:
DIY Wood & Concrete Bench How to Build Free Plans YouTube
Concrete Bench Plans We commissioned weil to produce a bench project for pm readers that is less complicated than it looks: When you want to make your own concrete you have to put the cement, sand and gravel together. The printable outdoor concrete bench tutorial and plan includes full instructions and cut lists for the concrete forms and redwood bench top, as well as assembly diagrams and finishing. 1 part cement, 2 parts sand and 3 parts gravel. Then just mix up a batch of concrete and pour. The key is to fabricate accurate molds; We commissioned weil to produce a bench project for pm readers that is less complicated than it looks:
From designsbyrudy.com
DR CB1 Contemporary Concrete Bench, Designs by Rudy Concrete Bench Plans We commissioned weil to produce a bench project for pm readers that is less complicated than it looks: The key is to fabricate accurate molds; 1 part cement, 2 parts sand and 3 parts gravel. Then just mix up a batch of concrete and pour. The printable outdoor concrete bench tutorial and plan includes full instructions and cut lists for. Concrete Bench Plans.
From www.youtube.com
DIY Wood & Concrete Bench How to Build Free Plans YouTube Concrete Bench Plans The printable outdoor concrete bench tutorial and plan includes full instructions and cut lists for the concrete forms and redwood bench top, as well as assembly diagrams and finishing. When you want to make your own concrete you have to put the cement, sand and gravel together. Then just mix up a batch of concrete and pour. We commissioned weil. Concrete Bench Plans.
From www.diycraftsy.com
10 Simple DIY Concrete Bench Ideas To Make DIY Crafts Concrete Bench Plans The printable outdoor concrete bench tutorial and plan includes full instructions and cut lists for the concrete forms and redwood bench top, as well as assembly diagrams and finishing. The key is to fabricate accurate molds; When you want to make your own concrete you have to put the cement, sand and gravel together. 1 part cement, 2 parts sand. Concrete Bench Plans.
From imagetou.com
Concrete Park Bench Plans Image to u Concrete Bench Plans The key is to fabricate accurate molds; The printable outdoor concrete bench tutorial and plan includes full instructions and cut lists for the concrete forms and redwood bench top, as well as assembly diagrams and finishing. 1 part cement, 2 parts sand and 3 parts gravel. We commissioned weil to produce a bench project for pm readers that is less. Concrete Bench Plans.
From www.architonic.com
Concrete Bench 2 & designer furniture Architonic Concrete Bench Plans 1 part cement, 2 parts sand and 3 parts gravel. The key is to fabricate accurate molds; Then just mix up a batch of concrete and pour. We commissioned weil to produce a bench project for pm readers that is less complicated than it looks: The printable outdoor concrete bench tutorial and plan includes full instructions and cut lists for. Concrete Bench Plans.
From shop.remodelaholic.com
Modern DIY Outdoor Bench Plans Redwood and Concrete Remodelaholic Concrete Bench Plans We commissioned weil to produce a bench project for pm readers that is less complicated than it looks: Then just mix up a batch of concrete and pour. 1 part cement, 2 parts sand and 3 parts gravel. The printable outdoor concrete bench tutorial and plan includes full instructions and cut lists for the concrete forms and redwood bench top,. Concrete Bench Plans.
From www.architonic.com
Concrete Bench 2 & designer furniture Architonic Concrete Bench Plans Then just mix up a batch of concrete and pour. 1 part cement, 2 parts sand and 3 parts gravel. When you want to make your own concrete you have to put the cement, sand and gravel together. The printable outdoor concrete bench tutorial and plan includes full instructions and cut lists for the concrete forms and redwood bench top,. Concrete Bench Plans.
From www.popularmechanics.com
How To Build a Concrete Bench Concrete Bench DIY Plans Concrete Bench Plans When you want to make your own concrete you have to put the cement, sand and gravel together. Then just mix up a batch of concrete and pour. 1 part cement, 2 parts sand and 3 parts gravel. The key is to fabricate accurate molds; The printable outdoor concrete bench tutorial and plan includes full instructions and cut lists for. Concrete Bench Plans.
From www.remodelaholic.com
Remodelaholic Modern Concrete and Redwood Bench Tutorial Concrete Bench Plans The printable outdoor concrete bench tutorial and plan includes full instructions and cut lists for the concrete forms and redwood bench top, as well as assembly diagrams and finishing. We commissioned weil to produce a bench project for pm readers that is less complicated than it looks: Then just mix up a batch of concrete and pour. When you want. Concrete Bench Plans.
From designsbyrudy.com
DR CB1 Contemporary Concrete Bench, Designs by Rudy Concrete Bench Plans Then just mix up a batch of concrete and pour. We commissioned weil to produce a bench project for pm readers that is less complicated than it looks: When you want to make your own concrete you have to put the cement, sand and gravel together. The printable outdoor concrete bench tutorial and plan includes full instructions and cut lists. Concrete Bench Plans.
From mybenchideas.blogspot.com
25 DIY Garden Bench Ideas Free Plans for Outdoor Benches Concrete Concrete Bench Plans Then just mix up a batch of concrete and pour. The printable outdoor concrete bench tutorial and plan includes full instructions and cut lists for the concrete forms and redwood bench top, as well as assembly diagrams and finishing. When you want to make your own concrete you have to put the cement, sand and gravel together. We commissioned weil. Concrete Bench Plans.
From mybenchideas.blogspot.com
25 DIY Garden Bench Ideas Free Plans for Outdoor Benches Concrete Concrete Bench Plans The key is to fabricate accurate molds; We commissioned weil to produce a bench project for pm readers that is less complicated than it looks: Then just mix up a batch of concrete and pour. The printable outdoor concrete bench tutorial and plan includes full instructions and cut lists for the concrete forms and redwood bench top, as well as. Concrete Bench Plans.
From www.sharonsable.com
23 Cement Garden Benches Outdoor Ideas To Try This Year SharonSable Concrete Bench Plans 1 part cement, 2 parts sand and 3 parts gravel. The key is to fabricate accurate molds; We commissioned weil to produce a bench project for pm readers that is less complicated than it looks: Then just mix up a batch of concrete and pour. The printable outdoor concrete bench tutorial and plan includes full instructions and cut lists for. Concrete Bench Plans.
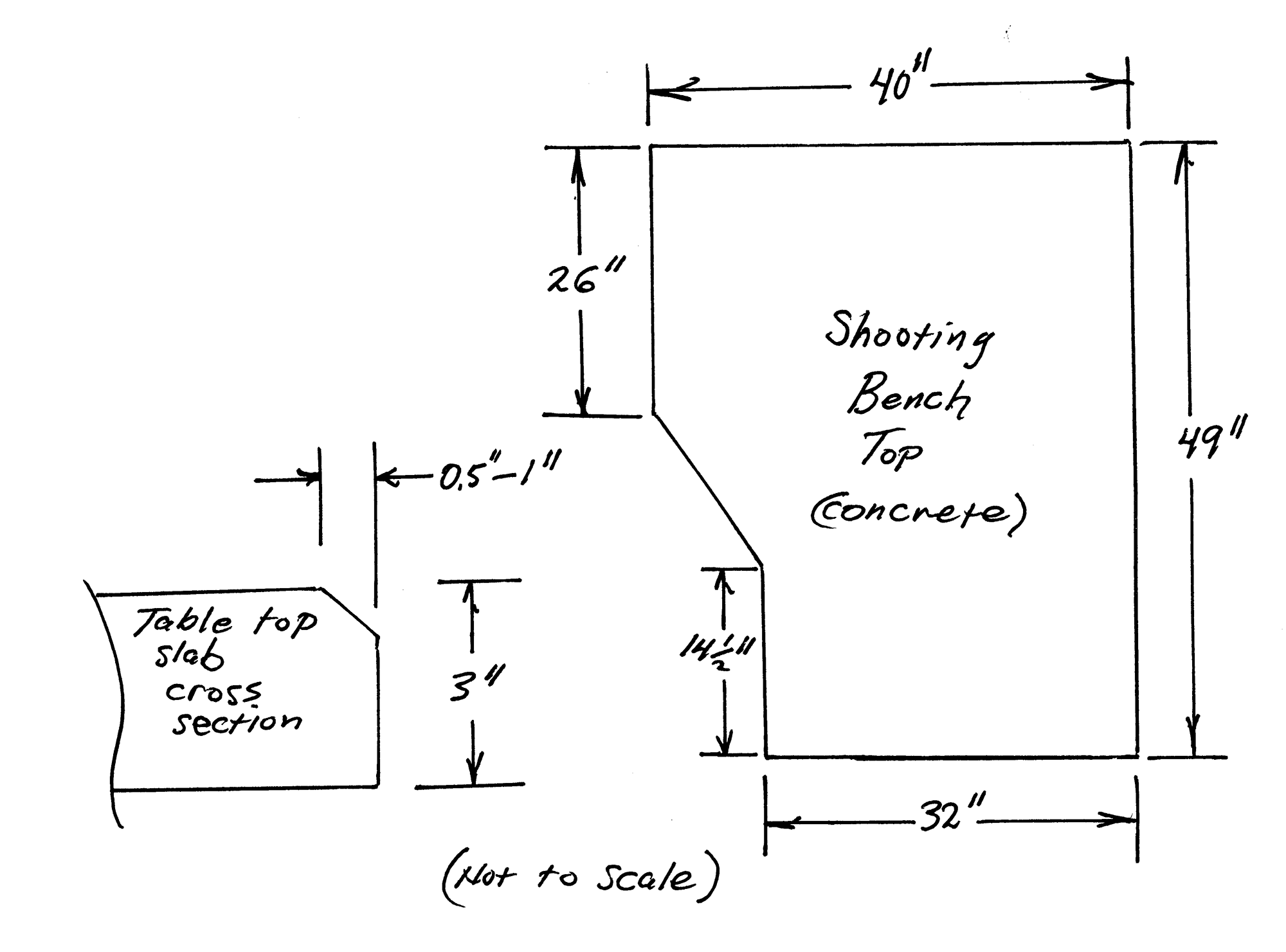
From ultimatereloader.com
DIY Concrete Shooting Bench and Slab for Under 300 Ultimate Reloader Concrete Bench Plans The printable outdoor concrete bench tutorial and plan includes full instructions and cut lists for the concrete forms and redwood bench top, as well as assembly diagrams and finishing. 1 part cement, 2 parts sand and 3 parts gravel. When you want to make your own concrete you have to put the cement, sand and gravel together. The key is. Concrete Bench Plans.
From www.architonic.com
Concrete Bench 2 & designer furniture Architonic Concrete Bench Plans 1 part cement, 2 parts sand and 3 parts gravel. The key is to fabricate accurate molds; We commissioned weil to produce a bench project for pm readers that is less complicated than it looks: Then just mix up a batch of concrete and pour. The printable outdoor concrete bench tutorial and plan includes full instructions and cut lists for. Concrete Bench Plans.
From lkgoodwin.com
Concrete Benches, Concrete Furniture, Bench, Benches, Picnic Tables Concrete Bench Plans The key is to fabricate accurate molds; Then just mix up a batch of concrete and pour. 1 part cement, 2 parts sand and 3 parts gravel. When you want to make your own concrete you have to put the cement, sand and gravel together. The printable outdoor concrete bench tutorial and plan includes full instructions and cut lists for. Concrete Bench Plans.
From www.dexterblock.com
DIY CINDER BLOCK BENCH IS YOUR NEXT WEEKEND PROJECT Concrete Bench Plans We commissioned weil to produce a bench project for pm readers that is less complicated than it looks: Then just mix up a batch of concrete and pour. The key is to fabricate accurate molds; 1 part cement, 2 parts sand and 3 parts gravel. When you want to make your own concrete you have to put the cement, sand. Concrete Bench Plans.
From mybenchideas.blogspot.com
25 DIY Garden Bench Ideas Free Plans for Outdoor Benches concrete Concrete Bench Plans We commissioned weil to produce a bench project for pm readers that is less complicated than it looks: Then just mix up a batch of concrete and pour. The key is to fabricate accurate molds; 1 part cement, 2 parts sand and 3 parts gravel. The printable outdoor concrete bench tutorial and plan includes full instructions and cut lists for. Concrete Bench Plans.
From freshpatio.com
4 DIY Outdoor Bench Plans (FREE) for a Modern Garden Under 45 Concrete Bench Plans The printable outdoor concrete bench tutorial and plan includes full instructions and cut lists for the concrete forms and redwood bench top, as well as assembly diagrams and finishing. We commissioned weil to produce a bench project for pm readers that is less complicated than it looks: When you want to make your own concrete you have to put the. Concrete Bench Plans.
From manabouttools.com
Concrete Garden Bench ONE Digital Plan MAN about TOOLS Concrete Bench Plans Then just mix up a batch of concrete and pour. The key is to fabricate accurate molds; When you want to make your own concrete you have to put the cement, sand and gravel together. 1 part cement, 2 parts sand and 3 parts gravel. We commissioned weil to produce a bench project for pm readers that is less complicated. Concrete Bench Plans.
From www.architonic.com
Concrete Bench 2 & designer furniture Architonic Concrete Bench Plans We commissioned weil to produce a bench project for pm readers that is less complicated than it looks: 1 part cement, 2 parts sand and 3 parts gravel. When you want to make your own concrete you have to put the cement, sand and gravel together. Then just mix up a batch of concrete and pour. The key is to. Concrete Bench Plans.
From s3-us-west-1.amazonaws.com
Woodwork Concrete Bench Making PDF Plans Concrete Bench Plans 1 part cement, 2 parts sand and 3 parts gravel. We commissioned weil to produce a bench project for pm readers that is less complicated than it looks: Then just mix up a batch of concrete and pour. The printable outdoor concrete bench tutorial and plan includes full instructions and cut lists for the concrete forms and redwood bench top,. Concrete Bench Plans.
From www.pinterest.com
Outside Concrete Garden Benches Concrete garden bench, Stone garden Concrete Bench Plans When you want to make your own concrete you have to put the cement, sand and gravel together. Then just mix up a batch of concrete and pour. The key is to fabricate accurate molds; We commissioned weil to produce a bench project for pm readers that is less complicated than it looks: The printable outdoor concrete bench tutorial and. Concrete Bench Plans.
From mybenchideas.blogspot.com
25 DIY Garden Bench Ideas Free Plans for Outdoor Benches Concrete Concrete Bench Plans When you want to make your own concrete you have to put the cement, sand and gravel together. Then just mix up a batch of concrete and pour. We commissioned weil to produce a bench project for pm readers that is less complicated than it looks: The printable outdoor concrete bench tutorial and plan includes full instructions and cut lists. Concrete Bench Plans.
From www.externalworksindex.co.uk
Pewsham Solid PreCast Concrete Bench PBN411 Langley Design Street Concrete Bench Plans The printable outdoor concrete bench tutorial and plan includes full instructions and cut lists for the concrete forms and redwood bench top, as well as assembly diagrams and finishing. Then just mix up a batch of concrete and pour. The key is to fabricate accurate molds; 1 part cement, 2 parts sand and 3 parts gravel. We commissioned weil to. Concrete Bench Plans.
From manabouttools.com
Concrete Garden Bench ONE Digital Plan MAN about TOOLS Concrete Bench Plans 1 part cement, 2 parts sand and 3 parts gravel. The printable outdoor concrete bench tutorial and plan includes full instructions and cut lists for the concrete forms and redwood bench top, as well as assembly diagrams and finishing. When you want to make your own concrete you have to put the cement, sand and gravel together. Then just mix. Concrete Bench Plans.
From mybenchideas.blogspot.com
25 DIY Garden Bench Ideas Free Plans for Outdoor Benches concrete Concrete Bench Plans When you want to make your own concrete you have to put the cement, sand and gravel together. The key is to fabricate accurate molds; 1 part cement, 2 parts sand and 3 parts gravel. The printable outdoor concrete bench tutorial and plan includes full instructions and cut lists for the concrete forms and redwood bench top, as well as. Concrete Bench Plans.
From mybenchideas.blogspot.com
25 DIY Garden Bench Ideas Free Plans for Outdoor Benches Concrete Concrete Bench Plans 1 part cement, 2 parts sand and 3 parts gravel. The key is to fabricate accurate molds; We commissioned weil to produce a bench project for pm readers that is less complicated than it looks: Then just mix up a batch of concrete and pour. When you want to make your own concrete you have to put the cement, sand. Concrete Bench Plans.
From mybenchideas.blogspot.com
25 DIY Garden Bench Ideas Free Plans for Outdoor Benches Concrete Concrete Bench Plans When you want to make your own concrete you have to put the cement, sand and gravel together. We commissioned weil to produce a bench project for pm readers that is less complicated than it looks: The key is to fabricate accurate molds; 1 part cement, 2 parts sand and 3 parts gravel. Then just mix up a batch of. Concrete Bench Plans.
From mybenchideas.blogspot.com
25 DIY Garden Bench Ideas Free Plans for Outdoor Benches Concrete Concrete Bench Plans Then just mix up a batch of concrete and pour. We commissioned weil to produce a bench project for pm readers that is less complicated than it looks: When you want to make your own concrete you have to put the cement, sand and gravel together. The key is to fabricate accurate molds; 1 part cement, 2 parts sand and. Concrete Bench Plans.
From www.popularmechanics.com
How To Build a Concrete Bench Concrete Bench DIY Plans Concrete Bench Plans The key is to fabricate accurate molds; When you want to make your own concrete you have to put the cement, sand and gravel together. 1 part cement, 2 parts sand and 3 parts gravel. We commissioned weil to produce a bench project for pm readers that is less complicated than it looks: The printable outdoor concrete bench tutorial and. Concrete Bench Plans.
From ultimatereloader.com
DIY Concrete Shooting Bench and Slab for Under 300 Ultimate Reloader Concrete Bench Plans When you want to make your own concrete you have to put the cement, sand and gravel together. Then just mix up a batch of concrete and pour. The key is to fabricate accurate molds; The printable outdoor concrete bench tutorial and plan includes full instructions and cut lists for the concrete forms and redwood bench top, as well as. Concrete Bench Plans.
From mybenchideas.blogspot.com
25 DIY Garden Bench Ideas Free Plans for Outdoor Benches concrete Concrete Bench Plans 1 part cement, 2 parts sand and 3 parts gravel. We commissioned weil to produce a bench project for pm readers that is less complicated than it looks: The printable outdoor concrete bench tutorial and plan includes full instructions and cut lists for the concrete forms and redwood bench top, as well as assembly diagrams and finishing. When you want. Concrete Bench Plans.
From mybenchideas.blogspot.com
25 DIY Garden Bench Ideas Free Plans for Outdoor Benches concrete Concrete Bench Plans The printable outdoor concrete bench tutorial and plan includes full instructions and cut lists for the concrete forms and redwood bench top, as well as assembly diagrams and finishing. When you want to make your own concrete you have to put the cement, sand and gravel together. The key is to fabricate accurate molds; 1 part cement, 2 parts sand. Concrete Bench Plans.
From www.instructables.com
Concrete Garden Bench 9 Steps (with Pictures) Instructables Concrete Bench Plans The key is to fabricate accurate molds; 1 part cement, 2 parts sand and 3 parts gravel. The printable outdoor concrete bench tutorial and plan includes full instructions and cut lists for the concrete forms and redwood bench top, as well as assembly diagrams and finishing. We commissioned weil to produce a bench project for pm readers that is less. Concrete Bench Plans.