Application Of Analog To Digital Converters . Once in the digital domain, the signal. — adc is a process used in electronics to convert continuously changing analog signals into digital signals with multiple discrete levels while preserving its fundamental information. — analogue to digital converter, or adc, is a data converter which allows digital circuits to interface with the real world by encoding an analogue. — key learnings: An analog to digital converter (adc) is a device that changes a continuous analog signal. Analog to digital converter definition:
from www.datasheets.com
— key learnings: — analogue to digital converter, or adc, is a data converter which allows digital circuits to interface with the real world by encoding an analogue. Analog to digital converter definition: — adc is a process used in electronics to convert continuously changing analog signals into digital signals with multiple discrete levels while preserving its fundamental information. An analog to digital converter (adc) is a device that changes a continuous analog signal. Once in the digital domain, the signal.
Typical Application Using ADC0803 SelfClocking Multiple Analogto
Application Of Analog To Digital Converters — adc is a process used in electronics to convert continuously changing analog signals into digital signals with multiple discrete levels while preserving its fundamental information. An analog to digital converter (adc) is a device that changes a continuous analog signal. Analog to digital converter definition: — key learnings: — analogue to digital converter, or adc, is a data converter which allows digital circuits to interface with the real world by encoding an analogue. — adc is a process used in electronics to convert continuously changing analog signals into digital signals with multiple discrete levels while preserving its fundamental information. Once in the digital domain, the signal.
From slideplayer.com
Analogtodigital converter ppt download Application Of Analog To Digital Converters — adc is a process used in electronics to convert continuously changing analog signals into digital signals with multiple discrete levels while preserving its fundamental information. Once in the digital domain, the signal. — key learnings: An analog to digital converter (adc) is a device that changes a continuous analog signal. — analogue to digital converter, or. Application Of Analog To Digital Converters.
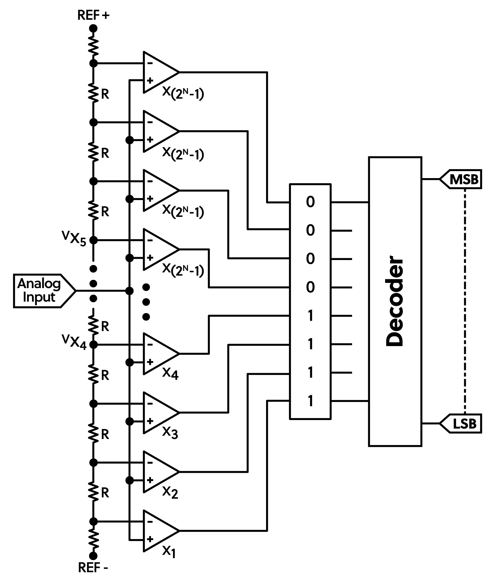
From www.electricity-magnetism.org
DigitaltoAnalog Converters (DAC) How it works, Application & Advantages Application Of Analog To Digital Converters — analogue to digital converter, or adc, is a data converter which allows digital circuits to interface with the real world by encoding an analogue. — key learnings: Once in the digital domain, the signal. — adc is a process used in electronics to convert continuously changing analog signals into digital signals with multiple discrete levels while. Application Of Analog To Digital Converters.
From www.st.com
Data Converters AnalogtoDigital A/D Converters (ADC Application Of Analog To Digital Converters An analog to digital converter (adc) is a device that changes a continuous analog signal. — analogue to digital converter, or adc, is a data converter which allows digital circuits to interface with the real world by encoding an analogue. — key learnings: Once in the digital domain, the signal. Analog to digital converter definition: — adc. Application Of Analog To Digital Converters.
From digilent.com
All About AnalogtoDigital Converters What’s Inside Your DAQ Device Application Of Analog To Digital Converters Once in the digital domain, the signal. — adc is a process used in electronics to convert continuously changing analog signals into digital signals with multiple discrete levels while preserving its fundamental information. — key learnings: Analog to digital converter definition: An analog to digital converter (adc) is a device that changes a continuous analog signal. —. Application Of Analog To Digital Converters.
From www.slideserve.com
PPT COMMUNICATION SYSTEM EEEB453 Chapter 6 DIGITAL MODULATION Application Of Analog To Digital Converters — analogue to digital converter, or adc, is a data converter which allows digital circuits to interface with the real world by encoding an analogue. Analog to digital converter definition: — key learnings: An analog to digital converter (adc) is a device that changes a continuous analog signal. — adc is a process used in electronics to. Application Of Analog To Digital Converters.
From exoxookba.blob.core.windows.net
Analog To Digital Audio Conversion Process at Barbara Gray blog Application Of Analog To Digital Converters — analogue to digital converter, or adc, is a data converter which allows digital circuits to interface with the real world by encoding an analogue. Once in the digital domain, the signal. — adc is a process used in electronics to convert continuously changing analog signals into digital signals with multiple discrete levels while preserving its fundamental information.. Application Of Analog To Digital Converters.
From www.slideserve.com
PPT Digital to Analog Converters (DAC) PowerPoint Presentation, free Application Of Analog To Digital Converters — analogue to digital converter, or adc, is a data converter which allows digital circuits to interface with the real world by encoding an analogue. — adc is a process used in electronics to convert continuously changing analog signals into digital signals with multiple discrete levels while preserving its fundamental information. Analog to digital converter definition: Once in. Application Of Analog To Digital Converters.
From www.datel.com
ADC85 Analog to Digital Converter A Reliable Choice for Precision Application Of Analog To Digital Converters Once in the digital domain, the signal. — adc is a process used in electronics to convert continuously changing analog signals into digital signals with multiple discrete levels while preserving its fundamental information. — key learnings: — analogue to digital converter, or adc, is a data converter which allows digital circuits to interface with the real world. Application Of Analog To Digital Converters.
From www.electricity-magnetism.org
Capacitive AnalogtoDigital Converters (ADCs) How it works Application Of Analog To Digital Converters An analog to digital converter (adc) is a device that changes a continuous analog signal. — analogue to digital converter, or adc, is a data converter which allows digital circuits to interface with the real world by encoding an analogue. — adc is a process used in electronics to convert continuously changing analog signals into digital signals with. Application Of Analog To Digital Converters.
From dadsavvy.weebly.com
How analog to digital converter works dadsavvy Application Of Analog To Digital Converters — key learnings: — adc is a process used in electronics to convert continuously changing analog signals into digital signals with multiple discrete levels while preserving its fundamental information. Once in the digital domain, the signal. An analog to digital converter (adc) is a device that changes a continuous analog signal. Analog to digital converter definition: —. Application Of Analog To Digital Converters.
From www.datasheets.com
Typical Application Using ADC0803 SelfClocking Multiple Analogto Application Of Analog To Digital Converters Once in the digital domain, the signal. An analog to digital converter (adc) is a device that changes a continuous analog signal. — adc is a process used in electronics to convert continuously changing analog signals into digital signals with multiple discrete levels while preserving its fundamental information. Analog to digital converter definition: — analogue to digital converter,. Application Of Analog To Digital Converters.
From www.embedded.com
An easier way to test integrated analogtodigital converters Application Of Analog To Digital Converters An analog to digital converter (adc) is a device that changes a continuous analog signal. Once in the digital domain, the signal. — analogue to digital converter, or adc, is a data converter which allows digital circuits to interface with the real world by encoding an analogue. — key learnings: Analog to digital converter definition: — adc. Application Of Analog To Digital Converters.
From www.electricity-magnetism.org
Digitaltoanalog converter (DAC) decoder How it works, Application Application Of Analog To Digital Converters — analogue to digital converter, or adc, is a data converter which allows digital circuits to interface with the real world by encoding an analogue. An analog to digital converter (adc) is a device that changes a continuous analog signal. — key learnings: Once in the digital domain, the signal. — adc is a process used in. Application Of Analog To Digital Converters.
From www.goodreads.com
AnalogDigital Converters for Industrial Applications Including an Application Of Analog To Digital Converters Analog to digital converter definition: — adc is a process used in electronics to convert continuously changing analog signals into digital signals with multiple discrete levels while preserving its fundamental information. — analogue to digital converter, or adc, is a data converter which allows digital circuits to interface with the real world by encoding an analogue. Once in. Application Of Analog To Digital Converters.
From www.researchgate.net
Successive approximations (SAR) analogtodigital converter (ADC) based Application Of Analog To Digital Converters — analogue to digital converter, or adc, is a data converter which allows digital circuits to interface with the real world by encoding an analogue. — key learnings: — adc is a process used in electronics to convert continuously changing analog signals into digital signals with multiple discrete levels while preserving its fundamental information. Analog to digital. Application Of Analog To Digital Converters.
From flypag.weebly.com
Analog to digital converter computer flypag Application Of Analog To Digital Converters — analogue to digital converter, or adc, is a data converter which allows digital circuits to interface with the real world by encoding an analogue. An analog to digital converter (adc) is a device that changes a continuous analog signal. — adc is a process used in electronics to convert continuously changing analog signals into digital signals with. Application Of Analog To Digital Converters.
From www.electricity-magnetism.org
AnalogtoDigital Converters (ADC) How it works, Application & Advantages Application Of Analog To Digital Converters — adc is a process used in electronics to convert continuously changing analog signals into digital signals with multiple discrete levels while preserving its fundamental information. An analog to digital converter (adc) is a device that changes a continuous analog signal. Once in the digital domain, the signal. — key learnings: Analog to digital converter definition: —. Application Of Analog To Digital Converters.
From www.slideserve.com
PPT Analog to Digital Converters (ADC) PowerPoint Presentation, free Application Of Analog To Digital Converters — adc is a process used in electronics to convert continuously changing analog signals into digital signals with multiple discrete levels while preserving its fundamental information. — key learnings: — analogue to digital converter, or adc, is a data converter which allows digital circuits to interface with the real world by encoding an analogue. An analog to. Application Of Analog To Digital Converters.
From www.elprocus.com
Analog to Digital Converter Block Diagram, Types & Its Applications Application Of Analog To Digital Converters Once in the digital domain, the signal. — key learnings: — adc is a process used in electronics to convert continuously changing analog signals into digital signals with multiple discrete levels while preserving its fundamental information. An analog to digital converter (adc) is a device that changes a continuous analog signal. — analogue to digital converter, or. Application Of Analog To Digital Converters.
From manualmanualella.z6.web.core.windows.net
Analog To Digital Converter Explained Application Of Analog To Digital Converters — adc is a process used in electronics to convert continuously changing analog signals into digital signals with multiple discrete levels while preserving its fundamental information. Once in the digital domain, the signal. An analog to digital converter (adc) is a device that changes a continuous analog signal. — key learnings: Analog to digital converter definition: —. Application Of Analog To Digital Converters.
From www.slideserve.com
PPT Digital to Analog Converters (DAC) PowerPoint Presentation, free Application Of Analog To Digital Converters — analogue to digital converter, or adc, is a data converter which allows digital circuits to interface with the real world by encoding an analogue. Once in the digital domain, the signal. — adc is a process used in electronics to convert continuously changing analog signals into digital signals with multiple discrete levels while preserving its fundamental information.. Application Of Analog To Digital Converters.
From circuitdblicensers.z21.web.core.windows.net
How Analog To Digital Converter Works Application Of Analog To Digital Converters — key learnings: Once in the digital domain, the signal. An analog to digital converter (adc) is a device that changes a continuous analog signal. — analogue to digital converter, or adc, is a data converter which allows digital circuits to interface with the real world by encoding an analogue. Analog to digital converter definition: — adc. Application Of Analog To Digital Converters.
From www.slideserve.com
PPT Introduction to AnalogtoDigital Converters PowerPoint Application Of Analog To Digital Converters — key learnings: An analog to digital converter (adc) is a device that changes a continuous analog signal. Once in the digital domain, the signal. — analogue to digital converter, or adc, is a data converter which allows digital circuits to interface with the real world by encoding an analogue. Analog to digital converter definition: — adc. Application Of Analog To Digital Converters.
From www.youtube.com
Digital to Analog Converter DAC A/D and D/A Converters Application Application Of Analog To Digital Converters — analogue to digital converter, or adc, is a data converter which allows digital circuits to interface with the real world by encoding an analogue. An analog to digital converter (adc) is a device that changes a continuous analog signal. — key learnings: Once in the digital domain, the signal. — adc is a process used in. Application Of Analog To Digital Converters.
From metricsoperf.weebly.com
Analog to digital converter code metricsoperf Application Of Analog To Digital Converters Once in the digital domain, the signal. — adc is a process used in electronics to convert continuously changing analog signals into digital signals with multiple discrete levels while preserving its fundamental information. — key learnings: Analog to digital converter definition: An analog to digital converter (adc) is a device that changes a continuous analog signal. —. Application Of Analog To Digital Converters.
From www.slideserve.com
PPT Digital to Analog Converters (DAC) PowerPoint Presentation, free Application Of Analog To Digital Converters — analogue to digital converter, or adc, is a data converter which allows digital circuits to interface with the real world by encoding an analogue. Analog to digital converter definition: — key learnings: — adc is a process used in electronics to convert continuously changing analog signals into digital signals with multiple discrete levels while preserving its. Application Of Analog To Digital Converters.
From www.researchgate.net
(a) Timebased analogtodigital converter (ADC) architecture, and (b Application Of Analog To Digital Converters Once in the digital domain, the signal. — key learnings: — analogue to digital converter, or adc, is a data converter which allows digital circuits to interface with the real world by encoding an analogue. Analog to digital converter definition: An analog to digital converter (adc) is a device that changes a continuous analog signal. — adc. Application Of Analog To Digital Converters.
From www.slideserve.com
PPT Analog to Digital Converters (ADCs) & Digital to Analog Application Of Analog To Digital Converters — key learnings: — adc is a process used in electronics to convert continuously changing analog signals into digital signals with multiple discrete levels while preserving its fundamental information. An analog to digital converter (adc) is a device that changes a continuous analog signal. Analog to digital converter definition: Once in the digital domain, the signal. —. Application Of Analog To Digital Converters.
From www.slideserve.com
PPT AnalogtoDigital Converters PowerPoint Presentation, free Application Of Analog To Digital Converters Analog to digital converter definition: — adc is a process used in electronics to convert continuously changing analog signals into digital signals with multiple discrete levels while preserving its fundamental information. — analogue to digital converter, or adc, is a data converter which allows digital circuits to interface with the real world by encoding an analogue. An analog. Application Of Analog To Digital Converters.
From www.etechnog.com
Digital to Analog Converter (DAC) Block Diagram, Working ETechnoG Application Of Analog To Digital Converters — analogue to digital converter, or adc, is a data converter which allows digital circuits to interface with the real world by encoding an analogue. Once in the digital domain, the signal. Analog to digital converter definition: An analog to digital converter (adc) is a device that changes a continuous analog signal. — key learnings: — adc. Application Of Analog To Digital Converters.
From www.electricaltechnology.org
Digital to Analog Converter (DAC) Types, Working & Applications Application Of Analog To Digital Converters — analogue to digital converter, or adc, is a data converter which allows digital circuits to interface with the real world by encoding an analogue. Analog to digital converter definition: Once in the digital domain, the signal. — key learnings: — adc is a process used in electronics to convert continuously changing analog signals into digital signals. Application Of Analog To Digital Converters.
From www.apogeeweb.net
Analog to Digital Converter IC Basic Overview Application Of Analog To Digital Converters Once in the digital domain, the signal. — analogue to digital converter, or adc, is a data converter which allows digital circuits to interface with the real world by encoding an analogue. — key learnings: An analog to digital converter (adc) is a device that changes a continuous analog signal. Analog to digital converter definition: — adc. Application Of Analog To Digital Converters.
From www.slideserve.com
PPT Analog to Digital Converters (ADCs) & Digital to Analog Application Of Analog To Digital Converters — adc is a process used in electronics to convert continuously changing analog signals into digital signals with multiple discrete levels while preserving its fundamental information. — analogue to digital converter, or adc, is a data converter which allows digital circuits to interface with the real world by encoding an analogue. Analog to digital converter definition: —. Application Of Analog To Digital Converters.
From www.doeeet.com
DAC Digital to Analog Converters for Space Application Application Of Analog To Digital Converters An analog to digital converter (adc) is a device that changes a continuous analog signal. Once in the digital domain, the signal. — key learnings: Analog to digital converter definition: — adc is a process used in electronics to convert continuously changing analog signals into digital signals with multiple discrete levels while preserving its fundamental information. —. Application Of Analog To Digital Converters.
From www.iqsdirectory.com
Data Acquisition Systems Types, Uses, Features and Benefits Application Of Analog To Digital Converters — analogue to digital converter, or adc, is a data converter which allows digital circuits to interface with the real world by encoding an analogue. Analog to digital converter definition: An analog to digital converter (adc) is a device that changes a continuous analog signal. — key learnings: — adc is a process used in electronics to. Application Of Analog To Digital Converters.