Audio Amplifier Experiment . Usually in audio systems we use amplifiers to drive the speakers of high power rating. in this tutorial, i’ll show you how to build a great sounding audio amplifier with the lm386 low voltage audio power. in this experiment we design and build an audio amplifier that takes the small output voltage from an electret microphone and. this project is an audio amplifier suitable for amplifying the output signal from a small radio, tape player, cd player, or any. audio amplifier is a device which strengthen the weak signal.
from www.pinterest.com
Usually in audio systems we use amplifiers to drive the speakers of high power rating. in this tutorial, i’ll show you how to build a great sounding audio amplifier with the lm386 low voltage audio power. audio amplifier is a device which strengthen the weak signal. in this experiment we design and build an audio amplifier that takes the small output voltage from an electret microphone and. this project is an audio amplifier suitable for amplifying the output signal from a small radio, tape player, cd player, or any.
Experiment 9 operational amplifier Experiments, Amplifier, Coach
Audio Amplifier Experiment Usually in audio systems we use amplifiers to drive the speakers of high power rating. in this tutorial, i’ll show you how to build a great sounding audio amplifier with the lm386 low voltage audio power. Usually in audio systems we use amplifiers to drive the speakers of high power rating. audio amplifier is a device which strengthen the weak signal. this project is an audio amplifier suitable for amplifying the output signal from a small radio, tape player, cd player, or any. in this experiment we design and build an audio amplifier that takes the small output voltage from an electret microphone and.
From www.electronicaudioexperiments.com
Schematics — Electronic Audio Experiments Audio Amplifier Experiment in this experiment we design and build an audio amplifier that takes the small output voltage from an electret microphone and. audio amplifier is a device which strengthen the weak signal. in this tutorial, i’ll show you how to build a great sounding audio amplifier with the lm386 low voltage audio power. Usually in audio systems we. Audio Amplifier Experiment.
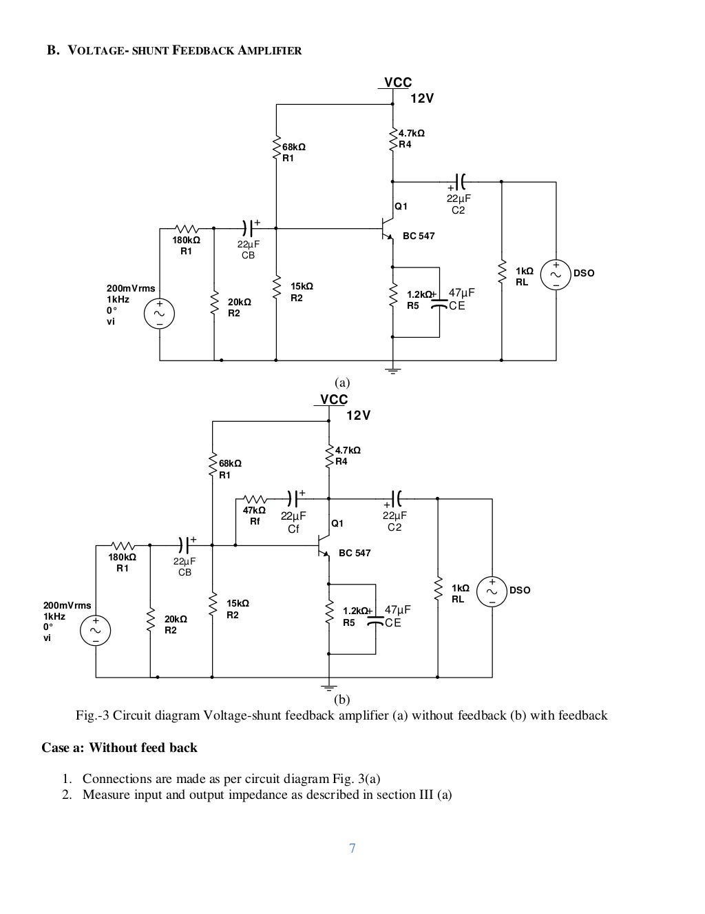
From studylib.net
EXPERIMENT3 AIM To study and perform summing amplifier Audio Amplifier Experiment this project is an audio amplifier suitable for amplifying the output signal from a small radio, tape player, cd player, or any. Usually in audio systems we use amplifiers to drive the speakers of high power rating. audio amplifier is a device which strengthen the weak signal. in this tutorial, i’ll show you how to build a. Audio Amplifier Experiment.
From exoniqnzr.blob.core.windows.net
Amplifier Gain Vs Temperature at Pauline Kilgore blog Audio Amplifier Experiment in this tutorial, i’ll show you how to build a great sounding audio amplifier with the lm386 low voltage audio power. this project is an audio amplifier suitable for amplifying the output signal from a small radio, tape player, cd player, or any. Usually in audio systems we use amplifiers to drive the speakers of high power rating.. Audio Amplifier Experiment.
From www.japson.com
Study of Characteristics of Operational Amplifier Experiment Apparatus Audio Amplifier Experiment this project is an audio amplifier suitable for amplifying the output signal from a small radio, tape player, cd player, or any. audio amplifier is a device which strengthen the weak signal. Usually in audio systems we use amplifiers to drive the speakers of high power rating. in this experiment we design and build an audio amplifier. Audio Amplifier Experiment.
From www.youtube.com
Some experiments with bridging audio amplifiers YouTube Audio Amplifier Experiment this project is an audio amplifier suitable for amplifying the output signal from a small radio, tape player, cd player, or any. audio amplifier is a device which strengthen the weak signal. in this tutorial, i’ll show you how to build a great sounding audio amplifier with the lm386 low voltage audio power. Usually in audio systems. Audio Amplifier Experiment.
From www.allaboutcircuits.com
Analog Lab Class B Audio Amplifier Analog IC Projects Electronics Audio Amplifier Experiment Usually in audio systems we use amplifiers to drive the speakers of high power rating. this project is an audio amplifier suitable for amplifying the output signal from a small radio, tape player, cd player, or any. in this experiment we design and build an audio amplifier that takes the small output voltage from an electret microphone and.. Audio Amplifier Experiment.
From manualmanualwannemaker.z19.web.core.windows.net
5 Volt Audio Amplifier Circuit Diagram Audio Amplifier Experiment in this experiment we design and build an audio amplifier that takes the small output voltage from an electret microphone and. Usually in audio systems we use amplifiers to drive the speakers of high power rating. audio amplifier is a device which strengthen the weak signal. this project is an audio amplifier suitable for amplifying the output. Audio Amplifier Experiment.
From zemfiraaksenova.blogspot.com
DIY Mini Version Small Amplifier Speaker Kit 3W Speaker Audio Student Audio Amplifier Experiment audio amplifier is a device which strengthen the weak signal. this project is an audio amplifier suitable for amplifying the output signal from a small radio, tape player, cd player, or any. Usually in audio systems we use amplifiers to drive the speakers of high power rating. in this experiment we design and build an audio amplifier. Audio Amplifier Experiment.
From robhosking.com
14+ Simple Audio Amplifier Circuit Using Bc547 Robhosking Diagram Audio Amplifier Experiment in this tutorial, i’ll show you how to build a great sounding audio amplifier with the lm386 low voltage audio power. audio amplifier is a device which strengthen the weak signal. Usually in audio systems we use amplifiers to drive the speakers of high power rating. this project is an audio amplifier suitable for amplifying the output. Audio Amplifier Experiment.
From kidminds.org
Magic of Sound Engineering Easy Amplifier Made From Cups KidMinds Audio Amplifier Experiment in this tutorial, i’ll show you how to build a great sounding audio amplifier with the lm386 low voltage audio power. Usually in audio systems we use amplifiers to drive the speakers of high power rating. in this experiment we design and build an audio amplifier that takes the small output voltage from an electret microphone and. . Audio Amplifier Experiment.
From www.chegg.com
Experiment 28 Experiment ClassA Amplifiers In a Audio Amplifier Experiment Usually in audio systems we use amplifiers to drive the speakers of high power rating. audio amplifier is a device which strengthen the weak signal. in this experiment we design and build an audio amplifier that takes the small output voltage from an electret microphone and. this project is an audio amplifier suitable for amplifying the output. Audio Amplifier Experiment.
From reverb.com
Audio Experiment Symphonies+ highdefinition linear amplifier Reverb Audio Amplifier Experiment Usually in audio systems we use amplifiers to drive the speakers of high power rating. this project is an audio amplifier suitable for amplifying the output signal from a small radio, tape player, cd player, or any. in this tutorial, i’ll show you how to build a great sounding audio amplifier with the lm386 low voltage audio power.. Audio Amplifier Experiment.
From www.pinterest.com
Experiment 9 operational amplifier Experiments, Amplifier, Coach Audio Amplifier Experiment audio amplifier is a device which strengthen the weak signal. this project is an audio amplifier suitable for amplifying the output signal from a small radio, tape player, cd player, or any. in this experiment we design and build an audio amplifier that takes the small output voltage from an electret microphone and. in this tutorial,. Audio Amplifier Experiment.
From www.youtube.com
Headphone amplifier project Part Three Amplifier experiments. YouTube Audio Amplifier Experiment Usually in audio systems we use amplifiers to drive the speakers of high power rating. audio amplifier is a device which strengthen the weak signal. this project is an audio amplifier suitable for amplifying the output signal from a small radio, tape player, cd player, or any. in this tutorial, i’ll show you how to build a. Audio Amplifier Experiment.
From www.multisim.com
2 Stage RC Coupled Amplifier Multisim Live Audio Amplifier Experiment in this tutorial, i’ll show you how to build a great sounding audio amplifier with the lm386 low voltage audio power. this project is an audio amplifier suitable for amplifying the output signal from a small radio, tape player, cd player, or any. in this experiment we design and build an audio amplifier that takes the small. Audio Amplifier Experiment.
From www.desertcart.com.au
Buy DIY Bluetooth Speaker Box Kit Electronic Sound Amplifier Build Audio Amplifier Experiment Usually in audio systems we use amplifiers to drive the speakers of high power rating. in this tutorial, i’ll show you how to build a great sounding audio amplifier with the lm386 low voltage audio power. in this experiment we design and build an audio amplifier that takes the small output voltage from an electret microphone and. . Audio Amplifier Experiment.
From www.slideshare.net
Instrumentation Lab. Experiment 3 Report Operational Amplifiers Audio Amplifier Experiment in this experiment we design and build an audio amplifier that takes the small output voltage from an electret microphone and. in this tutorial, i’ll show you how to build a great sounding audio amplifier with the lm386 low voltage audio power. Usually in audio systems we use amplifiers to drive the speakers of high power rating. . Audio Amplifier Experiment.
From zemfiraaksenova.blogspot.com
DIY Mini Version Small Amplifier Speaker Kit 3W Speaker Audio Student Audio Amplifier Experiment audio amplifier is a device which strengthen the weak signal. this project is an audio amplifier suitable for amplifying the output signal from a small radio, tape player, cd player, or any. Usually in audio systems we use amplifiers to drive the speakers of high power rating. in this experiment we design and build an audio amplifier. Audio Amplifier Experiment.
From www.youtube.com
Instrumentation amplifier experiment YouTube Audio Amplifier Experiment this project is an audio amplifier suitable for amplifying the output signal from a small radio, tape player, cd player, or any. audio amplifier is a device which strengthen the weak signal. in this tutorial, i’ll show you how to build a great sounding audio amplifier with the lm386 low voltage audio power. in this experiment. Audio Amplifier Experiment.
From www.scribd.com
Single Tuned Amplifier Experiment5 Audio Amplifier Experiment audio amplifier is a device which strengthen the weak signal. in this experiment we design and build an audio amplifier that takes the small output voltage from an electret microphone and. in this tutorial, i’ll show you how to build a great sounding audio amplifier with the lm386 low voltage audio power. Usually in audio systems we. Audio Amplifier Experiment.
From www.buildcircuit.com
Experiments with LM358 BuildCircuit Audio Amplifier Experiment this project is an audio amplifier suitable for amplifying the output signal from a small radio, tape player, cd player, or any. audio amplifier is a device which strengthen the weak signal. in this experiment we design and build an audio amplifier that takes the small output voltage from an electret microphone and. in this tutorial,. Audio Amplifier Experiment.
From zemfiraaksenova.blogspot.com
DIY Mini Version Small Amplifier Speaker Kit 3W Speaker Audio Student Audio Amplifier Experiment in this experiment we design and build an audio amplifier that takes the small output voltage from an electret microphone and. this project is an audio amplifier suitable for amplifying the output signal from a small radio, tape player, cd player, or any. audio amplifier is a device which strengthen the weak signal. in this tutorial,. Audio Amplifier Experiment.
From www.pinterest.com
How to Make a Sound Amp (Phone Amplifier) Useful life hacks, Diy Audio Amplifier Experiment audio amplifier is a device which strengthen the weak signal. this project is an audio amplifier suitable for amplifying the output signal from a small radio, tape player, cd player, or any. in this experiment we design and build an audio amplifier that takes the small output voltage from an electret microphone and. in this tutorial,. Audio Amplifier Experiment.
From www.codrey.com
Little Audio Amplifier LM386 Codrey Electronics Audio Amplifier Experiment this project is an audio amplifier suitable for amplifying the output signal from a small radio, tape player, cd player, or any. in this tutorial, i’ll show you how to build a great sounding audio amplifier with the lm386 low voltage audio power. audio amplifier is a device which strengthen the weak signal. in this experiment. Audio Amplifier Experiment.
From www.eleccircuit.com
Learn 741 opamp circuits basic with example Audio Amplifier Experiment this project is an audio amplifier suitable for amplifying the output signal from a small radio, tape player, cd player, or any. Usually in audio systems we use amplifiers to drive the speakers of high power rating. in this experiment we design and build an audio amplifier that takes the small output voltage from an electret microphone and.. Audio Amplifier Experiment.
From www.youtube.com
How to make a smartphone amplifier/speaker 🔊 YouTube Audio Amplifier Experiment in this experiment we design and build an audio amplifier that takes the small output voltage from an electret microphone and. in this tutorial, i’ll show you how to build a great sounding audio amplifier with the lm386 low voltage audio power. audio amplifier is a device which strengthen the weak signal. this project is an. Audio Amplifier Experiment.
From exochfpgu.blob.core.windows.net
Logarithmic Amplifier Using Bjt at Brenda Ashburn blog Audio Amplifier Experiment Usually in audio systems we use amplifiers to drive the speakers of high power rating. in this tutorial, i’ll show you how to build a great sounding audio amplifier with the lm386 low voltage audio power. in this experiment we design and build an audio amplifier that takes the small output voltage from an electret microphone and. . Audio Amplifier Experiment.
From www.slideshare.net
Ee321 lab expt 7_negative_feedback_in_ amplifiers Audio Amplifier Experiment this project is an audio amplifier suitable for amplifying the output signal from a small radio, tape player, cd player, or any. Usually in audio systems we use amplifiers to drive the speakers of high power rating. in this experiment we design and build an audio amplifier that takes the small output voltage from an electret microphone and.. Audio Amplifier Experiment.
From todayscircuits.blogspot.com
50 Watt MOSFET amplifier Todays Circuits Engineering Projects Audio Amplifier Experiment in this tutorial, i’ll show you how to build a great sounding audio amplifier with the lm386 low voltage audio power. this project is an audio amplifier suitable for amplifying the output signal from a small radio, tape player, cd player, or any. audio amplifier is a device which strengthen the weak signal. Usually in audio systems. Audio Amplifier Experiment.
From www.allaboutcircuits.com
Analog Lab Class B Audio Amplifier Analog IC Projects Electronics Audio Amplifier Experiment this project is an audio amplifier suitable for amplifying the output signal from a small radio, tape player, cd player, or any. in this experiment we design and build an audio amplifier that takes the small output voltage from an electret microphone and. in this tutorial, i’ll show you how to build a great sounding audio amplifier. Audio Amplifier Experiment.
From www.scribd.com
OpAmp Experiment Operational Amplifier Amplifier Audio Amplifier Experiment Usually in audio systems we use amplifiers to drive the speakers of high power rating. in this tutorial, i’ll show you how to build a great sounding audio amplifier with the lm386 low voltage audio power. audio amplifier is a device which strengthen the weak signal. this project is an audio amplifier suitable for amplifying the output. Audio Amplifier Experiment.
From scitoys.com
Chapter 10 Computers and Electronics Build a simple 1 watt audio Audio Amplifier Experiment this project is an audio amplifier suitable for amplifying the output signal from a small radio, tape player, cd player, or any. in this experiment we design and build an audio amplifier that takes the small output voltage from an electret microphone and. Usually in audio systems we use amplifiers to drive the speakers of high power rating.. Audio Amplifier Experiment.
From guidelistamanda.z13.web.core.windows.net
Audio Amplifier Circuit Diagram Using Bjt Audio Amplifier Experiment Usually in audio systems we use amplifiers to drive the speakers of high power rating. this project is an audio amplifier suitable for amplifying the output signal from a small radio, tape player, cd player, or any. audio amplifier is a device which strengthen the weak signal. in this tutorial, i’ll show you how to build a. Audio Amplifier Experiment.
From www.youtube.com
Experiments Audio Amplifier You Can Do YouTube Audio Amplifier Experiment in this tutorial, i’ll show you how to build a great sounding audio amplifier with the lm386 low voltage audio power. this project is an audio amplifier suitable for amplifying the output signal from a small radio, tape player, cd player, or any. Usually in audio systems we use amplifiers to drive the speakers of high power rating.. Audio Amplifier Experiment.
From studylib.net
Experiment No. 15 Common collector Amplifier Audio Amplifier Experiment in this tutorial, i’ll show you how to build a great sounding audio amplifier with the lm386 low voltage audio power. Usually in audio systems we use amplifiers to drive the speakers of high power rating. audio amplifier is a device which strengthen the weak signal. this project is an audio amplifier suitable for amplifying the output. Audio Amplifier Experiment.