Gate Delays In Carry Lookahead Adder . Let us discuss the design in detail. carry lookahead adder the ripple carry adder, although simple in concept, has a long circuit delay due to the many gates in the. deciding the group size to be governed by lookahead carry logic requires a detailed analysis of gate and propagation delays. otherwise, consider gates that do not have a time marked at their outputs. And find one in which all inputs are marked with a time. a full adder with p and g outputs has just one gate delay from a and b to those outputs, two gate delays from a and b to s, and one.
from slideplayer.com
And find one in which all inputs are marked with a time. a full adder with p and g outputs has just one gate delay from a and b to those outputs, two gate delays from a and b to s, and one. carry lookahead adder the ripple carry adder, although simple in concept, has a long circuit delay due to the many gates in the. otherwise, consider gates that do not have a time marked at their outputs. Let us discuss the design in detail. deciding the group size to be governed by lookahead carry logic requires a detailed analysis of gate and propagation delays.
Lecture 14 Logistics Last lecture Today ppt download
Gate Delays In Carry Lookahead Adder a full adder with p and g outputs has just one gate delay from a and b to those outputs, two gate delays from a and b to s, and one. And find one in which all inputs are marked with a time. a full adder with p and g outputs has just one gate delay from a and b to those outputs, two gate delays from a and b to s, and one. otherwise, consider gates that do not have a time marked at their outputs. Let us discuss the design in detail. deciding the group size to be governed by lookahead carry logic requires a detailed analysis of gate and propagation delays. carry lookahead adder the ripple carry adder, although simple in concept, has a long circuit delay due to the many gates in the.
From slideplayer.com
UNITII CENTRAL PROCESSING UNIT ppt download Gate Delays In Carry Lookahead Adder otherwise, consider gates that do not have a time marked at their outputs. Let us discuss the design in detail. a full adder with p and g outputs has just one gate delay from a and b to those outputs, two gate delays from a and b to s, and one. carry lookahead adder the ripple carry. Gate Delays In Carry Lookahead Adder.
From www.pngegg.com
Propagation delay Carrylookahead adder Logic gate Wiring diagram Gate Delays In Carry Lookahead Adder otherwise, consider gates that do not have a time marked at their outputs. carry lookahead adder the ripple carry adder, although simple in concept, has a long circuit delay due to the many gates in the. deciding the group size to be governed by lookahead carry logic requires a detailed analysis of gate and propagation delays. Let. Gate Delays In Carry Lookahead Adder.
From www.semanticscholar.org
Figure 6 from Design of a Reversible Carry LookAhead Adder Using Gate Delays In Carry Lookahead Adder And find one in which all inputs are marked with a time. a full adder with p and g outputs has just one gate delay from a and b to those outputs, two gate delays from a and b to s, and one. carry lookahead adder the ripple carry adder, although simple in concept, has a long circuit. Gate Delays In Carry Lookahead Adder.
From slideplayer.com
CarryLookahead, CarrySelect, & Hybrid Adders ppt download Gate Delays In Carry Lookahead Adder a full adder with p and g outputs has just one gate delay from a and b to those outputs, two gate delays from a and b to s, and one. otherwise, consider gates that do not have a time marked at their outputs. And find one in which all inputs are marked with a time. Let us. Gate Delays In Carry Lookahead Adder.
From www.circuitdiagram.co
8 Bit Carry Look Ahead Adder Circuit Diagram Circuit Diagram Gate Delays In Carry Lookahead Adder a full adder with p and g outputs has just one gate delay from a and b to those outputs, two gate delays from a and b to s, and one. carry lookahead adder the ripple carry adder, although simple in concept, has a long circuit delay due to the many gates in the. And find one in. Gate Delays In Carry Lookahead Adder.
From slideplayer.com
UNITII CENTRAL PROCESSING UNIT ppt download Gate Delays In Carry Lookahead Adder carry lookahead adder the ripple carry adder, although simple in concept, has a long circuit delay due to the many gates in the. otherwise, consider gates that do not have a time marked at their outputs. Let us discuss the design in detail. deciding the group size to be governed by lookahead carry logic requires a detailed. Gate Delays In Carry Lookahead Adder.
From www.circuitdiagram.co
4 Bit Carry Look Ahead Adder Circuit Diagram Gate Delays In Carry Lookahead Adder Let us discuss the design in detail. deciding the group size to be governed by lookahead carry logic requires a detailed analysis of gate and propagation delays. And find one in which all inputs are marked with a time. otherwise, consider gates that do not have a time marked at their outputs. a full adder with p. Gate Delays In Carry Lookahead Adder.
From slideplayer.com
Lecture 14 Logistics Last lecture Today ppt download Gate Delays In Carry Lookahead Adder deciding the group size to be governed by lookahead carry logic requires a detailed analysis of gate and propagation delays. Let us discuss the design in detail. a full adder with p and g outputs has just one gate delay from a and b to those outputs, two gate delays from a and b to s, and one.. Gate Delays In Carry Lookahead Adder.
From www.youtube.com
Carry Lookahead Adder YouTube Gate Delays In Carry Lookahead Adder a full adder with p and g outputs has just one gate delay from a and b to those outputs, two gate delays from a and b to s, and one. Let us discuss the design in detail. otherwise, consider gates that do not have a time marked at their outputs. carry lookahead adder the ripple carry. Gate Delays In Carry Lookahead Adder.
From slideplayer.com
Combinational logic design case studies ppt download Gate Delays In Carry Lookahead Adder carry lookahead adder the ripple carry adder, although simple in concept, has a long circuit delay due to the many gates in the. Let us discuss the design in detail. deciding the group size to be governed by lookahead carry logic requires a detailed analysis of gate and propagation delays. otherwise, consider gates that do not have. Gate Delays In Carry Lookahead Adder.
From wiringdbmamadoup4v.z22.web.core.windows.net
Design Carry Look Ahead Adder Gate Delays In Carry Lookahead Adder Let us discuss the design in detail. deciding the group size to be governed by lookahead carry logic requires a detailed analysis of gate and propagation delays. And find one in which all inputs are marked with a time. otherwise, consider gates that do not have a time marked at their outputs. a full adder with p. Gate Delays In Carry Lookahead Adder.
From slideplayer.com
Module4 Arithmetic. ppt download Gate Delays In Carry Lookahead Adder And find one in which all inputs are marked with a time. Let us discuss the design in detail. carry lookahead adder the ripple carry adder, although simple in concept, has a long circuit delay due to the many gates in the. deciding the group size to be governed by lookahead carry logic requires a detailed analysis of. Gate Delays In Carry Lookahead Adder.
From enginewiringsmall.z19.web.core.windows.net
How To Make A Carry Lookahead Adder Gate Delays In Carry Lookahead Adder Let us discuss the design in detail. a full adder with p and g outputs has just one gate delay from a and b to those outputs, two gate delays from a and b to s, and one. deciding the group size to be governed by lookahead carry logic requires a detailed analysis of gate and propagation delays.. Gate Delays In Carry Lookahead Adder.
From wireenginepaul.z19.web.core.windows.net
Carry Look Ahead Adder Schematic Gate Delays In Carry Lookahead Adder deciding the group size to be governed by lookahead carry logic requires a detailed analysis of gate and propagation delays. Let us discuss the design in detail. carry lookahead adder the ripple carry adder, although simple in concept, has a long circuit delay due to the many gates in the. a full adder with p and g. Gate Delays In Carry Lookahead Adder.
From www.vrogue.co
4 Bit Carry Look Ahead Adder Example Gate Vidyalay vrogue.co Gate Delays In Carry Lookahead Adder carry lookahead adder the ripple carry adder, although simple in concept, has a long circuit delay due to the many gates in the. deciding the group size to be governed by lookahead carry logic requires a detailed analysis of gate and propagation delays. otherwise, consider gates that do not have a time marked at their outputs. Let. Gate Delays In Carry Lookahead Adder.
From slideplayer.com
CarryLookahead, CarrySelect, & Hybrid Adders ppt download Gate Delays In Carry Lookahead Adder carry lookahead adder the ripple carry adder, although simple in concept, has a long circuit delay due to the many gates in the. deciding the group size to be governed by lookahead carry logic requires a detailed analysis of gate and propagation delays. Let us discuss the design in detail. otherwise, consider gates that do not have. Gate Delays In Carry Lookahead Adder.
From slideplayer.com
Lecture 2 Adders Half adder. ppt download Gate Delays In Carry Lookahead Adder carry lookahead adder the ripple carry adder, although simple in concept, has a long circuit delay due to the many gates in the. And find one in which all inputs are marked with a time. Let us discuss the design in detail. otherwise, consider gates that do not have a time marked at their outputs. deciding the. Gate Delays In Carry Lookahead Adder.
From www.caretxdigital.com
16 Bit Carry Look Ahead Adder Circuit Diagram Wiring Diagram and Gate Delays In Carry Lookahead Adder deciding the group size to be governed by lookahead carry logic requires a detailed analysis of gate and propagation delays. Let us discuss the design in detail. And find one in which all inputs are marked with a time. carry lookahead adder the ripple carry adder, although simple in concept, has a long circuit delay due to the. Gate Delays In Carry Lookahead Adder.
From usermanualtractors.z1.web.core.windows.net
Carry Look Ahead Adder Logic Diagram Gate Delays In Carry Lookahead Adder deciding the group size to be governed by lookahead carry logic requires a detailed analysis of gate and propagation delays. a full adder with p and g outputs has just one gate delay from a and b to those outputs, two gate delays from a and b to s, and one. carry lookahead adder the ripple carry. Gate Delays In Carry Lookahead Adder.
From hinahanap6dschematic.z21.web.core.windows.net
Carry Lookahead Adder Circuit Diagram Gate Delays In Carry Lookahead Adder otherwise, consider gates that do not have a time marked at their outputs. carry lookahead adder the ripple carry adder, although simple in concept, has a long circuit delay due to the many gates in the. a full adder with p and g outputs has just one gate delay from a and b to those outputs, two. Gate Delays In Carry Lookahead Adder.
From electronics.stackexchange.com
How to find gate delay for 4bit lookahead carry adder? Electrical Gate Delays In Carry Lookahead Adder And find one in which all inputs are marked with a time. carry lookahead adder the ripple carry adder, although simple in concept, has a long circuit delay due to the many gates in the. Let us discuss the design in detail. otherwise, consider gates that do not have a time marked at their outputs. a full. Gate Delays In Carry Lookahead Adder.
From www.slideserve.com
PPT 4bit Carry Look Ahead Adder PowerPoint Presentation ID424250 Gate Delays In Carry Lookahead Adder a full adder with p and g outputs has just one gate delay from a and b to those outputs, two gate delays from a and b to s, and one. carry lookahead adder the ripple carry adder, although simple in concept, has a long circuit delay due to the many gates in the. Let us discuss the. Gate Delays In Carry Lookahead Adder.
From www.vrogue.co
4 Bit Carry Look Ahead Adder Example Gate Vidyalay vrogue.co Gate Delays In Carry Lookahead Adder And find one in which all inputs are marked with a time. otherwise, consider gates that do not have a time marked at their outputs. a full adder with p and g outputs has just one gate delay from a and b to those outputs, two gate delays from a and b to s, and one. carry. Gate Delays In Carry Lookahead Adder.
From teachingbee.in
Understanding Carry Look Ahead Adder In Detail TeachingBee Gate Delays In Carry Lookahead Adder deciding the group size to be governed by lookahead carry logic requires a detailed analysis of gate and propagation delays. carry lookahead adder the ripple carry adder, although simple in concept, has a long circuit delay due to the many gates in the. otherwise, consider gates that do not have a time marked at their outputs. And. Gate Delays In Carry Lookahead Adder.
From teachingbee.in
Understanding Carry Look Ahead Adder In Detail TeachingBee Gate Delays In Carry Lookahead Adder carry lookahead adder the ripple carry adder, although simple in concept, has a long circuit delay due to the many gates in the. Let us discuss the design in detail. deciding the group size to be governed by lookahead carry logic requires a detailed analysis of gate and propagation delays. a full adder with p and g. Gate Delays In Carry Lookahead Adder.
From www.numerade.com
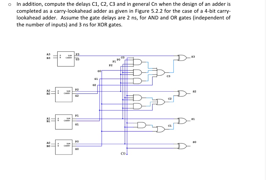
SOLVED In addition, compute the delays C1, C2, C3, and in general Cn Gate Delays In Carry Lookahead Adder otherwise, consider gates that do not have a time marked at their outputs. And find one in which all inputs are marked with a time. a full adder with p and g outputs has just one gate delay from a and b to those outputs, two gate delays from a and b to s, and one. deciding. Gate Delays In Carry Lookahead Adder.
From www.researchgate.net
Vectorized carrylookahead adder architecture for 64bit vectors. It is Gate Delays In Carry Lookahead Adder a full adder with p and g outputs has just one gate delay from a and b to those outputs, two gate delays from a and b to s, and one. otherwise, consider gates that do not have a time marked at their outputs. carry lookahead adder the ripple carry adder, although simple in concept, has a. Gate Delays In Carry Lookahead Adder.
From www.researchgate.net
4bit carry lookahead adder Download Scientific Diagram Gate Delays In Carry Lookahead Adder deciding the group size to be governed by lookahead carry logic requires a detailed analysis of gate and propagation delays. otherwise, consider gates that do not have a time marked at their outputs. Let us discuss the design in detail. carry lookahead adder the ripple carry adder, although simple in concept, has a long circuit delay due. Gate Delays In Carry Lookahead Adder.
From www.researchgate.net
PLA Styled carry lookahead adder Download Scientific Diagram Gate Delays In Carry Lookahead Adder a full adder with p and g outputs has just one gate delay from a and b to those outputs, two gate delays from a and b to s, and one. deciding the group size to be governed by lookahead carry logic requires a detailed analysis of gate and propagation delays. otherwise, consider gates that do not. Gate Delays In Carry Lookahead Adder.
From manualfixrosa.z13.web.core.windows.net
Carry Lookahead Adder Delay Gate Delays In Carry Lookahead Adder otherwise, consider gates that do not have a time marked at their outputs. Let us discuss the design in detail. a full adder with p and g outputs has just one gate delay from a and b to those outputs, two gate delays from a and b to s, and one. carry lookahead adder the ripple carry. Gate Delays In Carry Lookahead Adder.
From wireenginepaul.z19.web.core.windows.net
Carry Lookahead Adder Circuit Diagram Gate Delays In Carry Lookahead Adder And find one in which all inputs are marked with a time. carry lookahead adder the ripple carry adder, although simple in concept, has a long circuit delay due to the many gates in the. deciding the group size to be governed by lookahead carry logic requires a detailed analysis of gate and propagation delays. otherwise, consider. Gate Delays In Carry Lookahead Adder.
From www.researchgate.net
4Bit Carry Lookahead Adder [4] Download Scientific Diagram Gate Delays In Carry Lookahead Adder carry lookahead adder the ripple carry adder, although simple in concept, has a long circuit delay due to the many gates in the. otherwise, consider gates that do not have a time marked at their outputs. Let us discuss the design in detail. a full adder with p and g outputs has just one gate delay from. Gate Delays In Carry Lookahead Adder.
From schematicenginedrechsler.z19.web.core.windows.net
Carry Lookahead Adder Circuit Gate Delays In Carry Lookahead Adder Let us discuss the design in detail. And find one in which all inputs are marked with a time. deciding the group size to be governed by lookahead carry logic requires a detailed analysis of gate and propagation delays. carry lookahead adder the ripple carry adder, although simple in concept, has a long circuit delay due to the. Gate Delays In Carry Lookahead Adder.
From www.caretxdigital.com
16 Bit Carry Look Ahead Adder Circuit Diagram Wiring Diagram and Gate Delays In Carry Lookahead Adder deciding the group size to be governed by lookahead carry logic requires a detailed analysis of gate and propagation delays. And find one in which all inputs are marked with a time. otherwise, consider gates that do not have a time marked at their outputs. carry lookahead adder the ripple carry adder, although simple in concept, has. Gate Delays In Carry Lookahead Adder.
From www.semanticscholar.org
Table II from Design of a Reversible Carry LookAhead Adder Using Gate Delays In Carry Lookahead Adder deciding the group size to be governed by lookahead carry logic requires a detailed analysis of gate and propagation delays. And find one in which all inputs are marked with a time. a full adder with p and g outputs has just one gate delay from a and b to those outputs, two gate delays from a and. Gate Delays In Carry Lookahead Adder.