How Is Gas Line Measured . The importance of proper gas pipe sizing. A gas line sizing chart is based on the principles outlined in various codes like the international fuel gas code (ifgc). How does a gas line sizing chart work? This is generally used as a reference for the pipe, although the. The gas pipe sizing chart provides a comprehensive reference for determining the ideal pipe size based on various factors, including the length of the pipe run and the required btu. Understanding factors influencing gas pipe size. We’ll walk you through all the steps necessary to determine the appropriate size for your gas line and help ensure proper safety precautions are taken along the way. The nominal size of the natural gas pipe is actually the exterior size. Watch this video learn how to size the gas lines in your home using the longest length.
from www.lihpao.com
Watch this video learn how to size the gas lines in your home using the longest length. Understanding factors influencing gas pipe size. A gas line sizing chart is based on the principles outlined in various codes like the international fuel gas code (ifgc). This is generally used as a reference for the pipe, although the. How does a gas line sizing chart work? The nominal size of the natural gas pipe is actually the exterior size. The importance of proper gas pipe sizing. We’ll walk you through all the steps necessary to determine the appropriate size for your gas line and help ensure proper safety precautions are taken along the way. The gas pipe sizing chart provides a comprehensive reference for determining the ideal pipe size based on various factors, including the length of the pipe run and the required btu.
How Deep Do Gas Lines Need to Be Buried? A Guide to Installing Gas
How Is Gas Line Measured The importance of proper gas pipe sizing. This is generally used as a reference for the pipe, although the. We’ll walk you through all the steps necessary to determine the appropriate size for your gas line and help ensure proper safety precautions are taken along the way. The importance of proper gas pipe sizing. Watch this video learn how to size the gas lines in your home using the longest length. The nominal size of the natural gas pipe is actually the exterior size. A gas line sizing chart is based on the principles outlined in various codes like the international fuel gas code (ifgc). The gas pipe sizing chart provides a comprehensive reference for determining the ideal pipe size based on various factors, including the length of the pipe run and the required btu. How does a gas line sizing chart work? Understanding factors influencing gas pipe size.
From matrixgc.com
How to Install a CSST Flexible Gas Line Matrix Construction How Is Gas Line Measured This is generally used as a reference for the pipe, although the. The gas pipe sizing chart provides a comprehensive reference for determining the ideal pipe size based on various factors, including the length of the pipe run and the required btu. A gas line sizing chart is based on the principles outlined in various codes like the international fuel. How Is Gas Line Measured.
From www.walmart.com
SPI MC07043 Nbr Rubber Fuel Line 3/16' Id 16.5' Roll How Is Gas Line Measured The importance of proper gas pipe sizing. The nominal size of the natural gas pipe is actually the exterior size. This is generally used as a reference for the pipe, although the. Understanding factors influencing gas pipe size. How does a gas line sizing chart work? We’ll walk you through all the steps necessary to determine the appropriate size for. How Is Gas Line Measured.
From www.home-how.com
4 Easy Steps to Size Gas Pipe How Is Gas Line Measured We’ll walk you through all the steps necessary to determine the appropriate size for your gas line and help ensure proper safety precautions are taken along the way. A gas line sizing chart is based on the principles outlined in various codes like the international fuel gas code (ifgc). Understanding factors influencing gas pipe size. The importance of proper gas. How Is Gas Line Measured.
From www.centerpointenergy.com
Home Gas Line Repair & Coverage Gas Leaks in Home How Is Gas Line Measured Watch this video learn how to size the gas lines in your home using the longest length. This is generally used as a reference for the pipe, although the. How does a gas line sizing chart work? We’ll walk you through all the steps necessary to determine the appropriate size for your gas line and help ensure proper safety precautions. How Is Gas Line Measured.
From www.solutionspile.com
[Solved] 167E The pressure in a natural gas pipeline is How Is Gas Line Measured The gas pipe sizing chart provides a comprehensive reference for determining the ideal pipe size based on various factors, including the length of the pipe run and the required btu. We’ll walk you through all the steps necessary to determine the appropriate size for your gas line and help ensure proper safety precautions are taken along the way. A gas. How Is Gas Line Measured.
From yardandgardenguru.com
How Deep Are Gas Lines Buried? A Guide to Utility Pipeline Safety How Is Gas Line Measured This is generally used as a reference for the pipe, although the. Understanding factors influencing gas pipe size. The importance of proper gas pipe sizing. The gas pipe sizing chart provides a comprehensive reference for determining the ideal pipe size based on various factors, including the length of the pipe run and the required btu. The nominal size of the. How Is Gas Line Measured.
From www.youtube.com
Installing Gas Line For Generac Generator YouTube How Is Gas Line Measured We’ll walk you through all the steps necessary to determine the appropriate size for your gas line and help ensure proper safety precautions are taken along the way. The importance of proper gas pipe sizing. Understanding factors influencing gas pipe size. A gas line sizing chart is based on the principles outlined in various codes like the international fuel gas. How Is Gas Line Measured.
From trembley5505.blogspot.com
How To Bond Csst Gas Line Diagram / Next Time Hire A Pro CPT This How Is Gas Line Measured The importance of proper gas pipe sizing. A gas line sizing chart is based on the principles outlined in various codes like the international fuel gas code (ifgc). Watch this video learn how to size the gas lines in your home using the longest length. How does a gas line sizing chart work? We’ll walk you through all the steps. How Is Gas Line Measured.
From aceplumbingrepair.com
What Size Gas Line From Meter To House? AcePlumbingRepair How Is Gas Line Measured The nominal size of the natural gas pipe is actually the exterior size. Understanding factors influencing gas pipe size. A gas line sizing chart is based on the principles outlined in various codes like the international fuel gas code (ifgc). We’ll walk you through all the steps necessary to determine the appropriate size for your gas line and help ensure. How Is Gas Line Measured.
From www.amazon.com
LASCO 101259 Flexible Coated Stainless Steel Gas Range Supply Line, 72 How Is Gas Line Measured A gas line sizing chart is based on the principles outlined in various codes like the international fuel gas code (ifgc). Understanding factors influencing gas pipe size. The gas pipe sizing chart provides a comprehensive reference for determining the ideal pipe size based on various factors, including the length of the pipe run and the required btu. The nominal size. How Is Gas Line Measured.
From vese.ca
Gas Line Installation In Edmonton Edmonton Air Conditioner & Heat How Is Gas Line Measured The nominal size of the natural gas pipe is actually the exterior size. This is generally used as a reference for the pipe, although the. We’ll walk you through all the steps necessary to determine the appropriate size for your gas line and help ensure proper safety precautions are taken along the way. Understanding factors influencing gas pipe size. Watch. How Is Gas Line Measured.
From yardandgardenguru.com
How Deep Are Gas Lines Buried? A Guide to Utility Pipeline Safety How Is Gas Line Measured Watch this video learn how to size the gas lines in your home using the longest length. The importance of proper gas pipe sizing. The nominal size of the natural gas pipe is actually the exterior size. A gas line sizing chart is based on the principles outlined in various codes like the international fuel gas code (ifgc). Understanding factors. How Is Gas Line Measured.
From www.lihpao.com
How Deep Do Gas Lines Need to Be Buried? A Guide to Installing Gas How Is Gas Line Measured The nominal size of the natural gas pipe is actually the exterior size. We’ll walk you through all the steps necessary to determine the appropriate size for your gas line and help ensure proper safety precautions are taken along the way. Understanding factors influencing gas pipe size. The importance of proper gas pipe sizing. Watch this video learn how to. How Is Gas Line Measured.
From www.diychatroom.com
how to tie into gas pipe DIY Home Improvement Forum How Is Gas Line Measured We’ll walk you through all the steps necessary to determine the appropriate size for your gas line and help ensure proper safety precautions are taken along the way. Watch this video learn how to size the gas lines in your home using the longest length. A gas line sizing chart is based on the principles outlined in various codes like. How Is Gas Line Measured.
From plumberdubai.com
Gas line install 0581873002 Plumber Dubai 24/7 How Is Gas Line Measured Understanding factors influencing gas pipe size. How does a gas line sizing chart work? The gas pipe sizing chart provides a comprehensive reference for determining the ideal pipe size based on various factors, including the length of the pipe run and the required btu. This is generally used as a reference for the pipe, although the. Watch this video learn. How Is Gas Line Measured.
From nicholson-hvac.com
Gas Line Repair and Installation in Framingham, MA Nicholson How Is Gas Line Measured The importance of proper gas pipe sizing. How does a gas line sizing chart work? This is generally used as a reference for the pipe, although the. A gas line sizing chart is based on the principles outlined in various codes like the international fuel gas code (ifgc). Watch this video learn how to size the gas lines in your. How Is Gas Line Measured.
From forum.nachi.org
CSST gas line coupling InterNACHI®️ Forum How Is Gas Line Measured Understanding factors influencing gas pipe size. The gas pipe sizing chart provides a comprehensive reference for determining the ideal pipe size based on various factors, including the length of the pipe run and the required btu. How does a gas line sizing chart work? Watch this video learn how to size the gas lines in your home using the longest. How Is Gas Line Measured.
From www.stinenichols.com
Everything You Need to Know About Gas Lines StineNichols Plumbing How Is Gas Line Measured The importance of proper gas pipe sizing. This is generally used as a reference for the pipe, although the. The nominal size of the natural gas pipe is actually the exterior size. How does a gas line sizing chart work? A gas line sizing chart is based on the principles outlined in various codes like the international fuel gas code. How Is Gas Line Measured.
From askingcenter.com
How To Extend The Gas Line For Dryer Following Easy Methods How Is Gas Line Measured Understanding factors influencing gas pipe size. We’ll walk you through all the steps necessary to determine the appropriate size for your gas line and help ensure proper safety precautions are taken along the way. How does a gas line sizing chart work? Watch this video learn how to size the gas lines in your home using the longest length. The. How Is Gas Line Measured.
From www.youtube.com
How to Maintain Your Side of Your Home's Natural Gas Line YouTube How Is Gas Line Measured This is generally used as a reference for the pipe, although the. A gas line sizing chart is based on the principles outlined in various codes like the international fuel gas code (ifgc). The importance of proper gas pipe sizing. How does a gas line sizing chart work? Understanding factors influencing gas pipe size. The gas pipe sizing chart provides. How Is Gas Line Measured.
From notice.ae
Connecting a Gas Line to Your Stove StepbyStep Guide How Is Gas Line Measured We’ll walk you through all the steps necessary to determine the appropriate size for your gas line and help ensure proper safety precautions are taken along the way. The nominal size of the natural gas pipe is actually the exterior size. How does a gas line sizing chart work? A gas line sizing chart is based on the principles outlined. How Is Gas Line Measured.
From fyouzbxlm.blob.core.windows.net
How Is Gas Pipe Measured at Hector Duerr blog How Is Gas Line Measured How does a gas line sizing chart work? Watch this video learn how to size the gas lines in your home using the longest length. The gas pipe sizing chart provides a comprehensive reference for determining the ideal pipe size based on various factors, including the length of the pipe run and the required btu. A gas line sizing chart. How Is Gas Line Measured.
From www.pipsisland.com
4 Easy Steps to Size Gas Pipe How Is Gas Line Measured This is generally used as a reference for the pipe, although the. The gas pipe sizing chart provides a comprehensive reference for determining the ideal pipe size based on various factors, including the length of the pipe run and the required btu. The nominal size of the natural gas pipe is actually the exterior size. The importance of proper gas. How Is Gas Line Measured.
From www.camgas.co.uk
LPG Gas Frequently Asked Questions How Is Gas Line Measured The gas pipe sizing chart provides a comprehensive reference for determining the ideal pipe size based on various factors, including the length of the pipe run and the required btu. How does a gas line sizing chart work? A gas line sizing chart is based on the principles outlined in various codes like the international fuel gas code (ifgc). We’ll. How Is Gas Line Measured.
From www.slideserve.com
PPT Natural Gas Measurement, Meters and Pipelines PowerPoint How Is Gas Line Measured This is generally used as a reference for the pipe, although the. Watch this video learn how to size the gas lines in your home using the longest length. The importance of proper gas pipe sizing. We’ll walk you through all the steps necessary to determine the appropriate size for your gas line and help ensure proper safety precautions are. How Is Gas Line Measured.
From www.chegg.com
Solved The pressure in a natural gas pipeline is measured by How Is Gas Line Measured A gas line sizing chart is based on the principles outlined in various codes like the international fuel gas code (ifgc). The gas pipe sizing chart provides a comprehensive reference for determining the ideal pipe size based on various factors, including the length of the pipe run and the required btu. Understanding factors influencing gas pipe size. This is generally. How Is Gas Line Measured.
From www.studyxapp.com
pressure in a natural gas pipeline is measured by a manometer as shown How Is Gas Line Measured This is generally used as a reference for the pipe, although the. How does a gas line sizing chart work? The nominal size of the natural gas pipe is actually the exterior size. Watch this video learn how to size the gas lines in your home using the longest length. The gas pipe sizing chart provides a comprehensive reference for. How Is Gas Line Measured.
From activerain.com
Bonding CSST Gas Line In Omaha, Nebraska How Is Gas Line Measured We’ll walk you through all the steps necessary to determine the appropriate size for your gas line and help ensure proper safety precautions are taken along the way. Watch this video learn how to size the gas lines in your home using the longest length. Understanding factors influencing gas pipe size. The gas pipe sizing chart provides a comprehensive reference. How Is Gas Line Measured.
From tanklesswaterheaterexpress.com
How to Turn Off Water Heater? [GasElectric Both Covered] How Is Gas Line Measured The nominal size of the natural gas pipe is actually the exterior size. We’ll walk you through all the steps necessary to determine the appropriate size for your gas line and help ensure proper safety precautions are taken along the way. This is generally used as a reference for the pipe, although the. Watch this video learn how to size. How Is Gas Line Measured.
From griddlekingdom.com
What Size Of Gas Line For Natural Gas Grill? Get The Right Fit For Your How Is Gas Line Measured The gas pipe sizing chart provides a comprehensive reference for determining the ideal pipe size based on various factors, including the length of the pipe run and the required btu. How does a gas line sizing chart work? This is generally used as a reference for the pipe, although the. The importance of proper gas pipe sizing. A gas line. How Is Gas Line Measured.
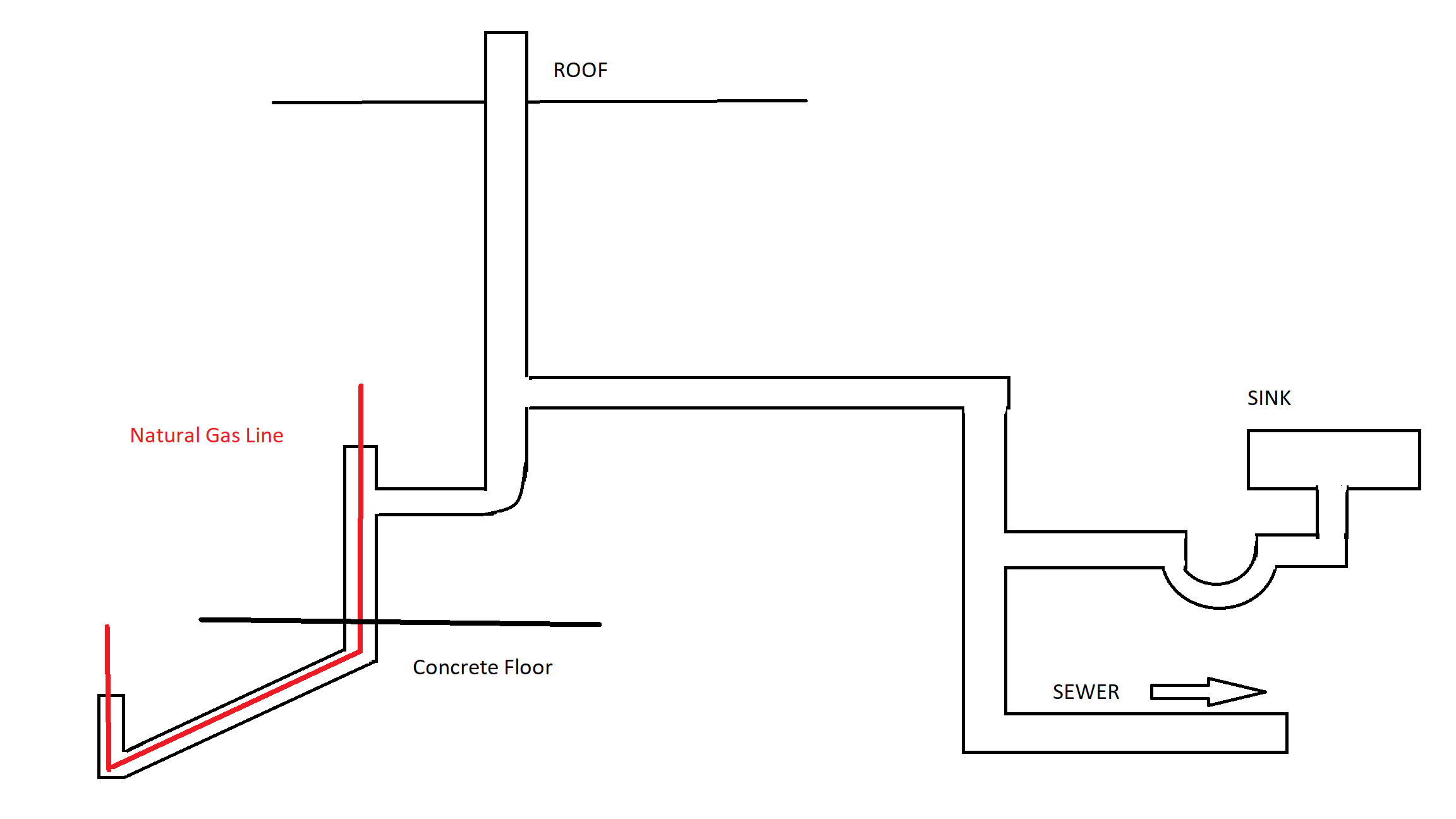
From haneendolcey.blogspot.com
gas line diagram HaneenDolcey How Is Gas Line Measured This is generally used as a reference for the pipe, although the. The nominal size of the natural gas pipe is actually the exterior size. The importance of proper gas pipe sizing. Understanding factors influencing gas pipe size. A gas line sizing chart is based on the principles outlined in various codes like the international fuel gas code (ifgc). The. How Is Gas Line Measured.
From postimg.cc
Gas Line Drawing — Postimages How Is Gas Line Measured How does a gas line sizing chart work? Understanding factors influencing gas pipe size. The gas pipe sizing chart provides a comprehensive reference for determining the ideal pipe size based on various factors, including the length of the pipe run and the required btu. The nominal size of the natural gas pipe is actually the exterior size. The importance of. How Is Gas Line Measured.
From gioqpaezg.blob.core.windows.net
What Is Gas Consumption Measured In at Theodore Early blog How Is Gas Line Measured The gas pipe sizing chart provides a comprehensive reference for determining the ideal pipe size based on various factors, including the length of the pipe run and the required btu. How does a gas line sizing chart work? We’ll walk you through all the steps necessary to determine the appropriate size for your gas line and help ensure proper safety. How Is Gas Line Measured.
From www.youtube.com
Pressure Testing a Gas Line! How to Pressure Test Natural Gas and How Is Gas Line Measured The nominal size of the natural gas pipe is actually the exterior size. The importance of proper gas pipe sizing. This is generally used as a reference for the pipe, although the. We’ll walk you through all the steps necessary to determine the appropriate size for your gas line and help ensure proper safety precautions are taken along the way.. How Is Gas Line Measured.
From www.chegg.com
Solved The pressure in a natural gas pipeline is measured by How Is Gas Line Measured We’ll walk you through all the steps necessary to determine the appropriate size for your gas line and help ensure proper safety precautions are taken along the way. The importance of proper gas pipe sizing. Watch this video learn how to size the gas lines in your home using the longest length. This is generally used as a reference for. How Is Gas Line Measured.