Convert Dc To Ac Rms . I would say it's just the opposite: \footnotesize y_\text {rms} = \sqrt. as discussed before about the root mean square (rms) or v rms voltage, it is dc equivalent voltage of a sine wave i.e. Equations $$v_{rms} = \frac{1}{\sqrt{2}}*v_{p} =. it calculates the rms voltage based on the above formulas for each. Rms is used and intended to be comparable with the dc. If the rms voltage value is 230v ac. you can use this calculator to compute the rms voltage value in three simple steps: why are rms values considered dc equivalent?
from www.calctool.org
as discussed before about the root mean square (rms) or v rms voltage, it is dc equivalent voltage of a sine wave i.e. why are rms values considered dc equivalent? I would say it's just the opposite: \footnotesize y_\text {rms} = \sqrt. If the rms voltage value is 230v ac. Equations $$v_{rms} = \frac{1}{\sqrt{2}}*v_{p} =. Rms is used and intended to be comparable with the dc. you can use this calculator to compute the rms voltage value in three simple steps: it calculates the rms voltage based on the above formulas for each.
RMS Voltage Calculator Common Waveforms
Convert Dc To Ac Rms as discussed before about the root mean square (rms) or v rms voltage, it is dc equivalent voltage of a sine wave i.e. you can use this calculator to compute the rms voltage value in three simple steps: it calculates the rms voltage based on the above formulas for each. Equations $$v_{rms} = \frac{1}{\sqrt{2}}*v_{p} =. I would say it's just the opposite: why are rms values considered dc equivalent? \footnotesize y_\text {rms} = \sqrt. If the rms voltage value is 230v ac. Rms is used and intended to be comparable with the dc. as discussed before about the root mean square (rms) or v rms voltage, it is dc equivalent voltage of a sine wave i.e.
From itecnotes.com
Electrical Why is the output DC voltage of full wave rectifier not Convert Dc To Ac Rms it calculates the rms voltage based on the above formulas for each. Rms is used and intended to be comparable with the dc. as discussed before about the root mean square (rms) or v rms voltage, it is dc equivalent voltage of a sine wave i.e. why are rms values considered dc equivalent? Equations $$v_{rms} = \frac{1}{\sqrt{2}}*v_{p}. Convert Dc To Ac Rms.
From www.youtube.com
What is a DC to AC Voltage Converter YouTube Convert Dc To Ac Rms \footnotesize y_\text {rms} = \sqrt. why are rms values considered dc equivalent? I would say it's just the opposite: If the rms voltage value is 230v ac. it calculates the rms voltage based on the above formulas for each. Rms is used and intended to be comparable with the dc. you can use this calculator to compute. Convert Dc To Ac Rms.
From www.youtube.com
Converting RMS and peak values A level Physics YouTube Convert Dc To Ac Rms as discussed before about the root mean square (rms) or v rms voltage, it is dc equivalent voltage of a sine wave i.e. why are rms values considered dc equivalent? it calculates the rms voltage based on the above formulas for each. \footnotesize y_\text {rms} = \sqrt. If the rms voltage value is 230v ac. you. Convert Dc To Ac Rms.
From www.gaussianwaves.com
Significance of RMS (Root Mean Square) value GaussianWaves Convert Dc To Ac Rms why are rms values considered dc equivalent? it calculates the rms voltage based on the above formulas for each. I would say it's just the opposite: \footnotesize y_\text {rms} = \sqrt. Equations $$v_{rms} = \frac{1}{\sqrt{2}}*v_{p} =. Rms is used and intended to be comparable with the dc. as discussed before about the root mean square (rms) or. Convert Dc To Ac Rms.
From www.youtube.com
How to calculate the RMS and Average value of Half wave Rectifier and Convert Dc To Ac Rms \footnotesize y_\text {rms} = \sqrt. Equations $$v_{rms} = \frac{1}{\sqrt{2}}*v_{p} =. it calculates the rms voltage based on the above formulas for each. I would say it's just the opposite: as discussed before about the root mean square (rms) or v rms voltage, it is dc equivalent voltage of a sine wave i.e. why are rms values considered. Convert Dc To Ac Rms.
From circuitglobe.com
What is Peak Value, Average Value and RMS Value? definition and Convert Dc To Ac Rms \footnotesize y_\text {rms} = \sqrt. as discussed before about the root mean square (rms) or v rms voltage, it is dc equivalent voltage of a sine wave i.e. you can use this calculator to compute the rms voltage value in three simple steps: Equations $$v_{rms} = \frac{1}{\sqrt{2}}*v_{p} =. Rms is used and intended to be comparable with the. Convert Dc To Ac Rms.
From www.seekic.com
RMS / DC converter circuit for measuring AC voltage in digital Convert Dc To Ac Rms I would say it's just the opposite: you can use this calculator to compute the rms voltage value in three simple steps: Equations $$v_{rms} = \frac{1}{\sqrt{2}}*v_{p} =. If the rms voltage value is 230v ac. as discussed before about the root mean square (rms) or v rms voltage, it is dc equivalent voltage of a sine wave i.e.. Convert Dc To Ac Rms.
From www.takomabattery.com
How dc to ac converter works definition and comparison The Best Convert Dc To Ac Rms it calculates the rms voltage based on the above formulas for each. Equations $$v_{rms} = \frac{1}{\sqrt{2}}*v_{p} =. I would say it's just the opposite: If the rms voltage value is 230v ac. \footnotesize y_\text {rms} = \sqrt. you can use this calculator to compute the rms voltage value in three simple steps: Rms is used and intended to. Convert Dc To Ac Rms.
From electronics.stackexchange.com
ac dc True RMStoDC converter with AD736 Electrical Engineering Convert Dc To Ac Rms \footnotesize y_\text {rms} = \sqrt. If the rms voltage value is 230v ac. why are rms values considered dc equivalent? Equations $$v_{rms} = \frac{1}{\sqrt{2}}*v_{p} =. as discussed before about the root mean square (rms) or v rms voltage, it is dc equivalent voltage of a sine wave i.e. Rms is used and intended to be comparable with the. Convert Dc To Ac Rms.
From www.yourelectricalguide.com
RMS Value of AC Current Derivation Your Electrical Guide Convert Dc To Ac Rms why are rms values considered dc equivalent? it calculates the rms voltage based on the above formulas for each. I would say it's just the opposite: \footnotesize y_\text {rms} = \sqrt. Rms is used and intended to be comparable with the dc. you can use this calculator to compute the rms voltage value in three simple steps:. Convert Dc To Ac Rms.
From www.electricaltechnology.org
RMS Voltage Calculator From Average Value, Peak & Peak to Peak Value Convert Dc To Ac Rms Rms is used and intended to be comparable with the dc. it calculates the rms voltage based on the above formulas for each. \footnotesize y_\text {rms} = \sqrt. why are rms values considered dc equivalent? as discussed before about the root mean square (rms) or v rms voltage, it is dc equivalent voltage of a sine wave. Convert Dc To Ac Rms.
From www.next.gr
AC RMS and DC converter circuit under Converter Circuits 57404 Next.gr Convert Dc To Ac Rms as discussed before about the root mean square (rms) or v rms voltage, it is dc equivalent voltage of a sine wave i.e. If the rms voltage value is 230v ac. it calculates the rms voltage based on the above formulas for each. why are rms values considered dc equivalent? I would say it's just the opposite:. Convert Dc To Ac Rms.
From circuitdigest.com
Designing a True RMS to DC Converter using IC AD736 Convert Dc To Ac Rms I would say it's just the opposite: why are rms values considered dc equivalent? \footnotesize y_\text {rms} = \sqrt. you can use this calculator to compute the rms voltage value in three simple steps: it calculates the rms voltage based on the above formulas for each. Rms is used and intended to be comparable with the dc.. Convert Dc To Ac Rms.
From electronics.stackexchange.com
thyristor How to calculate current RMS value for fullwave controlled Convert Dc To Ac Rms \footnotesize y_\text {rms} = \sqrt. as discussed before about the root mean square (rms) or v rms voltage, it is dc equivalent voltage of a sine wave i.e. Rms is used and intended to be comparable with the dc. it calculates the rms voltage based on the above formulas for each. Equations $$v_{rms} = \frac{1}{\sqrt{2}}*v_{p} =. you. Convert Dc To Ac Rms.
From haipernews.com
How To Calculate Ripple Frequency Of Full Wave Rectifier Haiper Convert Dc To Ac Rms as discussed before about the root mean square (rms) or v rms voltage, it is dc equivalent voltage of a sine wave i.e. Rms is used and intended to be comparable with the dc. Equations $$v_{rms} = \frac{1}{\sqrt{2}}*v_{p} =. you can use this calculator to compute the rms voltage value in three simple steps: If the rms voltage. Convert Dc To Ac Rms.
From musiccreator.com
Peak vs. RMS Compression What You Need to Know About These Two Types Convert Dc To Ac Rms it calculates the rms voltage based on the above formulas for each. you can use this calculator to compute the rms voltage value in three simple steps: \footnotesize y_\text {rms} = \sqrt. If the rms voltage value is 230v ac. I would say it's just the opposite: Equations $$v_{rms} = \frac{1}{\sqrt{2}}*v_{p} =. as discussed before about the. Convert Dc To Ac Rms.
From www.nutsvolts.com
The AC Volt Nuts & Volts Magazine Convert Dc To Ac Rms I would say it's just the opposite: why are rms values considered dc equivalent? \footnotesize y_\text {rms} = \sqrt. you can use this calculator to compute the rms voltage value in three simple steps: Rms is used and intended to be comparable with the dc. Equations $$v_{rms} = \frac{1}{\sqrt{2}}*v_{p} =. it calculates the rms voltage based on. Convert Dc To Ac Rms.
From www.eeweb.com
Using the AD8436 True RMS to DC Converter EE Convert Dc To Ac Rms why are rms values considered dc equivalent? If the rms voltage value is 230v ac. I would say it's just the opposite: \footnotesize y_\text {rms} = \sqrt. you can use this calculator to compute the rms voltage value in three simple steps: Equations $$v_{rms} = \frac{1}{\sqrt{2}}*v_{p} =. it calculates the rms voltage based on the above formulas. Convert Dc To Ac Rms.
From www.nutsvolts.com
OPAMP COOKBOOK — Part 4 Nuts & Volts Magazine Convert Dc To Ac Rms why are rms values considered dc equivalent? I would say it's just the opposite: Equations $$v_{rms} = \frac{1}{\sqrt{2}}*v_{p} =. you can use this calculator to compute the rms voltage value in three simple steps: it calculates the rms voltage based on the above formulas for each. as discussed before about the root mean square (rms) or. Convert Dc To Ac Rms.
From www.nutsvolts.com
The AC Volt Nuts & Volts Magazine Convert Dc To Ac Rms Equations $$v_{rms} = \frac{1}{\sqrt{2}}*v_{p} =. you can use this calculator to compute the rms voltage value in three simple steps: If the rms voltage value is 230v ac. Rms is used and intended to be comparable with the dc. why are rms values considered dc equivalent? \footnotesize y_\text {rms} = \sqrt. as discussed before about the root. Convert Dc To Ac Rms.
From www.renogy.com
The Complete DC to AC Converter Guide Renogy United States Convert Dc To Ac Rms it calculates the rms voltage based on the above formulas for each. Equations $$v_{rms} = \frac{1}{\sqrt{2}}*v_{p} =. I would say it's just the opposite: If the rms voltage value is 230v ac. Rms is used and intended to be comparable with the dc. as discussed before about the root mean square (rms) or v rms voltage, it is. Convert Dc To Ac Rms.
From albo-colocolo-gb.blogspot.com
☑ Ac To Dc Converter Using Diodes Convert Dc To Ac Rms as discussed before about the root mean square (rms) or v rms voltage, it is dc equivalent voltage of a sine wave i.e. I would say it's just the opposite: \footnotesize y_\text {rms} = \sqrt. If the rms voltage value is 230v ac. it calculates the rms voltage based on the above formulas for each. Rms is used. Convert Dc To Ac Rms.
From www.electronicsandyou.com
How to Convert AC to DC using Diode, Transformer, Capacitor Convert Dc To Ac Rms I would say it's just the opposite: it calculates the rms voltage based on the above formulas for each. as discussed before about the root mean square (rms) or v rms voltage, it is dc equivalent voltage of a sine wave i.e. Rms is used and intended to be comparable with the dc. \footnotesize y_\text {rms} = \sqrt.. Convert Dc To Ac Rms.
From www.calctool.org
RMS Voltage Calculator Common Waveforms Convert Dc To Ac Rms I would say it's just the opposite: Equations $$v_{rms} = \frac{1}{\sqrt{2}}*v_{p} =. it calculates the rms voltage based on the above formulas for each. as discussed before about the root mean square (rms) or v rms voltage, it is dc equivalent voltage of a sine wave i.e. why are rms values considered dc equivalent? you can. Convert Dc To Ac Rms.
From www.eeweb.com
True RMStoDC Converter EE Convert Dc To Ac Rms it calculates the rms voltage based on the above formulas for each. Rms is used and intended to be comparable with the dc. If the rms voltage value is 230v ac. \footnotesize y_\text {rms} = \sqrt. Equations $$v_{rms} = \frac{1}{\sqrt{2}}*v_{p} =. as discussed before about the root mean square (rms) or v rms voltage, it is dc equivalent. Convert Dc To Ac Rms.
From circuitdigest.com
RMS Voltage Calculator Convert Dc To Ac Rms Equations $$v_{rms} = \frac{1}{\sqrt{2}}*v_{p} =. I would say it's just the opposite: you can use this calculator to compute the rms voltage value in three simple steps: it calculates the rms voltage based on the above formulas for each. why are rms values considered dc equivalent? If the rms voltage value is 230v ac. as discussed. Convert Dc To Ac Rms.
From www.youtube.com
RMS value of Voltage/Current The basics using concept of areas YouTube Convert Dc To Ac Rms I would say it's just the opposite: Equations $$v_{rms} = \frac{1}{\sqrt{2}}*v_{p} =. If the rms voltage value is 230v ac. as discussed before about the root mean square (rms) or v rms voltage, it is dc equivalent voltage of a sine wave i.e. it calculates the rms voltage based on the above formulas for each. you can. Convert Dc To Ac Rms.
From www.seekic.com
RMS_TO_DC_CONVERTER AD_DA_Converter_Circuit Circuit Diagram Convert Dc To Ac Rms you can use this calculator to compute the rms voltage value in three simple steps: \footnotesize y_\text {rms} = \sqrt. as discussed before about the root mean square (rms) or v rms voltage, it is dc equivalent voltage of a sine wave i.e. If the rms voltage value is 230v ac. Equations $$v_{rms} = \frac{1}{\sqrt{2}}*v_{p} =. Rms is. Convert Dc To Ac Rms.
From www.electronicsinfoline.com
Measuring True RMS Mains Voltage and Frequency using MSP430 microc Convert Dc To Ac Rms as discussed before about the root mean square (rms) or v rms voltage, it is dc equivalent voltage of a sine wave i.e. it calculates the rms voltage based on the above formulas for each. \footnotesize y_\text {rms} = \sqrt. I would say it's just the opposite: If the rms voltage value is 230v ac. Rms is used. Convert Dc To Ac Rms.
From electrical4dummies.blogspot.com
The World Through Electricity Root Mean Square A.K.A RMS value Convert Dc To Ac Rms Equations $$v_{rms} = \frac{1}{\sqrt{2}}*v_{p} =. Rms is used and intended to be comparable with the dc. you can use this calculator to compute the rms voltage value in three simple steps: \footnotesize y_\text {rms} = \sqrt. as discussed before about the root mean square (rms) or v rms voltage, it is dc equivalent voltage of a sine wave. Convert Dc To Ac Rms.
From jhtechnology.blogspot.com
JH Technology, Inc. True RMS Measurement Includes DC Convert Dc To Ac Rms I would say it's just the opposite: it calculates the rms voltage based on the above formulas for each. If the rms voltage value is 230v ac. Equations $$v_{rms} = \frac{1}{\sqrt{2}}*v_{p} =. why are rms values considered dc equivalent? you can use this calculator to compute the rms voltage value in three simple steps: \footnotesize y_\text {rms}. Convert Dc To Ac Rms.
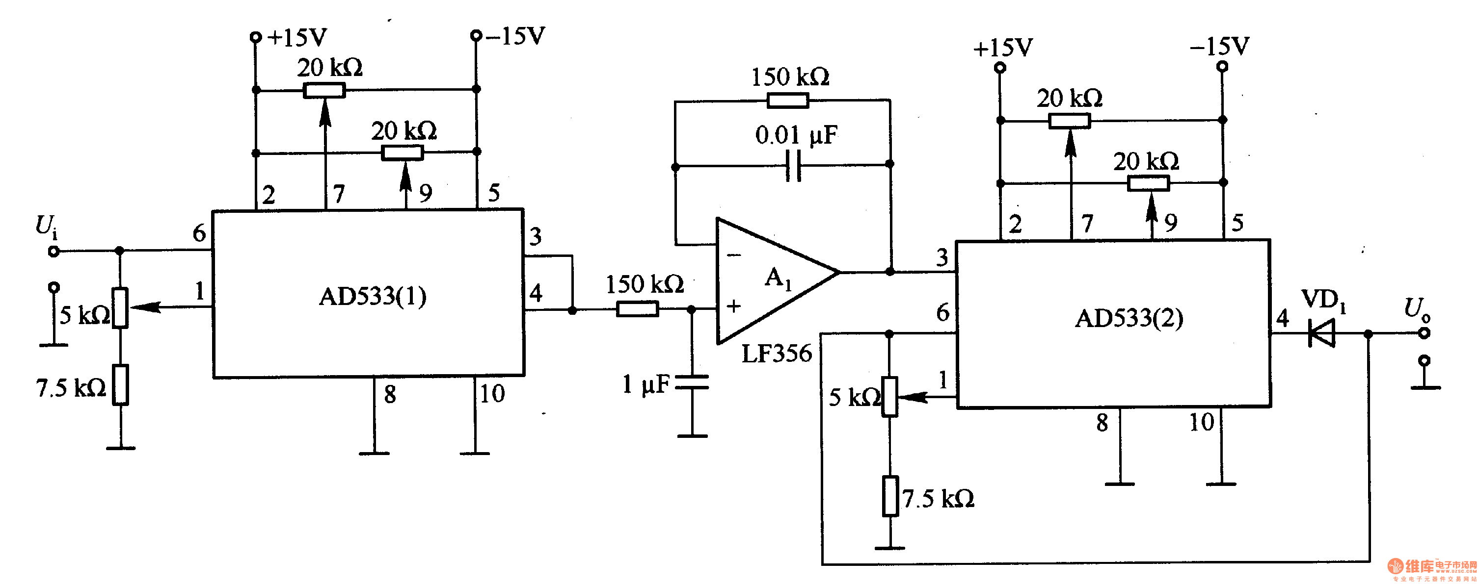
From www.seekic.com
AC RMS / DC converter circuit composed of AD533 Basic_Circuit Convert Dc To Ac Rms If the rms voltage value is 230v ac. it calculates the rms voltage based on the above formulas for each. as discussed before about the root mean square (rms) or v rms voltage, it is dc equivalent voltage of a sine wave i.e. Equations $$v_{rms} = \frac{1}{\sqrt{2}}*v_{p} =. you can use this calculator to compute the rms. Convert Dc To Ac Rms.
From www.circuits-diy.com
DC to AC Power Converter using 2SC5200 Transistor Convert Dc To Ac Rms it calculates the rms voltage based on the above formulas for each. why are rms values considered dc equivalent? I would say it's just the opposite: you can use this calculator to compute the rms voltage value in three simple steps: If the rms voltage value is 230v ac. as discussed before about the root mean. Convert Dc To Ac Rms.
From www.circuitdiagram.co
Dc Converter Schematic Diagram Circuit Diagram Convert Dc To Ac Rms why are rms values considered dc equivalent? Equations $$v_{rms} = \frac{1}{\sqrt{2}}*v_{p} =. as discussed before about the root mean square (rms) or v rms voltage, it is dc equivalent voltage of a sine wave i.e. you can use this calculator to compute the rms voltage value in three simple steps: it calculates the rms voltage based. Convert Dc To Ac Rms.
From www.youtube.com
The average and RMS value of voltage for square wave shown in figure5. Convert Dc To Ac Rms why are rms values considered dc equivalent? it calculates the rms voltage based on the above formulas for each. I would say it's just the opposite: you can use this calculator to compute the rms voltage value in three simple steps: Rms is used and intended to be comparable with the dc. as discussed before about. Convert Dc To Ac Rms.