A/B Box Schematic . By pressing the a/b switch you can choose between any one of the amplifiers as the output. Using a standard passive a/b/y switch to switch to dual amp outputs will probably cause noticeable hum in the signal to one or both. There are some examples of how to use this box below. Dc power dc j4 power input indicator a di p green led ri d2 swia led indicator b swib r2 100k (optional swlc 100k (optional output a output b By pressing the a/b or a+b switch you can. A description of the circuit is hardly needed (but i'll give a brief one anyway). You can even use a guitar aby pedal to set up a full stereo rig and run different. The circuit is passive except for the led indicators. For example, you could leave two guitars plugged in and use the a/b button to swap between them during your set. This is a simple a/b switch box.
from www.synthrotek.com
The circuit is passive except for the led indicators. This is a simple a/b switch box. You can even use a guitar aby pedal to set up a full stereo rig and run different. Dc power dc j4 power input indicator a di p green led ri d2 swia led indicator b swib r2 100k (optional swlc 100k (optional output a output b A description of the circuit is hardly needed (but i'll give a brief one anyway). There are some examples of how to use this box below. By pressing the a/b switch you can choose between any one of the amplifiers as the output. Using a standard passive a/b/y switch to switch to dual amp outputs will probably cause noticeable hum in the signal to one or both. For example, you could leave two guitars plugged in and use the a/b button to swap between them during your set. By pressing the a/b or a+b switch you can.
Passive A/B Switch Assembly Instructions Synthrotek
A/B Box Schematic Using a standard passive a/b/y switch to switch to dual amp outputs will probably cause noticeable hum in the signal to one or both. There are some examples of how to use this box below. Using a standard passive a/b/y switch to switch to dual amp outputs will probably cause noticeable hum in the signal to one or both. A description of the circuit is hardly needed (but i'll give a brief one anyway). You can even use a guitar aby pedal to set up a full stereo rig and run different. For example, you could leave two guitars plugged in and use the a/b button to swap between them during your set. By pressing the a/b or a+b switch you can. By pressing the a/b switch you can choose between any one of the amplifiers as the output. Dc power dc j4 power input indicator a di p green led ri d2 swia led indicator b swib r2 100k (optional swlc 100k (optional output a output b The circuit is passive except for the led indicators. This is a simple a/b switch box.
From sonelec-musique.com
Electronique Realisations AB Box 003 A/B Box Schematic There are some examples of how to use this box below. Dc power dc j4 power input indicator a di p green led ri d2 swia led indicator b swib r2 100k (optional swlc 100k (optional output a output b This is a simple a/b switch box. Using a standard passive a/b/y switch to switch to dual amp outputs will. A/B Box Schematic.
From electronicscheme.net
A/B Box Switch 2 Inputs 1 Output with Dual OpAmps Electronic A/B Box Schematic For example, you could leave two guitars plugged in and use the a/b button to swap between them during your set. By pressing the a/b or a+b switch you can. Dc power dc j4 power input indicator a di p green led ri d2 swia led indicator b swib r2 100k (optional swlc 100k (optional output a output b There. A/B Box Schematic.
From www.sonelec-musique.com
Electronique Réalisations AB Box 001 A/B Box Schematic For example, you could leave two guitars plugged in and use the a/b button to swap between them during your set. This is a simple a/b switch box. By pressing the a/b switch you can choose between any one of the amplifiers as the output. By pressing the a/b or a+b switch you can. You can even use a guitar. A/B Box Schematic.
From www.diyguitarist.net
Sewing Machine Pedal A/B box? A/B Box Schematic Dc power dc j4 power input indicator a di p green led ri d2 swia led indicator b swib r2 100k (optional swlc 100k (optional output a output b The circuit is passive except for the led indicators. By pressing the a/b or a+b switch you can. You can even use a guitar aby pedal to set up a full. A/B Box Schematic.
From www.synthrotek.com
Passive A/B Switch Assembly Instructions Synthrotek A/B Box Schematic There are some examples of how to use this box below. For example, you could leave two guitars plugged in and use the a/b button to swap between them during your set. You can even use a guitar aby pedal to set up a full stereo rig and run different. The circuit is passive except for the led indicators. Using. A/B Box Schematic.
From wiringapps.blogspot.com
Wabco Trailer Abs Wiring Diagram keep going and going and wiring A/B Box Schematic There are some examples of how to use this box below. The circuit is passive except for the led indicators. By pressing the a/b or a+b switch you can. You can even use a guitar aby pedal to set up a full stereo rig and run different. Using a standard passive a/b/y switch to switch to dual amp outputs will. A/B Box Schematic.
From www.javelin-tech.com
How to read and understand an Electrical Schematic A/B Box Schematic You can even use a guitar aby pedal to set up a full stereo rig and run different. A description of the circuit is hardly needed (but i'll give a brief one anyway). The circuit is passive except for the led indicators. For example, you could leave two guitars plugged in and use the a/b button to swap between them. A/B Box Schematic.
From www.scribd.com
AB Box.pdf Switch Electrical Engineering A/B Box Schematic Dc power dc j4 power input indicator a di p green led ri d2 swia led indicator b swib r2 100k (optional swlc 100k (optional output a output b By pressing the a/b or a+b switch you can. There are some examples of how to use this box below. Using a standard passive a/b/y switch to switch to dual amp. A/B Box Schematic.
From www.sonelec-musique.com
Electronique Realisations AB Box 004 A/B Box Schematic The circuit is passive except for the led indicators. By pressing the a/b switch you can choose between any one of the amplifiers as the output. Dc power dc j4 power input indicator a di p green led ri d2 swia led indicator b swib r2 100k (optional swlc 100k (optional output a output b For example, you could leave. A/B Box Schematic.
From circuitwiringstefanie.z19.web.core.windows.net
Diy Guitar Effects Schematics A/B Box Schematic Using a standard passive a/b/y switch to switch to dual amp outputs will probably cause noticeable hum in the signal to one or both. There are some examples of how to use this box below. This is a simple a/b switch box. Dc power dc j4 power input indicator a di p green led ri d2 swia led indicator b. A/B Box Schematic.
From www.pinterest.com
Pin em Amplificador A/B Box Schematic A description of the circuit is hardly needed (but i'll give a brief one anyway). For example, you could leave two guitars plugged in and use the a/b button to swap between them during your set. By pressing the a/b switch you can choose between any one of the amplifiers as the output. By pressing the a/b or a+b switch. A/B Box Schematic.
From www.sonelec-musique.com
Electronique Realisations AB Box 004 A/B Box Schematic You can even use a guitar aby pedal to set up a full stereo rig and run different. Using a standard passive a/b/y switch to switch to dual amp outputs will probably cause noticeable hum in the signal to one or both. There are some examples of how to use this box below. By pressing the a/b switch you can. A/B Box Schematic.
From www.sonelec-musique.com
Electronique Réalisations AB Box 002 A/B Box Schematic This is a simple a/b switch box. Dc power dc j4 power input indicator a di p green led ri d2 swia led indicator b swib r2 100k (optional swlc 100k (optional output a output b A description of the circuit is hardly needed (but i'll give a brief one anyway). For example, you could leave two guitars plugged in. A/B Box Schematic.
From enginediagrammaxian55.z19.web.core.windows.net
Class Ab Tube Amplifier Schematic A/B Box Schematic By pressing the a/b or a+b switch you can. For example, you could leave two guitars plugged in and use the a/b button to swap between them during your set. You can even use a guitar aby pedal to set up a full stereo rig and run different. Using a standard passive a/b/y switch to switch to dual amp outputs. A/B Box Schematic.
From userdiagramandreas123.z19.web.core.windows.net
A B Pedal Schematic A/B Box Schematic Dc power dc j4 power input indicator a di p green led ri d2 swia led indicator b swib r2 100k (optional swlc 100k (optional output a output b Using a standard passive a/b/y switch to switch to dual amp outputs will probably cause noticeable hum in the signal to one or both. This is a simple a/b switch box.. A/B Box Schematic.
From schematicscom.blogspot.com
Schematic Diagrams Vizio, LG and TCL LCD TV SMPS schematics A/B Box Schematic You can even use a guitar aby pedal to set up a full stereo rig and run different. The circuit is passive except for the led indicators. This is a simple a/b switch box. Using a standard passive a/b/y switch to switch to dual amp outputs will probably cause noticeable hum in the signal to one or both. A description. A/B Box Schematic.
From mainetreasurechest.com
Sho Schematic New Wiring Diagram Image A/B Box Schematic By pressing the a/b or a+b switch you can. This is a simple a/b switch box. There are some examples of how to use this box below. Dc power dc j4 power input indicator a di p green led ri d2 swia led indicator b swib r2 100k (optional swlc 100k (optional output a output b Using a standard passive. A/B Box Schematic.
From www.scmusic.com.au
UNIVERSAL A/B/BOTH BOX BY TAYLOR A/B SWITCHING BOX South Coast Music A/B Box Schematic The circuit is passive except for the led indicators. You can even use a guitar aby pedal to set up a full stereo rig and run different. Using a standard passive a/b/y switch to switch to dual amp outputs will probably cause noticeable hum in the signal to one or both. For example, you could leave two guitars plugged in. A/B Box Schematic.
From schematicpartopen.z21.web.core.windows.net
Guitar Ab Switch Schematic A/B Box Schematic You can even use a guitar aby pedal to set up a full stereo rig and run different. By pressing the a/b switch you can choose between any one of the amplifiers as the output. Using a standard passive a/b/y switch to switch to dual amp outputs will probably cause noticeable hum in the signal to one or both. For. A/B Box Schematic.
From www.youtube.com
Whirlwind Selector A/B Switching Box Overview YouTube A/B Box Schematic By pressing the a/b or a+b switch you can. You can even use a guitar aby pedal to set up a full stereo rig and run different. Dc power dc j4 power input indicator a di p green led ri d2 swia led indicator b swib r2 100k (optional swlc 100k (optional output a output b Using a standard passive. A/B Box Schematic.
From en.audiofanzine.com
M196 AB Box MXR M196 AB Box Audiofanzine A/B Box Schematic By pressing the a/b switch you can choose between any one of the amplifiers as the output. A description of the circuit is hardly needed (but i'll give a brief one anyway). Dc power dc j4 power input indicator a di p green led ri d2 swia led indicator b swib r2 100k (optional swlc 100k (optional output a output. A/B Box Schematic.
From www.musikding.de
A/B/Y Switch, 11,00 A/B Box Schematic This is a simple a/b switch box. For example, you could leave two guitars plugged in and use the a/b button to swap between them during your set. The circuit is passive except for the led indicators. There are some examples of how to use this box below. A description of the circuit is hardly needed (but i'll give a. A/B Box Schematic.
From www.sonelec-musique.com
Electronique Realisations AB Box 004 A/B Box Schematic By pressing the a/b or a+b switch you can. For example, you could leave two guitars plugged in and use the a/b button to swap between them during your set. By pressing the a/b switch you can choose between any one of the amplifiers as the output. Dc power dc j4 power input indicator a di p green led ri. A/B Box Schematic.
From beavisaudio.com
beavis audio research A/B Box Schematic Using a standard passive a/b/y switch to switch to dual amp outputs will probably cause noticeable hum in the signal to one or both. The circuit is passive except for the led indicators. There are some examples of how to use this box below. By pressing the a/b or a+b switch you can. By pressing the a/b switch you can. A/B Box Schematic.
From www.myxxgirl.com
Class Ab Audio Amplifier Schematic Pcb Circuits My XXX Hot Girl A/B Box Schematic There are some examples of how to use this box below. Dc power dc j4 power input indicator a di p green led ri d2 swia led indicator b swib r2 100k (optional swlc 100k (optional output a output b This is a simple a/b switch box. By pressing the a/b or a+b switch you can. Using a standard passive. A/B Box Schematic.
From sonelec-musique.com
Electronique Réalisations AB Box 001 A/B Box Schematic There are some examples of how to use this box below. This is a simple a/b switch box. A description of the circuit is hardly needed (but i'll give a brief one anyway). Using a standard passive a/b/y switch to switch to dual amp outputs will probably cause noticeable hum in the signal to one or both. For example, you. A/B Box Schematic.
From blog.airmann.de
DIY XLR A/B switch box » 4irmann's Audio Blog A/B Box Schematic By pressing the a/b or a+b switch you can. By pressing the a/b switch you can choose between any one of the amplifiers as the output. A description of the circuit is hardly needed (but i'll give a brief one anyway). There are some examples of how to use this box below. Using a standard passive a/b/y switch to switch. A/B Box Schematic.
From usermanualthickety.z21.web.core.windows.net
How To Read Tube Amp Schematics A/B Box Schematic For example, you could leave two guitars plugged in and use the a/b button to swap between them during your set. By pressing the a/b or a+b switch you can. Using a standard passive a/b/y switch to switch to dual amp outputs will probably cause noticeable hum in the signal to one or both. Dc power dc j4 power input. A/B Box Schematic.
From www.researchgate.net
(A,B) Boxplots of SUVmax and SUVmean (A) values and corresponding TBR A/B Box Schematic Using a standard passive a/b/y switch to switch to dual amp outputs will probably cause noticeable hum in the signal to one or both. You can even use a guitar aby pedal to set up a full stereo rig and run different. By pressing the a/b or a+b switch you can. Dc power dc j4 power input indicator a di. A/B Box Schematic.
From www.ultimate-guitar.com
Anyone have/ know of a schematic for a looper/ AB box? Ultimate Guitar A/B Box Schematic Using a standard passive a/b/y switch to switch to dual amp outputs will probably cause noticeable hum in the signal to one or both. For example, you could leave two guitars plugged in and use the a/b button to swap between them during your set. A description of the circuit is hardly needed (but i'll give a brief one anyway).. A/B Box Schematic.
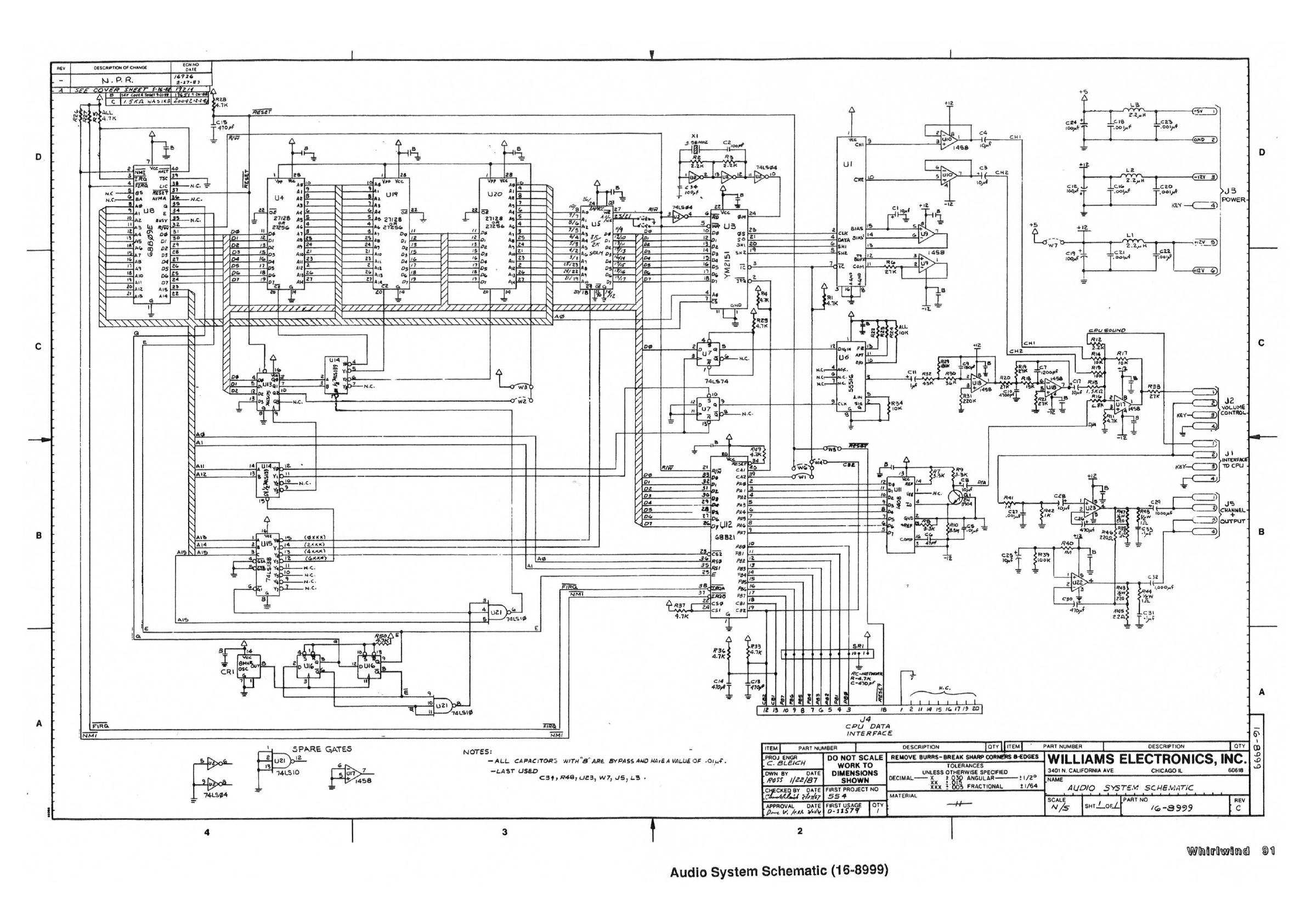
From usermanual.wiki
Williams Whirlwind Operations Manual A/B Box Schematic You can even use a guitar aby pedal to set up a full stereo rig and run different. By pressing the a/b switch you can choose between any one of the amplifiers as the output. There are some examples of how to use this box below. For example, you could leave two guitars plugged in and use the a/b button. A/B Box Schematic.
From www.diyaudio.com
Sub miniature pentode push pull design help diyAudio A/B Box Schematic Using a standard passive a/b/y switch to switch to dual amp outputs will probably cause noticeable hum in the signal to one or both. You can even use a guitar aby pedal to set up a full stereo rig and run different. There are some examples of how to use this box below. A description of the circuit is hardly. A/B Box Schematic.
From www.generalguitargadgets.com
Schematics General Guitar Gadgets A/B Box Schematic For example, you could leave two guitars plugged in and use the a/b button to swap between them during your set. You can even use a guitar aby pedal to set up a full stereo rig and run different. A description of the circuit is hardly needed (but i'll give a brief one anyway). Using a standard passive a/b/y switch. A/B Box Schematic.
From www.harmonycentral.com
Build Your Own Useful Adapter Boxes Uncategorized Harmony Central A/B Box Schematic By pressing the a/b or a+b switch you can. By pressing the a/b switch you can choose between any one of the amplifiers as the output. This is a simple a/b switch box. You can even use a guitar aby pedal to set up a full stereo rig and run different. A description of the circuit is hardly needed (but. A/B Box Schematic.
From fr.audiofanzine.com
M196 AB BOX MXR M196 AB Box Audiofanzine A/B Box Schematic For example, you could leave two guitars plugged in and use the a/b button to swap between them during your set. By pressing the a/b switch you can choose between any one of the amplifiers as the output. Dc power dc j4 power input indicator a di p green led ri d2 swia led indicator b swib r2 100k (optional. A/B Box Schematic.