How To Make A Signal Transmitter And Receiver . This tutorial provides an excellent introduction to building a simple digital communication system. A complete block diagram guide. — make your very own transmitter and receiver! how to build a simple radio transmitter circuit: how to build an rf transmitter and receiver: If you are interested in building your own radio. An rf (radio frequency) transmitter and receiver. Here we have explained the rf. — building a simple transmitter and receiver is the quickest way to get started on your journey into the world of rf. — here we will learn the basics of rf module and how to use it as a standalone rf transmitter and receiver. It is also a lot of fun. In short term, radio frequency (rf) refers to the rate of oscillation of electromagnetic radio waves in the range.
from www.youtube.com
— building a simple transmitter and receiver is the quickest way to get started on your journey into the world of rf. how to build a simple radio transmitter circuit: — make your very own transmitter and receiver! It is also a lot of fun. If you are interested in building your own radio. A complete block diagram guide. This tutorial provides an excellent introduction to building a simple digital communication system. Here we have explained the rf. — here we will learn the basics of rf module and how to use it as a standalone rf transmitter and receiver. In short term, radio frequency (rf) refers to the rate of oscillation of electromagnetic radio waves in the range.
7 Channel Drone Transmitter and Receiver (Make Yourself) YouTube
How To Make A Signal Transmitter And Receiver A complete block diagram guide. This tutorial provides an excellent introduction to building a simple digital communication system. — here we will learn the basics of rf module and how to use it as a standalone rf transmitter and receiver. — make your very own transmitter and receiver! In short term, radio frequency (rf) refers to the rate of oscillation of electromagnetic radio waves in the range. Here we have explained the rf. how to build an rf transmitter and receiver: It is also a lot of fun. A complete block diagram guide. how to build a simple radio transmitter circuit: An rf (radio frequency) transmitter and receiver. If you are interested in building your own radio. — building a simple transmitter and receiver is the quickest way to get started on your journey into the world of rf.
From freakengineer.com
433MHz RF Transmitter and Receiver Circuit » Freak Engineer How To Make A Signal Transmitter And Receiver — here we will learn the basics of rf module and how to use it as a standalone rf transmitter and receiver. how to build an rf transmitter and receiver: how to build a simple radio transmitter circuit: — building a simple transmitter and receiver is the quickest way to get started on your journey into. How To Make A Signal Transmitter And Receiver.
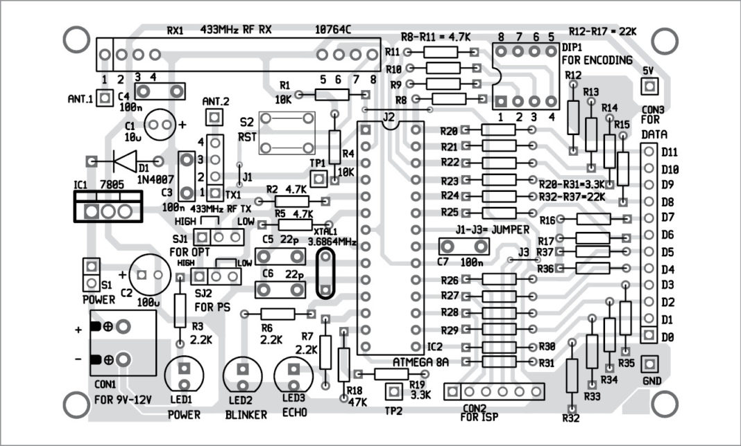
From www.electronicsforu.com
RFBased 12Bit Signal Transmitter And Receiver How To Make A Signal Transmitter And Receiver — here we will learn the basics of rf module and how to use it as a standalone rf transmitter and receiver. In short term, radio frequency (rf) refers to the rate of oscillation of electromagnetic radio waves in the range. A complete block diagram guide. — make your very own transmitter and receiver! This tutorial provides an. How To Make A Signal Transmitter And Receiver.
From schematicenginedrechsler.z19.web.core.windows.net
Circuit Diagram Of Transmitter And Receiver How To Make A Signal Transmitter And Receiver In short term, radio frequency (rf) refers to the rate of oscillation of electromagnetic radio waves in the range. This tutorial provides an excellent introduction to building a simple digital communication system. — here we will learn the basics of rf module and how to use it as a standalone rf transmitter and receiver. Here we have explained the. How To Make A Signal Transmitter And Receiver.
From www.circuitdiagram.co
Simple Rf Transmitter And Receiver Circuit Circuit Diagram How To Make A Signal Transmitter And Receiver Here we have explained the rf. It is also a lot of fun. how to build a simple radio transmitter circuit: — here we will learn the basics of rf module and how to use it as a standalone rf transmitter and receiver. An rf (radio frequency) transmitter and receiver. how to build an rf transmitter and. How To Make A Signal Transmitter And Receiver.
From www.youtube.com
How to make an Arduinobased Transmitter YouTube How To Make A Signal Transmitter And Receiver — make your very own transmitter and receiver! — here we will learn the basics of rf module and how to use it as a standalone rf transmitter and receiver. how to build an rf transmitter and receiver: If you are interested in building your own radio. An rf (radio frequency) transmitter and receiver. A complete block. How To Make A Signal Transmitter And Receiver.
From techatronic.com
RF transmitter and receiver with Arduino RF 433 Module Techatronic How To Make A Signal Transmitter And Receiver how to build a simple radio transmitter circuit: — here we will learn the basics of rf module and how to use it as a standalone rf transmitter and receiver. — make your very own transmitter and receiver! how to build an rf transmitter and receiver: If you are interested in building your own radio. It. How To Make A Signal Transmitter And Receiver.
From guideassolantaal.z14.web.core.windows.net
Transmitter And Receiver Circuit Diagram How To Make A Signal Transmitter And Receiver — make your very own transmitter and receiver! how to build an rf transmitter and receiver: — here we will learn the basics of rf module and how to use it as a standalone rf transmitter and receiver. This tutorial provides an excellent introduction to building a simple digital communication system. — building a simple transmitter. How To Make A Signal Transmitter And Receiver.
From www.youtube.com
How to make RF (433mhz)Transmitter and Receiver circuit with NPN How To Make A Signal Transmitter And Receiver — building a simple transmitter and receiver is the quickest way to get started on your journey into the world of rf. An rf (radio frequency) transmitter and receiver. This tutorial provides an excellent introduction to building a simple digital communication system. — here we will learn the basics of rf module and how to use it as. How To Make A Signal Transmitter And Receiver.
From freakengineer.com
433MHz RF Transmitter and Receiver Circuit » Freak Engineer How To Make A Signal Transmitter And Receiver — make your very own transmitter and receiver! how to build a simple radio transmitter circuit: An rf (radio frequency) transmitter and receiver. — here we will learn the basics of rf module and how to use it as a standalone rf transmitter and receiver. Here we have explained the rf. If you are interested in building. How To Make A Signal Transmitter And Receiver.
From www.instructables.com
How to Make FM Transmitter 5 Steps (with Pictures) Instructables How To Make A Signal Transmitter And Receiver An rf (radio frequency) transmitter and receiver. It is also a lot of fun. A complete block diagram guide. — building a simple transmitter and receiver is the quickest way to get started on your journey into the world of rf. how to build an rf transmitter and receiver: Here we have explained the rf. If you are. How To Make A Signal Transmitter And Receiver.
From almosthomebiz.com
How to make 6 channel transmitter and receiver? Almost Home Biz How To Make A Signal Transmitter And Receiver An rf (radio frequency) transmitter and receiver. It is also a lot of fun. This tutorial provides an excellent introduction to building a simple digital communication system. Here we have explained the rf. how to build an rf transmitter and receiver: how to build a simple radio transmitter circuit: If you are interested in building your own radio.. How To Make A Signal Transmitter And Receiver.
From wiringenginemoench.z13.web.core.windows.net
Av Transmitter And Receiver Circuit Diagram How To Make A Signal Transmitter And Receiver A complete block diagram guide. — here we will learn the basics of rf module and how to use it as a standalone rf transmitter and receiver. It is also a lot of fun. — building a simple transmitter and receiver is the quickest way to get started on your journey into the world of rf. how. How To Make A Signal Transmitter And Receiver.
From www.onesdr.com
How to make a Really Simple Radio Transmitter and Receiver OneSDR A How To Make A Signal Transmitter And Receiver Here we have explained the rf. — here we will learn the basics of rf module and how to use it as a standalone rf transmitter and receiver. — make your very own transmitter and receiver! This tutorial provides an excellent introduction to building a simple digital communication system. If you are interested in building your own radio.. How To Make A Signal Transmitter And Receiver.
From almosthomebiz.com
How to make 6 channel transmitter and receiver? Almost Home Biz How To Make A Signal Transmitter And Receiver A complete block diagram guide. If you are interested in building your own radio. In short term, radio frequency (rf) refers to the rate of oscillation of electromagnetic radio waves in the range. — building a simple transmitter and receiver is the quickest way to get started on your journey into the world of rf. This tutorial provides an. How To Make A Signal Transmitter And Receiver.
From www.youtube.com
Building a Super Simple AM Radio Transmitter & Receiver! Keeping How To Make A Signal Transmitter And Receiver — building a simple transmitter and receiver is the quickest way to get started on your journey into the world of rf. This tutorial provides an excellent introduction to building a simple digital communication system. It is also a lot of fun. In short term, radio frequency (rf) refers to the rate of oscillation of electromagnetic radio waves in. How To Make A Signal Transmitter And Receiver.
From www.electronicsforu.com
RFBased 12Bit Signal Transmitter And Receiver How To Make A Signal Transmitter And Receiver This tutorial provides an excellent introduction to building a simple digital communication system. how to build an rf transmitter and receiver: — here we will learn the basics of rf module and how to use it as a standalone rf transmitter and receiver. how to build a simple radio transmitter circuit: — make your very own. How To Make A Signal Transmitter And Receiver.
From www.youtube.com
7 Channel Drone Transmitter and Receiver (Make Yourself) YouTube How To Make A Signal Transmitter And Receiver A complete block diagram guide. how to build an rf transmitter and receiver: — make your very own transmitter and receiver! If you are interested in building your own radio. — building a simple transmitter and receiver is the quickest way to get started on your journey into the world of rf. — here we will. How To Make A Signal Transmitter And Receiver.
From www.youtube.com
DIY How To Make 433Mhz RF Remote Switch Wireless Control One How To Make A Signal Transmitter And Receiver Here we have explained the rf. how to build a simple radio transmitter circuit: If you are interested in building your own radio. An rf (radio frequency) transmitter and receiver. It is also a lot of fun. — here we will learn the basics of rf module and how to use it as a standalone rf transmitter and. How To Make A Signal Transmitter And Receiver.
From circuits-diy.com
Simple FM Transmitter Circuit using 2n3904 Transistor How To Make A Signal Transmitter And Receiver This tutorial provides an excellent introduction to building a simple digital communication system. — make your very own transmitter and receiver! — here we will learn the basics of rf module and how to use it as a standalone rf transmitter and receiver. An rf (radio frequency) transmitter and receiver. It is also a lot of fun. . How To Make A Signal Transmitter And Receiver.
From www.youtube.com
How to make a transmitter and receiver! Happy Building! YouTube How To Make A Signal Transmitter And Receiver — building a simple transmitter and receiver is the quickest way to get started on your journey into the world of rf. If you are interested in building your own radio. It is also a lot of fun. A complete block diagram guide. Here we have explained the rf. In short term, radio frequency (rf) refers to the rate. How To Make A Signal Transmitter And Receiver.
From www.instructables.com
Wireless Power Transmitter and Receiver 6 Steps Instructables How To Make A Signal Transmitter And Receiver If you are interested in building your own radio. In short term, radio frequency (rf) refers to the rate of oscillation of electromagnetic radio waves in the range. This tutorial provides an excellent introduction to building a simple digital communication system. — here we will learn the basics of rf module and how to use it as a standalone. How To Make A Signal Transmitter And Receiver.
From kingstudio1993.blogspot.com
How to make RF (433mhz)Transmitter and Receiver circuit with NPN Transistor How To Make A Signal Transmitter And Receiver If you are interested in building your own radio. how to build an rf transmitter and receiver: This tutorial provides an excellent introduction to building a simple digital communication system. A complete block diagram guide. An rf (radio frequency) transmitter and receiver. — make your very own transmitter and receiver! how to build a simple radio transmitter. How To Make A Signal Transmitter And Receiver.
From www.youtube.com
How to Make long range transmitter & Receiver circuit long range RF How To Make A Signal Transmitter And Receiver If you are interested in building your own radio. Here we have explained the rf. how to build an rf transmitter and receiver: An rf (radio frequency) transmitter and receiver. — make your very own transmitter and receiver! A complete block diagram guide. — building a simple transmitter and receiver is the quickest way to get started. How To Make A Signal Transmitter And Receiver.
From exobumqvw.blob.core.windows.net
Transmitter Receiver Circuit at Levi Geis blog How To Make A Signal Transmitter And Receiver Here we have explained the rf. how to build a simple radio transmitter circuit: — here we will learn the basics of rf module and how to use it as a standalone rf transmitter and receiver. This tutorial provides an excellent introduction to building a simple digital communication system. — building a simple transmitter and receiver is. How To Make A Signal Transmitter And Receiver.
From www.electronics-lab.com
Using the 433MHz RF Transmitter and Receiver with Arduino Electronics How To Make A Signal Transmitter And Receiver This tutorial provides an excellent introduction to building a simple digital communication system. Here we have explained the rf. If you are interested in building your own radio. how to build an rf transmitter and receiver: A complete block diagram guide. — building a simple transmitter and receiver is the quickest way to get started on your journey. How To Make A Signal Transmitter And Receiver.
From techatronic.com
RF transmitter and receiver with Arduino RF 433 Module Techatronic How To Make A Signal Transmitter And Receiver — here we will learn the basics of rf module and how to use it as a standalone rf transmitter and receiver. — building a simple transmitter and receiver is the quickest way to get started on your journey into the world of rf. how to build an rf transmitter and receiver: In short term, radio frequency. How To Make A Signal Transmitter And Receiver.
From www.youtube.com
How to make easily 8 channel wireless transmitters and receiver YouTube How To Make A Signal Transmitter And Receiver A complete block diagram guide. — make your very own transmitter and receiver! In short term, radio frequency (rf) refers to the rate of oscillation of electromagnetic radio waves in the range. An rf (radio frequency) transmitter and receiver. — building a simple transmitter and receiver is the quickest way to get started on your journey into the. How To Make A Signal Transmitter And Receiver.
From www.youtube.com
how to make fm transmitter Super Simple FM Transmitter YouTube How To Make A Signal Transmitter And Receiver This tutorial provides an excellent introduction to building a simple digital communication system. how to build a simple radio transmitter circuit: An rf (radio frequency) transmitter and receiver. — make your very own transmitter and receiver! In short term, radio frequency (rf) refers to the rate of oscillation of electromagnetic radio waves in the range. Here we have. How To Make A Signal Transmitter And Receiver.
From www.circuitbasics.com
How to Build an FM Transmitter Circuit Basics How To Make A Signal Transmitter And Receiver — make your very own transmitter and receiver! how to build an rf transmitter and receiver: — building a simple transmitter and receiver is the quickest way to get started on your journey into the world of rf. It is also a lot of fun. how to build a simple radio transmitter circuit: An rf (radio. How To Make A Signal Transmitter And Receiver.
From exoumifra.blob.core.windows.net
Simple Radio Transmitter And Receiver Circuit at Alex er blog How To Make A Signal Transmitter And Receiver how to build a simple radio transmitter circuit: how to build an rf transmitter and receiver: This tutorial provides an excellent introduction to building a simple digital communication system. — building a simple transmitter and receiver is the quickest way to get started on your journey into the world of rf. An rf (radio frequency) transmitter and. How To Make A Signal Transmitter And Receiver.
From www.electronicsforu.com
FM Transmitter Circuit For Broadcasting Full DIY Project How To Make A Signal Transmitter And Receiver If you are interested in building your own radio. It is also a lot of fun. Here we have explained the rf. An rf (radio frequency) transmitter and receiver. A complete block diagram guide. how to build a simple radio transmitter circuit: — building a simple transmitter and receiver is the quickest way to get started on your. How To Make A Signal Transmitter And Receiver.
From www.wiringway.com
How To Build A 1 Watt Am Cw Transmitter Circuit Wiring Way How To Make A Signal Transmitter And Receiver — here we will learn the basics of rf module and how to use it as a standalone rf transmitter and receiver. This tutorial provides an excellent introduction to building a simple digital communication system. how to build an rf transmitter and receiver: — make your very own transmitter and receiver! In short term, radio frequency (rf). How To Make A Signal Transmitter And Receiver.
From www.circuits-diy.com
IR Transmitter and Receiver How To Make A Signal Transmitter And Receiver Here we have explained the rf. An rf (radio frequency) transmitter and receiver. — building a simple transmitter and receiver is the quickest way to get started on your journey into the world of rf. If you are interested in building your own radio. how to build a simple radio transmitter circuit: It is also a lot of. How To Make A Signal Transmitter And Receiver.
From www.youtube.com
how to make, transmitter and receiver control circuit , jlcpcb YouTube How To Make A Signal Transmitter And Receiver — here we will learn the basics of rf module and how to use it as a standalone rf transmitter and receiver. how to build an rf transmitter and receiver: This tutorial provides an excellent introduction to building a simple digital communication system. An rf (radio frequency) transmitter and receiver. — make your very own transmitter and. How To Make A Signal Transmitter And Receiver.
From circuitdigest.com
IR based Wireless Audio Transmitter and Receiver Circuit How To Make A Signal Transmitter And Receiver This tutorial provides an excellent introduction to building a simple digital communication system. — building a simple transmitter and receiver is the quickest way to get started on your journey into the world of rf. An rf (radio frequency) transmitter and receiver. It is also a lot of fun. — make your very own transmitter and receiver! . How To Make A Signal Transmitter And Receiver.