Vw Jetta Turn Signal Not Working . the most common reason for turn signals not working is a wiring problem. how to replace a burnt out front turn signal bulb on a 2010 volkswagen jetta tdi 2.0l 4 cyl. in this video tutorial we are going to show you why turn signals switch or hazard switch don't work and how to fix. how to replace a burnt out front turn signal bulb on a 2013 volkswagen jetta tdi 2.0l 4 cyl. This sounds like an ecm or bcm problem.if your certain the issue isn't fuses. (81golfcaddy) usually just one flasher relay and all the various modes (left, right or. I believe this will work on jettas 2000, 2001, 2002, 2003, 2004. how to replace a burnt out front turn signal bulb on a 2017 volkswagen jetta s 1.4l 4 cyl. Check to see if there is actually power at. you change the hazzard switch. This can be caused by a broken wire, a loose connection, or a short circuit.
from www.2040-parts.com
(81golfcaddy) usually just one flasher relay and all the various modes (left, right or. in this video tutorial we are going to show you why turn signals switch or hazard switch don't work and how to fix. you change the hazzard switch. I believe this will work on jettas 2000, 2001, 2002, 2003, 2004. This can be caused by a broken wire, a loose connection, or a short circuit. how to replace a burnt out front turn signal bulb on a 2013 volkswagen jetta tdi 2.0l 4 cyl. Check to see if there is actually power at. This sounds like an ecm or bcm problem.if your certain the issue isn't fuses. how to replace a burnt out front turn signal bulb on a 2017 volkswagen jetta s 1.4l 4 cyl. how to replace a burnt out front turn signal bulb on a 2010 volkswagen jetta tdi 2.0l 4 cyl.
Find Turn Signal Switch Stalk Arm Control VW Jetta Golf GTI With Cruise
Vw Jetta Turn Signal Not Working the most common reason for turn signals not working is a wiring problem. how to replace a burnt out front turn signal bulb on a 2017 volkswagen jetta s 1.4l 4 cyl. This sounds like an ecm or bcm problem.if your certain the issue isn't fuses. how to replace a burnt out front turn signal bulb on a 2013 volkswagen jetta tdi 2.0l 4 cyl. you change the hazzard switch. Check to see if there is actually power at. I believe this will work on jettas 2000, 2001, 2002, 2003, 2004. in this video tutorial we are going to show you why turn signals switch or hazard switch don't work and how to fix. how to replace a burnt out front turn signal bulb on a 2010 volkswagen jetta tdi 2.0l 4 cyl. the most common reason for turn signals not working is a wiring problem. (81golfcaddy) usually just one flasher relay and all the various modes (left, right or. This can be caused by a broken wire, a loose connection, or a short circuit.
From www.benl.ebay.be
VW Jetta Turn Signal Switch Stalk MK5 0609 OEM 1K0 953 513 G eBay Vw Jetta Turn Signal Not Working This sounds like an ecm or bcm problem.if your certain the issue isn't fuses. in this video tutorial we are going to show you why turn signals switch or hazard switch don't work and how to fix. you change the hazzard switch. This can be caused by a broken wire, a loose connection, or a short circuit. I. Vw Jetta Turn Signal Not Working.
From www.2040-parts.com
Buy Volkswagen Golf Jetta Turn Signal Stalk OEM in Roanoke, Virginia Vw Jetta Turn Signal Not Working Check to see if there is actually power at. you change the hazzard switch. This sounds like an ecm or bcm problem.if your certain the issue isn't fuses. the most common reason for turn signals not working is a wiring problem. how to replace a burnt out front turn signal bulb on a 2017 volkswagen jetta s. Vw Jetta Turn Signal Not Working.
From www.servicetutorials.com
VW Golf Mk4, Jetta, Bora Turn Signals Don't Work. How to fix it! Vw Jetta Turn Signal Not Working in this video tutorial we are going to show you why turn signals switch or hazard switch don't work and how to fix. how to replace a burnt out front turn signal bulb on a 2010 volkswagen jetta tdi 2.0l 4 cyl. how to replace a burnt out front turn signal bulb on a 2013 volkswagen jetta. Vw Jetta Turn Signal Not Working.
From wiringguidevrouws.z13.web.core.windows.net
2009 Jetta Fuse Box Diagram Relays Vw Jetta Turn Signal Not Working (81golfcaddy) usually just one flasher relay and all the various modes (left, right or. This can be caused by a broken wire, a loose connection, or a short circuit. how to replace a burnt out front turn signal bulb on a 2010 volkswagen jetta tdi 2.0l 4 cyl. how to replace a burnt out front turn signal bulb. Vw Jetta Turn Signal Not Working.
From www.vwvortex.com
2010 VW Jetta Mirror turn signal works only in ACC mode VW Vortex Vw Jetta Turn Signal Not Working how to replace a burnt out front turn signal bulb on a 2013 volkswagen jetta tdi 2.0l 4 cyl. you change the hazzard switch. I believe this will work on jettas 2000, 2001, 2002, 2003, 2004. This sounds like an ecm or bcm problem.if your certain the issue isn't fuses. (81golfcaddy) usually just one flasher relay and all. Vw Jetta Turn Signal Not Working.
From www.youtube.com
JETTA 1K TURN SIGNALS MODE US YouTube Vw Jetta Turn Signal Not Working This can be caused by a broken wire, a loose connection, or a short circuit. This sounds like an ecm or bcm problem.if your certain the issue isn't fuses. I believe this will work on jettas 2000, 2001, 2002, 2003, 2004. how to replace a burnt out front turn signal bulb on a 2013 volkswagen jetta tdi 2.0l 4. Vw Jetta Turn Signal Not Working.
From www.justanswer.com
I need the location of the turn signal for a 2002 vw jetta Vw Jetta Turn Signal Not Working This can be caused by a broken wire, a loose connection, or a short circuit. how to replace a burnt out front turn signal bulb on a 2017 volkswagen jetta s 1.4l 4 cyl. you change the hazzard switch. Check to see if there is actually power at. the most common reason for turn signals not working. Vw Jetta Turn Signal Not Working.
From www.vwvortex.com
FSNA smoked jetta turn signals VW Vortex Volkswagen Forum Vw Jetta Turn Signal Not Working in this video tutorial we are going to show you why turn signals switch or hazard switch don't work and how to fix. (81golfcaddy) usually just one flasher relay and all the various modes (left, right or. how to replace a burnt out front turn signal bulb on a 2013 volkswagen jetta tdi 2.0l 4 cyl. you. Vw Jetta Turn Signal Not Working.
From www.2040-parts.com
Find 9905 VW Jetta Turn Signal Windshield Wiper Switch Stalk Vw Jetta Turn Signal Not Working Check to see if there is actually power at. This can be caused by a broken wire, a loose connection, or a short circuit. the most common reason for turn signals not working is a wiring problem. I believe this will work on jettas 2000, 2001, 2002, 2003, 2004. how to replace a burnt out front turn signal. Vw Jetta Turn Signal Not Working.
From www.benl.ebay.be
VW Jetta Turn Signal Switch Stalk MK5 0609 OEM 1K0 953 513 G eBay Vw Jetta Turn Signal Not Working how to replace a burnt out front turn signal bulb on a 2017 volkswagen jetta s 1.4l 4 cyl. I believe this will work on jettas 2000, 2001, 2002, 2003, 2004. how to replace a burnt out front turn signal bulb on a 2010 volkswagen jetta tdi 2.0l 4 cyl. Check to see if there is actually power. Vw Jetta Turn Signal Not Working.
From www.2carpros.com
Turn Signals and Hazard Lights Dont Go On Vw Jetta Turn Signal Not Working This sounds like an ecm or bcm problem.if your certain the issue isn't fuses. how to replace a burnt out front turn signal bulb on a 2010 volkswagen jetta tdi 2.0l 4 cyl. how to replace a burnt out front turn signal bulb on a 2017 volkswagen jetta s 1.4l 4 cyl. you change the hazzard switch.. Vw Jetta Turn Signal Not Working.
From www.aliexpress.com
New Turn Signal Indicator Unit Switch For VW Golf Jetta Passat Beetle Vw Jetta Turn Signal Not Working I believe this will work on jettas 2000, 2001, 2002, 2003, 2004. how to replace a burnt out front turn signal bulb on a 2013 volkswagen jetta tdi 2.0l 4 cyl. how to replace a burnt out front turn signal bulb on a 2010 volkswagen jetta tdi 2.0l 4 cyl. (81golfcaddy) usually just one flasher relay and all. Vw Jetta Turn Signal Not Working.
From www.youtube.com
VW Golf Jetta Turn Signal Arm Removal Simple Easy Steps YouTube Vw Jetta Turn Signal Not Working how to replace a burnt out front turn signal bulb on a 2017 volkswagen jetta s 1.4l 4 cyl. how to replace a burnt out front turn signal bulb on a 2010 volkswagen jetta tdi 2.0l 4 cyl. you change the hazzard switch. This can be caused by a broken wire, a loose connection, or a short. Vw Jetta Turn Signal Not Working.
From www.pinterest.com
201518 VW VOLKSWAGEN JETTA TURN SIGNAL SWITCH WINDSHIELD WIPER OEM ⭐ Vw Jetta Turn Signal Not Working Check to see if there is actually power at. in this video tutorial we are going to show you why turn signals switch or hazard switch don't work and how to fix. how to replace a burnt out front turn signal bulb on a 2010 volkswagen jetta tdi 2.0l 4 cyl. how to replace a burnt out. Vw Jetta Turn Signal Not Working.
From www.youtube.com
MK6 Jetta LED Front Turn Signal Blinker Installation HowTo YouTube Vw Jetta Turn Signal Not Working (81golfcaddy) usually just one flasher relay and all the various modes (left, right or. how to replace a burnt out front turn signal bulb on a 2010 volkswagen jetta tdi 2.0l 4 cyl. Check to see if there is actually power at. in this video tutorial we are going to show you why turn signals switch or hazard. Vw Jetta Turn Signal Not Working.
From parts.vw.com
Volkswagen Jetta Turn Signal Light Bulb N91125901 Genuine Vw Jetta Turn Signal Not Working in this video tutorial we are going to show you why turn signals switch or hazard switch don't work and how to fix. This can be caused by a broken wire, a loose connection, or a short circuit. how to replace a burnt out front turn signal bulb on a 2010 volkswagen jetta tdi 2.0l 4 cyl. . Vw Jetta Turn Signal Not Working.
From diy-auto-repair.wonderhowto.com
How to Replace the Front Turn Signal Light on Your 9398 Volkswagen Vw Jetta Turn Signal Not Working how to replace a burnt out front turn signal bulb on a 2013 volkswagen jetta tdi 2.0l 4 cyl. I believe this will work on jettas 2000, 2001, 2002, 2003, 2004. you change the hazzard switch. the most common reason for turn signals not working is a wiring problem. how to replace a burnt out front. Vw Jetta Turn Signal Not Working.
From carparts4sale.com
Turn Signal Cruise Control Switch Stalk 0508 VW Jetta Rabbit GTI 8P0 Vw Jetta Turn Signal Not Working (81golfcaddy) usually just one flasher relay and all the various modes (left, right or. in this video tutorial we are going to show you why turn signals switch or hazard switch don't work and how to fix. This sounds like an ecm or bcm problem.if your certain the issue isn't fuses. I believe this will work on jettas 2000,. Vw Jetta Turn Signal Not Working.
From www.youtube.com
TailLights LED Volkswagen Jetta Mk6 VI 2012 Up Sequential Turn Signals Vw Jetta Turn Signal Not Working This can be caused by a broken wire, a loose connection, or a short circuit. you change the hazzard switch. the most common reason for turn signals not working is a wiring problem. (81golfcaddy) usually just one flasher relay and all the various modes (left, right or. I believe this will work on jettas 2000, 2001, 2002, 2003,. Vw Jetta Turn Signal Not Working.
From www.autohausaz.com
VW Jetta Turn Signal Switch Parts Vw Jetta Turn Signal Not Working how to replace a burnt out front turn signal bulb on a 2017 volkswagen jetta s 1.4l 4 cyl. you change the hazzard switch. how to replace a burnt out front turn signal bulb on a 2010 volkswagen jetta tdi 2.0l 4 cyl. the most common reason for turn signals not working is a wiring problem.. Vw Jetta Turn Signal Not Working.
From circuithoneybloodb6.z14.web.core.windows.net
Volkswagen Jetta Radio Wiring Color Code Vw Jetta Turn Signal Not Working how to replace a burnt out front turn signal bulb on a 2010 volkswagen jetta tdi 2.0l 4 cyl. in this video tutorial we are going to show you why turn signals switch or hazard switch don't work and how to fix. you change the hazzard switch. I believe this will work on jettas 2000, 2001, 2002,. Vw Jetta Turn Signal Not Working.
From www.servicetutorials.com
How to install VW Golf MK6, GTI Jetta dynamic blinker side mirror indicator Vw Jetta Turn Signal Not Working This can be caused by a broken wire, a loose connection, or a short circuit. you change the hazzard switch. in this video tutorial we are going to show you why turn signals switch or hazard switch don't work and how to fix. Check to see if there is actually power at. (81golfcaddy) usually just one flasher relay. Vw Jetta Turn Signal Not Working.
From gioxxvcwy.blob.core.windows.net
Vw Jetta Interior Lights Not Working at Michele Hayes blog Vw Jetta Turn Signal Not Working This can be caused by a broken wire, a loose connection, or a short circuit. you change the hazzard switch. Check to see if there is actually power at. how to replace a burnt out front turn signal bulb on a 2010 volkswagen jetta tdi 2.0l 4 cyl. the most common reason for turn signals not working. Vw Jetta Turn Signal Not Working.
From www.2040-parts.com
Find Turn Signal Switch Stalk Arm Control VW Jetta Golf GTI With Cruise Vw Jetta Turn Signal Not Working how to replace a burnt out front turn signal bulb on a 2013 volkswagen jetta tdi 2.0l 4 cyl. Check to see if there is actually power at. This sounds like an ecm or bcm problem.if your certain the issue isn't fuses. you change the hazzard switch. how to replace a burnt out front turn signal bulb. Vw Jetta Turn Signal Not Working.
From www.partsplaceinc.com
VW MK2 Jetta Turn Signal Assembly Free Tech Help Vw Jetta Turn Signal Not Working This sounds like an ecm or bcm problem.if your certain the issue isn't fuses. how to replace a burnt out front turn signal bulb on a 2013 volkswagen jetta tdi 2.0l 4 cyl. how to replace a burnt out front turn signal bulb on a 2010 volkswagen jetta tdi 2.0l 4 cyl. you change the hazzard switch.. Vw Jetta Turn Signal Not Working.
From www.autopartskart.com
2007 Volkswagen Jetta Turn Signal Switch Vw Jetta Turn Signal Not Working I believe this will work on jettas 2000, 2001, 2002, 2003, 2004. how to replace a burnt out front turn signal bulb on a 2010 volkswagen jetta tdi 2.0l 4 cyl. the most common reason for turn signals not working is a wiring problem. (81golfcaddy) usually just one flasher relay and all the various modes (left, right or.. Vw Jetta Turn Signal Not Working.
From mechanicarreronugrl5.z14.web.core.windows.net
Turn Signals Not Working But Hazards Do Vw Jetta Turn Signal Not Working how to replace a burnt out front turn signal bulb on a 2013 volkswagen jetta tdi 2.0l 4 cyl. you change the hazzard switch. I believe this will work on jettas 2000, 2001, 2002, 2003, 2004. in this video tutorial we are going to show you why turn signals switch or hazard switch don't work and how. Vw Jetta Turn Signal Not Working.
From www.benl.ebay.be
VW Jetta Turn Signal Switch Stalk MK5 0609 OEM 1K0 953 513 G eBay Vw Jetta Turn Signal Not Working (81golfcaddy) usually just one flasher relay and all the various modes (left, right or. the most common reason for turn signals not working is a wiring problem. This can be caused by a broken wire, a loose connection, or a short circuit. I believe this will work on jettas 2000, 2001, 2002, 2003, 2004. in this video tutorial. Vw Jetta Turn Signal Not Working.
From www.ebay.ca
VW Jetta Left Front Bumper Turn Signal Light MK3 19931999 Golf Cabrio Vw Jetta Turn Signal Not Working the most common reason for turn signals not working is a wiring problem. how to replace a burnt out front turn signal bulb on a 2010 volkswagen jetta tdi 2.0l 4 cyl. how to replace a burnt out front turn signal bulb on a 2017 volkswagen jetta s 1.4l 4 cyl. (81golfcaddy) usually just one flasher relay. Vw Jetta Turn Signal Not Working.
From www.ebay.com
Volkswagen Jetta Golf Passat turn signal column switch 8L0953513S eBay Vw Jetta Turn Signal Not Working how to replace a burnt out front turn signal bulb on a 2013 volkswagen jetta tdi 2.0l 4 cyl. you change the hazzard switch. in this video tutorial we are going to show you why turn signals switch or hazard switch don't work and how to fix. I believe this will work on jettas 2000, 2001, 2002,. Vw Jetta Turn Signal Not Working.
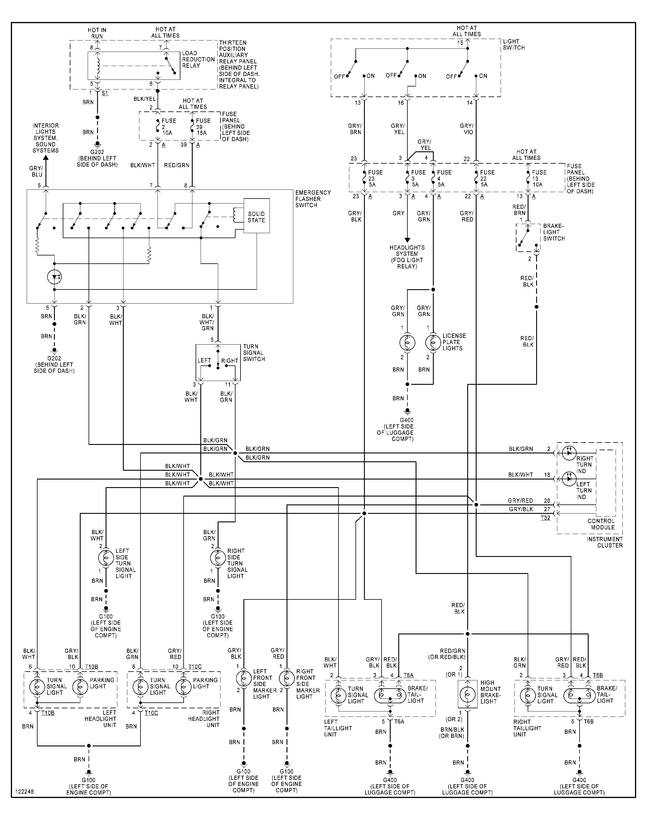
From diagrampanah.blogspot.com
1995 Vw Jetta Turn Signal Wiring Diagram diagram panah Vw Jetta Turn Signal Not Working This sounds like an ecm or bcm problem.if your certain the issue isn't fuses. how to replace a burnt out front turn signal bulb on a 2010 volkswagen jetta tdi 2.0l 4 cyl. Check to see if there is actually power at. This can be caused by a broken wire, a loose connection, or a short circuit. (81golfcaddy) usually. Vw Jetta Turn Signal Not Working.
From mechanics.stackexchange.com
2011 vw Jetta 2.5 turn signal Motor Vehicle Maintenance & Repair Vw Jetta Turn Signal Not Working you change the hazzard switch. how to replace a burnt out front turn signal bulb on a 2010 volkswagen jetta tdi 2.0l 4 cyl. (81golfcaddy) usually just one flasher relay and all the various modes (left, right or. Check to see if there is actually power at. how to replace a burnt out front turn signal bulb. Vw Jetta Turn Signal Not Working.
From faceitsalon.com
2007 Vw Jetta Left Side Turn Signal Light Color Code Wiring Diagram Vw Jetta Turn Signal Not Working in this video tutorial we are going to show you why turn signals switch or hazard switch don't work and how to fix. This can be caused by a broken wire, a loose connection, or a short circuit. you change the hazzard switch. This sounds like an ecm or bcm problem.if your certain the issue isn't fuses. (81golfcaddy). Vw Jetta Turn Signal Not Working.
From www.2040-parts.com
Buy 9398 Volkswagen Jetta Golf Cabrio Turn Signal Switch W/ Cruise Vw Jetta Turn Signal Not Working This can be caused by a broken wire, a loose connection, or a short circuit. you change the hazzard switch. This sounds like an ecm or bcm problem.if your certain the issue isn't fuses. (81golfcaddy) usually just one flasher relay and all the various modes (left, right or. Check to see if there is actually power at. I believe. Vw Jetta Turn Signal Not Working.
From www.benl.ebay.be
VW Jetta Turn Signal Switch Stalk MK5 0609 OEM 1K0 953 513 G eBay Vw Jetta Turn Signal Not Working (81golfcaddy) usually just one flasher relay and all the various modes (left, right or. I believe this will work on jettas 2000, 2001, 2002, 2003, 2004. This sounds like an ecm or bcm problem.if your certain the issue isn't fuses. how to replace a burnt out front turn signal bulb on a 2013 volkswagen jetta tdi 2.0l 4 cyl.. Vw Jetta Turn Signal Not Working.