Home Automation Using Tv Remote Control . Allows you to control an android tv and. This document describes a home automation project using an arduino uno board and a tv remote control. Android tv remote the android tv remote integration integrations connect and integrate home assistant with your devices, services, and more. The smart tv standards are very fragmented and universal tv remotes are slowly disappearing, but thanks to home assistant, you. Tired of juggling remotes and navigating through endless menus just to watch your favorite show? By automating your tv, you'll be able to control it via your smartphone, voice commands, or even a custom remote. A single remote control is used to operate four appliances or loads. This tsop1738 sensor can sense 38khz frequency signal. Home automation systems that are already available in the market,. Automating your tv transforms it into a central piece of your smart home, offering. Here in this project we control home appliances using ir tv remote. How to use a tv remote to make home automation system? For detecting ir remote signal, we use tsop1738 ir receiver.
from create.arduino.cc
How to use a tv remote to make home automation system? Allows you to control an android tv and. Automating your tv transforms it into a central piece of your smart home, offering. Tired of juggling remotes and navigating through endless menus just to watch your favorite show? Here in this project we control home appliances using ir tv remote. The smart tv standards are very fragmented and universal tv remotes are slowly disappearing, but thanks to home assistant, you. By automating your tv, you'll be able to control it via your smartphone, voice commands, or even a custom remote. For detecting ir remote signal, we use tsop1738 ir receiver. Home automation systems that are already available in the market,. This tsop1738 sensor can sense 38khz frequency signal.
Home Automation Arduino Project Hub
Home Automation Using Tv Remote Control This tsop1738 sensor can sense 38khz frequency signal. A single remote control is used to operate four appliances or loads. This tsop1738 sensor can sense 38khz frequency signal. Android tv remote the android tv remote integration integrations connect and integrate home assistant with your devices, services, and more. The smart tv standards are very fragmented and universal tv remotes are slowly disappearing, but thanks to home assistant, you. How to use a tv remote to make home automation system? This document describes a home automation project using an arduino uno board and a tv remote control. By automating your tv, you'll be able to control it via your smartphone, voice commands, or even a custom remote. Allows you to control an android tv and. Home automation systems that are already available in the market,. Tired of juggling remotes and navigating through endless menus just to watch your favorite show? Here in this project we control home appliances using ir tv remote. For detecting ir remote signal, we use tsop1738 ir receiver. Automating your tv transforms it into a central piece of your smart home, offering.
From www.youtube.com
How to make Arduino based Home Appliance Control Using Android Home Automation Using Tv Remote Control Tired of juggling remotes and navigating through endless menus just to watch your favorite show? A single remote control is used to operate four appliances or loads. Automating your tv transforms it into a central piece of your smart home, offering. This tsop1738 sensor can sense 38khz frequency signal. The smart tv standards are very fragmented and universal tv remotes. Home Automation Using Tv Remote Control.
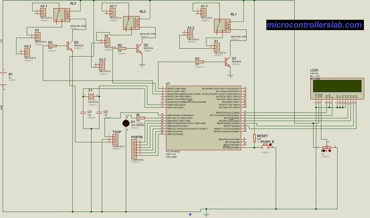
From microcontrollerslab.com
Tv remote controlled home automation system using pic microcontroller Home Automation Using Tv Remote Control This tsop1738 sensor can sense 38khz frequency signal. For detecting ir remote signal, we use tsop1738 ir receiver. Automating your tv transforms it into a central piece of your smart home, offering. Android tv remote the android tv remote integration integrations connect and integrate home assistant with your devices, services, and more. A single remote control is used to operate. Home Automation Using Tv Remote Control.
From pic-microcontroller.com
Tv remote controlled home automation system Home Automation Using Tv Remote Control For detecting ir remote signal, we use tsop1738 ir receiver. Tired of juggling remotes and navigating through endless menus just to watch your favorite show? This document describes a home automation project using an arduino uno board and a tv remote control. Here in this project we control home appliances using ir tv remote. This tsop1738 sensor can sense 38khz. Home Automation Using Tv Remote Control.
From www.designandmain.com
Home Automation Design + Main Home Automation Using Tv Remote Control Automating your tv transforms it into a central piece of your smart home, offering. Tired of juggling remotes and navigating through endless menus just to watch your favorite show? By automating your tv, you'll be able to control it via your smartphone, voice commands, or even a custom remote. Here in this project we control home appliances using ir tv. Home Automation Using Tv Remote Control.
From reviwblog.netlify.app
37++ Diy home automation using arduino info Home Automation Using Tv Remote Control Automating your tv transforms it into a central piece of your smart home, offering. Allows you to control an android tv and. A single remote control is used to operate four appliances or loads. Tired of juggling remotes and navigating through endless menus just to watch your favorite show? For detecting ir remote signal, we use tsop1738 ir receiver. This. Home Automation Using Tv Remote Control.
From www.pantechsolutions.net
Arduino based home automation Home Automation Using Tv Remote Control Automating your tv transforms it into a central piece of your smart home, offering. Here in this project we control home appliances using ir tv remote. By automating your tv, you'll be able to control it via your smartphone, voice commands, or even a custom remote. Android tv remote the android tv remote integration integrations connect and integrate home assistant. Home Automation Using Tv Remote Control.
From www.dreamstime.com
Remote home control stock image. Image of horizontal 31820301 Home Automation Using Tv Remote Control Tired of juggling remotes and navigating through endless menus just to watch your favorite show? Allows you to control an android tv and. By automating your tv, you'll be able to control it via your smartphone, voice commands, or even a custom remote. This tsop1738 sensor can sense 38khz frequency signal. How to use a tv remote to make home. Home Automation Using Tv Remote Control.
From www.researchgate.net
The concept of the Wireless Home Automation System (WHAS) using IoT Home Automation Using Tv Remote Control This tsop1738 sensor can sense 38khz frequency signal. By automating your tv, you'll be able to control it via your smartphone, voice commands, or even a custom remote. This document describes a home automation project using an arduino uno board and a tv remote control. How to use a tv remote to make home automation system? The smart tv standards. Home Automation Using Tv Remote Control.
From smarthomeworks.com.au
Smart Home What Is Voice Controlled Home Automation? Home Automation Using Tv Remote Control This tsop1738 sensor can sense 38khz frequency signal. Allows you to control an android tv and. By automating your tv, you'll be able to control it via your smartphone, voice commands, or even a custom remote. This document describes a home automation project using an arduino uno board and a tv remote control. Tired of juggling remotes and navigating through. Home Automation Using Tv Remote Control.
From flagshipav.com
Universal Remotes For Home Automation Flagship Audio Video Home Automation Using Tv Remote Control For detecting ir remote signal, we use tsop1738 ir receiver. Automating your tv transforms it into a central piece of your smart home, offering. Tired of juggling remotes and navigating through endless menus just to watch your favorite show? Android tv remote the android tv remote integration integrations connect and integrate home assistant with your devices, services, and more. This. Home Automation Using Tv Remote Control.
From www.youtube.com
Home Automation Using TV Remote Controller (IRInfrared Remote Control Home Automation Using Tv Remote Control Tired of juggling remotes and navigating through endless menus just to watch your favorite show? How to use a tv remote to make home automation system? Automating your tv transforms it into a central piece of your smart home, offering. Allows you to control an android tv and. Android tv remote the android tv remote integration integrations connect and integrate. Home Automation Using Tv Remote Control.
From achievalife.com
Smart home control technology. Remote automation system on mobile Home Automation Using Tv Remote Control This tsop1738 sensor can sense 38khz frequency signal. Android tv remote the android tv remote integration integrations connect and integrate home assistant with your devices, services, and more. Here in this project we control home appliances using ir tv remote. Automating your tv transforms it into a central piece of your smart home, offering. Allows you to control an android. Home Automation Using Tv Remote Control.
From nevonprojects.com
TV Remote Controlled Home Automation PIC Home Automation Using Tv Remote Control A single remote control is used to operate four appliances or loads. By automating your tv, you'll be able to control it via your smartphone, voice commands, or even a custom remote. How to use a tv remote to make home automation system? For detecting ir remote signal, we use tsop1738 ir receiver. Allows you to control an android tv. Home Automation Using Tv Remote Control.
From nevonprojects.com
TV Remote Controlled Home Automation PIC Home Automation Using Tv Remote Control For detecting ir remote signal, we use tsop1738 ir receiver. Home automation systems that are already available in the market,. Tired of juggling remotes and navigating through endless menus just to watch your favorite show? Allows you to control an android tv and. Android tv remote the android tv remote integration integrations connect and integrate home assistant with your devices,. Home Automation Using Tv Remote Control.
From www.hackster.io
Tv Remote Controlled Home Automation Hackster.io Home Automation Using Tv Remote Control For detecting ir remote signal, we use tsop1738 ir receiver. This tsop1738 sensor can sense 38khz frequency signal. Home automation systems that are already available in the market,. Allows you to control an android tv and. Tired of juggling remotes and navigating through endless menus just to watch your favorite show? Android tv remote the android tv remote integration integrations. Home Automation Using Tv Remote Control.
From www.youtube.com
TV Remote Control Home Automation using PIC YouTube Home Automation Using Tv Remote Control For detecting ir remote signal, we use tsop1738 ir receiver. Tired of juggling remotes and navigating through endless menus just to watch your favorite show? This tsop1738 sensor can sense 38khz frequency signal. Home automation systems that are already available in the market,. Allows you to control an android tv and. The smart tv standards are very fragmented and universal. Home Automation Using Tv Remote Control.
From www.youtube.com
Home Automation using Home Assistant Over for FREE!! ESP32 Home Automation Using Tv Remote Control Allows you to control an android tv and. This tsop1738 sensor can sense 38khz frequency signal. How to use a tv remote to make home automation system? Android tv remote the android tv remote integration integrations connect and integrate home assistant with your devices, services, and more. Tired of juggling remotes and navigating through endless menus just to watch your. Home Automation Using Tv Remote Control.
From microcontrollerslab.com
IR Remote Controlled Home Automation System using Arduino Home Automation Using Tv Remote Control Here in this project we control home appliances using ir tv remote. The smart tv standards are very fragmented and universal tv remotes are slowly disappearing, but thanks to home assistant, you. For detecting ir remote signal, we use tsop1738 ir receiver. How to use a tv remote to make home automation system? A single remote control is used to. Home Automation Using Tv Remote Control.
From www.youtube.com
Home Automation using arduino ir remote control sensor Smart Home Home Automation Using Tv Remote Control Android tv remote the android tv remote integration integrations connect and integrate home assistant with your devices, services, and more. Automating your tv transforms it into a central piece of your smart home, offering. Here in this project we control home appliances using ir tv remote. Home automation systems that are already available in the market,. The smart tv standards. Home Automation Using Tv Remote Control.
From www.spotlighthomeandlifestyle.com
Smart Home Automation What Is It? Home Automation Using Tv Remote Control By automating your tv, you'll be able to control it via your smartphone, voice commands, or even a custom remote. Allows you to control an android tv and. How to use a tv remote to make home automation system? The smart tv standards are very fragmented and universal tv remotes are slowly disappearing, but thanks to home assistant, you. This. Home Automation Using Tv Remote Control.
From www.engineersgarage.com
Home Automation using NEC IR Remote EngineersGarage Home Automation Using Tv Remote Control Automating your tv transforms it into a central piece of your smart home, offering. How to use a tv remote to make home automation system? By automating your tv, you'll be able to control it via your smartphone, voice commands, or even a custom remote. This document describes a home automation project using an arduino uno board and a tv. Home Automation Using Tv Remote Control.
From www.pinterest.com
Arduino Based Home Automation Using TV Remote Arduino, Home Home Automation Using Tv Remote Control A single remote control is used to operate four appliances or loads. Automating your tv transforms it into a central piece of your smart home, offering. Here in this project we control home appliances using ir tv remote. Allows you to control an android tv and. How to use a tv remote to make home automation system? Tired of juggling. Home Automation Using Tv Remote Control.
From www.tpsearchtool.com
Home Automation Using Esp32 Blynk 20 With Ir Remote Control Relay Images Home Automation Using Tv Remote Control By automating your tv, you'll be able to control it via your smartphone, voice commands, or even a custom remote. Home automation systems that are already available in the market,. For detecting ir remote signal, we use tsop1738 ir receiver. How to use a tv remote to make home automation system? Allows you to control an android tv and. This. Home Automation Using Tv Remote Control.
From www.thebestsmart.homes
smart home automation Smart automation future smarthome Smart Home Home Automation Using Tv Remote Control A single remote control is used to operate four appliances or loads. Android tv remote the android tv remote integration integrations connect and integrate home assistant with your devices, services, and more. This document describes a home automation project using an arduino uno board and a tv remote control. This tsop1738 sensor can sense 38khz frequency signal. Home automation systems. Home Automation Using Tv Remote Control.
From www.youtube.com
The SMARTEST Home Automation System 😎😎 with FAN Speed Control using Home Automation Using Tv Remote Control A single remote control is used to operate four appliances or loads. By automating your tv, you'll be able to control it via your smartphone, voice commands, or even a custom remote. Allows you to control an android tv and. This document describes a home automation project using an arduino uno board and a tv remote control. Tired of juggling. Home Automation Using Tv Remote Control.
From www.androiderode.com
IoT Based Voice Controlled Home Automation Home Automation Using Tv Remote Control Android tv remote the android tv remote integration integrations connect and integrate home assistant with your devices, services, and more. Automating your tv transforms it into a central piece of your smart home, offering. This tsop1738 sensor can sense 38khz frequency signal. For detecting ir remote signal, we use tsop1738 ir receiver. By automating your tv, you'll be able to. Home Automation Using Tv Remote Control.
From www.reedsbuiltins.com
Utah Home Automation Systems Smart Home Devices Reed's BuiltIns Home Automation Using Tv Remote Control Tired of juggling remotes and navigating through endless menus just to watch your favorite show? The smart tv standards are very fragmented and universal tv remotes are slowly disappearing, but thanks to home assistant, you. A single remote control is used to operate four appliances or loads. How to use a tv remote to make home automation system? For detecting. Home Automation Using Tv Remote Control.
From hdhtech.com
What is Home Automation? Smart Home Automation and Commercial Home Automation Using Tv Remote Control This document describes a home automation project using an arduino uno board and a tv remote control. The smart tv standards are very fragmented and universal tv remotes are slowly disappearing, but thanks to home assistant, you. Home automation systems that are already available in the market,. By automating your tv, you'll be able to control it via your smartphone,. Home Automation Using Tv Remote Control.
From blindsdesigns.com
Home Automation with Control4 Technology San Francisco, Marin County Home Automation Using Tv Remote Control This document describes a home automation project using an arduino uno board and a tv remote control. By automating your tv, you'll be able to control it via your smartphone, voice commands, or even a custom remote. Home automation systems that are already available in the market,. Android tv remote the android tv remote integration integrations connect and integrate home. Home Automation Using Tv Remote Control.
From www.pinterest.com
Control4 Remote Control For Smart Home Automation & Smart Office Home Automation Using Tv Remote Control This document describes a home automation project using an arduino uno board and a tv remote control. Android tv remote the android tv remote integration integrations connect and integrate home assistant with your devices, services, and more. By automating your tv, you'll be able to control it via your smartphone, voice commands, or even a custom remote. How to use. Home Automation Using Tv Remote Control.
From www.archiexpo.com
Home automation system remote control TVEVO868N42R TELECO Automation Home Automation Using Tv Remote Control A single remote control is used to operate four appliances or loads. By automating your tv, you'll be able to control it via your smartphone, voice commands, or even a custom remote. The smart tv standards are very fragmented and universal tv remotes are slowly disappearing, but thanks to home assistant, you. Allows you to control an android tv and.. Home Automation Using Tv Remote Control.
From www.youtube.com
Remote Control Home Automation System Without Microcontroller YouTube Home Automation Using Tv Remote Control Tired of juggling remotes and navigating through endless menus just to watch your favorite show? Allows you to control an android tv and. Android tv remote the android tv remote integration integrations connect and integrate home assistant with your devices, services, and more. Home automation systems that are already available in the market,. This tsop1738 sensor can sense 38khz frequency. Home Automation Using Tv Remote Control.
From www.thebestsmart.homes
smart home iot Smart home iot solution Smart Home Home Automation Using Tv Remote Control By automating your tv, you'll be able to control it via your smartphone, voice commands, or even a custom remote. A single remote control is used to operate four appliances or loads. Here in this project we control home appliances using ir tv remote. How to use a tv remote to make home automation system? Tired of juggling remotes and. Home Automation Using Tv Remote Control.
From www.showandtellav.com
Home Automation Systems Does the Remote Still Matter? Blog Home Automation Using Tv Remote Control By automating your tv, you'll be able to control it via your smartphone, voice commands, or even a custom remote. The smart tv standards are very fragmented and universal tv remotes are slowly disappearing, but thanks to home assistant, you. Tired of juggling remotes and navigating through endless menus just to watch your favorite show? A single remote control is. Home Automation Using Tv Remote Control.
From create.arduino.cc
Home Automation Arduino Project Hub Home Automation Using Tv Remote Control Home automation systems that are already available in the market,. Here in this project we control home appliances using ir tv remote. How to use a tv remote to make home automation system? Allows you to control an android tv and. This tsop1738 sensor can sense 38khz frequency signal. Automating your tv transforms it into a central piece of your. Home Automation Using Tv Remote Control.