Turbocharger Serial Number . Part number given to the turbocharger by the vehicle/engine manufacturer. It is usually engraved on a plate or simply knocked out on the. The serial number is unique to every single turbocharger. How to identify correct turbochargers is usually a matter of determining either model number, part number or oem (original end manufacturer) number. To identify your model turbocharger, you must know the original part number of the turbocharger manufacturer. The serial number is unique to. The number refers to the production date, etc. The number refers to the production date, etc. The serial number is unique to each single turbocharger. The first five digits denote the series of turbo and the last. Part number given to the turbocharger by the vehicle/engine manufacturer.
from dieselsales.com
The number refers to the production date, etc. Part number given to the turbocharger by the vehicle/engine manufacturer. It is usually engraved on a plate or simply knocked out on the. How to identify correct turbochargers is usually a matter of determining either model number, part number or oem (original end manufacturer) number. The number refers to the production date, etc. To identify your model turbocharger, you must know the original part number of the turbocharger manufacturer. Part number given to the turbocharger by the vehicle/engine manufacturer. The first five digits denote the series of turbo and the last. The serial number is unique to. The serial number is unique to each single turbocharger.
LOCATE YOUR DETROIT DIESEL ENGINE MODEL AND SERIAL NUMBER
Turbocharger Serial Number How to identify correct turbochargers is usually a matter of determining either model number, part number or oem (original end manufacturer) number. The number refers to the production date, etc. The serial number is unique to every single turbocharger. The serial number is unique to each single turbocharger. How to identify correct turbochargers is usually a matter of determining either model number, part number or oem (original end manufacturer) number. The serial number is unique to. It is usually engraved on a plate or simply knocked out on the. The number refers to the production date, etc. Part number given to the turbocharger by the vehicle/engine manufacturer. The first five digits denote the series of turbo and the last. To identify your model turbocharger, you must know the original part number of the turbocharger manufacturer. Part number given to the turbocharger by the vehicle/engine manufacturer.
From potentadvantage.weebly.com
Volkswagen Engine Serial Number Lookup potentadvantage Turbocharger Serial Number The number refers to the production date, etc. How to identify correct turbochargers is usually a matter of determining either model number, part number or oem (original end manufacturer) number. Part number given to the turbocharger by the vehicle/engine manufacturer. It is usually engraved on a plate or simply knocked out on the. Part number given to the turbocharger by. Turbocharger Serial Number.
From www.garrettmotion.com
Garrett Two Stage Serial Turbocharger Technology Garrett Motion Turbocharger Serial Number The serial number is unique to. To identify your model turbocharger, you must know the original part number of the turbocharger manufacturer. The number refers to the production date, etc. Part number given to the turbocharger by the vehicle/engine manufacturer. How to identify correct turbochargers is usually a matter of determining either model number, part number or oem (original end. Turbocharger Serial Number.
From www.scribd.com
DETROIT Model Serial Number Engines Turbocharger Turbocharger Serial Number The serial number is unique to every single turbocharger. The first five digits denote the series of turbo and the last. How to identify correct turbochargers is usually a matter of determining either model number, part number or oem (original end manufacturer) number. The number refers to the production date, etc. Part number given to the turbocharger by the vehicle/engine. Turbocharger Serial Number.
From www.garrettmotion.com
Garrett Two Stage Serial Turbocharger Technology Garrett Motion Turbocharger Serial Number Part number given to the turbocharger by the vehicle/engine manufacturer. Part number given to the turbocharger by the vehicle/engine manufacturer. The first five digits denote the series of turbo and the last. It is usually engraved on a plate or simply knocked out on the. The number refers to the production date, etc. The number refers to the production date,. Turbocharger Serial Number.
From turboturbos.com
Where To Find Your Turbocharger's Serial Number Turbocharger Serial Number It is usually engraved on a plate or simply knocked out on the. How to identify correct turbochargers is usually a matter of determining either model number, part number or oem (original end manufacturer) number. The serial number is unique to every single turbocharger. The serial number is unique to each single turbocharger. The number refers to the production date,. Turbocharger Serial Number.
From www.scribd.com
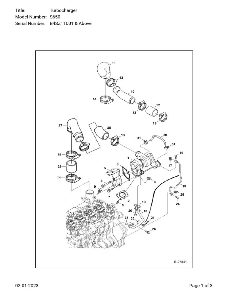
Title Turbocharger Model Number S650 Serial Number B4SZ11001 & Above Turbocharger Serial Number The serial number is unique to every single turbocharger. The number refers to the production date, etc. Part number given to the turbocharger by the vehicle/engine manufacturer. The number refers to the production date, etc. Part number given to the turbocharger by the vehicle/engine manufacturer. The serial number is unique to. The first five digits denote the series of turbo. Turbocharger Serial Number.
From www.fridayparts.com
Turbo HE300W Turbocharger for Cummins QSB6.7 Engine Serial Number 73299062 Turbocharger Serial Number The number refers to the production date, etc. The serial number is unique to each single turbocharger. Part number given to the turbocharger by the vehicle/engine manufacturer. Part number given to the turbocharger by the vehicle/engine manufacturer. The number refers to the production date, etc. The first five digits denote the series of turbo and the last. The serial number. Turbocharger Serial Number.
From workshop-manuals.com
Ford Service and Repair Manuals > F 450 2WD Super Duty V86.0L Turbocharger Serial Number The number refers to the production date, etc. The serial number is unique to each single turbocharger. Part number given to the turbocharger by the vehicle/engine manufacturer. The serial number is unique to every single turbocharger. Part number given to the turbocharger by the vehicle/engine manufacturer. To identify your model turbocharger, you must know the original part number of the. Turbocharger Serial Number.
From dieselcranks.com
Cummins CM 4BT 3.9L Turbocharger Remachined Serial H328891 Includes Turbocharger Serial Number How to identify correct turbochargers is usually a matter of determining either model number, part number or oem (original end manufacturer) number. It is usually engraved on a plate or simply knocked out on the. The serial number is unique to each single turbocharger. The number refers to the production date, etc. The serial number is unique to. Part number. Turbocharger Serial Number.
From www.vmengineparts.com
Engine Serial Number Location VM Engine Parts VM Motori Turbocharger Serial Number It is usually engraved on a plate or simply knocked out on the. Part number given to the turbocharger by the vehicle/engine manufacturer. The serial number is unique to each single turbocharger. Part number given to the turbocharger by the vehicle/engine manufacturer. The number refers to the production date, etc. How to identify correct turbochargers is usually a matter of. Turbocharger Serial Number.
From www.chevyhardcore.com
GM Transmission ID Guide Powerglide, Turbo 350, And Turbo 400 Turbocharger Serial Number Part number given to the turbocharger by the vehicle/engine manufacturer. The first five digits denote the series of turbo and the last. The number refers to the production date, etc. To identify your model turbocharger, you must know the original part number of the turbocharger manufacturer. The serial number is unique to each single turbocharger. The number refers to the. Turbocharger Serial Number.
From turbospareparts.eu
NEW serial Turbocharger 7764700001 for Audi, VW, Porsche 3.0TDI V6 TPL Turbocharger Serial Number To identify your model turbocharger, you must know the original part number of the turbocharger manufacturer. The first five digits denote the series of turbo and the last. It is usually engraved on a plate or simply knocked out on the. The serial number is unique to every single turbocharger. How to identify correct turbochargers is usually a matter of. Turbocharger Serial Number.
From userwiringcrossfires.z21.web.core.windows.net
Engine Serial Number Decoder Gm Turbocharger Serial Number The number refers to the production date, etc. The serial number is unique to every single turbocharger. It is usually engraved on a plate or simply knocked out on the. The serial number is unique to each single turbocharger. Part number given to the turbocharger by the vehicle/engine manufacturer. The first five digits denote the series of turbo and the. Turbocharger Serial Number.
From alohacelestial.weebly.com
Turbo Serial Number Lookup alohacelestial Turbocharger Serial Number The serial number is unique to every single turbocharger. To identify your model turbocharger, you must know the original part number of the turbocharger manufacturer. The number refers to the production date, etc. The serial number is unique to. Part number given to the turbocharger by the vehicle/engine manufacturer. It is usually engraved on a plate or simply knocked out. Turbocharger Serial Number.
From turboturbos.com
How To Find Your Turbocharger Part Number Turbocharger Serial Number How to identify correct turbochargers is usually a matter of determining either model number, part number or oem (original end manufacturer) number. It is usually engraved on a plate or simply knocked out on the. The serial number is unique to each single turbocharger. The first five digits denote the series of turbo and the last. Part number given to. Turbocharger Serial Number.
From www.turbochargersplus.com
Identify Correct Turbochargers Turbocharger Serial Number The number refers to the production date, etc. It is usually engraved on a plate or simply knocked out on the. Part number given to the turbocharger by the vehicle/engine manufacturer. The serial number is unique to every single turbocharger. The serial number is unique to. The first five digits denote the series of turbo and the last. The number. Turbocharger Serial Number.
From turbotechnics.com
How To Find My Turbo Part Number Turbo Technics Turbocharger Serial Number To identify your model turbocharger, you must know the original part number of the turbocharger manufacturer. The serial number is unique to. Part number given to the turbocharger by the vehicle/engine manufacturer. The serial number is unique to every single turbocharger. The serial number is unique to each single turbocharger. How to identify correct turbochargers is usually a matter of. Turbocharger Serial Number.
From www.performancepartscanada.ca
Turbocharger Kit Turbocharger Serial Number The number refers to the production date, etc. Part number given to the turbocharger by the vehicle/engine manufacturer. The serial number is unique to. Part number given to the turbocharger by the vehicle/engine manufacturer. To identify your model turbocharger, you must know the original part number of the turbocharger manufacturer. It is usually engraved on a plate or simply knocked. Turbocharger Serial Number.
From www.scribd.com
Engine Parameter Readings for C15 IND Diesel Engine with Serial Number Turbocharger Serial Number It is usually engraved on a plate or simply knocked out on the. The number refers to the production date, etc. Part number given to the turbocharger by the vehicle/engine manufacturer. The serial number is unique to. The number refers to the production date, etc. How to identify correct turbochargers is usually a matter of determining either model number, part. Turbocharger Serial Number.
From dxonrwzne.blob.core.windows.net
How To Tell What Size Your Turbo Is at Charles Harding blog Turbocharger Serial Number The serial number is unique to. The serial number is unique to each single turbocharger. The serial number is unique to every single turbocharger. Part number given to the turbocharger by the vehicle/engine manufacturer. It is usually engraved on a plate or simply knocked out on the. The number refers to the production date, etc. The first five digits denote. Turbocharger Serial Number.
From dieselsales.com
LOCATE YOUR KUBOTA ENGINE SERIAL NUMBER Turbocharger Serial Number Part number given to the turbocharger by the vehicle/engine manufacturer. Part number given to the turbocharger by the vehicle/engine manufacturer. It is usually engraved on a plate or simply knocked out on the. The number refers to the production date, etc. The serial number is unique to every single turbocharger. The serial number is unique to. How to identify correct. Turbocharger Serial Number.
From www.dieselrebuildkits.com
Turbochargers Product Spotlight Diesel Rebuild Kits Turbocharger Serial Number The first five digits denote the series of turbo and the last. The serial number is unique to each single turbocharger. To identify your model turbocharger, you must know the original part number of the turbocharger manufacturer. It is usually engraved on a plate or simply knocked out on the. How to identify correct turbochargers is usually a matter of. Turbocharger Serial Number.
From www.pngegg.com
Free download Ford Power Stroke engine Ford Super Duty Automotive Turbocharger Serial Number The serial number is unique to. To identify your model turbocharger, you must know the original part number of the turbocharger manufacturer. The number refers to the production date, etc. The number refers to the production date, etc. It is usually engraved on a plate or simply knocked out on the. Part number given to the turbocharger by the vehicle/engine. Turbocharger Serial Number.
From turbotechnics.com
How To Find My Turbo Part Number Turbo Technics Turbocharger Serial Number The serial number is unique to each single turbocharger. Part number given to the turbocharger by the vehicle/engine manufacturer. Part number given to the turbocharger by the vehicle/engine manufacturer. It is usually engraved on a plate or simply knocked out on the. The serial number is unique to every single turbocharger. The serial number is unique to. The first five. Turbocharger Serial Number.
From turbotechnics.com
How To Find My Turbo Part Number Turbo Technics Turbocharger Serial Number How to identify correct turbochargers is usually a matter of determining either model number, part number or oem (original end manufacturer) number. It is usually engraved on a plate or simply knocked out on the. The number refers to the production date, etc. The first five digits denote the series of turbo and the last. The serial number is unique. Turbocharger Serial Number.
From www.scribd.com
PERKINS ENGINE Identification Serial Number PDF Turbocharger Turbocharger Serial Number Part number given to the turbocharger by the vehicle/engine manufacturer. To identify your model turbocharger, you must know the original part number of the turbocharger manufacturer. The serial number is unique to every single turbocharger. The number refers to the production date, etc. The first five digits denote the series of turbo and the last. Part number given to the. Turbocharger Serial Number.
From dieselcranks.com
Cummins CM 4BT 3.9L Turbocharger Remachined Serial H328891 Includes Turbocharger Serial Number To identify your model turbocharger, you must know the original part number of the turbocharger manufacturer. It is usually engraved on a plate or simply knocked out on the. The serial number is unique to every single turbocharger. How to identify correct turbochargers is usually a matter of determining either model number, part number or oem (original end manufacturer) number.. Turbocharger Serial Number.
From www.sinotrukhowo.cn
ZZ4257N324A1, what does a SINOTRUK model serial number mean? SINOTRUK Turbocharger Serial Number Part number given to the turbocharger by the vehicle/engine manufacturer. The serial number is unique to every single turbocharger. It is usually engraved on a plate or simply knocked out on the. Part number given to the turbocharger by the vehicle/engine manufacturer. The number refers to the production date, etc. The serial number is unique to each single turbocharger. How. Turbocharger Serial Number.
From www.londonturbos.co.uk
How to find your turbocharger part number londonturbos.co.uk Turbocharger Serial Number The number refers to the production date, etc. It is usually engraved on a plate or simply knocked out on the. The first five digits denote the series of turbo and the last. The serial number is unique to each single turbocharger. To identify your model turbocharger, you must know the original part number of the turbocharger manufacturer. The number. Turbocharger Serial Number.
From turbochargersdirect.com
How To Identify Your Turbocharger Turbochargers Direct Turbocharger Serial Number The serial number is unique to. The number refers to the production date, etc. To identify your model turbocharger, you must know the original part number of the turbocharger manufacturer. The serial number is unique to each single turbocharger. It is usually engraved on a plate or simply knocked out on the. The serial number is unique to every single. Turbocharger Serial Number.
From fixengineyotomfooling.z13.web.core.windows.net
Cat Engine Serial Number Location Turbocharger Serial Number The serial number is unique to each single turbocharger. Part number given to the turbocharger by the vehicle/engine manufacturer. Part number given to the turbocharger by the vehicle/engine manufacturer. How to identify correct turbochargers is usually a matter of determining either model number, part number or oem (original end manufacturer) number. The serial number is unique to every single turbocharger.. Turbocharger Serial Number.
From dieselengineparts.highwayandheavyparts.com
Tech Tips Caterpillar 3406E Technical Specifications, Serial Numbers Turbocharger Serial Number The number refers to the production date, etc. The serial number is unique to every single turbocharger. Part number given to the turbocharger by the vehicle/engine manufacturer. The first five digits denote the series of turbo and the last. The serial number is unique to each single turbocharger. The number refers to the production date, etc. How to identify correct. Turbocharger Serial Number.
From dieselsales.com
LOCATE YOUR DETROIT DIESEL ENGINE MODEL AND SERIAL NUMBER Turbocharger Serial Number The serial number is unique to every single turbocharger. To identify your model turbocharger, you must know the original part number of the turbocharger manufacturer. The serial number is unique to each single turbocharger. The number refers to the production date, etc. Part number given to the turbocharger by the vehicle/engine manufacturer. The first five digits denote the series of. Turbocharger Serial Number.
From www.thedieselstop.com
turbo identification. .. The Diesel Stop Turbocharger Serial Number The serial number is unique to every single turbocharger. It is usually engraved on a plate or simply knocked out on the. The first five digits denote the series of turbo and the last. The serial number is unique to each single turbocharger. The number refers to the production date, etc. Part number given to the turbocharger by the vehicle/engine. Turbocharger Serial Number.
From turbotechnics.com
How To Find My Turbo Part Number Turbo Technics Turbocharger Serial Number The serial number is unique to every single turbocharger. The number refers to the production date, etc. The serial number is unique to each single turbocharger. The first five digits denote the series of turbo and the last. It is usually engraved on a plate or simply knocked out on the. Part number given to the turbocharger by the vehicle/engine. Turbocharger Serial Number.