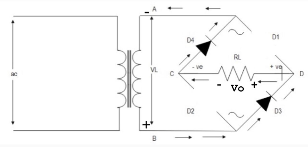
Bridge Rectifier Short Circuit . one of the most prominent signs of bridge rectifier failure is the absence of output voltage or a significant drop in the output voltage. Should the fuse be overrated and the current rating of the. a bridge rectifier is an alternating current (ac) to direct current (dc) converter that rectifies mains ac input to dc output. — bridge rectifiers are circuits that convert alternating current (ac) into direct current (dc) using diodes arranged in the bridge circuit. — the diode bridge is burnt due to the inrush current absorbs by the dc motor at the beginning. Bridge rectifiers are widely used in power supplies that provide necessary dc voltage for the electronic components or devices. this type of single phase rectifier uses four individual rectifying diodes connected in a closed loop “bridge” configuration to produce the desired output. — a fuse of optimum rating could blow and protect the transformer and the okay diodes. To avoid this i can suggest you two.
from www.electronicsforu.com
Should the fuse be overrated and the current rating of the. — the diode bridge is burnt due to the inrush current absorbs by the dc motor at the beginning. — a fuse of optimum rating could blow and protect the transformer and the okay diodes. — bridge rectifiers are circuits that convert alternating current (ac) into direct current (dc) using diodes arranged in the bridge circuit. To avoid this i can suggest you two. this type of single phase rectifier uses four individual rectifying diodes connected in a closed loop “bridge” configuration to produce the desired output. a bridge rectifier is an alternating current (ac) to direct current (dc) converter that rectifies mains ac input to dc output. Bridge rectifiers are widely used in power supplies that provide necessary dc voltage for the electronic components or devices. one of the most prominent signs of bridge rectifier failure is the absence of output voltage or a significant drop in the output voltage.
Bridge Rectifier Circuit, Construction, Working, and Types
Bridge Rectifier Short Circuit — the diode bridge is burnt due to the inrush current absorbs by the dc motor at the beginning. one of the most prominent signs of bridge rectifier failure is the absence of output voltage or a significant drop in the output voltage. — a fuse of optimum rating could blow and protect the transformer and the okay diodes. — bridge rectifiers are circuits that convert alternating current (ac) into direct current (dc) using diodes arranged in the bridge circuit. this type of single phase rectifier uses four individual rectifying diodes connected in a closed loop “bridge” configuration to produce the desired output. a bridge rectifier is an alternating current (ac) to direct current (dc) converter that rectifies mains ac input to dc output. Bridge rectifiers are widely used in power supplies that provide necessary dc voltage for the electronic components or devices. — the diode bridge is burnt due to the inrush current absorbs by the dc motor at the beginning. To avoid this i can suggest you two. Should the fuse be overrated and the current rating of the.
From diyburbank.blogspot.com
3 Phase Bridge Rectifier Circuit Diagram / Rectifier Theory 3 Phase Bridge Rectifier Short Circuit this type of single phase rectifier uses four individual rectifying diodes connected in a closed loop “bridge” configuration to produce the desired output. — the diode bridge is burnt due to the inrush current absorbs by the dc motor at the beginning. Should the fuse be overrated and the current rating of the. To avoid this i can. Bridge Rectifier Short Circuit.
From www.youtube.com
Full Wave Bridge Rectifier Explained YouTube Bridge Rectifier Short Circuit this type of single phase rectifier uses four individual rectifying diodes connected in a closed loop “bridge” configuration to produce the desired output. — bridge rectifiers are circuits that convert alternating current (ac) into direct current (dc) using diodes arranged in the bridge circuit. one of the most prominent signs of bridge rectifier failure is the absence. Bridge Rectifier Short Circuit.
From www.engineersgarage.com
Simple AC to DC converter using bridge rectifier Bridge Rectifier Short Circuit To avoid this i can suggest you two. Bridge rectifiers are widely used in power supplies that provide necessary dc voltage for the electronic components or devices. — a fuse of optimum rating could blow and protect the transformer and the okay diodes. — bridge rectifiers are circuits that convert alternating current (ac) into direct current (dc) using. Bridge Rectifier Short Circuit.
From www.circuits-diy.com
FullWave Bridge Rectifier Circuit Bridge Rectifier Short Circuit — the diode bridge is burnt due to the inrush current absorbs by the dc motor at the beginning. — bridge rectifiers are circuits that convert alternating current (ac) into direct current (dc) using diodes arranged in the bridge circuit. a bridge rectifier is an alternating current (ac) to direct current (dc) converter that rectifies mains ac. Bridge Rectifier Short Circuit.
From schematicparttod.z21.web.core.windows.net
Three Phase Half Controlled Bridge Rectifier Bridge Rectifier Short Circuit a bridge rectifier is an alternating current (ac) to direct current (dc) converter that rectifies mains ac input to dc output. Should the fuse be overrated and the current rating of the. To avoid this i can suggest you two. — a fuse of optimum rating could blow and protect the transformer and the okay diodes. Bridge rectifiers. Bridge Rectifier Short Circuit.
From circuitwiringtray.z13.web.core.windows.net
Diode Bridge Rectifier Circuit Diagram Bridge Rectifier Short Circuit this type of single phase rectifier uses four individual rectifying diodes connected in a closed loop “bridge” configuration to produce the desired output. Should the fuse be overrated and the current rating of the. — bridge rectifiers are circuits that convert alternating current (ac) into direct current (dc) using diodes arranged in the bridge circuit. — a. Bridge Rectifier Short Circuit.
From www.electricity-magnetism.org
Bridge Rectifier How it works, Application & Advantages Bridge Rectifier Short Circuit one of the most prominent signs of bridge rectifier failure is the absence of output voltage or a significant drop in the output voltage. this type of single phase rectifier uses four individual rectifying diodes connected in a closed loop “bridge” configuration to produce the desired output. — the diode bridge is burnt due to the inrush. Bridge Rectifier Short Circuit.
From electricalworkbook.com
What is Bridge Rectifier? Working, Circuit Diagram & Waveforms Bridge Rectifier Short Circuit — bridge rectifiers are circuits that convert alternating current (ac) into direct current (dc) using diodes arranged in the bridge circuit. a bridge rectifier is an alternating current (ac) to direct current (dc) converter that rectifies mains ac input to dc output. To avoid this i can suggest you two. — a fuse of optimum rating could. Bridge Rectifier Short Circuit.
From schematicpartclaudia.z19.web.core.windows.net
Identify The Bridge Rectifier Circuit Bridge Rectifier Short Circuit To avoid this i can suggest you two. — a fuse of optimum rating could blow and protect the transformer and the okay diodes. this type of single phase rectifier uses four individual rectifying diodes connected in a closed loop “bridge” configuration to produce the desired output. one of the most prominent signs of bridge rectifier failure. Bridge Rectifier Short Circuit.
From hackaday.com
Scope Noob Bridge Rectifier Hackaday Bridge Rectifier Short Circuit — the diode bridge is burnt due to the inrush current absorbs by the dc motor at the beginning. Should the fuse be overrated and the current rating of the. a bridge rectifier is an alternating current (ac) to direct current (dc) converter that rectifies mains ac input to dc output. — bridge rectifiers are circuits that. Bridge Rectifier Short Circuit.
From www.researchgate.net
Singlephase rectifier. (a) Circuit. (b) Waveforms of the input voltage Bridge Rectifier Short Circuit — bridge rectifiers are circuits that convert alternating current (ac) into direct current (dc) using diodes arranged in the bridge circuit. this type of single phase rectifier uses four individual rectifying diodes connected in a closed loop “bridge” configuration to produce the desired output. To avoid this i can suggest you two. a bridge rectifier is an. Bridge Rectifier Short Circuit.
From electricalworkbook.com
What is Bridge Rectifier? Working, Circuit Diagram & Waveforms Bridge Rectifier Short Circuit To avoid this i can suggest you two. — bridge rectifiers are circuits that convert alternating current (ac) into direct current (dc) using diodes arranged in the bridge circuit. this type of single phase rectifier uses four individual rectifying diodes connected in a closed loop “bridge” configuration to produce the desired output. Should the fuse be overrated and. Bridge Rectifier Short Circuit.
From www.circuits-diy.com
Simple Bridge Rectifier Circuit Bridge Rectifier Short Circuit To avoid this i can suggest you two. — a fuse of optimum rating could blow and protect the transformer and the okay diodes. this type of single phase rectifier uses four individual rectifying diodes connected in a closed loop “bridge” configuration to produce the desired output. Bridge rectifiers are widely used in power supplies that provide necessary. Bridge Rectifier Short Circuit.
From www.electronicsforu.com
Bridge Rectifier Circuit, Construction, Working, and Types Bridge Rectifier Short Circuit a bridge rectifier is an alternating current (ac) to direct current (dc) converter that rectifies mains ac input to dc output. — the diode bridge is burnt due to the inrush current absorbs by the dc motor at the beginning. one of the most prominent signs of bridge rectifier failure is the absence of output voltage or. Bridge Rectifier Short Circuit.
From www.circuitdiagram.co
Full Wave Bridge Rectifier Circuit With Capacitor Filter Circuit Diagram Bridge Rectifier Short Circuit one of the most prominent signs of bridge rectifier failure is the absence of output voltage or a significant drop in the output voltage. — the diode bridge is burnt due to the inrush current absorbs by the dc motor at the beginning. To avoid this i can suggest you two. a bridge rectifier is an alternating. Bridge Rectifier Short Circuit.
From schematicdiagramglocer.z19.web.core.windows.net
Bridge Rectifier Circuit Diagram With Working Bridge Rectifier Short Circuit one of the most prominent signs of bridge rectifier failure is the absence of output voltage or a significant drop in the output voltage. To avoid this i can suggest you two. — the diode bridge is burnt due to the inrush current absorbs by the dc motor at the beginning. a bridge rectifier is an alternating. Bridge Rectifier Short Circuit.
From www.circuitdiagram.co
Full Wave Bridge Rectifier Circuit Multisim Circuit Diagram Bridge Rectifier Short Circuit Bridge rectifiers are widely used in power supplies that provide necessary dc voltage for the electronic components or devices. Should the fuse be overrated and the current rating of the. — the diode bridge is burnt due to the inrush current absorbs by the dc motor at the beginning. To avoid this i can suggest you two. one. Bridge Rectifier Short Circuit.
From electricalworkbook.com
What is Bridge Rectifier? Working, Circuit Diagram & Waveforms Bridge Rectifier Short Circuit Should the fuse be overrated and the current rating of the. — the diode bridge is burnt due to the inrush current absorbs by the dc motor at the beginning. a bridge rectifier is an alternating current (ac) to direct current (dc) converter that rectifies mains ac input to dc output. — bridge rectifiers are circuits that. Bridge Rectifier Short Circuit.
From www.slidemake.com
Construction And Working Of Bridge Rectifier Presentation Bridge Rectifier Short Circuit one of the most prominent signs of bridge rectifier failure is the absence of output voltage or a significant drop in the output voltage. Bridge rectifiers are widely used in power supplies that provide necessary dc voltage for the electronic components or devices. this type of single phase rectifier uses four individual rectifying diodes connected in a closed. Bridge Rectifier Short Circuit.
From www.youtube.com
Single phase fully controlled bridge rectifier YouTube Bridge Rectifier Short Circuit a bridge rectifier is an alternating current (ac) to direct current (dc) converter that rectifies mains ac input to dc output. Should the fuse be overrated and the current rating of the. this type of single phase rectifier uses four individual rectifying diodes connected in a closed loop “bridge” configuration to produce the desired output. — a. Bridge Rectifier Short Circuit.
From freakengineer.com
Bridge rectifier Working, Circuit, Advantages » Freak Engineer Bridge Rectifier Short Circuit To avoid this i can suggest you two. — a fuse of optimum rating could blow and protect the transformer and the okay diodes. Should the fuse be overrated and the current rating of the. a bridge rectifier is an alternating current (ac) to direct current (dc) converter that rectifies mains ac input to dc output. —. Bridge Rectifier Short Circuit.
From www.thegeekpub.com
Bridge Rectifier Circuit Electronics Basics The Geek Pub Bridge Rectifier Short Circuit this type of single phase rectifier uses four individual rectifying diodes connected in a closed loop “bridge” configuration to produce the desired output. Bridge rectifiers are widely used in power supplies that provide necessary dc voltage for the electronic components or devices. To avoid this i can suggest you two. — bridge rectifiers are circuits that convert alternating. Bridge Rectifier Short Circuit.
From www.slidemake.com
Construction And Working Of Bridge Rectifier Bridge Rectifier Short Circuit a bridge rectifier is an alternating current (ac) to direct current (dc) converter that rectifies mains ac input to dc output. To avoid this i can suggest you two. this type of single phase rectifier uses four individual rectifying diodes connected in a closed loop “bridge” configuration to produce the desired output. Should the fuse be overrated and. Bridge Rectifier Short Circuit.
From www.geeksforgeeks.org
Bridge Rectifier Construction, Working, Characteristics and Types Bridge Rectifier Short Circuit — the diode bridge is burnt due to the inrush current absorbs by the dc motor at the beginning. a bridge rectifier is an alternating current (ac) to direct current (dc) converter that rectifies mains ac input to dc output. Should the fuse be overrated and the current rating of the. one of the most prominent signs. Bridge Rectifier Short Circuit.
From schematicpartclaudia.z19.web.core.windows.net
Bridge Rectifier Circuit With Output Bridge Rectifier Short Circuit — bridge rectifiers are circuits that convert alternating current (ac) into direct current (dc) using diodes arranged in the bridge circuit. Bridge rectifiers are widely used in power supplies that provide necessary dc voltage for the electronic components or devices. one of the most prominent signs of bridge rectifier failure is the absence of output voltage or a. Bridge Rectifier Short Circuit.
From www.thegeekpub.com
Bridge Rectifier Circuit Electronics Basics The Geek Pub Bridge Rectifier Short Circuit this type of single phase rectifier uses four individual rectifying diodes connected in a closed loop “bridge” configuration to produce the desired output. Should the fuse be overrated and the current rating of the. — the diode bridge is burnt due to the inrush current absorbs by the dc motor at the beginning. — bridge rectifiers are. Bridge Rectifier Short Circuit.
From www.researchgate.net
(a) Bridge rectifier with N phases, with LC filter and a load, (b Bridge Rectifier Short Circuit this type of single phase rectifier uses four individual rectifying diodes connected in a closed loop “bridge” configuration to produce the desired output. a bridge rectifier is an alternating current (ac) to direct current (dc) converter that rectifies mains ac input to dc output. To avoid this i can suggest you two. one of the most prominent. Bridge Rectifier Short Circuit.
From analyseameter.com
Bridge Rectifier Circuit, Operation, Characteristics & Advantages Bridge Rectifier Short Circuit Bridge rectifiers are widely used in power supplies that provide necessary dc voltage for the electronic components or devices. Should the fuse be overrated and the current rating of the. — bridge rectifiers are circuits that convert alternating current (ac) into direct current (dc) using diodes arranged in the bridge circuit. To avoid this i can suggest you two.. Bridge Rectifier Short Circuit.
From electricalworkbook.com
What is Single Phase Full Wave Controlled Rectifier? Working, Circuit Bridge Rectifier Short Circuit — a fuse of optimum rating could blow and protect the transformer and the okay diodes. Should the fuse be overrated and the current rating of the. Bridge rectifiers are widely used in power supplies that provide necessary dc voltage for the electronic components or devices. — bridge rectifiers are circuits that convert alternating current (ac) into direct. Bridge Rectifier Short Circuit.
From guidefixnengceboro.z4.web.core.windows.net
Rectifier Stack Circuit Diagram Bridge Rectifier Short Circuit To avoid this i can suggest you two. a bridge rectifier is an alternating current (ac) to direct current (dc) converter that rectifies mains ac input to dc output. this type of single phase rectifier uses four individual rectifying diodes connected in a closed loop “bridge” configuration to produce the desired output. — bridge rectifiers are circuits. Bridge Rectifier Short Circuit.
From www.geeksforgeeks.org
Bridge Rectifier Construction, Working, Characteristics and Types Bridge Rectifier Short Circuit Should the fuse be overrated and the current rating of the. Bridge rectifiers are widely used in power supplies that provide necessary dc voltage for the electronic components or devices. To avoid this i can suggest you two. a bridge rectifier is an alternating current (ac) to direct current (dc) converter that rectifies mains ac input to dc output.. Bridge Rectifier Short Circuit.
From www.circuitdiagram.co
Full Wave Bridge Rectifier Circuit Multisim Circuit Diagram Bridge Rectifier Short Circuit a bridge rectifier is an alternating current (ac) to direct current (dc) converter that rectifies mains ac input to dc output. Should the fuse be overrated and the current rating of the. — a fuse of optimum rating could blow and protect the transformer and the okay diodes. this type of single phase rectifier uses four individual. Bridge Rectifier Short Circuit.
From fixlibrarynadburciejk.z13.web.core.windows.net
Bridge Rectifier Circuit Diagram And Waveform Bridge Rectifier Short Circuit one of the most prominent signs of bridge rectifier failure is the absence of output voltage or a significant drop in the output voltage. this type of single phase rectifier uses four individual rectifying diodes connected in a closed loop “bridge” configuration to produce the desired output. — the diode bridge is burnt due to the inrush. Bridge Rectifier Short Circuit.
From www.thegeekpub.com
Bridge Rectifier Circuit Electronics Basics The Geek Pub Bridge Rectifier Short Circuit Bridge rectifiers are widely used in power supplies that provide necessary dc voltage for the electronic components or devices. — a fuse of optimum rating could blow and protect the transformer and the okay diodes. this type of single phase rectifier uses four individual rectifying diodes connected in a closed loop “bridge” configuration to produce the desired output.. Bridge Rectifier Short Circuit.
From www.researchgate.net
Rectifier operation when simulating the short circuit of one of the Bridge Rectifier Short Circuit one of the most prominent signs of bridge rectifier failure is the absence of output voltage or a significant drop in the output voltage. Bridge rectifiers are widely used in power supplies that provide necessary dc voltage for the electronic components or devices. — the diode bridge is burnt due to the inrush current absorbs by the dc. Bridge Rectifier Short Circuit.