What Is Telemotor In Steering Gear . The transmitter, which is built. telemotor unit comprises of two parts namely, transmitter and receiver. — the steering control (telemotor transmitter) on the navigation bridge which sends electrical signals to the telemotor receiver in. — a telemotor is a hydraulic control system with an extensive network and runs from the bridge deck to the steering gear system through cables and supporting pipelines along with suitable charging units. The transmitter is located on the navigation bridge. — the steering control (telemotor transmitter) on the navigation bridge which sends electrical signals to the telemotor receiver in. telemotor control is a hydraulic control system employing a transmitter, a receiver, pipes and a charging unit. — the steering control (telemotor transmitter) on the navigation bridge sends electrical signals to the telemotor receiver.
from slideplayer.com
The transmitter, which is built. — the steering control (telemotor transmitter) on the navigation bridge which sends electrical signals to the telemotor receiver in. The transmitter is located on the navigation bridge. telemotor control is a hydraulic control system employing a transmitter, a receiver, pipes and a charging unit. — the steering control (telemotor transmitter) on the navigation bridge sends electrical signals to the telemotor receiver. telemotor unit comprises of two parts namely, transmitter and receiver. — the steering control (telemotor transmitter) on the navigation bridge which sends electrical signals to the telemotor receiver in. — a telemotor is a hydraulic control system with an extensive network and runs from the bridge deck to the steering gear system through cables and supporting pipelines along with suitable charging units.
STEERING GEAR. STEERING GEAR THE SYSTEM WHICH IS USED TO STEER THE SHIP
What Is Telemotor In Steering Gear — the steering control (telemotor transmitter) on the navigation bridge which sends electrical signals to the telemotor receiver in. — the steering control (telemotor transmitter) on the navigation bridge which sends electrical signals to the telemotor receiver in. — the steering control (telemotor transmitter) on the navigation bridge which sends electrical signals to the telemotor receiver in. The transmitter is located on the navigation bridge. — a telemotor is a hydraulic control system with an extensive network and runs from the bridge deck to the steering gear system through cables and supporting pipelines along with suitable charging units. telemotor control is a hydraulic control system employing a transmitter, a receiver, pipes and a charging unit. telemotor unit comprises of two parts namely, transmitter and receiver. The transmitter, which is built. — the steering control (telemotor transmitter) on the navigation bridge sends electrical signals to the telemotor receiver.
From www.rmg.co.uk
part of the telemotor steering gear Royal Museums Greenwich What Is Telemotor In Steering Gear — the steering control (telemotor transmitter) on the navigation bridge which sends electrical signals to the telemotor receiver in. telemotor unit comprises of two parts namely, transmitter and receiver. — a telemotor is a hydraulic control system with an extensive network and runs from the bridge deck to the steering gear system through cables and supporting pipelines. What Is Telemotor In Steering Gear.
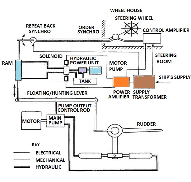
From maritimepage.com
What Is A Telemotor In Steering Gear Of Ships? What Is Telemotor In Steering Gear — the steering control (telemotor transmitter) on the navigation bridge sends electrical signals to the telemotor receiver. telemotor control is a hydraulic control system employing a transmitter, a receiver, pipes and a charging unit. — the steering control (telemotor transmitter) on the navigation bridge which sends electrical signals to the telemotor receiver in. The transmitter is located. What Is Telemotor In Steering Gear.
From kzscollection.blogspot.com
talk about steering gear system What Is Telemotor In Steering Gear The transmitter is located on the navigation bridge. The transmitter, which is built. telemotor unit comprises of two parts namely, transmitter and receiver. telemotor control is a hydraulic control system employing a transmitter, a receiver, pipes and a charging unit. — the steering control (telemotor transmitter) on the navigation bridge which sends electrical signals to the telemotor. What Is Telemotor In Steering Gear.
From www.slideshare.net
Marine Steering Gear and SOLAS Requirements What Is Telemotor In Steering Gear — the steering control (telemotor transmitter) on the navigation bridge which sends electrical signals to the telemotor receiver in. — the steering control (telemotor transmitter) on the navigation bridge which sends electrical signals to the telemotor receiver in. — a telemotor is a hydraulic control system with an extensive network and runs from the bridge deck to. What Is Telemotor In Steering Gear.
From www.marineengineersknowledge.com
The hunting gear mechanism in the steering gear system Marine What Is Telemotor In Steering Gear — the steering control (telemotor transmitter) on the navigation bridge which sends electrical signals to the telemotor receiver in. — a telemotor is a hydraulic control system with an extensive network and runs from the bridge deck to the steering gear system through cables and supporting pipelines along with suitable charging units. The transmitter, which is built. . What Is Telemotor In Steering Gear.
From dailyengineering.com
How Power Steering System Works? Daily Engineering What Is Telemotor In Steering Gear telemotor control is a hydraulic control system employing a transmitter, a receiver, pipes and a charging unit. — a telemotor is a hydraulic control system with an extensive network and runs from the bridge deck to the steering gear system through cables and supporting pipelines along with suitable charging units. — the steering control (telemotor transmitter) on. What Is Telemotor In Steering Gear.
From www.kapaldanlogistik.com
Bagaimana Kapal dapat Berbelok? Seperti Ini Sistem Kemudi Kapal Ilmu What Is Telemotor In Steering Gear — the steering control (telemotor transmitter) on the navigation bridge which sends electrical signals to the telemotor receiver in. — the steering control (telemotor transmitter) on the navigation bridge which sends electrical signals to the telemotor receiver in. telemotor unit comprises of two parts namely, transmitter and receiver. The transmitter, which is built. telemotor control is. What Is Telemotor In Steering Gear.
From kzscollection.blogspot.com
talk about steering gear system What Is Telemotor In Steering Gear — the steering control (telemotor transmitter) on the navigation bridge sends electrical signals to the telemotor receiver. The transmitter, which is built. — a telemotor is a hydraulic control system with an extensive network and runs from the bridge deck to the steering gear system through cables and supporting pipelines along with suitable charging units. telemotor control. What Is Telemotor In Steering Gear.
From www.brighthubengineering.com
Marine Steering Gear Systems Construction and Working What Is Telemotor In Steering Gear — the steering control (telemotor transmitter) on the navigation bridge which sends electrical signals to the telemotor receiver in. The transmitter is located on the navigation bridge. — the steering control (telemotor transmitter) on the navigation bridge which sends electrical signals to the telemotor receiver in. telemotor control is a hydraulic control system employing a transmitter, a. What Is Telemotor In Steering Gear.
From collection.sciencemuseumgroup.org.uk
Browns Steering Gear Details of Platform for Telemotor Transmitter What Is Telemotor In Steering Gear telemotor unit comprises of two parts namely, transmitter and receiver. The transmitter is located on the navigation bridge. — a telemotor is a hydraulic control system with an extensive network and runs from the bridge deck to the steering gear system through cables and supporting pipelines along with suitable charging units. The transmitter, which is built. —. What Is Telemotor In Steering Gear.
From marinegyaan.com
What is Hunting of steering gear? MarineGyaan What Is Telemotor In Steering Gear — the steering control (telemotor transmitter) on the navigation bridge which sends electrical signals to the telemotor receiver in. — the steering control (telemotor transmitter) on the navigation bridge sends electrical signals to the telemotor receiver. The transmitter is located on the navigation bridge. — the steering control (telemotor transmitter) on the navigation bridge which sends electrical. What Is Telemotor In Steering Gear.
From shipfever.com
Understanding Steering Gear System in Ships With Clarity ShipFever What Is Telemotor In Steering Gear telemotor control is a hydraulic control system employing a transmitter, a receiver, pipes and a charging unit. — the steering control (telemotor transmitter) on the navigation bridge which sends electrical signals to the telemotor receiver in. The transmitter is located on the navigation bridge. The transmitter, which is built. — a telemotor is a hydraulic control system. What Is Telemotor In Steering Gear.
From elecdiags.com
The Ultimate Guide to Understanding Truck Steering Parts with Diagrams What Is Telemotor In Steering Gear — the steering control (telemotor transmitter) on the navigation bridge which sends electrical signals to the telemotor receiver in. The transmitter is located on the navigation bridge. telemotor unit comprises of two parts namely, transmitter and receiver. The transmitter, which is built. — the steering control (telemotor transmitter) on the navigation bridge sends electrical signals to the. What Is Telemotor In Steering Gear.
From slideplayer.com
STEERING GEAR. STEERING GEAR THE SYSTEM WHICH IS USED TO STEER THE SHIP What Is Telemotor In Steering Gear The transmitter, which is built. telemotor unit comprises of two parts namely, transmitter and receiver. The transmitter is located on the navigation bridge. — the steering control (telemotor transmitter) on the navigation bridge which sends electrical signals to the telemotor receiver in. — the steering control (telemotor transmitter) on the navigation bridge which sends electrical signals to. What Is Telemotor In Steering Gear.
From slideplayer.com
STEERING GEAR. STEERING GEAR THE SYSTEM WHICH IS USED TO STEER THE SHIP What Is Telemotor In Steering Gear The transmitter, which is built. — the steering control (telemotor transmitter) on the navigation bridge sends electrical signals to the telemotor receiver. telemotor control is a hydraulic control system employing a transmitter, a receiver, pipes and a charging unit. The transmitter is located on the navigation bridge. — the steering control (telemotor transmitter) on the navigation bridge. What Is Telemotor In Steering Gear.
From tags-ship.com
Victory Ship Steering What Is Telemotor In Steering Gear — a telemotor is a hydraulic control system with an extensive network and runs from the bridge deck to the steering gear system through cables and supporting pipelines along with suitable charging units. — the steering control (telemotor transmitter) on the navigation bridge which sends electrical signals to the telemotor receiver in. The transmitter, which is built. . What Is Telemotor In Steering Gear.
From marinerspointpro.com
Steering Gear in Ship Working, Types, Diagram, Regulations What Is Telemotor In Steering Gear The transmitter is located on the navigation bridge. telemotor control is a hydraulic control system employing a transmitter, a receiver, pipes and a charging unit. — a telemotor is a hydraulic control system with an extensive network and runs from the bridge deck to the steering gear system through cables and supporting pipelines along with suitable charging units.. What Is Telemotor In Steering Gear.
From slideplayer.com
STEERING GEAR. STEERING GEAR THE SYSTEM WHICH IS USED TO STEER THE SHIP What Is Telemotor In Steering Gear The transmitter is located on the navigation bridge. telemotor unit comprises of two parts namely, transmitter and receiver. telemotor control is a hydraulic control system employing a transmitter, a receiver, pipes and a charging unit. — a telemotor is a hydraulic control system with an extensive network and runs from the bridge deck to the steering gear. What Is Telemotor In Steering Gear.
From slideplayer.com
STEERING GEAR. STEERING GEAR THE SYSTEM WHICH IS USED TO STEER THE SHIP What Is Telemotor In Steering Gear telemotor control is a hydraulic control system employing a transmitter, a receiver, pipes and a charging unit. — the steering control (telemotor transmitter) on the navigation bridge sends electrical signals to the telemotor receiver. — the steering control (telemotor transmitter) on the navigation bridge which sends electrical signals to the telemotor receiver in. The transmitter, which is. What Is Telemotor In Steering Gear.
From www.youtube.com
Steering Gear Basics Types of Steering Arrangements YouTube What Is Telemotor In Steering Gear — the steering control (telemotor transmitter) on the navigation bridge sends electrical signals to the telemotor receiver. — the steering control (telemotor transmitter) on the navigation bridge which sends electrical signals to the telemotor receiver in. The transmitter is located on the navigation bridge. telemotor control is a hydraulic control system employing a transmitter, a receiver, pipes. What Is Telemotor In Steering Gear.
From kzscollection.blogspot.com
talk about steering gear system What Is Telemotor In Steering Gear — the steering control (telemotor transmitter) on the navigation bridge which sends electrical signals to the telemotor receiver in. telemotor unit comprises of two parts namely, transmitter and receiver. — a telemotor is a hydraulic control system with an extensive network and runs from the bridge deck to the steering gear system through cables and supporting pipelines. What Is Telemotor In Steering Gear.
From www.machineryspaces.com
Telemotor Control for Ships Steering Gear What Is Telemotor In Steering Gear — the steering control (telemotor transmitter) on the navigation bridge sends electrical signals to the telemotor receiver. — the steering control (telemotor transmitter) on the navigation bridge which sends electrical signals to the telemotor receiver in. The transmitter is located on the navigation bridge. telemotor control is a hydraulic control system employing a transmitter, a receiver, pipes. What Is Telemotor In Steering Gear.
From engineeringdiscoveries.com
Steering System Information Engineering Discoveries What Is Telemotor In Steering Gear — the steering control (telemotor transmitter) on the navigation bridge which sends electrical signals to the telemotor receiver in. telemotor control is a hydraulic control system employing a transmitter, a receiver, pipes and a charging unit. — the steering control (telemotor transmitter) on the navigation bridge sends electrical signals to the telemotor receiver. The transmitter is located. What Is Telemotor In Steering Gear.
From autoexplor.blogspot.com
Steering System in Automobile, Steering System Components and Types of What Is Telemotor In Steering Gear The transmitter is located on the navigation bridge. telemotor unit comprises of two parts namely, transmitter and receiver. — the steering control (telemotor transmitter) on the navigation bridge sends electrical signals to the telemotor receiver. — the steering control (telemotor transmitter) on the navigation bridge which sends electrical signals to the telemotor receiver in. telemotor control. What Is Telemotor In Steering Gear.
From slideplayer.com
STEERING GEAR. STEERING GEAR THE SYSTEM WHICH IS USED TO STEER THE SHIP What Is Telemotor In Steering Gear telemotor control is a hydraulic control system employing a transmitter, a receiver, pipes and a charging unit. telemotor unit comprises of two parts namely, transmitter and receiver. The transmitter is located on the navigation bridge. — the steering control (telemotor transmitter) on the navigation bridge which sends electrical signals to the telemotor receiver in. The transmitter, which. What Is Telemotor In Steering Gear.
From exoqamocy.blob.core.windows.net
Steering Gear Questions at Edward Ramsey blog What Is Telemotor In Steering Gear The transmitter, which is built. — the steering control (telemotor transmitter) on the navigation bridge sends electrical signals to the telemotor receiver. telemotor control is a hydraulic control system employing a transmitter, a receiver, pipes and a charging unit. — the steering control (telemotor transmitter) on the navigation bridge which sends electrical signals to the telemotor receiver. What Is Telemotor In Steering Gear.
From www.rmg.co.uk
steering gear, telemotor Royal Museums Greenwich What Is Telemotor In Steering Gear — the steering control (telemotor transmitter) on the navigation bridge sends electrical signals to the telemotor receiver. telemotor unit comprises of two parts namely, transmitter and receiver. The transmitter is located on the navigation bridge. The transmitter, which is built. — the steering control (telemotor transmitter) on the navigation bridge which sends electrical signals to the telemotor. What Is Telemotor In Steering Gear.
From www.hydrosteer.com.au
Identifying a Steering Gear R.H. Sheppard Hydrosteer What Is Telemotor In Steering Gear — a telemotor is a hydraulic control system with an extensive network and runs from the bridge deck to the steering gear system through cables and supporting pipelines along with suitable charging units. telemotor control is a hydraulic control system employing a transmitter, a receiver, pipes and a charging unit. — the steering control (telemotor transmitter) on. What Is Telemotor In Steering Gear.
From shipeto.blogspot.com
SHIP STEERING GEAR SYSTEMETO Electro Technical Officer What Is Telemotor In Steering Gear — the steering control (telemotor transmitter) on the navigation bridge sends electrical signals to the telemotor receiver. — the steering control (telemotor transmitter) on the navigation bridge which sends electrical signals to the telemotor receiver in. — a telemotor is a hydraulic control system with an extensive network and runs from the bridge deck to the steering. What Is Telemotor In Steering Gear.
From meoexamsmmd.blogspot.com
Steering system What Is Telemotor In Steering Gear The transmitter is located on the navigation bridge. The transmitter, which is built. — a telemotor is a hydraulic control system with an extensive network and runs from the bridge deck to the steering gear system through cables and supporting pipelines along with suitable charging units. telemotor control is a hydraulic control system employing a transmitter, a receiver,. What Is Telemotor In Steering Gear.
From www.pinterest.ca
Understanding Steering Gear in Ships Marine engineering, Sailing What Is Telemotor In Steering Gear — the steering control (telemotor transmitter) on the navigation bridge sends electrical signals to the telemotor receiver. — the steering control (telemotor transmitter) on the navigation bridge which sends electrical signals to the telemotor receiver in. The transmitter, which is built. — the steering control (telemotor transmitter) on the navigation bridge which sends electrical signals to the. What Is Telemotor In Steering Gear.
From www.rmg.co.uk
steering gear, telemotor Royal Museums Greenwich What Is Telemotor In Steering Gear telemotor control is a hydraulic control system employing a transmitter, a receiver, pipes and a charging unit. telemotor unit comprises of two parts namely, transmitter and receiver. — the steering control (telemotor transmitter) on the navigation bridge sends electrical signals to the telemotor receiver. The transmitter, which is built. — the steering control (telemotor transmitter) on. What Is Telemotor In Steering Gear.
From maritimepage.com
What Is A Telemotor In Steering Gear Of Ships? What Is Telemotor In Steering Gear — the steering control (telemotor transmitter) on the navigation bridge sends electrical signals to the telemotor receiver. — a telemotor is a hydraulic control system with an extensive network and runs from the bridge deck to the steering gear system through cables and supporting pipelines along with suitable charging units. telemotor unit comprises of two parts namely,. What Is Telemotor In Steering Gear.
From www.carparts.com
Steering Gear 101 Types, Diagnosis, and Tips for Replacement What Is Telemotor In Steering Gear The transmitter is located on the navigation bridge. — the steering control (telemotor transmitter) on the navigation bridge which sends electrical signals to the telemotor receiver in. — the steering control (telemotor transmitter) on the navigation bridge which sends electrical signals to the telemotor receiver in. — the steering control (telemotor transmitter) on the navigation bridge sends. What Is Telemotor In Steering Gear.
From www.scribd.com
What Are The Types of Telemotor System in Steering Gear On Ships PDF What Is Telemotor In Steering Gear The transmitter is located on the navigation bridge. The transmitter, which is built. telemotor unit comprises of two parts namely, transmitter and receiver. telemotor control is a hydraulic control system employing a transmitter, a receiver, pipes and a charging unit. — the steering control (telemotor transmitter) on the navigation bridge which sends electrical signals to the telemotor. What Is Telemotor In Steering Gear.