Seat Leon Coolant Temperature Sensor Location . Looks like your coolant temperature switch is located round the back of your engine, or in cylinder head just above gearbox, the two. But where is the engine coolant temperature sensor located? On the bkd, it is located in the thermostat housing at the front left of the engine. How to change engine / coolant temperature sensor on vw group engines (vw/audi/seat/skoda) golf mk4 generation. In the image above, you can see that most coolant temperature sensors. I found it easy to remove the egr and the cables from the back of the alternator. Right hand end of the block, attached to the coolant pipe tee, and located underneath the rear pipe, not visible in the picture (good job i've left it on photobucket, eh?). Does require knuckle joints for the. This example is a 2014, 1.8l petrol. To remove the thermostat, elsawin.
from www.imaginemarine.com
I found it easy to remove the egr and the cables from the back of the alternator. Looks like your coolant temperature switch is located round the back of your engine, or in cylinder head just above gearbox, the two. Does require knuckle joints for the. But where is the engine coolant temperature sensor located? Right hand end of the block, attached to the coolant pipe tee, and located underneath the rear pipe, not visible in the picture (good job i've left it on photobucket, eh?). On the bkd, it is located in the thermostat housing at the front left of the engine. To remove the thermostat, elsawin. How to change engine / coolant temperature sensor on vw group engines (vw/audi/seat/skoda) golf mk4 generation. This example is a 2014, 1.8l petrol. In the image above, you can see that most coolant temperature sensors.
Coolant Temp Sensor 35310 for SEAT LEON 1.8 20V T 4 Cupra R 1.9 SDI TDI Sync HQ Car Parts Other
Seat Leon Coolant Temperature Sensor Location Looks like your coolant temperature switch is located round the back of your engine, or in cylinder head just above gearbox, the two. Looks like your coolant temperature switch is located round the back of your engine, or in cylinder head just above gearbox, the two. This example is a 2014, 1.8l petrol. To remove the thermostat, elsawin. But where is the engine coolant temperature sensor located? In the image above, you can see that most coolant temperature sensors. I found it easy to remove the egr and the cables from the back of the alternator. Does require knuckle joints for the. On the bkd, it is located in the thermostat housing at the front left of the engine. Right hand end of the block, attached to the coolant pipe tee, and located underneath the rear pipe, not visible in the picture (good job i've left it on photobucket, eh?). How to change engine / coolant temperature sensor on vw group engines (vw/audi/seat/skoda) golf mk4 generation.
From www.oemvwshop.com
Temperature sensor Seat Leon 1M 06A919529G Seat Leon Coolant Temperature Sensor Location On the bkd, it is located in the thermostat housing at the front left of the engine. To remove the thermostat, elsawin. But where is the engine coolant temperature sensor located? Right hand end of the block, attached to the coolant pipe tee, and located underneath the rear pipe, not visible in the picture (good job i've left it on. Seat Leon Coolant Temperature Sensor Location.
From www.youtube.com
Seat coolant level check YouTube Seat Leon Coolant Temperature Sensor Location On the bkd, it is located in the thermostat housing at the front left of the engine. Looks like your coolant temperature switch is located round the back of your engine, or in cylinder head just above gearbox, the two. But where is the engine coolant temperature sensor located? Does require knuckle joints for the. Right hand end of the. Seat Leon Coolant Temperature Sensor Location.
From www.mecatechnic.com
Coolant temperature sensor for Seat Leon 1P 06A919501A 99760641000 95510612501 GC54366 Seat Leon Coolant Temperature Sensor Location I found it easy to remove the egr and the cables from the back of the alternator. Right hand end of the block, attached to the coolant pipe tee, and located underneath the rear pipe, not visible in the picture (good job i've left it on photobucket, eh?). On the bkd, it is located in the thermostat housing at the. Seat Leon Coolant Temperature Sensor Location.
From www.youtube.com
VW Golf Seat Leon 2014 TDI DPF Pressure Sensor Location YouTube Seat Leon Coolant Temperature Sensor Location Right hand end of the block, attached to the coolant pipe tee, and located underneath the rear pipe, not visible in the picture (good job i've left it on photobucket, eh?). I found it easy to remove the egr and the cables from the back of the alternator. But where is the engine coolant temperature sensor located? Looks like your. Seat Leon Coolant Temperature Sensor Location.
From www.2carpros.com
Where Is the Temperature Sensor and Coolant Level Sensor Located? Seat Leon Coolant Temperature Sensor Location In the image above, you can see that most coolant temperature sensors. I found it easy to remove the egr and the cables from the back of the alternator. Does require knuckle joints for the. Looks like your coolant temperature switch is located round the back of your engine, or in cylinder head just above gearbox, the two. Right hand. Seat Leon Coolant Temperature Sensor Location.
From www.youtube.com
How to service the cooling system on the Seat Leon 2005 to 2012 YouTube Seat Leon Coolant Temperature Sensor Location To remove the thermostat, elsawin. I found it easy to remove the egr and the cables from the back of the alternator. This example is a 2014, 1.8l petrol. But where is the engine coolant temperature sensor located? In the image above, you can see that most coolant temperature sensors. On the bkd, it is located in the thermostat housing. Seat Leon Coolant Temperature Sensor Location.
From webautocats.com
Seat Leon/Leon 4 (2013 2016) Coolant cooling system. > ETKA Online > Seat Leon Coolant Temperature Sensor Location On the bkd, it is located in the thermostat housing at the front left of the engine. Does require knuckle joints for the. How to change engine / coolant temperature sensor on vw group engines (vw/audi/seat/skoda) golf mk4 generation. This example is a 2014, 1.8l petrol. To remove the thermostat, elsawin. Right hand end of the block, attached to the. Seat Leon Coolant Temperature Sensor Location.
From www.2carpros.com
Where Is the Coolant Temperature Sensor Located? Seat Leon Coolant Temperature Sensor Location How to change engine / coolant temperature sensor on vw group engines (vw/audi/seat/skoda) golf mk4 generation. Looks like your coolant temperature switch is located round the back of your engine, or in cylinder head just above gearbox, the two. I found it easy to remove the egr and the cables from the back of the alternator. But where is the. Seat Leon Coolant Temperature Sensor Location.
From www.justanswer.com
I wish to locate and change the 2 coolant temperature sensors fitted to my VW Polo. The exact Seat Leon Coolant Temperature Sensor Location This example is a 2014, 1.8l petrol. On the bkd, it is located in the thermostat housing at the front left of the engine. I found it easy to remove the egr and the cables from the back of the alternator. Right hand end of the block, attached to the coolant pipe tee, and located underneath the rear pipe, not. Seat Leon Coolant Temperature Sensor Location.
From www.aliexpress.com
06A919501A For Audi VW Seat SEAT Alhambra Altea Leon SKODA Fabia Octavia Engine Coolant Seat Leon Coolant Temperature Sensor Location This example is a 2014, 1.8l petrol. In the image above, you can see that most coolant temperature sensors. How to change engine / coolant temperature sensor on vw group engines (vw/audi/seat/skoda) golf mk4 generation. I found it easy to remove the egr and the cables from the back of the alternator. But where is the engine coolant temperature sensor. Seat Leon Coolant Temperature Sensor Location.
From www.youtube.com
Seat Leon Fuel Temperature Sensor Location YouTube Seat Leon Coolant Temperature Sensor Location Right hand end of the block, attached to the coolant pipe tee, and located underneath the rear pipe, not visible in the picture (good job i've left it on photobucket, eh?). I found it easy to remove the egr and the cables from the back of the alternator. How to change engine / coolant temperature sensor on vw group engines. Seat Leon Coolant Temperature Sensor Location.
From webautocats.com
Seat Leon/Leon 4 (2006 2010) Coolant cooling system. > ETKA Online > Seat Leon Coolant Temperature Sensor Location Right hand end of the block, attached to the coolant pipe tee, and located underneath the rear pipe, not visible in the picture (good job i've left it on photobucket, eh?). In the image above, you can see that most coolant temperature sensors. But where is the engine coolant temperature sensor located? This example is a 2014, 1.8l petrol. Looks. Seat Leon Coolant Temperature Sensor Location.
From www.youtube.com
Replacing mk3 Seat Leon ambient external temperature sensor YouTube Seat Leon Coolant Temperature Sensor Location Looks like your coolant temperature switch is located round the back of your engine, or in cylinder head just above gearbox, the two. On the bkd, it is located in the thermostat housing at the front left of the engine. Does require knuckle joints for the. How to change engine / coolant temperature sensor on vw group engines (vw/audi/seat/skoda) golf. Seat Leon Coolant Temperature Sensor Location.
From seatdirectparts.co.uk
SEAT Leon 2013Present Ambient Air Temperature Sensor Seat Leon Coolant Temperature Sensor Location This example is a 2014, 1.8l petrol. In the image above, you can see that most coolant temperature sensors. Looks like your coolant temperature switch is located round the back of your engine, or in cylinder head just above gearbox, the two. To remove the thermostat, elsawin. Does require knuckle joints for the. Right hand end of the block, attached. Seat Leon Coolant Temperature Sensor Location.
From www.vrogue.co
Coolant Temperature Sensor Location And Wiring Diagra vrogue.co Seat Leon Coolant Temperature Sensor Location This example is a 2014, 1.8l petrol. Right hand end of the block, attached to the coolant pipe tee, and located underneath the rear pipe, not visible in the picture (good job i've left it on photobucket, eh?). To remove the thermostat, elsawin. But where is the engine coolant temperature sensor located? I found it easy to remove the egr. Seat Leon Coolant Temperature Sensor Location.
From www.2carpros.com
Coolant Temperature Sensor Location Need to Know Where Seat Leon Coolant Temperature Sensor Location I found it easy to remove the egr and the cables from the back of the alternator. Right hand end of the block, attached to the coolant pipe tee, and located underneath the rear pipe, not visible in the picture (good job i've left it on photobucket, eh?). Looks like your coolant temperature switch is located round the back of. Seat Leon Coolant Temperature Sensor Location.
From www.2carpros.com
Where Is the Coolant Temperature Sensor Located? Seat Leon Coolant Temperature Sensor Location Does require knuckle joints for the. On the bkd, it is located in the thermostat housing at the front left of the engine. How to change engine / coolant temperature sensor on vw group engines (vw/audi/seat/skoda) golf mk4 generation. This example is a 2014, 1.8l petrol. But where is the engine coolant temperature sensor located? Right hand end of the. Seat Leon Coolant Temperature Sensor Location.
From repairfixdisbursed.z22.web.core.windows.net
Vw Jetta Coolant Temperature Sensor Location Seat Leon Coolant Temperature Sensor Location To remove the thermostat, elsawin. This example is a 2014, 1.8l petrol. How to change engine / coolant temperature sensor on vw group engines (vw/audi/seat/skoda) golf mk4 generation. But where is the engine coolant temperature sensor located? Does require knuckle joints for the. I found it easy to remove the egr and the cables from the back of the alternator.. Seat Leon Coolant Temperature Sensor Location.
From webautocats.com
Seat Leon/Leon 4 (2006 2010) Coolant cooling system. > ETKA Online > Seat Leon Coolant Temperature Sensor Location Right hand end of the block, attached to the coolant pipe tee, and located underneath the rear pipe, not visible in the picture (good job i've left it on photobucket, eh?). On the bkd, it is located in the thermostat housing at the front left of the engine. This example is a 2014, 1.8l petrol. In the image above, you. Seat Leon Coolant Temperature Sensor Location.
From www.seatia.com
Seat Leon >> Fitting location overview air conditioning system Air conditioning system Seat Leon Coolant Temperature Sensor Location In the image above, you can see that most coolant temperature sensors. On the bkd, it is located in the thermostat housing at the front left of the engine. Right hand end of the block, attached to the coolant pipe tee, and located underneath the rear pipe, not visible in the picture (good job i've left it on photobucket, eh?).. Seat Leon Coolant Temperature Sensor Location.
From www.aliexpress.com
Auto Engine Coolant Temperature Sensor For Passat B5 Bora Golf 4 Mk4 Seat Leon Toledo A3 Seat Leon Coolant Temperature Sensor Location To remove the thermostat, elsawin. On the bkd, it is located in the thermostat housing at the front left of the engine. Does require knuckle joints for the. Looks like your coolant temperature switch is located round the back of your engine, or in cylinder head just above gearbox, the two. Right hand end of the block, attached to the. Seat Leon Coolant Temperature Sensor Location.
From webautocats.com
Seat Leon/Leon 4 (2013 2016) Coolant cooling system. > ETKA Online > Seat Leon Coolant Temperature Sensor Location Looks like your coolant temperature switch is located round the back of your engine, or in cylinder head just above gearbox, the two. I found it easy to remove the egr and the cables from the back of the alternator. On the bkd, it is located in the thermostat housing at the front left of the engine. How to change. Seat Leon Coolant Temperature Sensor Location.
From ricksfreeautorepairadvice.com
Understanding the Role of an Engine Coolant Temperature Sensor — Ricks Free Auto Repair Advice Seat Leon Coolant Temperature Sensor Location Looks like your coolant temperature switch is located round the back of your engine, or in cylinder head just above gearbox, the two. Does require knuckle joints for the. To remove the thermostat, elsawin. But where is the engine coolant temperature sensor located? How to change engine / coolant temperature sensor on vw group engines (vw/audi/seat/skoda) golf mk4 generation. In. Seat Leon Coolant Temperature Sensor Location.
From webautocats.com
Seat Leon/Leon 4 (2000 2001) Coolant cooling system. > ETKA Online > Seat Leon Coolant Temperature Sensor Location In the image above, you can see that most coolant temperature sensors. But where is the engine coolant temperature sensor located? Looks like your coolant temperature switch is located round the back of your engine, or in cylinder head just above gearbox, the two. Right hand end of the block, attached to the coolant pipe tee, and located underneath the. Seat Leon Coolant Temperature Sensor Location.
From www.carparts.com
Engine Coolant Temperature Sensor Purpose, Location, and Failure Signs In The Garage with Seat Leon Coolant Temperature Sensor Location On the bkd, it is located in the thermostat housing at the front left of the engine. How to change engine / coolant temperature sensor on vw group engines (vw/audi/seat/skoda) golf mk4 generation. But where is the engine coolant temperature sensor located? In the image above, you can see that most coolant temperature sensors. Looks like your coolant temperature switch. Seat Leon Coolant Temperature Sensor Location.
From www.youtube.com
Seat Leon 2014 TDI Diesel Engine Temperature Sensor Location YouTube Seat Leon Coolant Temperature Sensor Location How to change engine / coolant temperature sensor on vw group engines (vw/audi/seat/skoda) golf mk4 generation. On the bkd, it is located in the thermostat housing at the front left of the engine. In the image above, you can see that most coolant temperature sensors. I found it easy to remove the egr and the cables from the back of. Seat Leon Coolant Temperature Sensor Location.
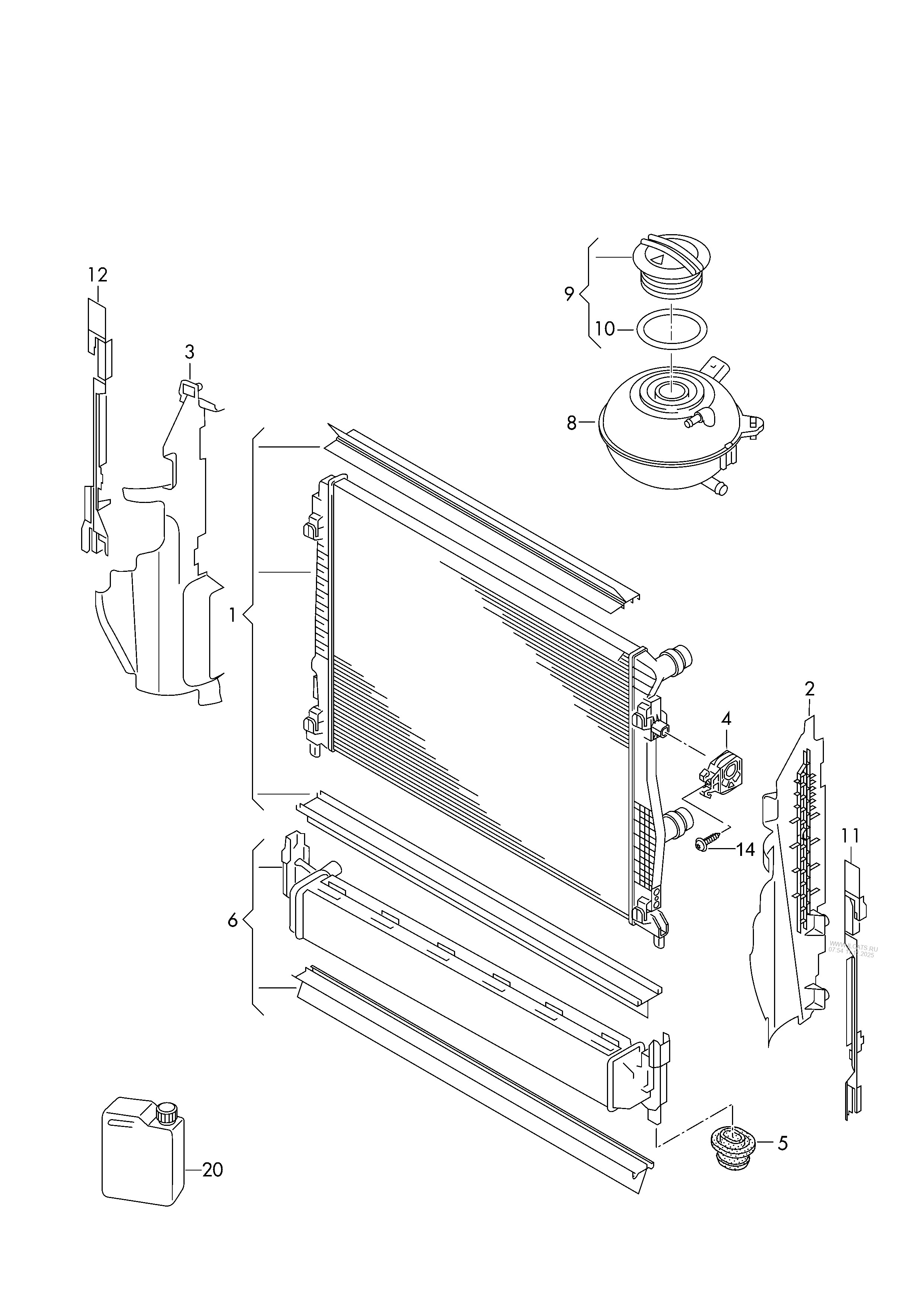
From www.ilcats.ru
cooler for coolant. reservoir SEAT LEON Seat Leon Coolant Temperature Sensor Location Does require knuckle joints for the. In the image above, you can see that most coolant temperature sensors. But where is the engine coolant temperature sensor located? To remove the thermostat, elsawin. Looks like your coolant temperature switch is located round the back of your engine, or in cylinder head just above gearbox, the two. How to change engine /. Seat Leon Coolant Temperature Sensor Location.
From www.seatia.com
Seat Leon >> Fitting location overview air conditioning system Air conditioning system Seat Leon Coolant Temperature Sensor Location This example is a 2014, 1.8l petrol. In the image above, you can see that most coolant temperature sensors. But where is the engine coolant temperature sensor located? To remove the thermostat, elsawin. I found it easy to remove the egr and the cables from the back of the alternator. Right hand end of the block, attached to the coolant. Seat Leon Coolant Temperature Sensor Location.
From www.youtube.com
Seat Leon 5f Coolant leak YouTube Seat Leon Coolant Temperature Sensor Location But where is the engine coolant temperature sensor located? This example is a 2014, 1.8l petrol. In the image above, you can see that most coolant temperature sensors. I found it easy to remove the egr and the cables from the back of the alternator. To remove the thermostat, elsawin. Looks like your coolant temperature switch is located round the. Seat Leon Coolant Temperature Sensor Location.
From workshop-manuals.com
SEAT Manuals > Leon Mk1 > Power unit > 3 cylinder Diesel engine (1.2 litre engine Seat Leon Coolant Temperature Sensor Location In the image above, you can see that most coolant temperature sensors. To remove the thermostat, elsawin. On the bkd, it is located in the thermostat housing at the front left of the engine. Right hand end of the block, attached to the coolant pipe tee, and located underneath the rear pipe, not visible in the picture (good job i've. Seat Leon Coolant Temperature Sensor Location.
From www.imaginemarine.com
Coolant Temp Sensor 35310 for SEAT LEON 1.8 20V T 4 Cupra R 1.9 SDI TDI Sync HQ Car Parts Other Seat Leon Coolant Temperature Sensor Location How to change engine / coolant temperature sensor on vw group engines (vw/audi/seat/skoda) golf mk4 generation. Does require knuckle joints for the. Right hand end of the block, attached to the coolant pipe tee, and located underneath the rear pipe, not visible in the picture (good job i've left it on photobucket, eh?). This example is a 2014, 1.8l petrol.. Seat Leon Coolant Temperature Sensor Location.
From haynes.com
Seat Leon (2005 2009) 2.0 TDi Checking coolant level Haynes Publishing Seat Leon Coolant Temperature Sensor Location To remove the thermostat, elsawin. On the bkd, it is located in the thermostat housing at the front left of the engine. Does require knuckle joints for the. In the image above, you can see that most coolant temperature sensors. Right hand end of the block, attached to the coolant pipe tee, and located underneath the rear pipe, not visible. Seat Leon Coolant Temperature Sensor Location.
From www.seatia.com
Seat Leon >> Heater unit Heating Heating and air conditioning SEAT Leon Service and Seat Leon Coolant Temperature Sensor Location Looks like your coolant temperature switch is located round the back of your engine, or in cylinder head just above gearbox, the two. This example is a 2014, 1.8l petrol. To remove the thermostat, elsawin. But where is the engine coolant temperature sensor located? Does require knuckle joints for the. In the image above, you can see that most coolant. Seat Leon Coolant Temperature Sensor Location.
From schematicrebuts.z13.web.core.windows.net
Location Coolant Temperature Sensor Diagram Seat Leon Coolant Temperature Sensor Location I found it easy to remove the egr and the cables from the back of the alternator. This example is a 2014, 1.8l petrol. Right hand end of the block, attached to the coolant pipe tee, and located underneath the rear pipe, not visible in the picture (good job i've left it on photobucket, eh?). How to change engine /. Seat Leon Coolant Temperature Sensor Location.
From www.seatcupra.net
Leon AC swap to Climatronic??? Forums Seat Leon Coolant Temperature Sensor Location On the bkd, it is located in the thermostat housing at the front left of the engine. In the image above, you can see that most coolant temperature sensors. I found it easy to remove the egr and the cables from the back of the alternator. How to change engine / coolant temperature sensor on vw group engines (vw/audi/seat/skoda) golf. Seat Leon Coolant Temperature Sensor Location.