Carburetor Reed Block . Aftermarket companies have devoted many hours of research to the optimal reed block and petal design, changing materials, configurations, volumes and more to obtain the best performing system specific for the specific engine. Some times it maybe called a reed block or assembly. Reed petals, these are the thin fibre or stainless plates that open and shut controlling the fuel flow in the reed valve. Reed valve is the cage that the reed petals are assembled with. Common bad reed valve symptoms include a lack of power, engine hesitancy, excessive fuel consumption, and harsh idling. This reed is usually a rubber one and very thin. A loose reed valve body can cause fuel starvation including fuel pump failure in engines with an internal pulse port. Reed casting also called the reed manifold or just manifold. Some fuel pumps and carburetors also use what is essentially a reed valve to control the fuel through the pump or carb. How to check and repair reed valves in a paramotor.
from www.ibcinyourc.com
How to check and repair reed valves in a paramotor. A loose reed valve body can cause fuel starvation including fuel pump failure in engines with an internal pulse port. Reed valve is the cage that the reed petals are assembled with. Some fuel pumps and carburetors also use what is essentially a reed valve to control the fuel through the pump or carb. Aftermarket companies have devoted many hours of research to the optimal reed block and petal design, changing materials, configurations, volumes and more to obtain the best performing system specific for the specific engine. Some times it maybe called a reed block or assembly. Reed petals, these are the thin fibre or stainless plates that open and shut controlling the fuel flow in the reed valve. Reed casting also called the reed manifold or just manifold. This reed is usually a rubber one and very thin. Common bad reed valve symptoms include a lack of power, engine hesitancy, excessive fuel consumption, and harsh idling.
40cc T Carburetor Heat Block and Reed Valve Assembly 4011+4016
Carburetor Reed Block Some fuel pumps and carburetors also use what is essentially a reed valve to control the fuel through the pump or carb. A loose reed valve body can cause fuel starvation including fuel pump failure in engines with an internal pulse port. Some times it maybe called a reed block or assembly. Reed petals, these are the thin fibre or stainless plates that open and shut controlling the fuel flow in the reed valve. This reed is usually a rubber one and very thin. Reed casting also called the reed manifold or just manifold. Some fuel pumps and carburetors also use what is essentially a reed valve to control the fuel through the pump or carb. Common bad reed valve symptoms include a lack of power, engine hesitancy, excessive fuel consumption, and harsh idling. Aftermarket companies have devoted many hours of research to the optimal reed block and petal design, changing materials, configurations, volumes and more to obtain the best performing system specific for the specific engine. How to check and repair reed valves in a paramotor. Reed valve is the cage that the reed petals are assembled with.
From pwonly.com
PW80 High Performance Reed Block & Carburetor Kit Black Dragon Carburetor Reed Block Some times it maybe called a reed block or assembly. Reed petals, these are the thin fibre or stainless plates that open and shut controlling the fuel flow in the reed valve. Some fuel pumps and carburetors also use what is essentially a reed valve to control the fuel through the pump or carb. Aftermarket companies have devoted many hours. Carburetor Reed Block.
From www.2040-parts.com
Buy Holley Carburetor (REED) Metering Blocks 4150 HP 4bbl & Fuel Bowl Carburetor Reed Block A loose reed valve body can cause fuel starvation including fuel pump failure in engines with an internal pulse port. Some fuel pumps and carburetors also use what is essentially a reed valve to control the fuel through the pump or carb. Some times it maybe called a reed block or assembly. Reed casting also called the reed manifold or. Carburetor Reed Block.
From www.agskartparts.com.au
REED BLOCK ASSEMBLY 66.7mm IAME Carburetor Reed Block Reed valve is the cage that the reed petals are assembled with. Reed casting also called the reed manifold or just manifold. Some times it maybe called a reed block or assembly. This reed is usually a rubber one and very thin. Common bad reed valve symptoms include a lack of power, engine hesitancy, excessive fuel consumption, and harsh idling.. Carburetor Reed Block.
From pwonly.com
PW50 Reed Block PWonly Carburetor Reed Block Reed valve is the cage that the reed petals are assembled with. A loose reed valve body can cause fuel starvation including fuel pump failure in engines with an internal pulse port. Reed petals, these are the thin fibre or stainless plates that open and shut controlling the fuel flow in the reed valve. Common bad reed valve symptoms include. Carburetor Reed Block.
From www.racing-planet.co.uk
intake manifold Polini reed block 24/28.5mm for Vespa 50 HP, FL2, PK Carburetor Reed Block Aftermarket companies have devoted many hours of research to the optimal reed block and petal design, changing materials, configurations, volumes and more to obtain the best performing system specific for the specific engine. Some fuel pumps and carburetors also use what is essentially a reed valve to control the fuel through the pump or carb. This reed is usually a. Carburetor Reed Block.
From www.desertcart.jp
Buy Wenyu Dio reed valve cylinder setup and carburetor machined block Carburetor Reed Block A loose reed valve body can cause fuel starvation including fuel pump failure in engines with an internal pulse port. Common bad reed valve symptoms include a lack of power, engine hesitancy, excessive fuel consumption, and harsh idling. Reed valve is the cage that the reed petals are assembled with. How to check and repair reed valves in a paramotor.. Carburetor Reed Block.
From www.2040-parts.com
Buy Holley Carburetor (REED) Metering Blocks 4150 HP 4bbl & Fuel Bowl Carburetor Reed Block A loose reed valve body can cause fuel starvation including fuel pump failure in engines with an internal pulse port. Some times it maybe called a reed block or assembly. Reed casting also called the reed manifold or just manifold. Reed petals, these are the thin fibre or stainless plates that open and shut controlling the fuel flow in the. Carburetor Reed Block.
From www.ibcinyourc.com
40cc T Carburetor Heat Block and Reed Valve Assembly 4011+4016 Carburetor Reed Block Some fuel pumps and carburetors also use what is essentially a reed valve to control the fuel through the pump or carb. A loose reed valve body can cause fuel starvation including fuel pump failure in engines with an internal pulse port. Reed petals, these are the thin fibre or stainless plates that open and shut controlling the fuel flow. Carburetor Reed Block.
From www.marineengine.com
Mercury Mariner Racing Mercury Mariner 2.5L (Carburetor) Reed Block Carburetor Reed Block Aftermarket companies have devoted many hours of research to the optimal reed block and petal design, changing materials, configurations, volumes and more to obtain the best performing system specific for the specific engine. How to check and repair reed valves in a paramotor. Some fuel pumps and carburetors also use what is essentially a reed valve to control the fuel. Carburetor Reed Block.
From www.ebay.com
Dio Reed Valve & Cylinder Set Carburetor Machined Block 66/80cc Carburetor Reed Block Reed casting also called the reed manifold or just manifold. Reed valve is the cage that the reed petals are assembled with. Common bad reed valve symptoms include a lack of power, engine hesitancy, excessive fuel consumption, and harsh idling. How to check and repair reed valves in a paramotor. Reed petals, these are the thin fibre or stainless plates. Carburetor Reed Block.
From greenbayprop.com
FA440157 FA698167 Force LDrive Upper Lower Carb Adapter Reed Cage Carburetor Reed Block A loose reed valve body can cause fuel starvation including fuel pump failure in engines with an internal pulse port. Some times it maybe called a reed block or assembly. Some fuel pumps and carburetors also use what is essentially a reed valve to control the fuel through the pump or carb. Reed casting also called the reed manifold or. Carburetor Reed Block.
From www.ebay.com
Mercury Reed Block 19861998 6 8 9.9 15 20 25 HP 42381A2 828435A1 828435A3 Carburetor Reed Block How to check and repair reed valves in a paramotor. A loose reed valve body can cause fuel starvation including fuel pump failure in engines with an internal pulse port. Aftermarket companies have devoted many hours of research to the optimal reed block and petal design, changing materials, configurations, volumes and more to obtain the best performing system specific for. Carburetor Reed Block.
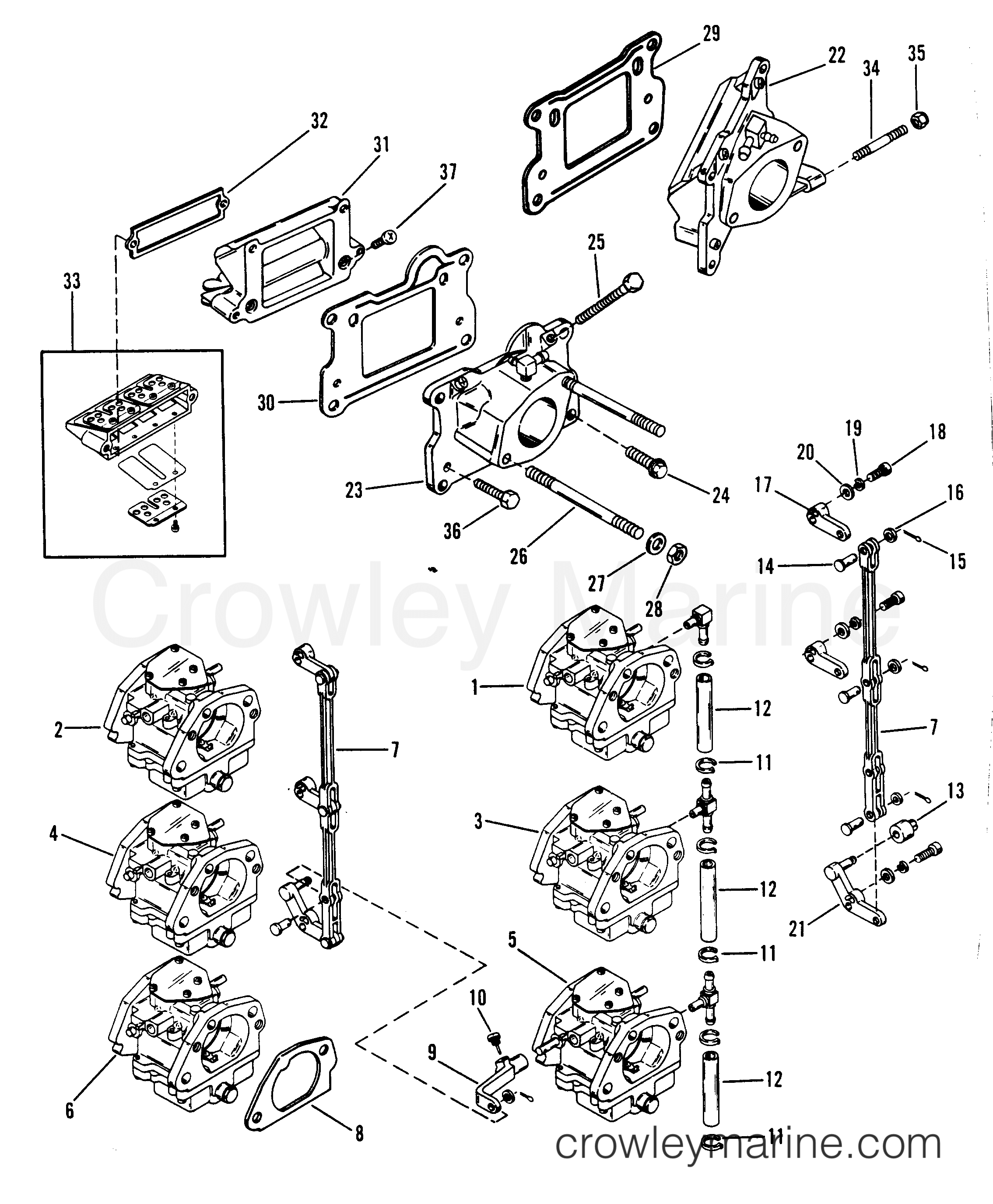
From www.crowleymarine.com
CARBURETOR PLATE AND REED BLOCK (SERIAL D000750 AND ABOVE) 1989 Carburetor Reed Block A loose reed valve body can cause fuel starvation including fuel pump failure in engines with an internal pulse port. Reed casting also called the reed manifold or just manifold. Some times it maybe called a reed block or assembly. Common bad reed valve symptoms include a lack of power, engine hesitancy, excessive fuel consumption, and harsh idling. Aftermarket companies. Carburetor Reed Block.
From vps99246.inmotionhosting.com
PW80 High Performance Reed Block & Carburetor Kit Black Dragon Carburetor Reed Block How to check and repair reed valves in a paramotor. Reed petals, these are the thin fibre or stainless plates that open and shut controlling the fuel flow in the reed valve. Reed casting also called the reed manifold or just manifold. Some fuel pumps and carburetors also use what is essentially a reed valve to control the fuel through. Carburetor Reed Block.
From www.ebay.com
1973 Yamaha DT3 DT 250 Intake Manifold Carburetor Spacer Reed Block Carburetor Reed Block Reed petals, these are the thin fibre or stainless plates that open and shut controlling the fuel flow in the reed valve. Some times it maybe called a reed block or assembly. Reed casting also called the reed manifold or just manifold. A loose reed valve body can cause fuel starvation including fuel pump failure in engines with an internal. Carburetor Reed Block.
From www.2040-parts.com
Find Suzuki RM250 RM 250 Carburetor Reed Cage Valve Block Intake 1999 Carburetor Reed Block Common bad reed valve symptoms include a lack of power, engine hesitancy, excessive fuel consumption, and harsh idling. Some fuel pumps and carburetors also use what is essentially a reed valve to control the fuel through the pump or carb. This reed is usually a rubber one and very thin. Reed petals, these are the thin fibre or stainless plates. Carburetor Reed Block.
From www.southcentraloutboards.com
199809 Mercury & Mariner Reed Block Assembly 828623T4 75 80 90 115 200 Carburetor Reed Block A loose reed valve body can cause fuel starvation including fuel pump failure in engines with an internal pulse port. Some times it maybe called a reed block or assembly. Reed casting also called the reed manifold or just manifold. Reed petals, these are the thin fibre or stainless plates that open and shut controlling the fuel flow in the. Carburetor Reed Block.
From www.racing-planet.com
intake manifold Polini reed block 19/25.5mm for Vespa 50 PK, XL, 125 PK Carburetor Reed Block A loose reed valve body can cause fuel starvation including fuel pump failure in engines with an internal pulse port. Reed petals, these are the thin fibre or stainless plates that open and shut controlling the fuel flow in the reed valve. How to check and repair reed valves in a paramotor. Aftermarket companies have devoted many hours of research. Carburetor Reed Block.
From greenbayprop.com
43517A9 75953 Mercury Mariner V6 Outboard Reed Plate Green Bay Carburetor Reed Block How to check and repair reed valves in a paramotor. Reed valve is the cage that the reed petals are assembled with. This reed is usually a rubber one and very thin. A loose reed valve body can cause fuel starvation including fuel pump failure in engines with an internal pulse port. Reed petals, these are the thin fibre or. Carburetor Reed Block.
From www.agskartparts.com.au
No 31 REED BLOCK ASSEMBLY ROTAX MAX Carburetor Reed Block Aftermarket companies have devoted many hours of research to the optimal reed block and petal design, changing materials, configurations, volumes and more to obtain the best performing system specific for the specific engine. Reed petals, these are the thin fibre or stainless plates that open and shut controlling the fuel flow in the reed valve. How to check and repair. Carburetor Reed Block.
From www.ebay.com
Mercury Outboard Carburetors V6 Motor 2.0L With Reed Blocks 33089672 Carburetor Reed Block A loose reed valve body can cause fuel starvation including fuel pump failure in engines with an internal pulse port. Reed casting also called the reed manifold or just manifold. Some fuel pumps and carburetors also use what is essentially a reed valve to control the fuel through the pump or carb. Reed valve is the cage that the reed. Carburetor Reed Block.
From www.2040-parts.com
Buy Holley Carburetor (REED) Metering Blocks 4150 HP 4bbl & Fuel Bowl Carburetor Reed Block How to check and repair reed valves in a paramotor. Reed petals, these are the thin fibre or stainless plates that open and shut controlling the fuel flow in the reed valve. Aftermarket companies have devoted many hours of research to the optimal reed block and petal design, changing materials, configurations, volumes and more to obtain the best performing system. Carburetor Reed Block.
From www.walmart.com
Carburetor Reed Valve Mainfold Kit, Carburetor Reed Block Valve Carburetor Reed Block Aftermarket companies have devoted many hours of research to the optimal reed block and petal design, changing materials, configurations, volumes and more to obtain the best performing system specific for the specific engine. How to check and repair reed valves in a paramotor. Common bad reed valve symptoms include a lack of power, engine hesitancy, excessive fuel consumption, and harsh. Carburetor Reed Block.
From greenbayprop.com
43517A9 75953 Mercury Mariner V6 Outboard Reed Plate & Reed Blocks Carburetor Reed Block Some times it maybe called a reed block or assembly. This reed is usually a rubber one and very thin. A loose reed valve body can cause fuel starvation including fuel pump failure in engines with an internal pulse port. Some fuel pumps and carburetors also use what is essentially a reed valve to control the fuel through the pump. Carburetor Reed Block.
From www.racing-planet.co.uk
intake manifold Polini reed block 24/28.5mm for Vespa 50 Special, 125 Carburetor Reed Block Aftermarket companies have devoted many hours of research to the optimal reed block and petal design, changing materials, configurations, volumes and more to obtain the best performing system specific for the specific engine. Some fuel pumps and carburetors also use what is essentially a reed valve to control the fuel through the pump or carb. How to check and repair. Carburetor Reed Block.
From www.crowleymarine.com
63309 Carburetor To Reed Block Gasket Mercury Marine Crowley Marine Carburetor Reed Block Reed petals, these are the thin fibre or stainless plates that open and shut controlling the fuel flow in the reed valve. Aftermarket companies have devoted many hours of research to the optimal reed block and petal design, changing materials, configurations, volumes and more to obtain the best performing system specific for the specific engine. This reed is usually a. Carburetor Reed Block.
From www.agskartparts.com.au
CARBON REED BLOCK Carburetor Reed Block Reed casting also called the reed manifold or just manifold. This reed is usually a rubber one and very thin. How to check and repair reed valves in a paramotor. Reed petals, these are the thin fibre or stainless plates that open and shut controlling the fuel flow in the reed valve. Some times it maybe called a reed block. Carburetor Reed Block.
From greenbayprop.com
FA440157 FA698167 Force LDrive Upper Lower Carb Adapter Reed Cage Carburetor Reed Block Common bad reed valve symptoms include a lack of power, engine hesitancy, excessive fuel consumption, and harsh idling. Reed casting also called the reed manifold or just manifold. Reed petals, these are the thin fibre or stainless plates that open and shut controlling the fuel flow in the reed valve. Aftermarket companies have devoted many hours of research to the. Carburetor Reed Block.
From www.2040-parts.com
Sell Suzuki RM250 RM 250 Carburetor Reed Cage Valve Block Intake 1999 Carburetor Reed Block Aftermarket companies have devoted many hours of research to the optimal reed block and petal design, changing materials, configurations, volumes and more to obtain the best performing system specific for the specific engine. Some times it maybe called a reed block or assembly. Reed petals, these are the thin fibre or stainless plates that open and shut controlling the fuel. Carburetor Reed Block.
From www.valleyviewrc.com
VVRC 40cc Twin carburetor Heat Block and Reed Valve Assembly Carburetor Reed Block A loose reed valve body can cause fuel starvation including fuel pump failure in engines with an internal pulse port. How to check and repair reed valves in a paramotor. Common bad reed valve symptoms include a lack of power, engine hesitancy, excessive fuel consumption, and harsh idling. This reed is usually a rubber one and very thin. Reed petals,. Carburetor Reed Block.
From www.treatland.tv
yamaha FS1 fizzy performance reed block with carb reeds Carburetor Reed Block Reed casting also called the reed manifold or just manifold. Reed valve is the cage that the reed petals are assembled with. This reed is usually a rubber one and very thin. Some times it maybe called a reed block or assembly. Aftermarket companies have devoted many hours of research to the optimal reed block and petal design, changing materials,. Carburetor Reed Block.
From www.aliexpress.com
Reed valve RD350 RD250 DT180 DT175 YZ125 YZ60 RD250 MX100 Intake Reed Carburetor Reed Block Some fuel pumps and carburetors also use what is essentially a reed valve to control the fuel through the pump or carb. Common bad reed valve symptoms include a lack of power, engine hesitancy, excessive fuel consumption, and harsh idling. Some times it maybe called a reed block or assembly. This reed is usually a rubber one and very thin.. Carburetor Reed Block.
From www.crowleymarine.com
CARBURETOR PLATE AND REED BLOCK (SERIAL D000749 AND BELOW) 1989 Carburetor Reed Block Reed casting also called the reed manifold or just manifold. A loose reed valve body can cause fuel starvation including fuel pump failure in engines with an internal pulse port. Aftermarket companies have devoted many hours of research to the optimal reed block and petal design, changing materials, configurations, volumes and more to obtain the best performing system specific for. Carburetor Reed Block.
From www.agskartparts.com.au
No 65A/66A REED BLOCK COMPLETE WITH CARBON REEDS Carburetor Reed Block Some fuel pumps and carburetors also use what is essentially a reed valve to control the fuel through the pump or carb. Reed casting also called the reed manifold or just manifold. Reed petals, these are the thin fibre or stainless plates that open and shut controlling the fuel flow in the reed valve. Some times it maybe called a. Carburetor Reed Block.
From www.southcentraloutboards.com
Mercury & Mariner Reed Block Housing w/ Reeds 19781995 200 HP 43517T Carburetor Reed Block Some fuel pumps and carburetors also use what is essentially a reed valve to control the fuel through the pump or carb. Aftermarket companies have devoted many hours of research to the optimal reed block and petal design, changing materials, configurations, volumes and more to obtain the best performing system specific for the specific engine. A loose reed valve body. Carburetor Reed Block.