Cascade Ug2000 . Wash tank is constructed from stainless steel for longer life. Ug4000 series spray gun cleaner. Every machine is rigorously tested for compliance with stringent. The brush is especially useful. Cleans 2 spray guns in under 1 minute. Washing is activated by a wash timer and. Ug2000 series spray gun cleaners. Have a question or need a quote? Ug5000w series spray gun cleaners. Ug2000dmv ultrasonic jewelry cleaner pdf manual download. Ug2000d series paint sprayer pdf manual download.
from www.gunsamerica.com
Every machine is rigorously tested for compliance with stringent. Have a question or need a quote? Washing is activated by a wash timer and. Ug4000 series spray gun cleaner. The brush is especially useful. Ug2000dmv ultrasonic jewelry cleaner pdf manual download. Cleans 2 spray guns in under 1 minute. Ug2000 series spray gun cleaners. Ug5000w series spray gun cleaners. Ug2000d series paint sprayer pdf manual download.
Full Review CVA Cascade SB (Short Barrel)
Cascade Ug2000 Every machine is rigorously tested for compliance with stringent. Cleans 2 spray guns in under 1 minute. Ug5000w series spray gun cleaners. Ug2000d series paint sprayer pdf manual download. Ug2000dmv ultrasonic jewelry cleaner pdf manual download. Have a question or need a quote? Wash tank is constructed from stainless steel for longer life. Every machine is rigorously tested for compliance with stringent. Ug2000 series spray gun cleaners. Ug4000 series spray gun cleaner. Washing is activated by a wash timer and. The brush is especially useful.
From www.kayak.fr
Les 12 plus belles cascades en France pour vous évader KAYAK Cascade Ug2000 Ug2000dmv ultrasonic jewelry cleaner pdf manual download. Cleans 2 spray guns in under 1 minute. Washing is activated by a wash timer and. Ug4000 series spray gun cleaner. Wash tank is constructed from stainless steel for longer life. Ug2000d series paint sprayer pdf manual download. Ug5000w series spray gun cleaners. The brush is especially useful. Every machine is rigorously tested. Cascade Ug2000.
From www.techradar.com
Geekbench 4 benchmark suggest an 18core Cascade LakeX chip TechRadar Cascade Ug2000 Ug2000dmv ultrasonic jewelry cleaner pdf manual download. Washing is activated by a wash timer and. Wash tank is constructed from stainless steel for longer life. Have a question or need a quote? Cleans 2 spray guns in under 1 minute. Ug2000d series paint sprayer pdf manual download. Every machine is rigorously tested for compliance with stringent. Ug2000 series spray gun. Cascade Ug2000.
From www.ugsnx.com
NX2212 五轴案例2 UG四轴/五轴 UG爱好者 Cascade Ug2000 Washing is activated by a wash timer and. Ug2000dmv ultrasonic jewelry cleaner pdf manual download. Ug5000w series spray gun cleaners. Ug2000d series paint sprayer pdf manual download. Ug4000 series spray gun cleaner. Ug2000 series spray gun cleaners. The brush is especially useful. Cleans 2 spray guns in under 1 minute. Every machine is rigorously tested for compliance with stringent. Cascade Ug2000.
From www.emmace.se
Cascade Impactor (APSD) testing Emmace Cascade Ug2000 Ug4000 series spray gun cleaner. Ug2000d series paint sprayer pdf manual download. Every machine is rigorously tested for compliance with stringent. The brush is especially useful. Ug5000w series spray gun cleaners. Washing is activated by a wash timer and. Ug2000dmv ultrasonic jewelry cleaner pdf manual download. Have a question or need a quote? Cleans 2 spray guns in under 1. Cascade Ug2000.
From www.svgrepo.com
Flow Cascade Vector SVG Icon SVG Repo Cascade Ug2000 Ug2000d series paint sprayer pdf manual download. The brush is especially useful. Wash tank is constructed from stainless steel for longer life. Have a question or need a quote? Washing is activated by a wash timer and. Ug5000w series spray gun cleaners. Cleans 2 spray guns in under 1 minute. Every machine is rigorously tested for compliance with stringent. Ug2000dmv. Cascade Ug2000.
From huggingface.co
Stable Cascade Api a Hugging Face Space by radames Cascade Ug2000 The brush is especially useful. Washing is activated by a wash timer and. Have a question or need a quote? Ug2000dmv ultrasonic jewelry cleaner pdf manual download. Ug4000 series spray gun cleaner. Cleans 2 spray guns in under 1 minute. Ug5000w series spray gun cleaners. Every machine is rigorously tested for compliance with stringent. Wash tank is constructed from stainless. Cascade Ug2000.
From medium.com
생성형 AI 실습 다양한 질감의 3D 폰트 스타일 만들기 — (2) Adobe Express by CJ Lee Do Things Studio Feb, 2024 Cascade Ug2000 Have a question or need a quote? Washing is activated by a wash timer and. Cleans 2 spray guns in under 1 minute. Ug4000 series spray gun cleaner. Wash tank is constructed from stainless steel for longer life. Ug2000d series paint sprayer pdf manual download. The brush is especially useful. Every machine is rigorously tested for compliance with stringent. Ug2000. Cascade Ug2000.
From kr.caeonline.com
CASCADE MICROTECH / ALESSI Summit 12000 Prober 익숙한 판매용 가격 293623286 > 사다 from CAE Cascade Ug2000 Every machine is rigorously tested for compliance with stringent. The brush is especially useful. Ug2000 series spray gun cleaners. Ug2000d series paint sprayer pdf manual download. Washing is activated by a wash timer and. Cleans 2 spray guns in under 1 minute. Wash tank is constructed from stainless steel for longer life. Have a question or need a quote? Ug2000dmv. Cascade Ug2000.
From www.ugsnx.com
自学UG2000四五轴编程,希望各位给给意见,谢谢!3 UG四轴/五轴 UG爱好者 Cascade Ug2000 The brush is especially useful. Washing is activated by a wash timer and. Ug2000 series spray gun cleaners. Cleans 2 spray guns in under 1 minute. Ug2000d series paint sprayer pdf manual download. Every machine is rigorously tested for compliance with stringent. Ug2000dmv ultrasonic jewelry cleaner pdf manual download. Have a question or need a quote? Ug4000 series spray gun. Cascade Ug2000.
From www.toolsource.com
UniRam UG110 Cascade Auto Spray Economy Mini Gun Washer Cascade Ug2000 Ug2000 series spray gun cleaners. Every machine is rigorously tested for compliance with stringent. Washing is activated by a wash timer and. The brush is especially useful. Cleans 2 spray guns in under 1 minute. Have a question or need a quote? Ug4000 series spray gun cleaner. Ug2000dmv ultrasonic jewelry cleaner pdf manual download. Ug2000d series paint sprayer pdf manual. Cascade Ug2000.
From uniram.com
UG2000DM Uniram Corporation Cascade Ug2000 Ug5000w series spray gun cleaners. Washing is activated by a wash timer and. The brush is especially useful. Ug2000d series paint sprayer pdf manual download. Ug2000dmv ultrasonic jewelry cleaner pdf manual download. Ug2000 series spray gun cleaners. Cleans 2 spray guns in under 1 minute. Have a question or need a quote? Ug4000 series spray gun cleaner. Cascade Ug2000.
From www.youtube.com
SEMA 2015 UniRam UG2000DM Automatic Spray Gun Cleaner YouTube Cascade Ug2000 The brush is especially useful. Ug2000d series paint sprayer pdf manual download. Ug5000w series spray gun cleaners. Ug4000 series spray gun cleaner. Washing is activated by a wash timer and. Ug2000 series spray gun cleaners. Cleans 2 spray guns in under 1 minute. Ug2000dmv ultrasonic jewelry cleaner pdf manual download. Every machine is rigorously tested for compliance with stringent. Cascade Ug2000.
From www.studocu.com
Rangkaian Cascade (A+ B+ A B) A0A1 B0B 4 2 4 2 5 113 5 3 22 A 1313 S 1 S 2 4 2 2 5 1 B 1 2 3 Cascade Ug2000 Ug2000dmv ultrasonic jewelry cleaner pdf manual download. Wash tank is constructed from stainless steel for longer life. Ug2000d series paint sprayer pdf manual download. Cleans 2 spray guns in under 1 minute. Have a question or need a quote? Washing is activated by a wash timer and. The brush is especially useful. Every machine is rigorously tested for compliance with. Cascade Ug2000.
From iconape.com
Cascade Scientific Logo Download png Cascade Ug2000 Washing is activated by a wash timer and. Wash tank is constructed from stainless steel for longer life. Ug2000dmv ultrasonic jewelry cleaner pdf manual download. The brush is especially useful. Every machine is rigorously tested for compliance with stringent. Have a question or need a quote? Ug5000w series spray gun cleaners. Cleans 2 spray guns in under 1 minute. Ug4000. Cascade Ug2000.
From www.listal.com
Image of Cascade Brown Cascade Ug2000 Ug4000 series spray gun cleaner. Ug2000dmv ultrasonic jewelry cleaner pdf manual download. The brush is especially useful. Ug2000d series paint sprayer pdf manual download. Ug2000 series spray gun cleaners. Have a question or need a quote? Every machine is rigorously tested for compliance with stringent. Ug5000w series spray gun cleaners. Washing is activated by a wash timer and. Cascade Ug2000.
From depositphotos.com
Cascade image libre de droit par GoodOlga © 1903672 Cascade Ug2000 Washing is activated by a wash timer and. Have a question or need a quote? Ug2000d series paint sprayer pdf manual download. Ug2000 series spray gun cleaners. Wash tank is constructed from stainless steel for longer life. Ug5000w series spray gun cleaners. Cleans 2 spray guns in under 1 minute. Ug4000 series spray gun cleaner. Every machine is rigorously tested. Cascade Ug2000.
From stmods.org
Скачать мод Amazone UG2000 Special версия 1.0.0.0 для Farming Simulator 2022 Cascade Ug2000 Washing is activated by a wash timer and. Ug2000 series spray gun cleaners. Ug5000w series spray gun cleaners. Wash tank is constructed from stainless steel for longer life. Every machine is rigorously tested for compliance with stringent. Ug2000d series paint sprayer pdf manual download. The brush is especially useful. Ug2000dmv ultrasonic jewelry cleaner pdf manual download. Ug4000 series spray gun. Cascade Ug2000.
From bornhunting.com
CVA Cascade XT rifle review Archives Born Hunting Cascade Ug2000 Ug5000w series spray gun cleaners. Every machine is rigorously tested for compliance with stringent. Cleans 2 spray guns in under 1 minute. Wash tank is constructed from stainless steel for longer life. Ug2000dmv ultrasonic jewelry cleaner pdf manual download. The brush is especially useful. Ug2000 series spray gun cleaners. Ug2000d series paint sprayer pdf manual download. Have a question or. Cascade Ug2000.
From www.univerzal-gradac.com
Homogenizator, Paster, Dezo barijera, Seperator, Punilica Cascade Ug2000 Ug2000 series spray gun cleaners. Ug4000 series spray gun cleaner. Ug5000w series spray gun cleaners. Have a question or need a quote? Ug2000d series paint sprayer pdf manual download. Ug2000dmv ultrasonic jewelry cleaner pdf manual download. The brush is especially useful. Washing is activated by a wash timer and. Cleans 2 spray guns in under 1 minute. Cascade Ug2000.
From www.gunsamerica.com
Testing the CASCADE XT, CVA's Precision Rifle Cascade Ug2000 The brush is especially useful. Ug2000d series paint sprayer pdf manual download. Ug2000dmv ultrasonic jewelry cleaner pdf manual download. Cleans 2 spray guns in under 1 minute. Washing is activated by a wash timer and. Ug4000 series spray gun cleaner. Ug2000 series spray gun cleaners. Every machine is rigorously tested for compliance with stringent. Ug5000w series spray gun cleaners. Cascade Ug2000.
From www.gunsamerica.com
Full Review CVA Cascade SB (Short Barrel) Cascade Ug2000 Ug2000dmv ultrasonic jewelry cleaner pdf manual download. The brush is especially useful. Ug2000 series spray gun cleaners. Washing is activated by a wash timer and. Cleans 2 spray guns in under 1 minute. Ug5000w series spray gun cleaners. Ug4000 series spray gun cleaner. Have a question or need a quote? Wash tank is constructed from stainless steel for longer life. Cascade Ug2000.
From www.markwhitelive.com
Cascade Cascade Ug2000 Ug2000dmv ultrasonic jewelry cleaner pdf manual download. Ug5000w series spray gun cleaners. Ug4000 series spray gun cleaner. Every machine is rigorously tested for compliance with stringent. Ug2000d series paint sprayer pdf manual download. Washing is activated by a wash timer and. Have a question or need a quote? Wash tank is constructed from stainless steel for longer life. Ug2000 series. Cascade Ug2000.
From www.publicdomainpictures.net
Gushing Water Cascade Free Stock Photo Public Domain Pictures Cascade Ug2000 Washing is activated by a wash timer and. Cleans 2 spray guns in under 1 minute. Ug2000d series paint sprayer pdf manual download. Ug4000 series spray gun cleaner. Every machine is rigorously tested for compliance with stringent. Have a question or need a quote? The brush is especially useful. Wash tank is constructed from stainless steel for longer life. Ug5000w. Cascade Ug2000.
From newristics.com
Availability Cascade Cascade Ug2000 Every machine is rigorously tested for compliance with stringent. Ug5000w series spray gun cleaners. Ug2000dmv ultrasonic jewelry cleaner pdf manual download. Have a question or need a quote? Cleans 2 spray guns in under 1 minute. Ug4000 series spray gun cleaner. The brush is especially useful. Ug2000d series paint sprayer pdf manual download. Wash tank is constructed from stainless steel. Cascade Ug2000.
From www.costco.com.au
Cascade Platinum Dishwashing Pacs 92 Count Costco Austr... Cascade Ug2000 Ug5000w series spray gun cleaners. Ug2000 series spray gun cleaners. Ug2000dmv ultrasonic jewelry cleaner pdf manual download. The brush is especially useful. Ug2000d series paint sprayer pdf manual download. Cleans 2 spray guns in under 1 minute. Ug4000 series spray gun cleaner. Have a question or need a quote? Wash tank is constructed from stainless steel for longer life. Cascade Ug2000.
From kayacarpets.com
Light Blue Kaya Carpets Cascade Ug2000 Cleans 2 spray guns in under 1 minute. Ug2000dmv ultrasonic jewelry cleaner pdf manual download. Ug2000 series spray gun cleaners. Every machine is rigorously tested for compliance with stringent. Ug5000w series spray gun cleaners. Wash tank is constructed from stainless steel for longer life. Ug4000 series spray gun cleaner. The brush is especially useful. Ug2000d series paint sprayer pdf manual. Cascade Ug2000.
From www.techradar.com
Intel to launch Cascade LakeX processors in November, cheaper than ever before TechRadar Cascade Ug2000 Ug2000d series paint sprayer pdf manual download. Ug2000dmv ultrasonic jewelry cleaner pdf manual download. Wash tank is constructed from stainless steel for longer life. Ug4000 series spray gun cleaner. Every machine is rigorously tested for compliance with stringent. Have a question or need a quote? Ug2000 series spray gun cleaners. Cleans 2 spray guns in under 1 minute. The brush. Cascade Ug2000.
From www.prweb.com
Cascade Sotheby's International Realty Taps Top Tier Communications and Marketing Strategist to Cascade Ug2000 The brush is especially useful. Every machine is rigorously tested for compliance with stringent. Have a question or need a quote? Wash tank is constructed from stainless steel for longer life. Ug5000w series spray gun cleaners. Ug2000 series spray gun cleaners. Cleans 2 spray guns in under 1 minute. Washing is activated by a wash timer and. Ug2000d series paint. Cascade Ug2000.
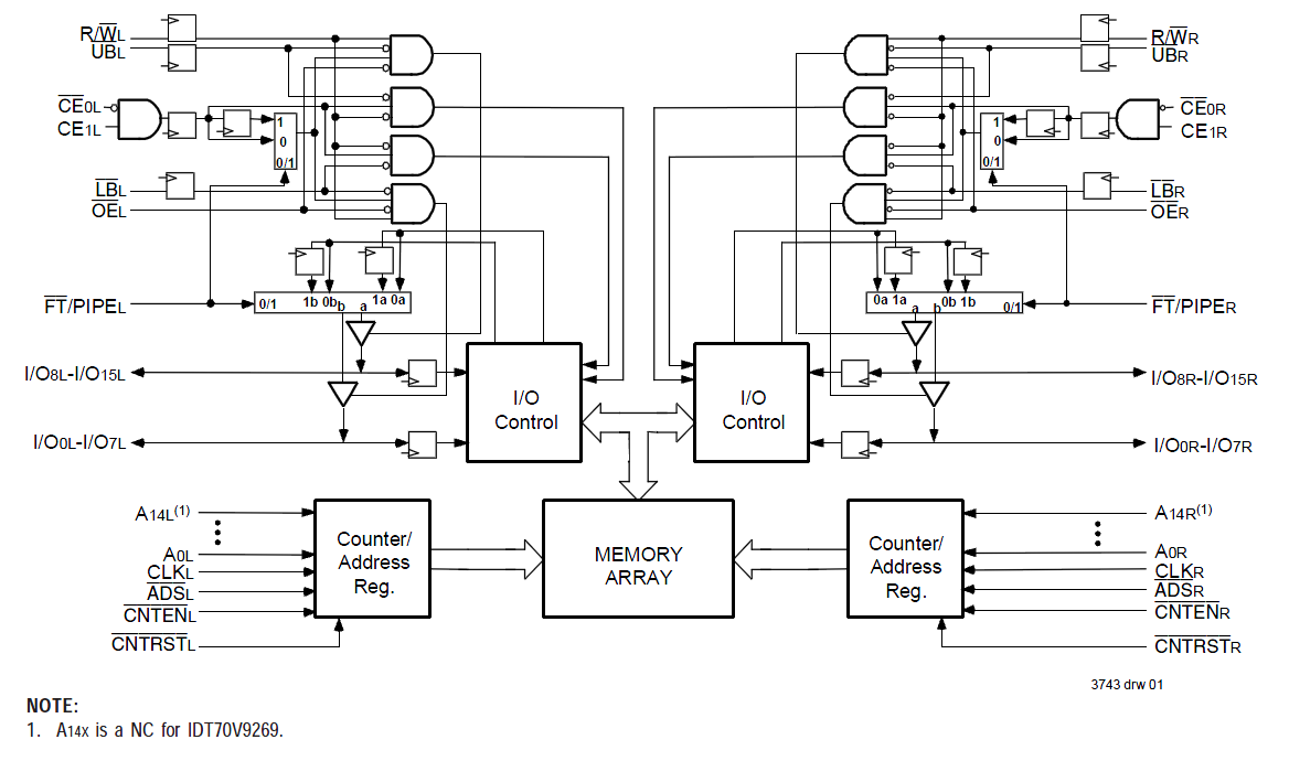
From www.renesas.com
7164 5.0V 8K x 8 Asynchronous Static RAM Renesas Cascade Ug2000 The brush is especially useful. Every machine is rigorously tested for compliance with stringent. Wash tank is constructed from stainless steel for longer life. Ug4000 series spray gun cleaner. Ug2000 series spray gun cleaners. Cleans 2 spray guns in under 1 minute. Have a question or need a quote? Ug5000w series spray gun cleaners. Ug2000d series paint sprayer pdf manual. Cascade Ug2000.
From www.renesas.cn
同步双端口 RAM Renesas Cascade Ug2000 Have a question or need a quote? Ug4000 series spray gun cleaner. Ug2000d series paint sprayer pdf manual download. Ug2000 series spray gun cleaners. Ug2000dmv ultrasonic jewelry cleaner pdf manual download. Wash tank is constructed from stainless steel for longer life. Cleans 2 spray guns in under 1 minute. Ug5000w series spray gun cleaners. Washing is activated by a wash. Cascade Ug2000.
From www.gunsamerica.com
Full Review CVA Cascade SB (Short Barrel) Cascade Ug2000 Ug5000w series spray gun cleaners. Have a question or need a quote? Ug2000 series spray gun cleaners. Every machine is rigorously tested for compliance with stringent. Cleans 2 spray guns in under 1 minute. Ug2000d series paint sprayer pdf manual download. Wash tank is constructed from stainless steel for longer life. Ug4000 series spray gun cleaner. Washing is activated by. Cascade Ug2000.
From www.equipx.net
Currency Converter Cascade Ug2000 Wash tank is constructed from stainless steel for longer life. The brush is especially useful. Cleans 2 spray guns in under 1 minute. Ug5000w series spray gun cleaners. Washing is activated by a wash timer and. Ug2000d series paint sprayer pdf manual download. Ug4000 series spray gun cleaner. Ug2000dmv ultrasonic jewelry cleaner pdf manual download. Every machine is rigorously tested. Cascade Ug2000.
From www.manualslib.com
UNIRAM UG2000DMV USER MANUAL Pdf Download ManualsLib Cascade Ug2000 Washing is activated by a wash timer and. Ug2000 series spray gun cleaners. Ug5000w series spray gun cleaners. Ug2000dmv ultrasonic jewelry cleaner pdf manual download. Have a question or need a quote? Cleans 2 spray guns in under 1 minute. Every machine is rigorously tested for compliance with stringent. Wash tank is constructed from stainless steel for longer life. The. Cascade Ug2000.
From uniram.com
SPRAY GUN CLEANERS WATER Uniram Corporation Cascade Ug2000 Ug2000d series paint sprayer pdf manual download. Ug2000dmv ultrasonic jewelry cleaner pdf manual download. Ug4000 series spray gun cleaner. Cleans 2 spray guns in under 1 minute. Washing is activated by a wash timer and. The brush is especially useful. Ug5000w series spray gun cleaners. Every machine is rigorously tested for compliance with stringent. Wash tank is constructed from stainless. Cascade Ug2000.
From refine.en.made-in-china.com
Ug2000 Vertical Packaging Machine China Packaging Machine and Vertical Packaging Machine Cascade Ug2000 The brush is especially useful. Cleans 2 spray guns in under 1 minute. Ug2000d series paint sprayer pdf manual download. Ug2000dmv ultrasonic jewelry cleaner pdf manual download. Ug5000w series spray gun cleaners. Ug4000 series spray gun cleaner. Every machine is rigorously tested for compliance with stringent. Washing is activated by a wash timer and. Have a question or need a. Cascade Ug2000.