Yamaha Lower Unit Parts Diagram . The lower unit (or gearcase) is the. Seal kits, water pumps, impellers and pistons. partsvu has genuine replacement yamaha outboard lower unity assemblies for your boat. These lower unit will ship complete and. Read our free guide to yamaha lower unit maintenance so that your motor lasts. If your lower unit is. — maintenance for your entire yamaha outboard is critical. yamahaonlineparts offer oem yamaha lower unit assemblies for all f115 models. the lower unit transfers the rotational power from your yamaha outboard engine to the propeller shaft. — watch the clip below to see the prop shaft bearing housing & reverse gear disassembly segment of our yamaha f225 lower unit disassembly video. yamaha outboard parts exploded view lower unit drawings.
from stewart-switch.com
If your lower unit is. — maintenance for your entire yamaha outboard is critical. These lower unit will ship complete and. Seal kits, water pumps, impellers and pistons. yamaha outboard parts exploded view lower unit drawings. — watch the clip below to see the prop shaft bearing housing & reverse gear disassembly segment of our yamaha f225 lower unit disassembly video. yamahaonlineparts offer oem yamaha lower unit assemblies for all f115 models. The lower unit (or gearcase) is the. the lower unit transfers the rotational power from your yamaha outboard engine to the propeller shaft. partsvu has genuine replacement yamaha outboard lower unity assemblies for your boat.
Yamaha Outboard Lower Unit Diagram
Yamaha Lower Unit Parts Diagram Read our free guide to yamaha lower unit maintenance so that your motor lasts. The lower unit (or gearcase) is the. partsvu has genuine replacement yamaha outboard lower unity assemblies for your boat. — watch the clip below to see the prop shaft bearing housing & reverse gear disassembly segment of our yamaha f225 lower unit disassembly video. — maintenance for your entire yamaha outboard is critical. yamaha outboard parts exploded view lower unit drawings. Seal kits, water pumps, impellers and pistons. If your lower unit is. Read our free guide to yamaha lower unit maintenance so that your motor lasts. These lower unit will ship complete and. yamahaonlineparts offer oem yamaha lower unit assemblies for all f115 models. the lower unit transfers the rotational power from your yamaha outboard engine to the propeller shaft.
From obparts.com
Replacing a Yamaha Outboard Lower Unit Marine Parts Warehouse Yamaha Lower Unit Parts Diagram Read our free guide to yamaha lower unit maintenance so that your motor lasts. the lower unit transfers the rotational power from your yamaha outboard engine to the propeller shaft. — watch the clip below to see the prop shaft bearing housing & reverse gear disassembly segment of our yamaha f225 lower unit disassembly video. The lower unit. Yamaha Lower Unit Parts Diagram.
From mibampschematic.z14.web.core.windows.net
Yamaha 4 Stroke Parts Yamaha Lower Unit Parts Diagram the lower unit transfers the rotational power from your yamaha outboard engine to the propeller shaft. partsvu has genuine replacement yamaha outboard lower unity assemblies for your boat. If your lower unit is. Seal kits, water pumps, impellers and pistons. The lower unit (or gearcase) is the. — maintenance for your entire yamaha outboard is critical. . Yamaha Lower Unit Parts Diagram.
From guidehranjency.z4.web.core.windows.net
Yamaha 15 Hp Outboard Parts Yamaha Lower Unit Parts Diagram yamaha outboard parts exploded view lower unit drawings. yamahaonlineparts offer oem yamaha lower unit assemblies for all f115 models. Read our free guide to yamaha lower unit maintenance so that your motor lasts. These lower unit will ship complete and. partsvu has genuine replacement yamaha outboard lower unity assemblies for your boat. If your lower unit is.. Yamaha Lower Unit Parts Diagram.
From obparts.com
New Aftermarket Yamaha F115 HP 4CYL Lower Unit Rebuild Kit [20002012 Yamaha Lower Unit Parts Diagram Seal kits, water pumps, impellers and pistons. yamaha outboard parts exploded view lower unit drawings. If your lower unit is. yamahaonlineparts offer oem yamaha lower unit assemblies for all f115 models. — watch the clip below to see the prop shaft bearing housing & reverse gear disassembly segment of our yamaha f225 lower unit disassembly video. . Yamaha Lower Unit Parts Diagram.
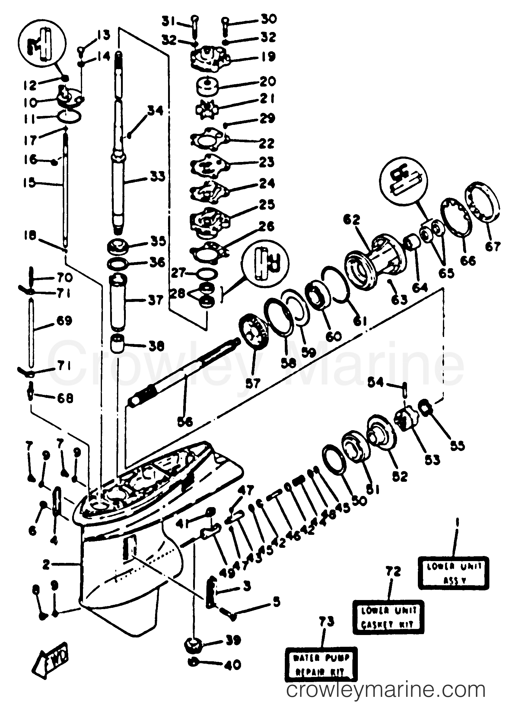
From www.crowleymarine.com
LOWER CASING DRIVE 1 2007 Yamaha Outboard 225hp F225TXR Crowley Marine Yamaha Lower Unit Parts Diagram yamahaonlineparts offer oem yamaha lower unit assemblies for all f115 models. The lower unit (or gearcase) is the. partsvu has genuine replacement yamaha outboard lower unity assemblies for your boat. the lower unit transfers the rotational power from your yamaha outboard engine to the propeller shaft. Seal kits, water pumps, impellers and pistons. yamaha outboard parts. Yamaha Lower Unit Parts Diagram.
From schematicnyigu8a.z22.web.core.windows.net
Yamaha 150 Hp Outboard Parts Yamaha Lower Unit Parts Diagram The lower unit (or gearcase) is the. — watch the clip below to see the prop shaft bearing housing & reverse gear disassembly segment of our yamaha f225 lower unit disassembly video. the lower unit transfers the rotational power from your yamaha outboard engine to the propeller shaft. yamaha outboard parts exploded view lower unit drawings. Read. Yamaha Lower Unit Parts Diagram.
From machinecasaletryq.z13.web.core.windows.net
Yamaha Outboard Lower Unit Parts Yamaha Lower Unit Parts Diagram partsvu has genuine replacement yamaha outboard lower unity assemblies for your boat. Read our free guide to yamaha lower unit maintenance so that your motor lasts. If your lower unit is. Seal kits, water pumps, impellers and pistons. yamaha outboard parts exploded view lower unit drawings. yamahaonlineparts offer oem yamaha lower unit assemblies for all f115 models.. Yamaha Lower Unit Parts Diagram.
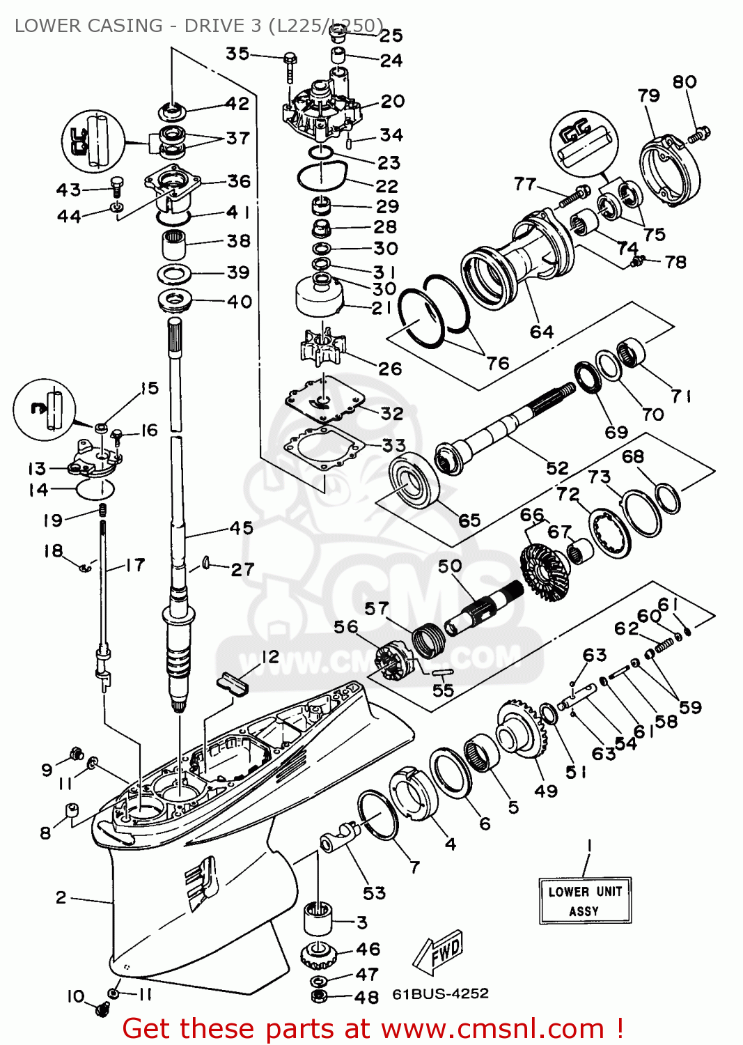
From www.crowleymarine.com
LOWER DRIVE 1 1985 Yamaha Outboard 70hp 70ETLK Crowley Marine Yamaha Lower Unit Parts Diagram — maintenance for your entire yamaha outboard is critical. yamaha outboard parts exploded view lower unit drawings. These lower unit will ship complete and. The lower unit (or gearcase) is the. Seal kits, water pumps, impellers and pistons. the lower unit transfers the rotational power from your yamaha outboard engine to the propeller shaft. partsvu has. Yamaha Lower Unit Parts Diagram.
From www.crowleymarine.com
LOWER CASING DRIVE 1 2003 Yamaha Outboard 90hp F90TLRB Crowley Marine Yamaha Lower Unit Parts Diagram — maintenance for your entire yamaha outboard is critical. yamahaonlineparts offer oem yamaha lower unit assemblies for all f115 models. Seal kits, water pumps, impellers and pistons. Read our free guide to yamaha lower unit maintenance so that your motor lasts. These lower unit will ship complete and. — watch the clip below to see the prop. Yamaha Lower Unit Parts Diagram.
From www.vansoutboardparts.com
Yamaha OUTBOARD 40 HP 40ETLF LOWER DRIVE 2 Van’s Sport Center Yamaha Lower Unit Parts Diagram yamaha outboard parts exploded view lower unit drawings. the lower unit transfers the rotational power from your yamaha outboard engine to the propeller shaft. Seal kits, water pumps, impellers and pistons. — maintenance for your entire yamaha outboard is critical. yamahaonlineparts offer oem yamaha lower unit assemblies for all f115 models. Read our free guide to. Yamaha Lower Unit Parts Diagram.
From reviewmotors.co
Yamaha 150 Outboard Motor Parts Diagram Reviewmotors.co Yamaha Lower Unit Parts Diagram Read our free guide to yamaha lower unit maintenance so that your motor lasts. — watch the clip below to see the prop shaft bearing housing & reverse gear disassembly segment of our yamaha f225 lower unit disassembly video. Seal kits, water pumps, impellers and pistons. partsvu has genuine replacement yamaha outboard lower unity assemblies for your boat.. Yamaha Lower Unit Parts Diagram.
From www.vansoutboardparts.com
Yamaha OUTBOARD 30 HP 30ELRT LOWER CASING DRIVE 1 Van’s Yamaha Lower Unit Parts Diagram yamahaonlineparts offer oem yamaha lower unit assemblies for all f115 models. If your lower unit is. partsvu has genuine replacement yamaha outboard lower unity assemblies for your boat. Read our free guide to yamaha lower unit maintenance so that your motor lasts. These lower unit will ship complete and. the lower unit transfers the rotational power from. Yamaha Lower Unit Parts Diagram.
From www.cmsnl.com
Yamaha 115/130TRP 1991 LOWER DRIVE 1 buy original LOWER DRIVE 1 Yamaha Lower Unit Parts Diagram — watch the clip below to see the prop shaft bearing housing & reverse gear disassembly segment of our yamaha f225 lower unit disassembly video. — maintenance for your entire yamaha outboard is critical. the lower unit transfers the rotational power from your yamaha outboard engine to the propeller shaft. yamaha outboard parts exploded view lower. Yamaha Lower Unit Parts Diagram.
From mungfali.com
Yamaha Lower Unit Parts Diagram Yamaha Lower Unit Parts Diagram These lower unit will ship complete and. the lower unit transfers the rotational power from your yamaha outboard engine to the propeller shaft. — watch the clip below to see the prop shaft bearing housing & reverse gear disassembly segment of our yamaha f225 lower unit disassembly video. — maintenance for your entire yamaha outboard is critical.. Yamaha Lower Unit Parts Diagram.
From www.boats.net
Yamaha F225 Outboard Lower Unit Disassembly Yamaha Lower Unit Parts Diagram — maintenance for your entire yamaha outboard is critical. — watch the clip below to see the prop shaft bearing housing & reverse gear disassembly segment of our yamaha f225 lower unit disassembly video. Seal kits, water pumps, impellers and pistons. These lower unit will ship complete and. yamaha outboard parts exploded view lower unit drawings. If. Yamaha Lower Unit Parts Diagram.
From obparts.com
Yamaha 6 Cylinder Lower Unit Parts, 2Stroke Boltin Style 200300 HP Yamaha Lower Unit Parts Diagram The lower unit (or gearcase) is the. yamahaonlineparts offer oem yamaha lower unit assemblies for all f115 models. — maintenance for your entire yamaha outboard is critical. Seal kits, water pumps, impellers and pistons. — watch the clip below to see the prop shaft bearing housing & reverse gear disassembly segment of our yamaha f225 lower unit. Yamaha Lower Unit Parts Diagram.
From www.vansoutboardparts.com
Yamaha OUTBOARD LOWER DRIVE 1 Van’s Sport Center Yamaha Lower Unit Parts Diagram Seal kits, water pumps, impellers and pistons. the lower unit transfers the rotational power from your yamaha outboard engine to the propeller shaft. Read our free guide to yamaha lower unit maintenance so that your motor lasts. — maintenance for your entire yamaha outboard is critical. yamaha outboard parts exploded view lower unit drawings. If your lower. Yamaha Lower Unit Parts Diagram.
From www.vansoutboardparts.com
Yamaha OUTBOARD 90 HP 90TLRD LOWER CASING DRIVE 1 Van’s Yamaha Lower Unit Parts Diagram the lower unit transfers the rotational power from your yamaha outboard engine to the propeller shaft. yamaha outboard parts exploded view lower unit drawings. These lower unit will ship complete and. If your lower unit is. — maintenance for your entire yamaha outboard is critical. Seal kits, water pumps, impellers and pistons. partsvu has genuine replacement. Yamaha Lower Unit Parts Diagram.
From www.vansoutboardparts.com
Yamaha Outboard Parts by Year 2015 250 VF250LA 0115 LOWER Yamaha Lower Unit Parts Diagram Seal kits, water pumps, impellers and pistons. — maintenance for your entire yamaha outboard is critical. the lower unit transfers the rotational power from your yamaha outboard engine to the propeller shaft. partsvu has genuine replacement yamaha outboard lower unity assemblies for your boat. If your lower unit is. Read our free guide to yamaha lower unit. Yamaha Lower Unit Parts Diagram.
From www.vansoutboardparts.com
Yamaha OUTBOARD 90 HP F90TLR REPAIR KIT 2 Van’s Sport Center Yamaha Lower Unit Parts Diagram — maintenance for your entire yamaha outboard is critical. The lower unit (or gearcase) is the. Seal kits, water pumps, impellers and pistons. the lower unit transfers the rotational power from your yamaha outboard engine to the propeller shaft. — watch the clip below to see the prop shaft bearing housing & reverse gear disassembly segment of. Yamaha Lower Unit Parts Diagram.
From machinecasaletryq.z13.web.core.windows.net
Yamaha Outboard Lower Unit Parts Yamaha Lower Unit Parts Diagram — maintenance for your entire yamaha outboard is critical. If your lower unit is. Read our free guide to yamaha lower unit maintenance so that your motor lasts. — watch the clip below to see the prop shaft bearing housing & reverse gear disassembly segment of our yamaha f225 lower unit disassembly video. The lower unit (or gearcase). Yamaha Lower Unit Parts Diagram.
From www.crowleymarine.com
LOWER DRIVE 2 1986 Yamaha Outboard 30hp 30ELJ Crowley Marine Yamaha Lower Unit Parts Diagram — watch the clip below to see the prop shaft bearing housing & reverse gear disassembly segment of our yamaha f225 lower unit disassembly video. yamaha outboard parts exploded view lower unit drawings. the lower unit transfers the rotational power from your yamaha outboard engine to the propeller shaft. — maintenance for your entire yamaha outboard. Yamaha Lower Unit Parts Diagram.
From mungfali.com
Yamaha Outboard Lower Unit Diagram Yamaha Lower Unit Parts Diagram These lower unit will ship complete and. the lower unit transfers the rotational power from your yamaha outboard engine to the propeller shaft. — maintenance for your entire yamaha outboard is critical. Read our free guide to yamaha lower unit maintenance so that your motor lasts. partsvu has genuine replacement yamaha outboard lower unity assemblies for your. Yamaha Lower Unit Parts Diagram.
From ymlowerunit.com
150 200 HP 2 & 4 Stroke V6 90 Degree Yamaha Lower Unit Yamaha Yamaha Lower Unit Parts Diagram If your lower unit is. yamaha outboard parts exploded view lower unit drawings. the lower unit transfers the rotational power from your yamaha outboard engine to the propeller shaft. The lower unit (or gearcase) is the. Read our free guide to yamaha lower unit maintenance so that your motor lasts. These lower unit will ship complete and. Seal. Yamaha Lower Unit Parts Diagram.
From stewart-switch.com
Yamaha Outboard Lower Unit Parts Diagram Yamaha Lower Unit Parts Diagram yamaha outboard parts exploded view lower unit drawings. partsvu has genuine replacement yamaha outboard lower unity assemblies for your boat. the lower unit transfers the rotational power from your yamaha outboard engine to the propeller shaft. If your lower unit is. — maintenance for your entire yamaha outboard is critical. Seal kits, water pumps, impellers and. Yamaha Lower Unit Parts Diagram.
From www.marinepartsplus.com
Yamaha outboard parts, Yamaha OEM Parts, Yamaha Aftermarket parts Yamaha Lower Unit Parts Diagram the lower unit transfers the rotational power from your yamaha outboard engine to the propeller shaft. yamahaonlineparts offer oem yamaha lower unit assemblies for all f115 models. partsvu has genuine replacement yamaha outboard lower unity assemblies for your boat. — watch the clip below to see the prop shaft bearing housing & reverse gear disassembly segment. Yamaha Lower Unit Parts Diagram.
From www.crowleymarine.com
LOWER CASING DRIVE 1 F250 2006 Yamaha Outboard 250hp F250TUR Yamaha Lower Unit Parts Diagram If your lower unit is. yamaha outboard parts exploded view lower unit drawings. Seal kits, water pumps, impellers and pistons. — maintenance for your entire yamaha outboard is critical. Read our free guide to yamaha lower unit maintenance so that your motor lasts. The lower unit (or gearcase) is the. yamahaonlineparts offer oem yamaha lower unit assemblies. Yamaha Lower Unit Parts Diagram.
From mungfali.com
Yamaha Lower Unit Parts Diagram Yamaha Lower Unit Parts Diagram These lower unit will ship complete and. — watch the clip below to see the prop shaft bearing housing & reverse gear disassembly segment of our yamaha f225 lower unit disassembly video. If your lower unit is. — maintenance for your entire yamaha outboard is critical. the lower unit transfers the rotational power from your yamaha outboard. Yamaha Lower Unit Parts Diagram.
From www.boats.net
How an Outboard's Lower Unit Works Yamaha Lower Unit Parts Diagram partsvu has genuine replacement yamaha outboard lower unity assemblies for your boat. — watch the clip below to see the prop shaft bearing housing & reverse gear disassembly segment of our yamaha f225 lower unit disassembly video. The lower unit (or gearcase) is the. These lower unit will ship complete and. yamaha outboard parts exploded view lower. Yamaha Lower Unit Parts Diagram.
From mungfali.com
Yamaha Lower Unit Parts Diagram Yamaha Lower Unit Parts Diagram — maintenance for your entire yamaha outboard is critical. These lower unit will ship complete and. yamaha outboard parts exploded view lower unit drawings. — watch the clip below to see the prop shaft bearing housing & reverse gear disassembly segment of our yamaha f225 lower unit disassembly video. partsvu has genuine replacement yamaha outboard lower. Yamaha Lower Unit Parts Diagram.
From www.vansoutboardparts.com
Yamaha OUTBOARD 115 HP 115TLRU LOWER CASING DRIVE 1 115 130 Yamaha Lower Unit Parts Diagram yamaha outboard parts exploded view lower unit drawings. yamahaonlineparts offer oem yamaha lower unit assemblies for all f115 models. The lower unit (or gearcase) is the. — watch the clip below to see the prop shaft bearing housing & reverse gear disassembly segment of our yamaha f225 lower unit disassembly video. Seal kits, water pumps, impellers and. Yamaha Lower Unit Parts Diagram.
From stewart-switch.com
Yamaha Outboard Lower Unit Diagram Yamaha Lower Unit Parts Diagram If your lower unit is. yamahaonlineparts offer oem yamaha lower unit assemblies for all f115 models. the lower unit transfers the rotational power from your yamaha outboard engine to the propeller shaft. These lower unit will ship complete and. Seal kits, water pumps, impellers and pistons. partsvu has genuine replacement yamaha outboard lower unity assemblies for your. Yamaha Lower Unit Parts Diagram.
From www.cmsnl.com
65K45300308D Lower Unit Assy Yamaha buy the 65K45300308D at CMSNL Yamaha Lower Unit Parts Diagram These lower unit will ship complete and. Read our free guide to yamaha lower unit maintenance so that your motor lasts. partsvu has genuine replacement yamaha outboard lower unity assemblies for your boat. yamahaonlineparts offer oem yamaha lower unit assemblies for all f115 models. — watch the clip below to see the prop shaft bearing housing &. Yamaha Lower Unit Parts Diagram.
From www.boats.net
How an Outboard's Lower Unit Works Yamaha Lower Unit Parts Diagram The lower unit (or gearcase) is the. — maintenance for your entire yamaha outboard is critical. the lower unit transfers the rotational power from your yamaha outboard engine to the propeller shaft. Read our free guide to yamaha lower unit maintenance so that your motor lasts. yamahaonlineparts offer oem yamaha lower unit assemblies for all f115 models.. Yamaha Lower Unit Parts Diagram.
From garageclosepoppadum.z21.web.core.windows.net
40 Hp Yamaha Outboard Parts Diagram Yamaha Lower Unit Parts Diagram yamahaonlineparts offer oem yamaha lower unit assemblies for all f115 models. Seal kits, water pumps, impellers and pistons. — watch the clip below to see the prop shaft bearing housing & reverse gear disassembly segment of our yamaha f225 lower unit disassembly video. The lower unit (or gearcase) is the. yamaha outboard parts exploded view lower unit. Yamaha Lower Unit Parts Diagram.