Hartley Oscillator Definition . Hartley oscillator are inductively coupled, variable frequency oscillators where the oscillator may. The hartley oscillator is a particularly useful circuit for producing good quality sine wave signals in the rf range, (30khz to 30mhz) although at the higher limits of this range and above,. A circuit consisting of capacitors and inductors). A hartley oscillator (or rf oscillator) is a type of harmonic oscillator. The oscillation frequency for a hartley oscillator is determined by an lc oscillator (i.e. The hartley oscillator design uses two inductive coils in series with a parallel capacitor to form its resonance tank circuit producing sinusoidal oscillations. Hartley oscillator is an electronic oscillator in which the oscillator’s frequency is determined through a tuned circuit of inductors and capacitors. The hartley oscillator is a tuned lc tank circuit constructed consisting of one capacitor, two inductors, and a transistor or vacuum tube serving as the amplifying element.
from www.circuitdiagram.co
Hartley oscillator is an electronic oscillator in which the oscillator’s frequency is determined through a tuned circuit of inductors and capacitors. The hartley oscillator is a tuned lc tank circuit constructed consisting of one capacitor, two inductors, and a transistor or vacuum tube serving as the amplifying element. The oscillation frequency for a hartley oscillator is determined by an lc oscillator (i.e. A hartley oscillator (or rf oscillator) is a type of harmonic oscillator. A circuit consisting of capacitors and inductors). The hartley oscillator is a particularly useful circuit for producing good quality sine wave signals in the rf range, (30khz to 30mhz) although at the higher limits of this range and above,. The hartley oscillator design uses two inductive coils in series with a parallel capacitor to form its resonance tank circuit producing sinusoidal oscillations. Hartley oscillator are inductively coupled, variable frequency oscillators where the oscillator may.
hartley oscillator circuit diagram using transistor Circuit Diagram
Hartley Oscillator Definition Hartley oscillator are inductively coupled, variable frequency oscillators where the oscillator may. The hartley oscillator is a particularly useful circuit for producing good quality sine wave signals in the rf range, (30khz to 30mhz) although at the higher limits of this range and above,. Hartley oscillator are inductively coupled, variable frequency oscillators where the oscillator may. A hartley oscillator (or rf oscillator) is a type of harmonic oscillator. A circuit consisting of capacitors and inductors). The oscillation frequency for a hartley oscillator is determined by an lc oscillator (i.e. Hartley oscillator is an electronic oscillator in which the oscillator’s frequency is determined through a tuned circuit of inductors and capacitors. The hartley oscillator design uses two inductive coils in series with a parallel capacitor to form its resonance tank circuit producing sinusoidal oscillations. The hartley oscillator is a tuned lc tank circuit constructed consisting of one capacitor, two inductors, and a transistor or vacuum tube serving as the amplifying element.
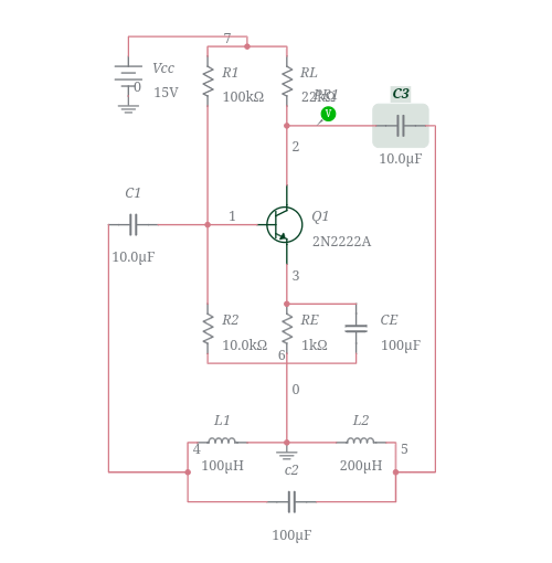
From www.multisim.com
hartley oscillator Multisim Live Hartley Oscillator Definition A hartley oscillator (or rf oscillator) is a type of harmonic oscillator. The hartley oscillator is a tuned lc tank circuit constructed consisting of one capacitor, two inductors, and a transistor or vacuum tube serving as the amplifying element. A circuit consisting of capacitors and inductors). Hartley oscillator is an electronic oscillator in which the oscillator’s frequency is determined through. Hartley Oscillator Definition.
From www.slideserve.com
PPT Chapter 4 Oscillator PowerPoint Presentation, free download ID Hartley Oscillator Definition A circuit consisting of capacitors and inductors). The hartley oscillator design uses two inductive coils in series with a parallel capacitor to form its resonance tank circuit producing sinusoidal oscillations. A hartley oscillator (or rf oscillator) is a type of harmonic oscillator. Hartley oscillator is an electronic oscillator in which the oscillator’s frequency is determined through a tuned circuit of. Hartley Oscillator Definition.
From abronexports.com
Hartley Oscillator Bsc Exp 183 Electronics To design Hartley oscillator Hartley Oscillator Definition A hartley oscillator (or rf oscillator) is a type of harmonic oscillator. The oscillation frequency for a hartley oscillator is determined by an lc oscillator (i.e. A circuit consisting of capacitors and inductors). The hartley oscillator is a particularly useful circuit for producing good quality sine wave signals in the rf range, (30khz to 30mhz) although at the higher limits. Hartley Oscillator Definition.
From www.slideserve.com
PPT OSCILLATORS PowerPoint Presentation, free download ID2479328 Hartley Oscillator Definition A hartley oscillator (or rf oscillator) is a type of harmonic oscillator. The hartley oscillator is a tuned lc tank circuit constructed consisting of one capacitor, two inductors, and a transistor or vacuum tube serving as the amplifying element. The oscillation frequency for a hartley oscillator is determined by an lc oscillator (i.e. Hartley oscillator is an electronic oscillator in. Hartley Oscillator Definition.
From wiki.analog.com
Activity The Hartley Oscillator [Analog Devices Wiki] Hartley Oscillator Definition The hartley oscillator design uses two inductive coils in series with a parallel capacitor to form its resonance tank circuit producing sinusoidal oscillations. A hartley oscillator (or rf oscillator) is a type of harmonic oscillator. The hartley oscillator is a particularly useful circuit for producing good quality sine wave signals in the rf range, (30khz to 30mhz) although at the. Hartley Oscillator Definition.
From www.bartleby.com
Answered For the FET Hartley Oscillator in… bartleby Hartley Oscillator Definition The oscillation frequency for a hartley oscillator is determined by an lc oscillator (i.e. The hartley oscillator is a tuned lc tank circuit constructed consisting of one capacitor, two inductors, and a transistor or vacuum tube serving as the amplifying element. The hartley oscillator is a particularly useful circuit for producing good quality sine wave signals in the rf range,. Hartley Oscillator Definition.
From www.studypool.com
SOLUTION Hartley Oscillator Complete Handwritten Notes Studypool Hartley Oscillator Definition The hartley oscillator is a tuned lc tank circuit constructed consisting of one capacitor, two inductors, and a transistor or vacuum tube serving as the amplifying element. A hartley oscillator (or rf oscillator) is a type of harmonic oscillator. The oscillation frequency for a hartley oscillator is determined by an lc oscillator (i.e. A circuit consisting of capacitors and inductors).. Hartley Oscillator Definition.
From www.circuits-diy.com
Simple Hartley Oscillator Circuit Hartley Oscillator Definition The hartley oscillator is a particularly useful circuit for producing good quality sine wave signals in the rf range, (30khz to 30mhz) although at the higher limits of this range and above,. A hartley oscillator (or rf oscillator) is a type of harmonic oscillator. Hartley oscillator are inductively coupled, variable frequency oscillators where the oscillator may. Hartley oscillator is an. Hartley Oscillator Definition.
From www.multisim.com
Hartley oscillator Multisim Live Hartley Oscillator Definition The hartley oscillator design uses two inductive coils in series with a parallel capacitor to form its resonance tank circuit producing sinusoidal oscillations. The hartley oscillator is a tuned lc tank circuit constructed consisting of one capacitor, two inductors, and a transistor or vacuum tube serving as the amplifying element. Hartley oscillator is an electronic oscillator in which the oscillator’s. Hartley Oscillator Definition.
From www.slideserve.com
PPT OSCILLATORS PowerPoint Presentation, free download ID2479328 Hartley Oscillator Definition A hartley oscillator (or rf oscillator) is a type of harmonic oscillator. The hartley oscillator design uses two inductive coils in series with a parallel capacitor to form its resonance tank circuit producing sinusoidal oscillations. The oscillation frequency for a hartley oscillator is determined by an lc oscillator (i.e. The hartley oscillator is a particularly useful circuit for producing good. Hartley Oscillator Definition.
From mungfali.com
Hartley Oscillator Circuit Diagram Hartley Oscillator Definition The hartley oscillator is a particularly useful circuit for producing good quality sine wave signals in the rf range, (30khz to 30mhz) although at the higher limits of this range and above,. The hartley oscillator design uses two inductive coils in series with a parallel capacitor to form its resonance tank circuit producing sinusoidal oscillations. A hartley oscillator (or rf. Hartley Oscillator Definition.
From analyseameter.com
Hartley Oscillator Working and Design using Op amp Analyse A Meter Hartley Oscillator Definition A circuit consisting of capacitors and inductors). A hartley oscillator (or rf oscillator) is a type of harmonic oscillator. Hartley oscillator are inductively coupled, variable frequency oscillators where the oscillator may. The hartley oscillator is a tuned lc tank circuit constructed consisting of one capacitor, two inductors, and a transistor or vacuum tube serving as the amplifying element. The oscillation. Hartley Oscillator Definition.
From www.circuitdiagram.co
hartley oscillator circuit diagram using transistor Circuit Diagram Hartley Oscillator Definition Hartley oscillator are inductively coupled, variable frequency oscillators where the oscillator may. The hartley oscillator design uses two inductive coils in series with a parallel capacitor to form its resonance tank circuit producing sinusoidal oscillations. The oscillation frequency for a hartley oscillator is determined by an lc oscillator (i.e. A circuit consisting of capacitors and inductors). Hartley oscillator is an. Hartley Oscillator Definition.
From www.slideserve.com
PPT OSCILLATORS PowerPoint Presentation, free download ID2479328 Hartley Oscillator Definition Hartley oscillator are inductively coupled, variable frequency oscillators where the oscillator may. Hartley oscillator is an electronic oscillator in which the oscillator’s frequency is determined through a tuned circuit of inductors and capacitors. The hartley oscillator design uses two inductive coils in series with a parallel capacitor to form its resonance tank circuit producing sinusoidal oscillations. The hartley oscillator is. Hartley Oscillator Definition.
From www.circuitdiagram.co
Hartley Oscillator Schematic Diagram Circuit Diagram Hartley Oscillator Definition A hartley oscillator (or rf oscillator) is a type of harmonic oscillator. The hartley oscillator is a particularly useful circuit for producing good quality sine wave signals in the rf range, (30khz to 30mhz) although at the higher limits of this range and above,. The oscillation frequency for a hartley oscillator is determined by an lc oscillator (i.e. The hartley. Hartley Oscillator Definition.
From www.studocu.com
Hartley Oscillatorconverted Hartley Oscillator The Hartley Hartley Oscillator Definition The hartley oscillator design uses two inductive coils in series with a parallel capacitor to form its resonance tank circuit producing sinusoidal oscillations. The oscillation frequency for a hartley oscillator is determined by an lc oscillator (i.e. A hartley oscillator (or rf oscillator) is a type of harmonic oscillator. Hartley oscillator are inductively coupled, variable frequency oscillators where the oscillator. Hartley Oscillator Definition.
From www.electricity-magnetism.org
Hartley Oscillators How it works, Application & Advantages Hartley Oscillator Definition The hartley oscillator is a particularly useful circuit for producing good quality sine wave signals in the rf range, (30khz to 30mhz) although at the higher limits of this range and above,. A hartley oscillator (or rf oscillator) is a type of harmonic oscillator. A circuit consisting of capacitors and inductors). The hartley oscillator is a tuned lc tank circuit. Hartley Oscillator Definition.
From www.circuitdiagram.co
Hartley Oscillator Circuit Diagram Using Op Amp Circuit Diagram Hartley Oscillator Definition The hartley oscillator is a tuned lc tank circuit constructed consisting of one capacitor, two inductors, and a transistor or vacuum tube serving as the amplifying element. The hartley oscillator is a particularly useful circuit for producing good quality sine wave signals in the rf range, (30khz to 30mhz) although at the higher limits of this range and above,. The. Hartley Oscillator Definition.
From guidefixcatherine.z13.web.core.windows.net
Hartley Oscillator Circuit Diagram With Values Hartley Oscillator Definition A hartley oscillator (or rf oscillator) is a type of harmonic oscillator. A circuit consisting of capacitors and inductors). The hartley oscillator is a particularly useful circuit for producing good quality sine wave signals in the rf range, (30khz to 30mhz) although at the higher limits of this range and above,. The oscillation frequency for a hartley oscillator is determined. Hartley Oscillator Definition.
From www.coursehero.com
Hartley oscillator circuit and model.. Figure l Hartley oscillator Hartley Oscillator Definition The oscillation frequency for a hartley oscillator is determined by an lc oscillator (i.e. The hartley oscillator is a tuned lc tank circuit constructed consisting of one capacitor, two inductors, and a transistor or vacuum tube serving as the amplifying element. A hartley oscillator (or rf oscillator) is a type of harmonic oscillator. Hartley oscillator is an electronic oscillator in. Hartley Oscillator Definition.
From www.wellpcb.com
Hartley Oscillators The Best Choice in Maintaining a Constant Amplitude Hartley Oscillator Definition Hartley oscillator are inductively coupled, variable frequency oscillators where the oscillator may. A circuit consisting of capacitors and inductors). The hartley oscillator is a tuned lc tank circuit constructed consisting of one capacitor, two inductors, and a transistor or vacuum tube serving as the amplifying element. The oscillation frequency for a hartley oscillator is determined by an lc oscillator (i.e.. Hartley Oscillator Definition.
From www.circuitdiagram.co
circuit diagram of hartley oscillator Circuit Diagram Hartley Oscillator Definition Hartley oscillator are inductively coupled, variable frequency oscillators where the oscillator may. The hartley oscillator is a particularly useful circuit for producing good quality sine wave signals in the rf range, (30khz to 30mhz) although at the higher limits of this range and above,. The hartley oscillator design uses two inductive coils in series with a parallel capacitor to form. Hartley Oscillator Definition.
From wireenginepaul.z19.web.core.windows.net
Circuit Diagram Of Hartley Oscillator Hartley Oscillator Definition The oscillation frequency for a hartley oscillator is determined by an lc oscillator (i.e. Hartley oscillator is an electronic oscillator in which the oscillator’s frequency is determined through a tuned circuit of inductors and capacitors. The hartley oscillator design uses two inductive coils in series with a parallel capacitor to form its resonance tank circuit producing sinusoidal oscillations. The hartley. Hartley Oscillator Definition.
From ecstudiosystems.com
Hartley Oscillator Oscillators Basics Electronics Hartley Oscillator Definition The hartley oscillator design uses two inductive coils in series with a parallel capacitor to form its resonance tank circuit producing sinusoidal oscillations. Hartley oscillator are inductively coupled, variable frequency oscillators where the oscillator may. The hartley oscillator is a tuned lc tank circuit constructed consisting of one capacitor, two inductors, and a transistor or vacuum tube serving as the. Hartley Oscillator Definition.
From www.slideserve.com
PPT Oscillators PowerPoint Presentation, free download ID5594930 Hartley Oscillator Definition A circuit consisting of capacitors and inductors). The hartley oscillator is a particularly useful circuit for producing good quality sine wave signals in the rf range, (30khz to 30mhz) although at the higher limits of this range and above,. The hartley oscillator design uses two inductive coils in series with a parallel capacitor to form its resonance tank circuit producing. Hartley Oscillator Definition.
From www.circuits-diy.com
Simple Hartley Oscillator Circuit Hartley Oscillator Definition The hartley oscillator is a tuned lc tank circuit constructed consisting of one capacitor, two inductors, and a transistor or vacuum tube serving as the amplifying element. Hartley oscillator are inductively coupled, variable frequency oscillators where the oscillator may. A circuit consisting of capacitors and inductors). The hartley oscillator design uses two inductive coils in series with a parallel capacitor. Hartley Oscillator Definition.
From www.multisim.com
HARTLEY OSCILLATOR Multisim Live Hartley Oscillator Definition The hartley oscillator is a tuned lc tank circuit constructed consisting of one capacitor, two inductors, and a transistor or vacuum tube serving as the amplifying element. Hartley oscillator is an electronic oscillator in which the oscillator’s frequency is determined through a tuned circuit of inductors and capacitors. The hartley oscillator design uses two inductive coils in series with a. Hartley Oscillator Definition.
From electrical.codidact.com
Electrical Engineering Op Amp Hartley oscillator Hartley Oscillator Definition The oscillation frequency for a hartley oscillator is determined by an lc oscillator (i.e. Hartley oscillator are inductively coupled, variable frequency oscillators where the oscillator may. A circuit consisting of capacitors and inductors). The hartley oscillator design uses two inductive coils in series with a parallel capacitor to form its resonance tank circuit producing sinusoidal oscillations. A hartley oscillator (or. Hartley Oscillator Definition.
From www.youtube.com
Hartley Oscillator Circuit Diploma Electronics BTECH EDC Hartley Oscillator Definition The hartley oscillator is a particularly useful circuit for producing good quality sine wave signals in the rf range, (30khz to 30mhz) although at the higher limits of this range and above,. A circuit consisting of capacitors and inductors). The hartley oscillator is a tuned lc tank circuit constructed consisting of one capacitor, two inductors, and a transistor or vacuum. Hartley Oscillator Definition.
From www.youtube.com
OpAmp Hartley Oscillator LC Oscillator Feedback Oscillator YouTube Hartley Oscillator Definition The hartley oscillator design uses two inductive coils in series with a parallel capacitor to form its resonance tank circuit producing sinusoidal oscillations. The hartley oscillator is a particularly useful circuit for producing good quality sine wave signals in the rf range, (30khz to 30mhz) although at the higher limits of this range and above,. The hartley oscillator is a. Hartley Oscillator Definition.
From www.digikey.jp
Schemeit Hartley Oscillator DigiKey Hartley Oscillator Definition The hartley oscillator is a tuned lc tank circuit constructed consisting of one capacitor, two inductors, and a transistor or vacuum tube serving as the amplifying element. A circuit consisting of capacitors and inductors). The hartley oscillator design uses two inductive coils in series with a parallel capacitor to form its resonance tank circuit producing sinusoidal oscillations. A hartley oscillator. Hartley Oscillator Definition.
From www.circuitdiagram.co
circuit diagram of hartley oscillator Circuit Diagram Hartley Oscillator Definition The oscillation frequency for a hartley oscillator is determined by an lc oscillator (i.e. A hartley oscillator (or rf oscillator) is a type of harmonic oscillator. The hartley oscillator design uses two inductive coils in series with a parallel capacitor to form its resonance tank circuit producing sinusoidal oscillations. A circuit consisting of capacitors and inductors). The hartley oscillator is. Hartley Oscillator Definition.
From www.slideshare.net
Hartley oscillator circuit theory working and application Hartley Oscillator Definition Hartley oscillator are inductively coupled, variable frequency oscillators where the oscillator may. The hartley oscillator design uses two inductive coils in series with a parallel capacitor to form its resonance tank circuit producing sinusoidal oscillations. A circuit consisting of capacitors and inductors). The oscillation frequency for a hartley oscillator is determined by an lc oscillator (i.e. The hartley oscillator is. Hartley Oscillator Definition.
From www.electricity-magnetism.org
Hartley Oscillators How it works, Application & Advantages Hartley Oscillator Definition A circuit consisting of capacitors and inductors). The oscillation frequency for a hartley oscillator is determined by an lc oscillator (i.e. Hartley oscillator are inductively coupled, variable frequency oscillators where the oscillator may. The hartley oscillator is a tuned lc tank circuit constructed consisting of one capacitor, two inductors, and a transistor or vacuum tube serving as the amplifying element.. Hartley Oscillator Definition.
From www.multisim.com
Hartley Oscillator Multisim Live Hartley Oscillator Definition The hartley oscillator is a particularly useful circuit for producing good quality sine wave signals in the rf range, (30khz to 30mhz) although at the higher limits of this range and above,. The hartley oscillator is a tuned lc tank circuit constructed consisting of one capacitor, two inductors, and a transistor or vacuum tube serving as the amplifying element. Hartley. Hartley Oscillator Definition.