What Is Threshold Detector Used For . The threshold, in the context of motion detectors, refers to the sensitivity level at which the motion detector is triggered. You can test a detectors autotune rate on detectors that have a threshold setting by holding a coin under the coil, and noting how fast. Simply put, it determines how much. Threshold, as it applies to detectors with an adjustable threshold, is a tone (usually in all metal mode), that can be set by the operator. A threshold is what is displayed on our detectors when we are using them if we plot it on a computer. Notice that threshold sort of. The threshold detector uses an operational amplifier and a series of resistors that provide hysteresis. Reference thresholds will go silent over a target with a target id that is being discriminated out or rejected. The latest detectors have reference and live thresholds.
        	
		 
    
        from elecdan-converter.com 
     
        
        Simply put, it determines how much. A threshold is what is displayed on our detectors when we are using them if we plot it on a computer. Threshold, as it applies to detectors with an adjustable threshold, is a tone (usually in all metal mode), that can be set by the operator. You can test a detectors autotune rate on detectors that have a threshold setting by holding a coin under the coil, and noting how fast. The threshold, in the context of motion detectors, refers to the sensitivity level at which the motion detector is triggered. Reference thresholds will go silent over a target with a target id that is being discriminated out or rejected. The threshold detector uses an operational amplifier and a series of resistors that provide hysteresis. Notice that threshold sort of. The latest detectors have reference and live thresholds.
    
    	
		 
    Detector of the critical voltage of any hydrogen fuelcell cell (H2 FC) 
    What Is Threshold Detector Used For  The threshold, in the context of motion detectors, refers to the sensitivity level at which the motion detector is triggered. Notice that threshold sort of. Simply put, it determines how much. A threshold is what is displayed on our detectors when we are using them if we plot it on a computer. The threshold detector uses an operational amplifier and a series of resistors that provide hysteresis. The latest detectors have reference and live thresholds. The threshold, in the context of motion detectors, refers to the sensitivity level at which the motion detector is triggered. Threshold, as it applies to detectors with an adjustable threshold, is a tone (usually in all metal mode), that can be set by the operator. Reference thresholds will go silent over a target with a target id that is being discriminated out or rejected. You can test a detectors autotune rate on detectors that have a threshold setting by holding a coin under the coil, and noting how fast.
 
    
        From www.chegg.com 
                    Design Of Optimum ThresholdDetection Receiver For... What Is Threshold Detector Used For  The threshold, in the context of motion detectors, refers to the sensitivity level at which the motion detector is triggered. Notice that threshold sort of. The threshold detector uses an operational amplifier and a series of resistors that provide hysteresis. Threshold, as it applies to detectors with an adjustable threshold, is a tone (usually in all metal mode), that can. What Is Threshold Detector Used For.
     
    
        From metaldetectingtips.com 
                    What is Threshold When Metal Detecting and How to Setup Your Detector for Success Metal What Is Threshold Detector Used For  The latest detectors have reference and live thresholds. The threshold detector uses an operational amplifier and a series of resistors that provide hysteresis. You can test a detectors autotune rate on detectors that have a threshold setting by holding a coin under the coil, and noting how fast. The threshold, in the context of motion detectors, refers to the sensitivity. What Is Threshold Detector Used For.
     
    
        From www.quanticpmi.com 
                    Threshold Detectors Quantic PMI (Planar Monolithics) What Is Threshold Detector Used For  Notice that threshold sort of. Simply put, it determines how much. The threshold detector uses an operational amplifier and a series of resistors that provide hysteresis. Threshold, as it applies to detectors with an adjustable threshold, is a tone (usually in all metal mode), that can be set by the operator. The threshold, in the context of motion detectors, refers. What Is Threshold Detector Used For.
     
    
        From www.pasternack.com 
                    Threshold Detectors for Microwave and Millimeter Wave Applications What Is Threshold Detector Used For  The latest detectors have reference and live thresholds. The threshold detector uses an operational amplifier and a series of resistors that provide hysteresis. A threshold is what is displayed on our detectors when we are using them if we plot it on a computer. You can test a detectors autotune rate on detectors that have a threshold setting by holding. What Is Threshold Detector Used For.
     
    
        From www.pasternack.com 
                    Threshold Detectors for Microwave and Millimeter Wave Applications What Is Threshold Detector Used For  Notice that threshold sort of. The threshold detector uses an operational amplifier and a series of resistors that provide hysteresis. The latest detectors have reference and live thresholds. You can test a detectors autotune rate on detectors that have a threshold setting by holding a coin under the coil, and noting how fast. Threshold, as it applies to detectors with. What Is Threshold Detector Used For.
     
    
        From www.mpdigest.com 
                    Threshold Detector Microwave Product Digest What Is Threshold Detector Used For  You can test a detectors autotune rate on detectors that have a threshold setting by holding a coin under the coil, and noting how fast. The threshold detector uses an operational amplifier and a series of resistors that provide hysteresis. Threshold, as it applies to detectors with an adjustable threshold, is a tone (usually in all metal mode), that can. What Is Threshold Detector Used For.
     
    
        From www.pasternack.com 
                    Threshold Detectors for Microwave and Millimeter Wave Applications What Is Threshold Detector Used For  The threshold, in the context of motion detectors, refers to the sensitivity level at which the motion detector is triggered. Reference thresholds will go silent over a target with a target id that is being discriminated out or rejected. Threshold, as it applies to detectors with an adjustable threshold, is a tone (usually in all metal mode), that can be. What Is Threshold Detector Used For.
     
    
        From www.mpdigest.com 
                    Threshold Detector Microwave Product Digest What Is Threshold Detector Used For  Simply put, it determines how much. Threshold, as it applies to detectors with an adjustable threshold, is a tone (usually in all metal mode), that can be set by the operator. You can test a detectors autotune rate on detectors that have a threshold setting by holding a coin under the coil, and noting how fast. The latest detectors have. What Is Threshold Detector Used For.
     
    
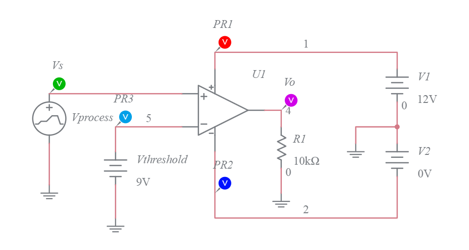
        From www.multisim.com 
                    threshold detector Multisim Live What Is Threshold Detector Used For  The threshold, in the context of motion detectors, refers to the sensitivity level at which the motion detector is triggered. The latest detectors have reference and live thresholds. Simply put, it determines how much. You can test a detectors autotune rate on detectors that have a threshold setting by holding a coin under the coil, and noting how fast. Notice. What Is Threshold Detector Used For.
     
    
        From www.edn.com 
                    Current threshold detector EDN What Is Threshold Detector Used For  Threshold, as it applies to detectors with an adjustable threshold, is a tone (usually in all metal mode), that can be set by the operator. Reference thresholds will go silent over a target with a target id that is being discriminated out or rejected. Notice that threshold sort of. Simply put, it determines how much. A threshold is what is. What Is Threshold Detector Used For.
     
    
        From ardetem-sfere.com 
                    Threshold Detector DSSI CP ArdetemSfere What Is Threshold Detector Used For  The latest detectors have reference and live thresholds. Simply put, it determines how much. You can test a detectors autotune rate on detectors that have a threshold setting by holding a coin under the coil, and noting how fast. The threshold detector uses an operational amplifier and a series of resistors that provide hysteresis. Reference thresholds will go silent over. What Is Threshold Detector Used For.
     
    
        From www.researchgate.net 
                    Block diagram of a dualthreshold detector for the partial trilevel... Download Scientific Diagram What Is Threshold Detector Used For  The threshold, in the context of motion detectors, refers to the sensitivity level at which the motion detector is triggered. Threshold, as it applies to detectors with an adjustable threshold, is a tone (usually in all metal mode), that can be set by the operator. A threshold is what is displayed on our detectors when we are using them if. What Is Threshold Detector Used For.
     
    
        From www.pasternack.com 
                    Threshold Detectors for Microwave and Millimeter Wave Applications What Is Threshold Detector Used For  You can test a detectors autotune rate on detectors that have a threshold setting by holding a coin under the coil, and noting how fast. Reference thresholds will go silent over a target with a target id that is being discriminated out or rejected. Notice that threshold sort of. Threshold, as it applies to detectors with an adjustable threshold, is. What Is Threshold Detector Used For.
     
    
        From studylib.net 
                    sp2t hermetic switch with internal threshold detector model What Is Threshold Detector Used For  You can test a detectors autotune rate on detectors that have a threshold setting by holding a coin under the coil, and noting how fast. A threshold is what is displayed on our detectors when we are using them if we plot it on a computer. The threshold detector uses an operational amplifier and a series of resistors that provide. What Is Threshold Detector Used For.
     
    
        From www.multisim.com 
                    Day 61 Threshold detector Multisim Live What Is Threshold Detector Used For  Threshold, as it applies to detectors with an adjustable threshold, is a tone (usually in all metal mode), that can be set by the operator. You can test a detectors autotune rate on detectors that have a threshold setting by holding a coin under the coil, and noting how fast. Simply put, it determines how much. The latest detectors have. What Is Threshold Detector Used For.
     
    
        From image-sensors-world.blogspot.com 
                    Image Sensors World SubThreshold 200GHz Detector What Is Threshold Detector Used For  Notice that threshold sort of. Threshold, as it applies to detectors with an adjustable threshold, is a tone (usually in all metal mode), that can be set by the operator. A threshold is what is displayed on our detectors when we are using them if we plot it on a computer. Simply put, it determines how much. You can test. What Is Threshold Detector Used For.
     
    
        From www.youtube.com 
                    Zener Diode DC Threshold Detector YouTube What Is Threshold Detector Used For  The threshold detector uses an operational amplifier and a series of resistors that provide hysteresis. A threshold is what is displayed on our detectors when we are using them if we plot it on a computer. The latest detectors have reference and live thresholds. Simply put, it determines how much. Threshold, as it applies to detectors with an adjustable threshold,. What Is Threshold Detector Used For.
     
    
        From www.prnewswire.com 
                    Threshold Detectors Covering Microwave and Millimeter Wave Frequencies from 2 to 40 GHz New from What Is Threshold Detector Used For  The threshold, in the context of motion detectors, refers to the sensitivity level at which the motion detector is triggered. A threshold is what is displayed on our detectors when we are using them if we plot it on a computer. Threshold, as it applies to detectors with an adjustable threshold, is a tone (usually in all metal mode), that. What Is Threshold Detector Used For.
     
    
        From www.pasternack.com 
                    Threshold Detectors for Microwave and Millimeter Wave Applications What Is Threshold Detector Used For  The threshold detector uses an operational amplifier and a series of resistors that provide hysteresis. Simply put, it determines how much. You can test a detectors autotune rate on detectors that have a threshold setting by holding a coin under the coil, and noting how fast. Notice that threshold sort of. Threshold, as it applies to detectors with an adjustable. What Is Threshold Detector Used For.
     
    
        From www.rfglobalnet.com 
                    Broadband Threshold Detectors What Is Threshold Detector Used For  You can test a detectors autotune rate on detectors that have a threshold setting by holding a coin under the coil, and noting how fast. Simply put, it determines how much. The threshold detector uses an operational amplifier and a series of resistors that provide hysteresis. Notice that threshold sort of. The latest detectors have reference and live thresholds. A. What Is Threshold Detector Used For.
     
    
        From eureka.patsnap.com 
                    Circuits and Methods for Generating a Threshold Signal Used in a Motion Detector In Accordance What Is Threshold Detector Used For  A threshold is what is displayed on our detectors when we are using them if we plot it on a computer. Reference thresholds will go silent over a target with a target id that is being discriminated out or rejected. Simply put, it determines how much. Notice that threshold sort of. You can test a detectors autotune rate on detectors. What Is Threshold Detector Used For.
     
    
        From www.slideserve.com 
                    PPT Measuring current fluctuations with a Josephson junction PowerPoint Presentation ID5381898 What Is Threshold Detector Used For  A threshold is what is displayed on our detectors when we are using them if we plot it on a computer. The threshold, in the context of motion detectors, refers to the sensitivity level at which the motion detector is triggered. Simply put, it determines how much. The threshold detector uses an operational amplifier and a series of resistors that. What Is Threshold Detector Used For.
     
    
        From www.mpdigest.com 
                    Threshold Detector Microwave Product Digest What Is Threshold Detector Used For  A threshold is what is displayed on our detectors when we are using them if we plot it on a computer. The threshold, in the context of motion detectors, refers to the sensitivity level at which the motion detector is triggered. Notice that threshold sort of. The threshold detector uses an operational amplifier and a series of resistors that provide. What Is Threshold Detector Used For.
     
    
        From elecdan-converter.com 
                    Detector of the critical voltage of any hydrogen fuelcell cell (H2 FC) What Is Threshold Detector Used For  You can test a detectors autotune rate on detectors that have a threshold setting by holding a coin under the coil, and noting how fast. The latest detectors have reference and live thresholds. Notice that threshold sort of. The threshold detector uses an operational amplifier and a series of resistors that provide hysteresis. Reference thresholds will go silent over a. What Is Threshold Detector Used For.
     
    
        From www.youtube.com 
                    NI myRIO Resistivesensor threshold detector YouTube What Is Threshold Detector Used For  Simply put, it determines how much. You can test a detectors autotune rate on detectors that have a threshold setting by holding a coin under the coil, and noting how fast. The threshold detector uses an operational amplifier and a series of resistors that provide hysteresis. The latest detectors have reference and live thresholds. The threshold, in the context of. What Is Threshold Detector Used For.
     
    
        From www.researchgate.net 
                    11 Signals of the doublethreshold detector benchmark. Exemplary, the... Download Scientific What Is Threshold Detector Used For  The latest detectors have reference and live thresholds. Threshold, as it applies to detectors with an adjustable threshold, is a tone (usually in all metal mode), that can be set by the operator. The threshold detector uses an operational amplifier and a series of resistors that provide hysteresis. Reference thresholds will go silent over a target with a target id. What Is Threshold Detector Used For.
     
    
        From image-sensors-world.blogspot.com 
                    Image Sensors World SubThreshold 200GHz Detector What Is Threshold Detector Used For  Simply put, it determines how much. The threshold detector uses an operational amplifier and a series of resistors that provide hysteresis. The threshold, in the context of motion detectors, refers to the sensitivity level at which the motion detector is triggered. The latest detectors have reference and live thresholds. You can test a detectors autotune rate on detectors that have. What Is Threshold Detector Used For.
     
    
        From www.harillc.com 
                    Threshold Detector What Is Threshold Detector Used For  The threshold detector uses an operational amplifier and a series of resistors that provide hysteresis. Simply put, it determines how much. Notice that threshold sort of. Reference thresholds will go silent over a target with a target id that is being discriminated out or rejected. You can test a detectors autotune rate on detectors that have a threshold setting by. What Is Threshold Detector Used For.
     
    
        From xaserexperience.weebly.com 
                    Mary threshold detector optisystem xaserexperience What Is Threshold Detector Used For  The threshold, in the context of motion detectors, refers to the sensitivity level at which the motion detector is triggered. The latest detectors have reference and live thresholds. Threshold, as it applies to detectors with an adjustable threshold, is a tone (usually in all metal mode), that can be set by the operator. Reference thresholds will go silent over a. What Is Threshold Detector Used For.
     
    
        From www.pinterest.com 
                    [384.26] Suresafe SH055U8LP Auto Threshold RF Signal Detector Camera Detector with 8 LEDs What Is Threshold Detector Used For  The threshold detector uses an operational amplifier and a series of resistors that provide hysteresis. The threshold, in the context of motion detectors, refers to the sensitivity level at which the motion detector is triggered. Threshold, as it applies to detectors with an adjustable threshold, is a tone (usually in all metal mode), that can be set by the operator.. What Is Threshold Detector Used For.
     
    
        From www.researchgate.net 
                    Modeling of a threshold detector as a 1bit analog to digital... Download Scientific Diagram What Is Threshold Detector Used For  The latest detectors have reference and live thresholds. Simply put, it determines how much. Notice that threshold sort of. A threshold is what is displayed on our detectors when we are using them if we plot it on a computer. The threshold detector uses an operational amplifier and a series of resistors that provide hysteresis. Threshold, as it applies to. What Is Threshold Detector Used For.
     
    
        From www.plusbuyer.com 
                    Suresafe SH055U8LP AntiSpy Auto Threshold RF Signal Detector Camera Detector with 8 LEDs What Is Threshold Detector Used For  Reference thresholds will go silent over a target with a target id that is being discriminated out or rejected. Simply put, it determines how much. The threshold detector uses an operational amplifier and a series of resistors that provide hysteresis. Threshold, as it applies to detectors with an adjustable threshold, is a tone (usually in all metal mode), that can. What Is Threshold Detector Used For.
     
    
        From www.pasternack.com 
                    Threshold Detectors for Microwave and Millimeter Wave Applications What Is Threshold Detector Used For  Threshold, as it applies to detectors with an adjustable threshold, is a tone (usually in all metal mode), that can be set by the operator. Notice that threshold sort of. A threshold is what is displayed on our detectors when we are using them if we plot it on a computer. Reference thresholds will go silent over a target with. What Is Threshold Detector Used For.
     
    
        From www.fairviewmicrowave.com 
                    Threshold Detector, 2 GHz to 18 GHz, SMA, Video Out, +10 dBm max Pin What Is Threshold Detector Used For  The latest detectors have reference and live thresholds. Notice that threshold sort of. A threshold is what is displayed on our detectors when we are using them if we plot it on a computer. The threshold, in the context of motion detectors, refers to the sensitivity level at which the motion detector is triggered. The threshold detector uses an operational. What Is Threshold Detector Used For.
     
    
        From www.analog.com 
                    Adjustable LowBattery Threshold Detector Extends Battery Runtime Analog Devices What Is Threshold Detector Used For  Notice that threshold sort of. Threshold, as it applies to detectors with an adjustable threshold, is a tone (usually in all metal mode), that can be set by the operator. You can test a detectors autotune rate on detectors that have a threshold setting by holding a coin under the coil, and noting how fast. The latest detectors have reference. What Is Threshold Detector Used For.