How To Access Furnace Control Panel . the control board is the brain of your gas furnace, controlling all the various functions that keep your home. how to replace the control board on your furnace or a/c air handler. All my favorite hvac tools:. a furnace's control board is typically found in its blower chamber, in front of the blower, behind the bottom access. furnace or ac control board troubleshooting. I’ll also tell you how to replace a control board in your furnace. use your screwdriver to remove both access panels if necessary before moving on. The two access panels that are standard on furnaces are. Do you suspect that your furnace/ac control board is bad? in this article, i’ll discuss what to check if your furnace’s control board is bad.
from www.911metallurgist.com
I’ll also tell you how to replace a control board in your furnace. Do you suspect that your furnace/ac control board is bad? the control board is the brain of your gas furnace, controlling all the various functions that keep your home. how to replace the control board on your furnace or a/c air handler. in this article, i’ll discuss what to check if your furnace’s control board is bad. use your screwdriver to remove both access panels if necessary before moving on. furnace or ac control board troubleshooting. All my favorite hvac tools:. a furnace's control board is typically found in its blower chamber, in front of the blower, behind the bottom access. The two access panels that are standard on furnaces are.
cONTROL pANEL Melting Furnace Mineral Processing & Metallurgy
How To Access Furnace Control Panel Do you suspect that your furnace/ac control board is bad? a furnace's control board is typically found in its blower chamber, in front of the blower, behind the bottom access. The two access panels that are standard on furnaces are. how to replace the control board on your furnace or a/c air handler. Do you suspect that your furnace/ac control board is bad? All my favorite hvac tools:. the control board is the brain of your gas furnace, controlling all the various functions that keep your home. in this article, i’ll discuss what to check if your furnace’s control board is bad. use your screwdriver to remove both access panels if necessary before moving on. I’ll also tell you how to replace a control board in your furnace. furnace or ac control board troubleshooting.
From www.ajmdrives.com
Furnace Control Panel AJM Drives & Controls LTD How To Access Furnace Control Panel I’ll also tell you how to replace a control board in your furnace. use your screwdriver to remove both access panels if necessary before moving on. The two access panels that are standard on furnaces are. the control board is the brain of your gas furnace, controlling all the various functions that keep your home. All my favorite. How To Access Furnace Control Panel.
From schematicdiagrammoyles.z13.web.core.windows.net
Residential Natural Gas Furnaces Wiring How To Access Furnace Control Panel furnace or ac control board troubleshooting. All my favorite hvac tools:. Do you suspect that your furnace/ac control board is bad? how to replace the control board on your furnace or a/c air handler. a furnace's control board is typically found in its blower chamber, in front of the blower, behind the bottom access. The two access. How To Access Furnace Control Panel.
From www.ajmdrives.com
Furnace Control Panel AJM Drives & Controls LTD How To Access Furnace Control Panel the control board is the brain of your gas furnace, controlling all the various functions that keep your home. The two access panels that are standard on furnaces are. furnace or ac control board troubleshooting. use your screwdriver to remove both access panels if necessary before moving on. I’ll also tell you how to replace a control. How To Access Furnace Control Panel.
From www.justanswer.com
Expert Guide Wiring Two Furnaces to One Thermostat JustAnswer HVAC How To Access Furnace Control Panel Do you suspect that your furnace/ac control board is bad? The two access panels that are standard on furnaces are. I’ll also tell you how to replace a control board in your furnace. how to replace the control board on your furnace or a/c air handler. use your screwdriver to remove both access panels if necessary before moving. How To Access Furnace Control Panel.
From www.indiamart.com
Heat Treatment Furnace Control Panel at Rs 100000 Electrical Furnace How To Access Furnace Control Panel Do you suspect that your furnace/ac control board is bad? All my favorite hvac tools:. The two access panels that are standard on furnaces are. in this article, i’ll discuss what to check if your furnace’s control board is bad. use your screwdriver to remove both access panels if necessary before moving on. I’ll also tell you how. How To Access Furnace Control Panel.
From diagramlibraryclopped.z19.web.core.windows.net
Carrier Furnace Control Panel How To Access Furnace Control Panel Do you suspect that your furnace/ac control board is bad? in this article, i’ll discuss what to check if your furnace’s control board is bad. the control board is the brain of your gas furnace, controlling all the various functions that keep your home. a furnace's control board is typically found in its blower chamber, in front. How To Access Furnace Control Panel.
From www.youtube.com
Goodman Gas Furnace troubleshooting control board YouTube How To Access Furnace Control Panel how to replace the control board on your furnace or a/c air handler. use your screwdriver to remove both access panels if necessary before moving on. in this article, i’ll discuss what to check if your furnace’s control board is bad. Do you suspect that your furnace/ac control board is bad? I’ll also tell you how to. How To Access Furnace Control Panel.
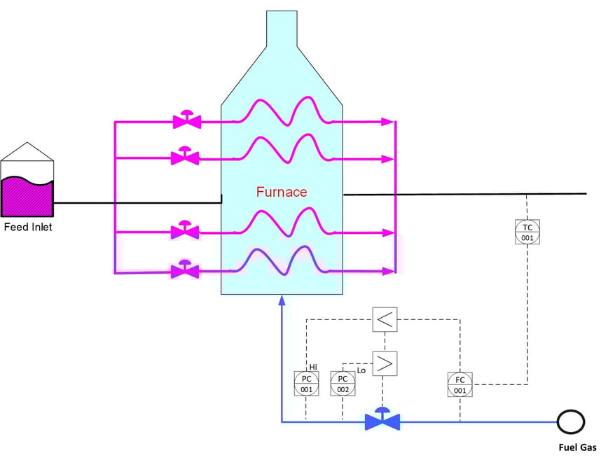
From blog.incatools.com
How to do PID tuning on a furnace? How To Access Furnace Control Panel All my favorite hvac tools:. use your screwdriver to remove both access panels if necessary before moving on. how to replace the control board on your furnace or a/c air handler. Do you suspect that your furnace/ac control board is bad? I’ll also tell you how to replace a control board in your furnace. in this article,. How To Access Furnace Control Panel.
From www.youtube.com
HOW TO SET UP A TRANE S8X2 FURNACE INTEGRATED FURNACE CONTROL BOARD How To Access Furnace Control Panel Do you suspect that your furnace/ac control board is bad? The two access panels that are standard on furnaces are. how to replace the control board on your furnace or a/c air handler. I’ll also tell you how to replace a control board in your furnace. use your screwdriver to remove both access panels if necessary before moving. How To Access Furnace Control Panel.
From www.technicalhotandcoldparts.com
Homeowner's Guide to the Parts of a Furnace Technical Hot & Cold Parts How To Access Furnace Control Panel a furnace's control board is typically found in its blower chamber, in front of the blower, behind the bottom access. I’ll also tell you how to replace a control board in your furnace. furnace or ac control board troubleshooting. the control board is the brain of your gas furnace, controlling all the various functions that keep your. How To Access Furnace Control Panel.
From www.gaslightheat.ca
Rinnai Wall furnace Control Panel GASLIGHT HEAT SERVICES How To Access Furnace Control Panel in this article, i’ll discuss what to check if your furnace’s control board is bad. use your screwdriver to remove both access panels if necessary before moving on. The two access panels that are standard on furnaces are. furnace or ac control board troubleshooting. I’ll also tell you how to replace a control board in your furnace.. How To Access Furnace Control Panel.
From exouvwlrw.blob.core.windows.net
How To Install A Downflow Furnace at Regina Engleman blog How To Access Furnace Control Panel how to replace the control board on your furnace or a/c air handler. the control board is the brain of your gas furnace, controlling all the various functions that keep your home. All my favorite hvac tools:. I’ll also tell you how to replace a control board in your furnace. furnace or ac control board troubleshooting. . How To Access Furnace Control Panel.
From www.grainger.com
ICM Furnace Control Board, For Use With Commercial HVAC Equipment How To Access Furnace Control Panel a furnace's control board is typically found in its blower chamber, in front of the blower, behind the bottom access. Do you suspect that your furnace/ac control board is bad? I’ll also tell you how to replace a control board in your furnace. the control board is the brain of your gas furnace, controlling all the various functions. How To Access Furnace Control Panel.
From dxojepcym.blob.core.windows.net
How To Turn On A Boiler Furnace at Valentin Cassell blog How To Access Furnace Control Panel a furnace's control board is typically found in its blower chamber, in front of the blower, behind the bottom access. furnace or ac control board troubleshooting. in this article, i’ll discuss what to check if your furnace’s control board is bad. how to replace the control board on your furnace or a/c air handler. Do you. How To Access Furnace Control Panel.
From www.acmidwest.com
High Efficiency Furnace Guide How To Access Furnace Control Panel Do you suspect that your furnace/ac control board is bad? use your screwdriver to remove both access panels if necessary before moving on. how to replace the control board on your furnace or a/c air handler. the control board is the brain of your gas furnace, controlling all the various functions that keep your home. The two. How To Access Furnace Control Panel.
From dxoooazju.blob.core.windows.net
Furnace Control Wiring Diagram at Stephen Burks blog How To Access Furnace Control Panel how to replace the control board on your furnace or a/c air handler. The two access panels that are standard on furnaces are. use your screwdriver to remove both access panels if necessary before moving on. All my favorite hvac tools:. furnace or ac control board troubleshooting. I’ll also tell you how to replace a control board. How To Access Furnace Control Panel.
From diy.stackexchange.com
hvac How do I determine where to connect a new C wire inside my How To Access Furnace Control Panel The two access panels that are standard on furnaces are. a furnace's control board is typically found in its blower chamber, in front of the blower, behind the bottom access. furnace or ac control board troubleshooting. Do you suspect that your furnace/ac control board is bad? the control board is the brain of your gas furnace, controlling. How To Access Furnace Control Panel.
From www.youtube.com
50M56X843 Universal Single Stage Furnace Control Introduction 6s How To Access Furnace Control Panel the control board is the brain of your gas furnace, controlling all the various functions that keep your home. use your screwdriver to remove both access panels if necessary before moving on. how to replace the control board on your furnace or a/c air handler. furnace or ac control board troubleshooting. The two access panels that. How To Access Furnace Control Panel.
From furnaceheaters.com
How To Remove The Carrier Furnace Access Panel How To Access Furnace Control Panel Do you suspect that your furnace/ac control board is bad? how to replace the control board on your furnace or a/c air handler. The two access panels that are standard on furnaces are. I’ll also tell you how to replace a control board in your furnace. use your screwdriver to remove both access panels if necessary before moving. How To Access Furnace Control Panel.
From sitemate.com
HVAC Inspection Checklist Template Better Than Excel or PDF How To Access Furnace Control Panel All my favorite hvac tools:. I’ll also tell you how to replace a control board in your furnace. how to replace the control board on your furnace or a/c air handler. use your screwdriver to remove both access panels if necessary before moving on. furnace or ac control board troubleshooting. in this article, i’ll discuss what. How To Access Furnace Control Panel.
From dxogdqmae.blob.core.windows.net
How To Start A Diesel Furnace at Becky Powell blog How To Access Furnace Control Panel use your screwdriver to remove both access panels if necessary before moving on. I’ll also tell you how to replace a control board in your furnace. how to replace the control board on your furnace or a/c air handler. All my favorite hvac tools:. The two access panels that are standard on furnaces are. in this article,. How To Access Furnace Control Panel.
From ajmdrives.com
Furnace Control Panel AJM Drives & Controls LTD How To Access Furnace Control Panel The two access panels that are standard on furnaces are. a furnace's control board is typically found in its blower chamber, in front of the blower, behind the bottom access. Do you suspect that your furnace/ac control board is bad? furnace or ac control board troubleshooting. the control board is the brain of your gas furnace, controlling. How To Access Furnace Control Panel.
From furnacesolutionsinc.com
Control Panel Furnace Solutions, Inc. How To Access Furnace Control Panel a furnace's control board is typically found in its blower chamber, in front of the blower, behind the bottom access. furnace or ac control board troubleshooting. I’ll also tell you how to replace a control board in your furnace. how to replace the control board on your furnace or a/c air handler. The two access panels that. How To Access Furnace Control Panel.
From www.totallycleanservices.com
Ultimate Guide To Furnace System Components & Parts How To Access Furnace Control Panel how to replace the control board on your furnace or a/c air handler. in this article, i’ll discuss what to check if your furnace’s control board is bad. the control board is the brain of your gas furnace, controlling all the various functions that keep your home. furnace or ac control board troubleshooting. All my favorite. How To Access Furnace Control Panel.
From ajmdrives.com
Furnace Control Panel AJM Drives & Controls LTD How To Access Furnace Control Panel how to replace the control board on your furnace or a/c air handler. I’ll also tell you how to replace a control board in your furnace. Do you suspect that your furnace/ac control board is bad? All my favorite hvac tools:. The two access panels that are standard on furnaces are. the control board is the brain of. How To Access Furnace Control Panel.
From schematicenginedrechsler.z19.web.core.windows.net
Carrier Furnace Control Panel How To Access Furnace Control Panel The two access panels that are standard on furnaces are. I’ll also tell you how to replace a control board in your furnace. All my favorite hvac tools:. furnace or ac control board troubleshooting. use your screwdriver to remove both access panels if necessary before moving on. how to replace the control board on your furnace or. How To Access Furnace Control Panel.
From www.911metallurgist.com
cONTROL pANEL Melting Furnace Mineral Processing & Metallurgy How To Access Furnace Control Panel a furnace's control board is typically found in its blower chamber, in front of the blower, behind the bottom access. I’ll also tell you how to replace a control board in your furnace. in this article, i’ll discuss what to check if your furnace’s control board is bad. how to replace the control board on your furnace. How To Access Furnace Control Panel.
From scosche-wiring-diagram.blogspot.com
Furnace Control Wiring / Goodman Furnace Control Board Wiring Diagram How To Access Furnace Control Panel the control board is the brain of your gas furnace, controlling all the various functions that keep your home. All my favorite hvac tools:. a furnace's control board is typically found in its blower chamber, in front of the blower, behind the bottom access. in this article, i’ll discuss what to check if your furnace’s control board. How To Access Furnace Control Panel.
From www.youtube.com
How to replace Trane Gas Furnace control board TUC1B060 YouTube How To Access Furnace Control Panel furnace or ac control board troubleshooting. use your screwdriver to remove both access panels if necessary before moving on. All my favorite hvac tools:. in this article, i’ll discuss what to check if your furnace’s control board is bad. the control board is the brain of your gas furnace, controlling all the various functions that keep. How To Access Furnace Control Panel.
From www.exportersindia.com
Furnace Control Panel VoltOn Engineering, Chennai, Tamil Nadu How To Access Furnace Control Panel furnace or ac control board troubleshooting. All my favorite hvac tools:. The two access panels that are standard on furnaces are. use your screwdriver to remove both access panels if necessary before moving on. a furnace's control board is typically found in its blower chamber, in front of the blower, behind the bottom access. the control. How To Access Furnace Control Panel.
From phyxter.ai
What is a Two Stage Furnace & How Does it Work? Phyxter Home Services How To Access Furnace Control Panel All my favorite hvac tools:. I’ll also tell you how to replace a control board in your furnace. in this article, i’ll discuss what to check if your furnace’s control board is bad. use your screwdriver to remove both access panels if necessary before moving on. a furnace's control board is typically found in its blower chamber,. How To Access Furnace Control Panel.
From usermanualtractors.z1.web.core.windows.net
Carrier Furnace Control Panel How To Access Furnace Control Panel the control board is the brain of your gas furnace, controlling all the various functions that keep your home. use your screwdriver to remove both access panels if necessary before moving on. how to replace the control board on your furnace or a/c air handler. furnace or ac control board troubleshooting. All my favorite hvac tools:.. How To Access Furnace Control Panel.
From www.youtube.com
Induction Furnace & Control Panels by Balaji Engineers, Ahmedabad YouTube How To Access Furnace Control Panel I’ll also tell you how to replace a control board in your furnace. All my favorite hvac tools:. Do you suspect that your furnace/ac control board is bad? how to replace the control board on your furnace or a/c air handler. in this article, i’ll discuss what to check if your furnace’s control board is bad. use. How To Access Furnace Control Panel.
From thedailythrive.org
A Guide to Removing Your Goodman Furnace Access Panel How To Access Furnace Control Panel furnace or ac control board troubleshooting. All my favorite hvac tools:. a furnace's control board is typically found in its blower chamber, in front of the blower, behind the bottom access. in this article, i’ll discuss what to check if your furnace’s control board is bad. the control board is the brain of your gas furnace,. How To Access Furnace Control Panel.
From guidefixachen.z19.web.core.windows.net
York Furnace Control Board Schematic How To Access Furnace Control Panel I’ll also tell you how to replace a control board in your furnace. Do you suspect that your furnace/ac control board is bad? a furnace's control board is typically found in its blower chamber, in front of the blower, behind the bottom access. how to replace the control board on your furnace or a/c air handler. the. How To Access Furnace Control Panel.