Maytag Dryer De410 Manual . A complete guide to your de410 maytag dryer at partselect. Find the user manual you need for your laundry appliances and more at. 365 days to return any. Get your maytag parts fast. We also have installation guides, diagrams and manuals. Step by step diy instructions & videos for troubleshooting your maytag dryer de410. Laundry manuals and free pdf instructions. Need to fix your maytag dryer de410? Use our de410 parts, diagrams, manuals, and videos to make your repair easy. Manuals download manuals for your equipment, including repair, maintenance, and fitment guides.
from lorainfurniture.com
365 days to return any. Use our de410 parts, diagrams, manuals, and videos to make your repair easy. Find the user manual you need for your laundry appliances and more at. Step by step diy instructions & videos for troubleshooting your maytag dryer de410. Laundry manuals and free pdf instructions. We also have installation guides, diagrams and manuals. Get your maytag parts fast. Need to fix your maytag dryer de410? A complete guide to your de410 maytag dryer at partselect. Manuals download manuals for your equipment, including repair, maintenance, and fitment guides.
GENUINE VTG MAYTAG Dryer DE410 Push to Start Button 35211 Lorain
Maytag Dryer De410 Manual Laundry manuals and free pdf instructions. Need to fix your maytag dryer de410? A complete guide to your de410 maytag dryer at partselect. Step by step diy instructions & videos for troubleshooting your maytag dryer de410. Manuals download manuals for your equipment, including repair, maintenance, and fitment guides. Find the user manual you need for your laundry appliances and more at. We also have installation guides, diagrams and manuals. Use our de410 parts, diagrams, manuals, and videos to make your repair easy. Laundry manuals and free pdf instructions. Get your maytag parts fast. 365 days to return any.
From www.manualslib.com
MAYTAG STACKED WASHER/DRYER INSTALLATION INSTRUCTIONS MANUAL Pdf Maytag Dryer De410 Manual Use our de410 parts, diagrams, manuals, and videos to make your repair easy. A complete guide to your de410 maytag dryer at partselect. Laundry manuals and free pdf instructions. Get your maytag parts fast. Manuals download manuals for your equipment, including repair, maintenance, and fitment guides. Need to fix your maytag dryer de410? 365 days to return any. Find the. Maytag Dryer De410 Manual.
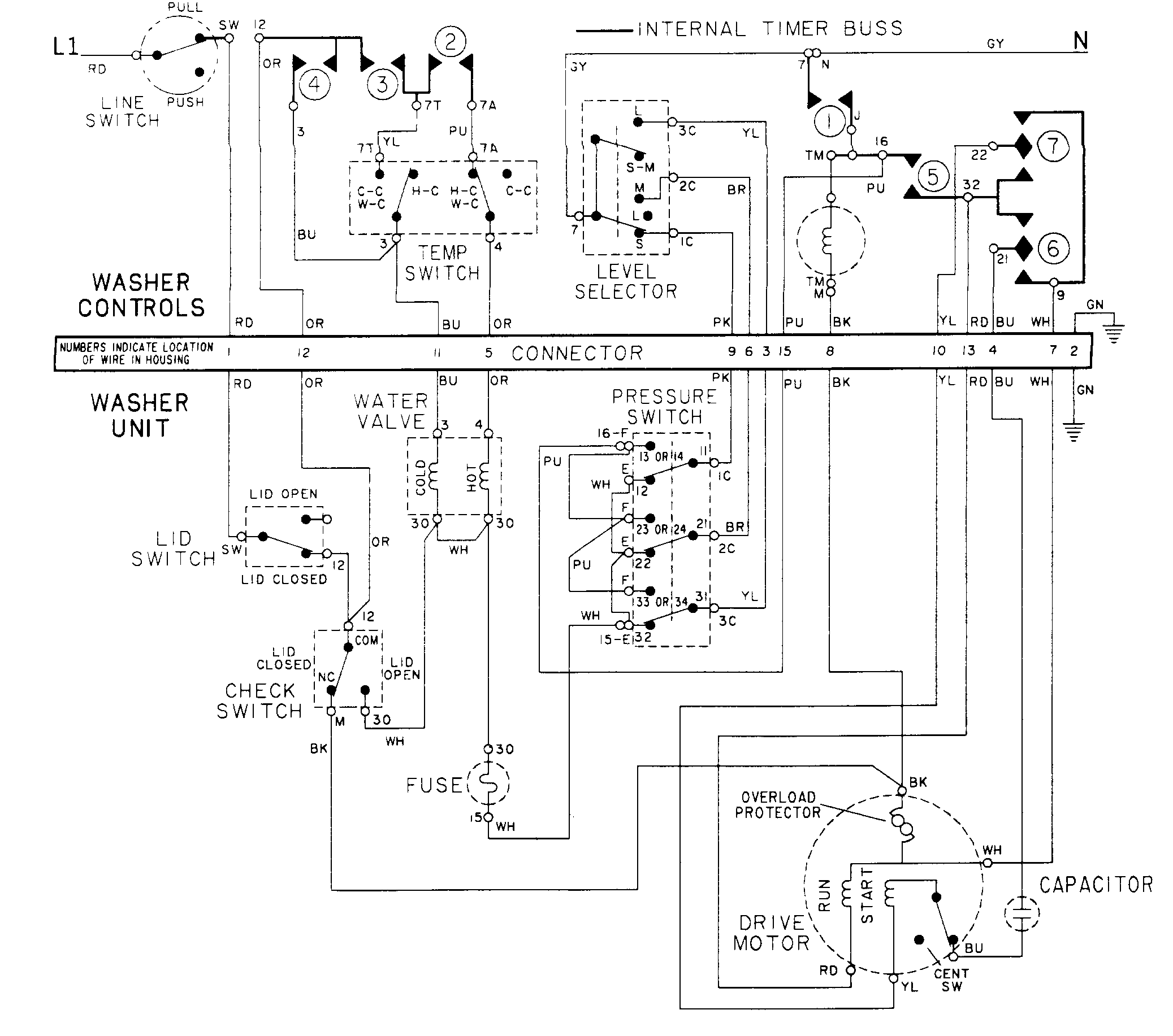
From wiringdiagram.2bitboer.com
Maytag Commercial Dryer Wiring Diagram Wiring Diagram Maytag Dryer De410 Manual Laundry manuals and free pdf instructions. Use our de410 parts, diagrams, manuals, and videos to make your repair easy. Step by step diy instructions & videos for troubleshooting your maytag dryer de410. 365 days to return any. Need to fix your maytag dryer de410? A complete guide to your de410 maytag dryer at partselect. We also have installation guides, diagrams. Maytag Dryer De410 Manual.
From lorainfurniture.com
GENUINE VTG MAYTAG Dryer DE410 Push to Start Button 35211 Lorain Maytag Dryer De410 Manual Laundry manuals and free pdf instructions. 365 days to return any. Get your maytag parts fast. Use our de410 parts, diagrams, manuals, and videos to make your repair easy. We also have installation guides, diagrams and manuals. A complete guide to your de410 maytag dryer at partselect. Step by step diy instructions & videos for troubleshooting your maytag dryer de410.. Maytag Dryer De410 Manual.
From manualengineterri.z4.web.core.windows.net
Maytag Dryer Cycle Guide Maytag Dryer De410 Manual Find the user manual you need for your laundry appliances and more at. Manuals download manuals for your equipment, including repair, maintenance, and fitment guides. 365 days to return any. Get your maytag parts fast. We also have installation guides, diagrams and manuals. A complete guide to your de410 maytag dryer at partselect. Use our de410 parts, diagrams, manuals, and. Maytag Dryer De410 Manual.
From manualsee.com
Maytag Dryer Instruction Manual Manualsee Maytag Dryer De410 Manual Use our de410 parts, diagrams, manuals, and videos to make your repair easy. Get your maytag parts fast. 365 days to return any. Laundry manuals and free pdf instructions. Need to fix your maytag dryer de410? Manuals download manuals for your equipment, including repair, maintenance, and fitment guides. We also have installation guides, diagrams and manuals. Step by step diy. Maytag Dryer De410 Manual.
From schematron.org
Maytag Dryer De410 Wiring Diagram Wiring Diagram Pictures Maytag Dryer De410 Manual Use our de410 parts, diagrams, manuals, and videos to make your repair easy. Manuals download manuals for your equipment, including repair, maintenance, and fitment guides. Laundry manuals and free pdf instructions. We also have installation guides, diagrams and manuals. Step by step diy instructions & videos for troubleshooting your maytag dryer de410. 365 days to return any. Find the user. Maytag Dryer De410 Manual.
From schematicfixgrunwald.z19.web.core.windows.net
Maytag Dryer Diagrams And Parts Guide Maytag Dryer De410 Manual Need to fix your maytag dryer de410? Step by step diy instructions & videos for troubleshooting your maytag dryer de410. Find the user manual you need for your laundry appliances and more at. A complete guide to your de410 maytag dryer at partselect. Get your maytag parts fast. We also have installation guides, diagrams and manuals. Laundry manuals and free. Maytag Dryer De410 Manual.
From enginemanualkristi.z22.web.core.windows.net
Maytag Dryer Parts Diagram Maytag Dryer De410 Manual A complete guide to your de410 maytag dryer at partselect. Laundry manuals and free pdf instructions. Get your maytag parts fast. Step by step diy instructions & videos for troubleshooting your maytag dryer de410. 365 days to return any. Manuals download manuals for your equipment, including repair, maintenance, and fitment guides. Find the user manual you need for your laundry. Maytag Dryer De410 Manual.
From www.genuinereplacementparts.com
Maytag DE410 Heating Element (240v) Maytag Dryer De410 Manual We also have installation guides, diagrams and manuals. Manuals download manuals for your equipment, including repair, maintenance, and fitment guides. Find the user manual you need for your laundry appliances and more at. A complete guide to your de410 maytag dryer at partselect. Use our de410 parts, diagrams, manuals, and videos to make your repair easy. Laundry manuals and free. Maytag Dryer De410 Manual.
From www.wiringdigital.com
Wiring Diagram For A Maytag Dryer » Wiring Digital And Schematic Maytag Dryer De410 Manual Find the user manual you need for your laundry appliances and more at. Laundry manuals and free pdf instructions. A complete guide to your de410 maytag dryer at partselect. Use our de410 parts, diagrams, manuals, and videos to make your repair easy. We also have installation guides, diagrams and manuals. Manuals download manuals for your equipment, including repair, maintenance, and. Maytag Dryer De410 Manual.
From www.wiringflowline.com
Wiring Diagram For Maytag Gas Dryer Wiring Flow Line Maytag Dryer De410 Manual Get your maytag parts fast. Find the user manual you need for your laundry appliances and more at. Use our de410 parts, diagrams, manuals, and videos to make your repair easy. Step by step diy instructions & videos for troubleshooting your maytag dryer de410. Laundry manuals and free pdf instructions. Need to fix your maytag dryer de410? Manuals download manuals. Maytag Dryer De410 Manual.
From www.wiringdigital.com
Maytag Plug Wiring Diagram Dryer Wiring Digital and Schematic Maytag Dryer De410 Manual Find the user manual you need for your laundry appliances and more at. A complete guide to your de410 maytag dryer at partselect. Get your maytag parts fast. Use our de410 parts, diagrams, manuals, and videos to make your repair easy. 365 days to return any. Laundry manuals and free pdf instructions. Need to fix your maytag dryer de410? Manuals. Maytag Dryer De410 Manual.
From www.wiringdigital.com
Wiring Diagram For Maytag Dryer Wiring Digital and Schematic Maytag Dryer De410 Manual We also have installation guides, diagrams and manuals. A complete guide to your de410 maytag dryer at partselect. Step by step diy instructions & videos for troubleshooting your maytag dryer de410. Get your maytag parts fast. Manuals download manuals for your equipment, including repair, maintenance, and fitment guides. Need to fix your maytag dryer de410? Laundry manuals and free pdf. Maytag Dryer De410 Manual.
From device.report
MAYTAG W11552379A Dryer Instruction Manual Maytag Dryer De410 Manual We also have installation guides, diagrams and manuals. Find the user manual you need for your laundry appliances and more at. Need to fix your maytag dryer de410? Get your maytag parts fast. Laundry manuals and free pdf instructions. A complete guide to your de410 maytag dryer at partselect. Step by step diy instructions & videos for troubleshooting your maytag. Maytag Dryer De410 Manual.
From new2.steprightupmanuals.com
Maytag Dryer Service Manual for Models DE & DG Maytag Dryer De410 Manual Use our de410 parts, diagrams, manuals, and videos to make your repair easy. Find the user manual you need for your laundry appliances and more at. We also have installation guides, diagrams and manuals. Manuals download manuals for your equipment, including repair, maintenance, and fitment guides. Step by step diy instructions & videos for troubleshooting your maytag dryer de410. Need. Maytag Dryer De410 Manual.
From newlasertagatlanta.blogspot.com
41 maytag bravos dryer parts diagram Wiring Diagrams Manual Maytag Dryer De410 Manual Step by step diy instructions & videos for troubleshooting your maytag dryer de410. Find the user manual you need for your laundry appliances and more at. Laundry manuals and free pdf instructions. Use our de410 parts, diagrams, manuals, and videos to make your repair easy. Manuals download manuals for your equipment, including repair, maintenance, and fitment guides. 365 days to. Maytag Dryer De410 Manual.
From new2.steprightupmanuals.com
Maytag 1990 Automatic Dryer Service Manual Maytag Dryer De410 Manual Use our de410 parts, diagrams, manuals, and videos to make your repair easy. 365 days to return any. Get your maytag parts fast. A complete guide to your de410 maytag dryer at partselect. Find the user manual you need for your laundry appliances and more at. Laundry manuals and free pdf instructions. Step by step diy instructions & videos for. Maytag Dryer De410 Manual.
From elektrotanya.com
MAYTAG DRYER FULL SERIES Service Manual download, schematics, eeprom Maytag Dryer De410 Manual Step by step diy instructions & videos for troubleshooting your maytag dryer de410. Get your maytag parts fast. Laundry manuals and free pdf instructions. We also have installation guides, diagrams and manuals. Manuals download manuals for your equipment, including repair, maintenance, and fitment guides. Need to fix your maytag dryer de410? Use our de410 parts, diagrams, manuals, and videos to. Maytag Dryer De410 Manual.
From schematron.org
Maytag Dryer De410 Wiring Diagram Wiring Diagram Pictures Maytag Dryer De410 Manual Use our de410 parts, diagrams, manuals, and videos to make your repair easy. 365 days to return any. Need to fix your maytag dryer de410? Step by step diy instructions & videos for troubleshooting your maytag dryer de410. We also have installation guides, diagrams and manuals. Get your maytag parts fast. Laundry manuals and free pdf instructions. Manuals download manuals. Maytag Dryer De410 Manual.
From www.appliancerepair.net
Maytag Dryer Repair Dryer Repair Manual Maytag Dryer De410 Manual Use our de410 parts, diagrams, manuals, and videos to make your repair easy. Laundry manuals and free pdf instructions. We also have installation guides, diagrams and manuals. Need to fix your maytag dryer de410? Find the user manual you need for your laundry appliances and more at. Manuals download manuals for your equipment, including repair, maintenance, and fitment guides. A. Maytag Dryer De410 Manual.
From schematron.org
Maytag Dryer De410 Wiring Diagram Maytag Dryer De410 Manual 365 days to return any. We also have installation guides, diagrams and manuals. Laundry manuals and free pdf instructions. Step by step diy instructions & videos for troubleshooting your maytag dryer de410. Need to fix your maytag dryer de410? Use our de410 parts, diagrams, manuals, and videos to make your repair easy. A complete guide to your de410 maytag dryer. Maytag Dryer De410 Manual.
From scosche-wiring-diagram.blogspot.com
Maytag Washer Wiring Diagram Maytag De410 Dryer No Heat And Wiring Maytag Dryer De410 Manual Step by step diy instructions & videos for troubleshooting your maytag dryer de410. Manuals download manuals for your equipment, including repair, maintenance, and fitment guides. A complete guide to your de410 maytag dryer at partselect. Get your maytag parts fast. Use our de410 parts, diagrams, manuals, and videos to make your repair easy. Find the user manual you need for. Maytag Dryer De410 Manual.
From everythingisokay.net
Maytag Commercial Stacked Dryer Manual Maytag Dryer De410 Manual We also have installation guides, diagrams and manuals. Need to fix your maytag dryer de410? Step by step diy instructions & videos for troubleshooting your maytag dryer de410. A complete guide to your de410 maytag dryer at partselect. Manuals download manuals for your equipment, including repair, maintenance, and fitment guides. Find the user manual you need for your laundry appliances. Maytag Dryer De410 Manual.
From diagramlibchester.z13.web.core.windows.net
Maytag Dryer Parts Diagram Maytag Dryer De410 Manual Manuals download manuals for your equipment, including repair, maintenance, and fitment guides. 365 days to return any. Laundry manuals and free pdf instructions. Get your maytag parts fast. Need to fix your maytag dryer de410? Step by step diy instructions & videos for troubleshooting your maytag dryer de410. Use our de410 parts, diagrams, manuals, and videos to make your repair. Maytag Dryer De410 Manual.
From scosche-wiring-diagram.blogspot.com
Maytag Washer Wiring Diagram Maytag De410 Dryer No Heat And Wiring Maytag Dryer De410 Manual Use our de410 parts, diagrams, manuals, and videos to make your repair easy. Find the user manual you need for your laundry appliances and more at. Step by step diy instructions & videos for troubleshooting your maytag dryer de410. Laundry manuals and free pdf instructions. Need to fix your maytag dryer de410? 365 days to return any. Get your maytag. Maytag Dryer De410 Manual.
From pricesmommy.weebly.com
Maytag Centennial Dryer Repair Manual pricesmommy Maytag Dryer De410 Manual Need to fix your maytag dryer de410? Step by step diy instructions & videos for troubleshooting your maytag dryer de410. We also have installation guides, diagrams and manuals. Find the user manual you need for your laundry appliances and more at. Use our de410 parts, diagrams, manuals, and videos to make your repair easy. Laundry manuals and free pdf instructions.. Maytag Dryer De410 Manual.
From machineanswered.com
Easy Guide How to Open a Maytag Dryer Step by Step Instruction Maytag Dryer De410 Manual Need to fix your maytag dryer de410? Manuals download manuals for your equipment, including repair, maintenance, and fitment guides. 365 days to return any. Use our de410 parts, diagrams, manuals, and videos to make your repair easy. A complete guide to your de410 maytag dryer at partselect. Find the user manual you need for your laundry appliances and more at.. Maytag Dryer De410 Manual.
From www.wiringflowline.com
Wiring Diagram For Maytag Gas Dryer Wiring Flow Line Maytag Dryer De410 Manual 365 days to return any. We also have installation guides, diagrams and manuals. Use our de410 parts, diagrams, manuals, and videos to make your repair easy. Need to fix your maytag dryer de410? Get your maytag parts fast. Step by step diy instructions & videos for troubleshooting your maytag dryer de410. Laundry manuals and free pdf instructions. Manuals download manuals. Maytag Dryer De410 Manual.
From www.umlib.com
PDF manual for Maytag Dryer MDE17MN Maytag Dryer De410 Manual Use our de410 parts, diagrams, manuals, and videos to make your repair easy. Find the user manual you need for your laundry appliances and more at. Laundry manuals and free pdf instructions. Get your maytag parts fast. 365 days to return any. Need to fix your maytag dryer de410? We also have installation guides, diagrams and manuals. Manuals download manuals. Maytag Dryer De410 Manual.
From scosche-wiring-diagram.blogspot.com
Maytag Washer Wiring Diagram Maytag De410 Dryer No Heat And Wiring Maytag Dryer De410 Manual Laundry manuals and free pdf instructions. Step by step diy instructions & videos for troubleshooting your maytag dryer de410. Manuals download manuals for your equipment, including repair, maintenance, and fitment guides. Need to fix your maytag dryer de410? Find the user manual you need for your laundry appliances and more at. Get your maytag parts fast. We also have installation. Maytag Dryer De410 Manual.
From www.genuinereplacementparts.com
Maytag DE410 Dryer Drum Belt 100inch Maytag Dryer De410 Manual Need to fix your maytag dryer de410? We also have installation guides, diagrams and manuals. 365 days to return any. Step by step diy instructions & videos for troubleshooting your maytag dryer de410. Use our de410 parts, diagrams, manuals, and videos to make your repair easy. A complete guide to your de410 maytag dryer at partselect. Find the user manual. Maytag Dryer De410 Manual.
From scosche-wiring-diagram.blogspot.com
Maytag Washer Wiring Diagram Maytag De410 Dryer No Heat And Wiring Maytag Dryer De410 Manual A complete guide to your de410 maytag dryer at partselect. Get your maytag parts fast. Step by step diy instructions & videos for troubleshooting your maytag dryer de410. Laundry manuals and free pdf instructions. Manuals download manuals for your equipment, including repair, maintenance, and fitment guides. 365 days to return any. We also have installation guides, diagrams and manuals. Need. Maytag Dryer De410 Manual.
From device.report
Maytag MGD5630MBK Front Load Gas Dryer User Guide Maytag Dryer De410 Manual Step by step diy instructions & videos for troubleshooting your maytag dryer de410. Manuals download manuals for your equipment, including repair, maintenance, and fitment guides. 365 days to return any. Laundry manuals and free pdf instructions. Use our de410 parts, diagrams, manuals, and videos to make your repair easy. Get your maytag parts fast. A complete guide to your de410. Maytag Dryer De410 Manual.
From www.scribd.com
MAYTAG STACK DRYER SERVICE MANUAL PDF Maytag Dryer De410 Manual Need to fix your maytag dryer de410? Get your maytag parts fast. Find the user manual you need for your laundry appliances and more at. Manuals download manuals for your equipment, including repair, maintenance, and fitment guides. 365 days to return any. Use our de410 parts, diagrams, manuals, and videos to make your repair easy. We also have installation guides,. Maytag Dryer De410 Manual.
From manualspro.net
MAYTAG MLE27PDBZW Large Capacity Stack Dryer Instruction Manual Maytag Dryer De410 Manual Laundry manuals and free pdf instructions. Need to fix your maytag dryer de410? A complete guide to your de410 maytag dryer at partselect. Manuals download manuals for your equipment, including repair, maintenance, and fitment guides. Get your maytag parts fast. Step by step diy instructions & videos for troubleshooting your maytag dryer de410. Find the user manual you need for. Maytag Dryer De410 Manual.