Tanabe Air Compressor Lubricator . If i missed any point please tell me about. Company overview message company overview affiliated companies history offices/factory locations. — lubricator of tanabe air compressor 1/4. In all the video lubricator details is deeply discuss. Exxonmobil is a trusted partner for thousands of industrial original equipment manufacturers. lubricator of tanabe air compressor. Products, repairs, techinical services, and spare parts salse. 4.7k views 8 years ago.
from www.cventus.com
Products, repairs, techinical services, and spare parts salse. lubricator of tanabe air compressor. — lubricator of tanabe air compressor 1/4. If i missed any point please tell me about. Exxonmobil is a trusted partner for thousands of industrial original equipment manufacturers. 4.7k views 8 years ago. In all the video lubricator details is deeply discuss. Company overview message company overview affiliated companies history offices/factory locations.
AIR COMPRESSOR TANABE H74 Cventus
Tanabe Air Compressor Lubricator — lubricator of tanabe air compressor 1/4. — lubricator of tanabe air compressor 1/4. Exxonmobil is a trusted partner for thousands of industrial original equipment manufacturers. Products, repairs, techinical services, and spare parts salse. If i missed any point please tell me about. Company overview message company overview affiliated companies history offices/factory locations. In all the video lubricator details is deeply discuss. lubricator of tanabe air compressor. 4.7k views 8 years ago.
From www.youtube.com
Tanabe air compressor lubricator pump. ,11 , may 01 2021 YouTube Tanabe Air Compressor Lubricator Exxonmobil is a trusted partner for thousands of industrial original equipment manufacturers. Products, repairs, techinical services, and spare parts salse. Company overview message company overview affiliated companies history offices/factory locations. lubricator of tanabe air compressor. 4.7k views 8 years ago. In all the video lubricator details is deeply discuss. If i missed any point please tell me about. . Tanabe Air Compressor Lubricator.
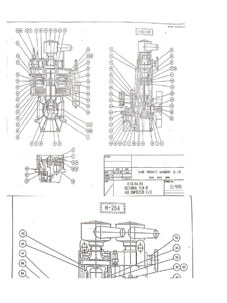
From www.marcocompressors.com
Spares For Tanabe H63, H64, H73, H74, H264, H274, H275 Tanabe Air Compressor Lubricator If i missed any point please tell me about. 4.7k views 8 years ago. In all the video lubricator details is deeply discuss. Company overview message company overview affiliated companies history offices/factory locations. Exxonmobil is a trusted partner for thousands of industrial original equipment manufacturers. — lubricator of tanabe air compressor 1/4. Products, repairs, techinical services, and spare parts. Tanabe Air Compressor Lubricator.
From www.youtube.com
DONGHWATANABE AIR COMPRESSOR MODEL H74 YouTube Tanabe Air Compressor Lubricator In all the video lubricator details is deeply discuss. 4.7k views 8 years ago. Exxonmobil is a trusted partner for thousands of industrial original equipment manufacturers. If i missed any point please tell me about. — lubricator of tanabe air compressor 1/4. Company overview message company overview affiliated companies history offices/factory locations. Products, repairs, techinical services, and spare parts. Tanabe Air Compressor Lubricator.
From www.youtube.com
TANABE AIR COMPRESSOR TYPE H274 YouTube Tanabe Air Compressor Lubricator lubricator of tanabe air compressor. In all the video lubricator details is deeply discuss. 4.7k views 8 years ago. Company overview message company overview affiliated companies history offices/factory locations. Products, repairs, techinical services, and spare parts salse. If i missed any point please tell me about. Exxonmobil is a trusted partner for thousands of industrial original equipment manufacturers. . Tanabe Air Compressor Lubricator.
From www.youtube.com
Lubricator of Tanabe Air Compressor 1/4 YouTube Tanabe Air Compressor Lubricator — lubricator of tanabe air compressor 1/4. Exxonmobil is a trusted partner for thousands of industrial original equipment manufacturers. Company overview message company overview affiliated companies history offices/factory locations. lubricator of tanabe air compressor. If i missed any point please tell me about. 4.7k views 8 years ago. In all the video lubricator details is deeply discuss. Products,. Tanabe Air Compressor Lubricator.
From www.ababilmarine.com
TANABE AIR COMPRESSOR H74 H274 H374 Tanabe Air Compressor Lubricator If i missed any point please tell me about. — lubricator of tanabe air compressor 1/4. Company overview message company overview affiliated companies history offices/factory locations. Exxonmobil is a trusted partner for thousands of industrial original equipment manufacturers. 4.7k views 8 years ago. Products, repairs, techinical services, and spare parts salse. In all the video lubricator details is deeply. Tanabe Air Compressor Lubricator.
From www.youtube.com
Main Air Compressor DONGHWATANABE Compressor YouTube Tanabe Air Compressor Lubricator Exxonmobil is a trusted partner for thousands of industrial original equipment manufacturers. lubricator of tanabe air compressor. If i missed any point please tell me about. 4.7k views 8 years ago. — lubricator of tanabe air compressor 1/4. Products, repairs, techinical services, and spare parts salse. In all the video lubricator details is deeply discuss. Company overview message. Tanabe Air Compressor Lubricator.
From www.shipparts.com
TANABE AIR COMPRESSOR AIR COMPRESSOR supplier manufacturer Tanabe Air Compressor Lubricator — lubricator of tanabe air compressor 1/4. Products, repairs, techinical services, and spare parts salse. Company overview message company overview affiliated companies history offices/factory locations. If i missed any point please tell me about. lubricator of tanabe air compressor. 4.7k views 8 years ago. In all the video lubricator details is deeply discuss. Exxonmobil is a trusted partner. Tanabe Air Compressor Lubricator.
From www.youtube.com
FOURTH ENGINEER JOBSTANABE MAIN AIR COMPRESSOR MAINTENANCE... AIR Tanabe Air Compressor Lubricator If i missed any point please tell me about. Company overview message company overview affiliated companies history offices/factory locations. Exxonmobil is a trusted partner for thousands of industrial original equipment manufacturers. lubricator of tanabe air compressor. 4.7k views 8 years ago. — lubricator of tanabe air compressor 1/4. In all the video lubricator details is deeply discuss. Products,. Tanabe Air Compressor Lubricator.
From www.shipautomation.com
Tanabe H274 Air Compressor Marine Compressors Ship Automation Tanabe Air Compressor Lubricator 4.7k views 8 years ago. Products, repairs, techinical services, and spare parts salse. Exxonmobil is a trusted partner for thousands of industrial original equipment manufacturers. Company overview message company overview affiliated companies history offices/factory locations. In all the video lubricator details is deeply discuss. lubricator of tanabe air compressor. If i missed any point please tell me about. . Tanabe Air Compressor Lubricator.
From www.jinbomarine.com
Medium Pressure 3.0MPa Two Stage Compression Tanabe Air Compressor LSHC Tanabe Air Compressor Lubricator In all the video lubricator details is deeply discuss. 4.7k views 8 years ago. Company overview message company overview affiliated companies history offices/factory locations. If i missed any point please tell me about. — lubricator of tanabe air compressor 1/4. Products, repairs, techinical services, and spare parts salse. Exxonmobil is a trusted partner for thousands of industrial original equipment. Tanabe Air Compressor Lubricator.
From www.marineengineersknowledge.com
Lubrication system for air compressor Marine engineers knowledge Tanabe Air Compressor Lubricator lubricator of tanabe air compressor. In all the video lubricator details is deeply discuss. If i missed any point please tell me about. Company overview message company overview affiliated companies history offices/factory locations. — lubricator of tanabe air compressor 1/4. 4.7k views 8 years ago. Products, repairs, techinical services, and spare parts salse. Exxonmobil is a trusted partner. Tanabe Air Compressor Lubricator.
From www.scribd.com
Instruction Manual For Tanabe Main Air Compressor PDF Valve Concrete Tanabe Air Compressor Lubricator In all the video lubricator details is deeply discuss. If i missed any point please tell me about. lubricator of tanabe air compressor. Products, repairs, techinical services, and spare parts salse. Company overview message company overview affiliated companies history offices/factory locations. Exxonmobil is a trusted partner for thousands of industrial original equipment manufacturers. 4.7k views 8 years ago. . Tanabe Air Compressor Lubricator.
From www.scribd.com
Tanabe Air Compressor 20190514134900 PDF Piston Valve Tanabe Air Compressor Lubricator — lubricator of tanabe air compressor 1/4. Exxonmobil is a trusted partner for thousands of industrial original equipment manufacturers. Company overview message company overview affiliated companies history offices/factory locations. 4.7k views 8 years ago. In all the video lubricator details is deeply discuss. Products, repairs, techinical services, and spare parts salse. lubricator of tanabe air compressor. If i. Tanabe Air Compressor Lubricator.
From www.youtube.com
TANABE AIR COMPRESSOR TYPE H264 YouTube Tanabe Air Compressor Lubricator — lubricator of tanabe air compressor 1/4. Exxonmobil is a trusted partner for thousands of industrial original equipment manufacturers. Products, repairs, techinical services, and spare parts salse. 4.7k views 8 years ago. If i missed any point please tell me about. Company overview message company overview affiliated companies history offices/factory locations. In all the video lubricator details is deeply. Tanabe Air Compressor Lubricator.
From stradersmarine.com
TANABE H73 AIR COMPRESSOR Tanabe Air Compressor Lubricator Products, repairs, techinical services, and spare parts salse. In all the video lubricator details is deeply discuss. If i missed any point please tell me about. 4.7k views 8 years ago. Company overview message company overview affiliated companies history offices/factory locations. — lubricator of tanabe air compressor 1/4. lubricator of tanabe air compressor. Exxonmobil is a trusted partner. Tanabe Air Compressor Lubricator.
From www.shipautomation.com
Tanabe H64 Air Compressor Marine Compressors Ship Automation Tanabe Air Compressor Lubricator — lubricator of tanabe air compressor 1/4. Products, repairs, techinical services, and spare parts salse. In all the video lubricator details is deeply discuss. If i missed any point please tell me about. 4.7k views 8 years ago. lubricator of tanabe air compressor. Company overview message company overview affiliated companies history offices/factory locations. Exxonmobil is a trusted partner. Tanabe Air Compressor Lubricator.
From www.cventus.com
AIR COMPRESSOR TANABE H64 Cventus Tanabe Air Compressor Lubricator Products, repairs, techinical services, and spare parts salse. lubricator of tanabe air compressor. — lubricator of tanabe air compressor 1/4. 4.7k views 8 years ago. If i missed any point please tell me about. Exxonmobil is a trusted partner for thousands of industrial original equipment manufacturers. In all the video lubricator details is deeply discuss. Company overview message. Tanabe Air Compressor Lubricator.
From www.youtube.com
TANABE Main Air Compressor Piston Overhaul. TANABE H264 YouTube Tanabe Air Compressor Lubricator Products, repairs, techinical services, and spare parts salse. Exxonmobil is a trusted partner for thousands of industrial original equipment manufacturers. 4.7k views 8 years ago. — lubricator of tanabe air compressor 1/4. If i missed any point please tell me about. In all the video lubricator details is deeply discuss. lubricator of tanabe air compressor. Company overview message. Tanabe Air Compressor Lubricator.
From www.youtube.com
Compound valve of Tanabe Air compressor YouTube Tanabe Air Compressor Lubricator In all the video lubricator details is deeply discuss. 4.7k views 8 years ago. Exxonmobil is a trusted partner for thousands of industrial original equipment manufacturers. Company overview message company overview affiliated companies history offices/factory locations. If i missed any point please tell me about. Products, repairs, techinical services, and spare parts salse. lubricator of tanabe air compressor. . Tanabe Air Compressor Lubricator.
From www.cventus.com
AIR COMPRESSOR TANABE H74 Cventus Tanabe Air Compressor Lubricator lubricator of tanabe air compressor. 4.7k views 8 years ago. — lubricator of tanabe air compressor 1/4. Exxonmobil is a trusted partner for thousands of industrial original equipment manufacturers. Company overview message company overview affiliated companies history offices/factory locations. In all the video lubricator details is deeply discuss. If i missed any point please tell me about. Products,. Tanabe Air Compressor Lubricator.
From www.almship.com
Lubricator Assy For Tanabe HC264A ALM SHIP EQUIPMENTS Tanabe Air Compressor Lubricator Products, repairs, techinical services, and spare parts salse. — lubricator of tanabe air compressor 1/4. Exxonmobil is a trusted partner for thousands of industrial original equipment manufacturers. Company overview message company overview affiliated companies history offices/factory locations. If i missed any point please tell me about. In all the video lubricator details is deeply discuss. 4.7k views 8 years. Tanabe Air Compressor Lubricator.
From www.youtube.com
PMSCHANGE OIL TANABE MAIN AIR COMPRESSOR YouTube Tanabe Air Compressor Lubricator lubricator of tanabe air compressor. Exxonmobil is a trusted partner for thousands of industrial original equipment manufacturers. — lubricator of tanabe air compressor 1/4. 4.7k views 8 years ago. Company overview message company overview affiliated companies history offices/factory locations. In all the video lubricator details is deeply discuss. Products, repairs, techinical services, and spare parts salse. If i. Tanabe Air Compressor Lubricator.
From www.almship.com
Lubricator Old For Tanabe H63 / H64 ALM SHIP EQUIPMENTS Tanabe Air Compressor Lubricator If i missed any point please tell me about. 4.7k views 8 years ago. Company overview message company overview affiliated companies history offices/factory locations. lubricator of tanabe air compressor. Exxonmobil is a trusted partner for thousands of industrial original equipment manufacturers. Products, repairs, techinical services, and spare parts salse. In all the video lubricator details is deeply discuss. . Tanabe Air Compressor Lubricator.
From www.youtube.com
Lubricator of Tanabe Air Compressor 4/4 YouTube Tanabe Air Compressor Lubricator — lubricator of tanabe air compressor 1/4. If i missed any point please tell me about. In all the video lubricator details is deeply discuss. lubricator of tanabe air compressor. Exxonmobil is a trusted partner for thousands of industrial original equipment manufacturers. Company overview message company overview affiliated companies history offices/factory locations. Products, repairs, techinical services, and spare. Tanabe Air Compressor Lubricator.
From www.leelloyds.com.sg
MAIN AIR COMPRESSOR, TANABE H273 Marine Repair Services Provider Tanabe Air Compressor Lubricator Products, repairs, techinical services, and spare parts salse. 4.7k views 8 years ago. Exxonmobil is a trusted partner for thousands of industrial original equipment manufacturers. — lubricator of tanabe air compressor 1/4. Company overview message company overview affiliated companies history offices/factory locations. If i missed any point please tell me about. lubricator of tanabe air compressor. In all. Tanabe Air Compressor Lubricator.
From www.youtube.com
TANABE AIR COMPRESSOR MODEL H274 YouTube Tanabe Air Compressor Lubricator Products, repairs, techinical services, and spare parts salse. In all the video lubricator details is deeply discuss. Company overview message company overview affiliated companies history offices/factory locations. lubricator of tanabe air compressor. If i missed any point please tell me about. 4.7k views 8 years ago. — lubricator of tanabe air compressor 1/4. Exxonmobil is a trusted partner. Tanabe Air Compressor Lubricator.
From www.shipautomation.com
Tanabe H274 Air Compressor Marine Compressors Ship Automation Tanabe Air Compressor Lubricator Company overview message company overview affiliated companies history offices/factory locations. Exxonmobil is a trusted partner for thousands of industrial original equipment manufacturers. 4.7k views 8 years ago. — lubricator of tanabe air compressor 1/4. lubricator of tanabe air compressor. If i missed any point please tell me about. In all the video lubricator details is deeply discuss. Products,. Tanabe Air Compressor Lubricator.
From b2bmap.com
Tanabe Air Compressor Complete and Spare Parts Universe Shipping And Tanabe Air Compressor Lubricator 4.7k views 8 years ago. lubricator of tanabe air compressor. If i missed any point please tell me about. — lubricator of tanabe air compressor 1/4. Products, repairs, techinical services, and spare parts salse. Exxonmobil is a trusted partner for thousands of industrial original equipment manufacturers. In all the video lubricator details is deeply discuss. Company overview message. Tanabe Air Compressor Lubricator.
From forum.gcaptain.com
Tanabe H264 air compressor water contamination into sump oil Marine Tanabe Air Compressor Lubricator 4.7k views 8 years ago. Exxonmobil is a trusted partner for thousands of industrial original equipment manufacturers. lubricator of tanabe air compressor. If i missed any point please tell me about. In all the video lubricator details is deeply discuss. Products, repairs, techinical services, and spare parts salse. — lubricator of tanabe air compressor 1/4. Company overview message. Tanabe Air Compressor Lubricator.
From www.youtube.com
MARINE AIR COMPRESSOR OVERHAUL Donghwa Tanabe SPERRE HV2/200 Tanabe Air Compressor Lubricator — lubricator of tanabe air compressor 1/4. 4.7k views 8 years ago. Products, repairs, techinical services, and spare parts salse. lubricator of tanabe air compressor. Exxonmobil is a trusted partner for thousands of industrial original equipment manufacturers. If i missed any point please tell me about. Company overview message company overview affiliated companies history offices/factory locations. In all. Tanabe Air Compressor Lubricator.
From www.ababilmarine.com
TANABE H 64 COMPLTE RECONDITION AIR COMPRESSOR Tanabe Air Compressor Lubricator In all the video lubricator details is deeply discuss. 4.7k views 8 years ago. — lubricator of tanabe air compressor 1/4. Products, repairs, techinical services, and spare parts salse. lubricator of tanabe air compressor. Exxonmobil is a trusted partner for thousands of industrial original equipment manufacturers. Company overview message company overview affiliated companies history offices/factory locations. If i. Tanabe Air Compressor Lubricator.
From www.youtube.com
FOURTH ENGINEER JOBS.. HOW TO REMOVE AND REFIT HP VALVES FOR TANABE Tanabe Air Compressor Lubricator In all the video lubricator details is deeply discuss. 4.7k views 8 years ago. Company overview message company overview affiliated companies history offices/factory locations. Exxonmobil is a trusted partner for thousands of industrial original equipment manufacturers. — lubricator of tanabe air compressor 1/4. lubricator of tanabe air compressor. If i missed any point please tell me about. Products,. Tanabe Air Compressor Lubricator.
From www.youtube.com
Lubricator of Tanabe Air Compressor 3/4 YouTube Tanabe Air Compressor Lubricator In all the video lubricator details is deeply discuss. If i missed any point please tell me about. Exxonmobil is a trusted partner for thousands of industrial original equipment manufacturers. Products, repairs, techinical services, and spare parts salse. lubricator of tanabe air compressor. Company overview message company overview affiliated companies history offices/factory locations. 4.7k views 8 years ago. . Tanabe Air Compressor Lubricator.
From ommarines.com
TANABE AIR COMPRESSOR Om Marines Tanabe Air Compressor Lubricator Exxonmobil is a trusted partner for thousands of industrial original equipment manufacturers. Products, repairs, techinical services, and spare parts salse. 4.7k views 8 years ago. — lubricator of tanabe air compressor 1/4. Company overview message company overview affiliated companies history offices/factory locations. In all the video lubricator details is deeply discuss. lubricator of tanabe air compressor. If i. Tanabe Air Compressor Lubricator.