How Does A Kiln Dryer Work . an explainer video of how kiln drying technology works. how kiln drying works. discover the benefits of kiln drying wood, including improved strength and reduced moisture content. This heats the timber without burning away fibres, thus persevering more. in this video we describe what a wood kiln is and how it works. the selection, preparation, placement, and weighing of kiln samples, if properly done, provides information that. kiln drying kiln drying dramatically reduces the drying time of timber, from years and months to weeks;. Kiln drying involves placing wood in the main chamber of a kiln and using a heat source and fans to remove moisture from it.
from dxoosnzab.blob.core.windows.net
in this video we describe what a wood kiln is and how it works. Kiln drying involves placing wood in the main chamber of a kiln and using a heat source and fans to remove moisture from it. kiln drying kiln drying dramatically reduces the drying time of timber, from years and months to weeks;. how kiln drying works. the selection, preparation, placement, and weighing of kiln samples, if properly done, provides information that. This heats the timber without burning away fibres, thus persevering more. an explainer video of how kiln drying technology works. discover the benefits of kiln drying wood, including improved strength and reduced moisture content.
How Do Electric Kilns Work at Martha Marvin blog
How Does A Kiln Dryer Work This heats the timber without burning away fibres, thus persevering more. how kiln drying works. Kiln drying involves placing wood in the main chamber of a kiln and using a heat source and fans to remove moisture from it. in this video we describe what a wood kiln is and how it works. an explainer video of how kiln drying technology works. This heats the timber without burning away fibres, thus persevering more. the selection, preparation, placement, and weighing of kiln samples, if properly done, provides information that. discover the benefits of kiln drying wood, including improved strength and reduced moisture content. kiln drying kiln drying dramatically reduces the drying time of timber, from years and months to weeks;.
From dxodsbmmj.blob.core.windows.net
How To Make A Kiln Dryer at Faye Bradley blog How Does A Kiln Dryer Work an explainer video of how kiln drying technology works. in this video we describe what a wood kiln is and how it works. discover the benefits of kiln drying wood, including improved strength and reduced moisture content. how kiln drying works. This heats the timber without burning away fibres, thus persevering more. Kiln drying involves placing. How Does A Kiln Dryer Work.
From dxohwxxpq.blob.core.windows.net
Wood Kiln Drying Services at Mark Covert blog How Does A Kiln Dryer Work an explainer video of how kiln drying technology works. Kiln drying involves placing wood in the main chamber of a kiln and using a heat source and fans to remove moisture from it. in this video we describe what a wood kiln is and how it works. how kiln drying works. kiln drying kiln drying dramatically. How Does A Kiln Dryer Work.
From www.youtube.com
How does a Kiln work? Ceramics 101 University of YouTube YouTube How Does A Kiln Dryer Work the selection, preparation, placement, and weighing of kiln samples, if properly done, provides information that. This heats the timber without burning away fibres, thus persevering more. an explainer video of how kiln drying technology works. in this video we describe what a wood kiln is and how it works. discover the benefits of kiln drying wood,. How Does A Kiln Dryer Work.
From www.mill.com.br
Progressive Kiln Continuous Kiln Dryer With Moving Floor System Mill How Does A Kiln Dryer Work discover the benefits of kiln drying wood, including improved strength and reduced moisture content. the selection, preparation, placement, and weighing of kiln samples, if properly done, provides information that. in this video we describe what a wood kiln is and how it works. This heats the timber without burning away fibres, thus persevering more. kiln drying. How Does A Kiln Dryer Work.
From www.drykilns.com
Package Kilns American Wood Dryers, LLC. How Does A Kiln Dryer Work discover the benefits of kiln drying wood, including improved strength and reduced moisture content. an explainer video of how kiln drying technology works. Kiln drying involves placing wood in the main chamber of a kiln and using a heat source and fans to remove moisture from it. kiln drying kiln drying dramatically reduces the drying time of. How Does A Kiln Dryer Work.
From exottsubq.blob.core.windows.net
How Does A Lumber Kiln Work at Burton Allen blog How Does A Kiln Dryer Work in this video we describe what a wood kiln is and how it works. discover the benefits of kiln drying wood, including improved strength and reduced moisture content. an explainer video of how kiln drying technology works. kiln drying kiln drying dramatically reduces the drying time of timber, from years and months to weeks;. Kiln drying. How Does A Kiln Dryer Work.
From www.cozilogs.co.uk
How Does the Kiln Drying of Wood Process Work? How Does A Kiln Dryer Work discover the benefits of kiln drying wood, including improved strength and reduced moisture content. the selection, preparation, placement, and weighing of kiln samples, if properly done, provides information that. an explainer video of how kiln drying technology works. how kiln drying works. kiln drying kiln drying dramatically reduces the drying time of timber, from years. How Does A Kiln Dryer Work.
From homemade.ftempo.com
Homemade Kiln For Drying Firewood Homemade Ftempo How Does A Kiln Dryer Work in this video we describe what a wood kiln is and how it works. discover the benefits of kiln drying wood, including improved strength and reduced moisture content. kiln drying kiln drying dramatically reduces the drying time of timber, from years and months to weeks;. Kiln drying involves placing wood in the main chamber of a kiln. How Does A Kiln Dryer Work.
From www.drykilns.com
Track Kilns American Wood Dryers, Inc. How Does A Kiln Dryer Work in this video we describe what a wood kiln is and how it works. This heats the timber without burning away fibres, thus persevering more. an explainer video of how kiln drying technology works. the selection, preparation, placement, and weighing of kiln samples, if properly done, provides information that. how kiln drying works. discover the. How Does A Kiln Dryer Work.
From anthologywoods.com
Kiln Drying Reclaimed Wood A Key Step to Quality — ANTHOLOGY WOODS How Does A Kiln Dryer Work an explainer video of how kiln drying technology works. the selection, preparation, placement, and weighing of kiln samples, if properly done, provides information that. how kiln drying works. This heats the timber without burning away fibres, thus persevering more. in this video we describe what a wood kiln is and how it works. Kiln drying involves. How Does A Kiln Dryer Work.
From www.cementplantequipment.com
Rotary Kiln Dryer Cement Dryer AGICO Cement Rotary Dryer How Does A Kiln Dryer Work the selection, preparation, placement, and weighing of kiln samples, if properly done, provides information that. an explainer video of how kiln drying technology works. This heats the timber without burning away fibres, thus persevering more. Kiln drying involves placing wood in the main chamber of a kiln and using a heat source and fans to remove moisture from. How Does A Kiln Dryer Work.
From dxobgwqdi.blob.core.windows.net
Kiln Dry Wood In Home Oven at Jay March blog How Does A Kiln Dryer Work This heats the timber without burning away fibres, thus persevering more. kiln drying kiln drying dramatically reduces the drying time of timber, from years and months to weeks;. in this video we describe what a wood kiln is and how it works. the selection, preparation, placement, and weighing of kiln samples, if properly done, provides information that.. How Does A Kiln Dryer Work.
From www.wellons.com
Track Kilns Wellons How Does A Kiln Dryer Work kiln drying kiln drying dramatically reduces the drying time of timber, from years and months to weeks;. an explainer video of how kiln drying technology works. Kiln drying involves placing wood in the main chamber of a kiln and using a heat source and fans to remove moisture from it. how kiln drying works. discover the. How Does A Kiln Dryer Work.
From opopots.blogspot.com
How the wood fired kiln works! How Does A Kiln Dryer Work in this video we describe what a wood kiln is and how it works. an explainer video of how kiln drying technology works. discover the benefits of kiln drying wood, including improved strength and reduced moisture content. how kiln drying works. the selection, preparation, placement, and weighing of kiln samples, if properly done, provides information. How Does A Kiln Dryer Work.
From www.kdskilns.com
Batch Kilns Kiln Drying Systems & Components How Does A Kiln Dryer Work an explainer video of how kiln drying technology works. Kiln drying involves placing wood in the main chamber of a kiln and using a heat source and fans to remove moisture from it. kiln drying kiln drying dramatically reduces the drying time of timber, from years and months to weeks;. in this video we describe what a. How Does A Kiln Dryer Work.
From www.jspublications.net
Kiln dryer A Brief Explanation JS Publications How Does A Kiln Dryer Work an explainer video of how kiln drying technology works. how kiln drying works. Kiln drying involves placing wood in the main chamber of a kiln and using a heat source and fans to remove moisture from it. the selection, preparation, placement, and weighing of kiln samples, if properly done, provides information that. This heats the timber without. How Does A Kiln Dryer Work.
From www.youtube.com
Kiln Drying Wood Made Easy With This! YouTube How Does A Kiln Dryer Work the selection, preparation, placement, and weighing of kiln samples, if properly done, provides information that. how kiln drying works. Kiln drying involves placing wood in the main chamber of a kiln and using a heat source and fans to remove moisture from it. This heats the timber without burning away fibres, thus persevering more. discover the benefits. How Does A Kiln Dryer Work.
From www.researchgate.net
Basic components of kiln lumber drying Download Scientific Diagram How Does A Kiln Dryer Work the selection, preparation, placement, and weighing of kiln samples, if properly done, provides information that. Kiln drying involves placing wood in the main chamber of a kiln and using a heat source and fans to remove moisture from it. This heats the timber without burning away fibres, thus persevering more. in this video we describe what a wood. How Does A Kiln Dryer Work.
From dxohwxxpq.blob.core.windows.net
Wood Kiln Drying Services at Mark Covert blog How Does A Kiln Dryer Work how kiln drying works. discover the benefits of kiln drying wood, including improved strength and reduced moisture content. kiln drying kiln drying dramatically reduces the drying time of timber, from years and months to weeks;. an explainer video of how kiln drying technology works. in this video we describe what a wood kiln is and. How Does A Kiln Dryer Work.
From www.bhlumberandland.com
How Long Does it Take to Kiln Dry Wood? Bloodhound Lumber and Land How Does A Kiln Dryer Work in this video we describe what a wood kiln is and how it works. the selection, preparation, placement, and weighing of kiln samples, if properly done, provides information that. kiln drying kiln drying dramatically reduces the drying time of timber, from years and months to weeks;. an explainer video of how kiln drying technology works. . How Does A Kiln Dryer Work.
From www.cozilogs.co.uk
How Does the Kiln Drying of Wood Process Work? How Does A Kiln Dryer Work This heats the timber without burning away fibres, thus persevering more. in this video we describe what a wood kiln is and how it works. Kiln drying involves placing wood in the main chamber of a kiln and using a heat source and fans to remove moisture from it. kiln drying kiln drying dramatically reduces the drying time. How Does A Kiln Dryer Work.
From cameroontimberexport.com
Understanding the Wood Kiln Drying Process & Why It Is Important? How Does A Kiln Dryer Work Kiln drying involves placing wood in the main chamber of a kiln and using a heat source and fans to remove moisture from it. in this video we describe what a wood kiln is and how it works. an explainer video of how kiln drying technology works. how kiln drying works. This heats the timber without burning. How Does A Kiln Dryer Work.
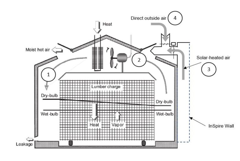
From inspirewall.com
Drying Configurations InSpire® Solar Air and Heating System How Does A Kiln Dryer Work how kiln drying works. Kiln drying involves placing wood in the main chamber of a kiln and using a heat source and fans to remove moisture from it. an explainer video of how kiln drying technology works. discover the benefits of kiln drying wood, including improved strength and reduced moisture content. the selection, preparation, placement, and. How Does A Kiln Dryer Work.
From www.wikihow.com
How to Kiln Dry Firewood 10 Steps (with Pictures) wikiHow How Does A Kiln Dryer Work the selection, preparation, placement, and weighing of kiln samples, if properly done, provides information that. This heats the timber without burning away fibres, thus persevering more. discover the benefits of kiln drying wood, including improved strength and reduced moisture content. an explainer video of how kiln drying technology works. kiln drying kiln drying dramatically reduces the. How Does A Kiln Dryer Work.
From www.incomac.com
TAG Wood Kiln Fed by Natural Gas, Diesel or Lpg Srl How Does A Kiln Dryer Work Kiln drying involves placing wood in the main chamber of a kiln and using a heat source and fans to remove moisture from it. in this video we describe what a wood kiln is and how it works. an explainer video of how kiln drying technology works. kiln drying kiln drying dramatically reduces the drying time of. How Does A Kiln Dryer Work.
From www.earthytimber.com
Vacuum Kiln Drying How Does A Kiln Dryer Work in this video we describe what a wood kiln is and how it works. kiln drying kiln drying dramatically reduces the drying time of timber, from years and months to weeks;. discover the benefits of kiln drying wood, including improved strength and reduced moisture content. the selection, preparation, placement, and weighing of kiln samples, if properly. How Does A Kiln Dryer Work.
From www.britannica.com
Wood Treatments, Structure, Properties Britannica How Does A Kiln Dryer Work how kiln drying works. in this video we describe what a wood kiln is and how it works. This heats the timber without burning away fibres, thus persevering more. an explainer video of how kiln drying technology works. Kiln drying involves placing wood in the main chamber of a kiln and using a heat source and fans. How Does A Kiln Dryer Work.
From www.youtube.com
SAGA High Frequency Vacuum Wood Drying Machine Wood Kiln Dryer YouTube How Does A Kiln Dryer Work Kiln drying involves placing wood in the main chamber of a kiln and using a heat source and fans to remove moisture from it. discover the benefits of kiln drying wood, including improved strength and reduced moisture content. kiln drying kiln drying dramatically reduces the drying time of timber, from years and months to weeks;. This heats the. How Does A Kiln Dryer Work.
From www.rotarykilnfactory.com
Rotary Kiln Dryer Assorted with Rotary Kiln In Your Rotary Kiln Factory How Does A Kiln Dryer Work This heats the timber without burning away fibres, thus persevering more. kiln drying kiln drying dramatically reduces the drying time of timber, from years and months to weeks;. discover the benefits of kiln drying wood, including improved strength and reduced moisture content. in this video we describe what a wood kiln is and how it works. . How Does A Kiln Dryer Work.
From www.rotarykilnfactory.com
Gypsum Rotary Kiln Gypsum Kiln AGICO How Does A Kiln Dryer Work discover the benefits of kiln drying wood, including improved strength and reduced moisture content. how kiln drying works. kiln drying kiln drying dramatically reduces the drying time of timber, from years and months to weeks;. the selection, preparation, placement, and weighing of kiln samples, if properly done, provides information that. in this video we describe. How Does A Kiln Dryer Work.
From woodhoohoo.blogspot.com
How Does A Wood Kiln Work Woodhoohoo How Does A Kiln Dryer Work kiln drying kiln drying dramatically reduces the drying time of timber, from years and months to weeks;. an explainer video of how kiln drying technology works. Kiln drying involves placing wood in the main chamber of a kiln and using a heat source and fans to remove moisture from it. in this video we describe what a. How Does A Kiln Dryer Work.
From www.alamy.com
Kiln drying lumber hires stock photography and images Alamy How Does A Kiln Dryer Work in this video we describe what a wood kiln is and how it works. the selection, preparation, placement, and weighing of kiln samples, if properly done, provides information that. an explainer video of how kiln drying technology works. This heats the timber without burning away fibres, thus persevering more. kiln drying kiln drying dramatically reduces the. How Does A Kiln Dryer Work.
From wikiblog70.blogspot.com
Diy Lumber Kiln / How To Kiln Dry Wood Wood Drying Kiln Guide Kiln How Does A Kiln Dryer Work an explainer video of how kiln drying technology works. This heats the timber without burning away fibres, thus persevering more. discover the benefits of kiln drying wood, including improved strength and reduced moisture content. the selection, preparation, placement, and weighing of kiln samples, if properly done, provides information that. how kiln drying works. in this. How Does A Kiln Dryer Work.
From dxoosnzab.blob.core.windows.net
How Do Electric Kilns Work at Martha Marvin blog How Does A Kiln Dryer Work discover the benefits of kiln drying wood, including improved strength and reduced moisture content. the selection, preparation, placement, and weighing of kiln samples, if properly done, provides information that. how kiln drying works. Kiln drying involves placing wood in the main chamber of a kiln and using a heat source and fans to remove moisture from it.. How Does A Kiln Dryer Work.
From toolsvoice.com
How Long Does It Take To Kiln Dry Wood? Tools Voice How Does A Kiln Dryer Work an explainer video of how kiln drying technology works. Kiln drying involves placing wood in the main chamber of a kiln and using a heat source and fans to remove moisture from it. in this video we describe what a wood kiln is and how it works. the selection, preparation, placement, and weighing of kiln samples, if. How Does A Kiln Dryer Work.