Spare Parts For Rangemaster Ovens . Buy rangemaster spares for your cooker, dishwasher, fridge, freezer, tumble dryer and washing machine. Please have your serial number and appliance. Genuine rangemaster spare parts needed to ensure you cooker or range is kept in great condition. We stock an extensive range of genuine rangemaster spares, with all in stock rangemaster parts available for next day. We take pride in our packaging to ensure your. We sell everything from replacement elements to additional oven shelves. Browse a wide range of parts, from control knobs to gas. Authorised rangemasterspares dealer & next working day delivery. We're dedicated to delivering your rangemaster spare parts as quickly and safely as possible. Find genuine rangemaster oven, hob and cooker spares for your model and serial number. We have parts for all the popular range cooker types, including genuine rangemaster cooker spares for the elan, elite, toledo, professional,. If you only need to buy spare parts, you can buy them directly from us by calling 01926 457628.
from reviewmotors.co
Please have your serial number and appliance. We have parts for all the popular range cooker types, including genuine rangemaster cooker spares for the elan, elite, toledo, professional,. We're dedicated to delivering your rangemaster spare parts as quickly and safely as possible. If you only need to buy spare parts, you can buy them directly from us by calling 01926 457628. We stock an extensive range of genuine rangemaster spares, with all in stock rangemaster parts available for next day. Browse a wide range of parts, from control knobs to gas. Find genuine rangemaster oven, hob and cooker spares for your model and serial number. Buy rangemaster spares for your cooker, dishwasher, fridge, freezer, tumble dryer and washing machine. We take pride in our packaging to ensure your. Authorised rangemasterspares dealer & next working day delivery.
Rangemaster 110 Spare Parts Reviewmotors.co
Spare Parts For Rangemaster Ovens Buy rangemaster spares for your cooker, dishwasher, fridge, freezer, tumble dryer and washing machine. Authorised rangemasterspares dealer & next working day delivery. Please have your serial number and appliance. We're dedicated to delivering your rangemaster spare parts as quickly and safely as possible. Find genuine rangemaster oven, hob and cooker spares for your model and serial number. Buy rangemaster spares for your cooker, dishwasher, fridge, freezer, tumble dryer and washing machine. We sell everything from replacement elements to additional oven shelves. Browse a wide range of parts, from control knobs to gas. We take pride in our packaging to ensure your. We stock an extensive range of genuine rangemaster spares, with all in stock rangemaster parts available for next day. If you only need to buy spare parts, you can buy them directly from us by calling 01926 457628. Genuine rangemaster spare parts needed to ensure you cooker or range is kept in great condition. We have parts for all the popular range cooker types, including genuine rangemaster cooker spares for the elan, elite, toledo, professional,.
From reviewmotors.co
Rangemaster 110 Dual Fuel Spare Parts Reviewmotors.co Spare Parts For Rangemaster Ovens Please have your serial number and appliance. We stock an extensive range of genuine rangemaster spares, with all in stock rangemaster parts available for next day. We have parts for all the popular range cooker types, including genuine rangemaster cooker spares for the elan, elite, toledo, professional,. We take pride in our packaging to ensure your. Genuine rangemaster spare parts. Spare Parts For Rangemaster Ovens.
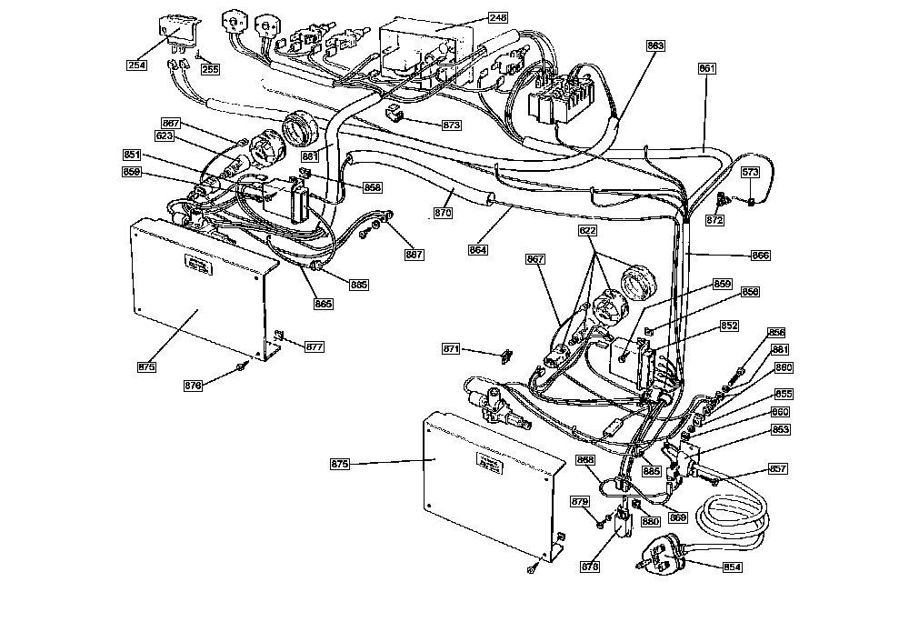
From tdspares.co.uk
Rangemaster 110 90 Fan Oven Element Heater Ring For Left Hand And Right Spare Parts For Rangemaster Ovens Buy rangemaster spares for your cooker, dishwasher, fridge, freezer, tumble dryer and washing machine. We're dedicated to delivering your rangemaster spare parts as quickly and safely as possible. Browse a wide range of parts, from control knobs to gas. We take pride in our packaging to ensure your. We sell everything from replacement elements to additional oven shelves. Find genuine. Spare Parts For Rangemaster Ovens.
From www.rangemaster-spares.co.uk
Rangemaster Oven Thermostat Control Knob Chrome www.rangemaster Spare Parts For Rangemaster Ovens Buy rangemaster spares for your cooker, dishwasher, fridge, freezer, tumble dryer and washing machine. We sell everything from replacement elements to additional oven shelves. Find genuine rangemaster oven, hob and cooker spares for your model and serial number. Authorised rangemasterspares dealer & next working day delivery. We take pride in our packaging to ensure your. Genuine rangemaster spare parts needed. Spare Parts For Rangemaster Ovens.
From reviewmotors.co
Rangemaster Toledo 110 Spare Parts Reviewmotors.co Spare Parts For Rangemaster Ovens We take pride in our packaging to ensure your. We have parts for all the popular range cooker types, including genuine rangemaster cooker spares for the elan, elite, toledo, professional,. Find genuine rangemaster oven, hob and cooker spares for your model and serial number. If you only need to buy spare parts, you can buy them directly from us by. Spare Parts For Rangemaster Ovens.
From www.rangemaster-spares.co.uk
Rangemaster Oven Control Knob www.rangemasterspares.co.uk Spare Parts For Rangemaster Ovens We're dedicated to delivering your rangemaster spare parts as quickly and safely as possible. If you only need to buy spare parts, you can buy them directly from us by calling 01926 457628. We take pride in our packaging to ensure your. Genuine rangemaster spare parts needed to ensure you cooker or range is kept in great condition. Browse a. Spare Parts For Rangemaster Ovens.
From reviewmotors.co
Rangemaster Classic 90 Spare Parts Reviewmotors.co Spare Parts For Rangemaster Ovens Find genuine rangemaster oven, hob and cooker spares for your model and serial number. We have parts for all the popular range cooker types, including genuine rangemaster cooker spares for the elan, elite, toledo, professional,. We sell everything from replacement elements to additional oven shelves. We're dedicated to delivering your rangemaster spare parts as quickly and safely as possible. Please. Spare Parts For Rangemaster Ovens.
From www.rangemaster-spares.co.uk
Rangemaster Oven Door Catch www.rangemasterspares.co.uk Spare Parts For Rangemaster Ovens Buy rangemaster spares for your cooker, dishwasher, fridge, freezer, tumble dryer and washing machine. We sell everything from replacement elements to additional oven shelves. Genuine rangemaster spare parts needed to ensure you cooker or range is kept in great condition. We're dedicated to delivering your rangemaster spare parts as quickly and safely as possible. Browse a wide range of parts,. Spare Parts For Rangemaster Ovens.
From www.miele.co.uk
Spare parts for ovens Buy Miele Spare parts for ovens online in UK Spare Parts For Rangemaster Ovens Genuine rangemaster spare parts needed to ensure you cooker or range is kept in great condition. Find genuine rangemaster oven, hob and cooker spares for your model and serial number. We're dedicated to delivering your rangemaster spare parts as quickly and safely as possible. If you only need to buy spare parts, you can buy them directly from us by. Spare Parts For Rangemaster Ovens.
From durbinvalve.com
Spare Parts Durbin Industrial Valve Inc. Spare Parts For Rangemaster Ovens Authorised rangemasterspares dealer & next working day delivery. We're dedicated to delivering your rangemaster spare parts as quickly and safely as possible. We stock an extensive range of genuine rangemaster spares, with all in stock rangemaster parts available for next day. We sell everything from replacement elements to additional oven shelves. Find genuine rangemaster oven, hob and cooker spares for. Spare Parts For Rangemaster Ovens.
From www.rangemaster-spares.co.uk
Rangemaster Oven Door Hinge & Support Bracket Kit www.rangemaster Spare Parts For Rangemaster Ovens Genuine rangemaster spare parts needed to ensure you cooker or range is kept in great condition. Please have your serial number and appliance. Authorised rangemasterspares dealer & next working day delivery. We sell everything from replacement elements to additional oven shelves. If you only need to buy spare parts, you can buy them directly from us by calling 01926 457628.. Spare Parts For Rangemaster Ovens.
From www.divapor.com
Better Bathrooms TAF4CM Rangemaster Chrome Single Lever Kitchen Tap Spare Parts For Rangemaster Ovens We sell everything from replacement elements to additional oven shelves. Authorised rangemasterspares dealer & next working day delivery. Please have your serial number and appliance. If you only need to buy spare parts, you can buy them directly from us by calling 01926 457628. Browse a wide range of parts, from control knobs to gas. We stock an extensive range. Spare Parts For Rangemaster Ovens.
From www.tapsandsinksonline.co.uk
Rangemaster Estuary Tap Aerator Rangemaster Tap Spare Parts Taps And Spare Parts For Rangemaster Ovens We have parts for all the popular range cooker types, including genuine rangemaster cooker spares for the elan, elite, toledo, professional,. We take pride in our packaging to ensure your. Genuine rangemaster spare parts needed to ensure you cooker or range is kept in great condition. Authorised rangemasterspares dealer & next working day delivery. Browse a wide range of parts,. Spare Parts For Rangemaster Ovens.
From reviewmotors.co
Rangemaster 110 Spare Parts Reviewmotors.co Spare Parts For Rangemaster Ovens Browse a wide range of parts, from control knobs to gas. We take pride in our packaging to ensure your. Authorised rangemasterspares dealer & next working day delivery. Genuine rangemaster spare parts needed to ensure you cooker or range is kept in great condition. If you only need to buy spare parts, you can buy them directly from us by. Spare Parts For Rangemaster Ovens.
From www.ebay.co.uk
Rangemaster Leisure Oven Cooker Grill Element 1150W 110 90 55 Classic Spare Parts For Rangemaster Ovens We're dedicated to delivering your rangemaster spare parts as quickly and safely as possible. If you only need to buy spare parts, you can buy them directly from us by calling 01926 457628. Find genuine rangemaster oven, hob and cooker spares for your model and serial number. Buy rangemaster spares for your cooker, dishwasher, fridge, freezer, tumble dryer and washing. Spare Parts For Rangemaster Ovens.
From www.partmaster.co.uk
Rangemaster Oven Control Knob Black/Silver www.partmaster.co.uk Spare Parts For Rangemaster Ovens Authorised rangemasterspares dealer & next working day delivery. Please have your serial number and appliance. We're dedicated to delivering your rangemaster spare parts as quickly and safely as possible. We sell everything from replacement elements to additional oven shelves. We take pride in our packaging to ensure your. Find genuine rangemaster oven, hob and cooker spares for your model and. Spare Parts For Rangemaster Ovens.
From www.ebay.com
Replacement Cooker FSD Flame Safety Device for Leisure Rangemaster 90 Spare Parts For Rangemaster Ovens Find genuine rangemaster oven, hob and cooker spares for your model and serial number. We take pride in our packaging to ensure your. Genuine rangemaster spare parts needed to ensure you cooker or range is kept in great condition. If you only need to buy spare parts, you can buy them directly from us by calling 01926 457628. Buy rangemaster. Spare Parts For Rangemaster Ovens.
From reviewmotors.co
Rangemaster 110 Spare Parts Reviewmotors.co Spare Parts For Rangemaster Ovens We sell everything from replacement elements to additional oven shelves. We're dedicated to delivering your rangemaster spare parts as quickly and safely as possible. Find genuine rangemaster oven, hob and cooker spares for your model and serial number. Browse a wide range of parts, from control knobs to gas. Authorised rangemasterspares dealer & next working day delivery. We stock an. Spare Parts For Rangemaster Ovens.
From www.rangemaster-spares.co.uk
Rangemaster Oven Timer Assembly Robertshaw LED191/001.4QC www Spare Parts For Rangemaster Ovens We sell everything from replacement elements to additional oven shelves. We're dedicated to delivering your rangemaster spare parts as quickly and safely as possible. Authorised rangemasterspares dealer & next working day delivery. Genuine rangemaster spare parts needed to ensure you cooker or range is kept in great condition. If you only need to buy spare parts, you can buy them. Spare Parts For Rangemaster Ovens.
From www.divapor.com
Rangemaster Spa Filter TSA1 Cold Tap Cartridge Compatible Spare RMTSA1643 Spare Parts For Rangemaster Ovens We're dedicated to delivering your rangemaster spare parts as quickly and safely as possible. Authorised rangemasterspares dealer & next working day delivery. Please have your serial number and appliance. Browse a wide range of parts, from control knobs to gas. We sell everything from replacement elements to additional oven shelves. Buy rangemaster spares for your cooker, dishwasher, fridge, freezer, tumble. Spare Parts For Rangemaster Ovens.
From reviewmotors.co
Rangemaster 110 Dual Fuel Spare Parts Reviewmotors.co Spare Parts For Rangemaster Ovens We take pride in our packaging to ensure your. We have parts for all the popular range cooker types, including genuine rangemaster cooker spares for the elan, elite, toledo, professional,. If you only need to buy spare parts, you can buy them directly from us by calling 01926 457628. We stock an extensive range of genuine rangemaster spares, with all. Spare Parts For Rangemaster Ovens.
From slidingmotion.com
5 Important Parts of Thermometer with their Names, Functions, & Diagram Spare Parts For Rangemaster Ovens Browse a wide range of parts, from control knobs to gas. If you only need to buy spare parts, you can buy them directly from us by calling 01926 457628. Genuine rangemaster spare parts needed to ensure you cooker or range is kept in great condition. We take pride in our packaging to ensure your. Authorised rangemasterspares dealer & next. Spare Parts For Rangemaster Ovens.
From www.pinterest.com
Pin on Cooker Spare Parts Spare Parts For Rangemaster Ovens Please have your serial number and appliance. Buy rangemaster spares for your cooker, dishwasher, fridge, freezer, tumble dryer and washing machine. Find genuine rangemaster oven, hob and cooker spares for your model and serial number. We sell everything from replacement elements to additional oven shelves. If you only need to buy spare parts, you can buy them directly from us. Spare Parts For Rangemaster Ovens.
From reviewmotors.co
Rangemaster Classic 90 Dual Fuel Spare Parts List Reviewmotors.co Spare Parts For Rangemaster Ovens We take pride in our packaging to ensure your. We have parts for all the popular range cooker types, including genuine rangemaster cooker spares for the elan, elite, toledo, professional,. Please have your serial number and appliance. If you only need to buy spare parts, you can buy them directly from us by calling 01926 457628. Authorised rangemasterspares dealer &. Spare Parts For Rangemaster Ovens.
From www.partmaster.co.uk
Rangemaster 7270 90 DF NG FSD Double Oven Blue/Brass Classic Parts Spare Parts For Rangemaster Ovens Authorised rangemasterspares dealer & next working day delivery. We sell everything from replacement elements to additional oven shelves. We're dedicated to delivering your rangemaster spare parts as quickly and safely as possible. Browse a wide range of parts, from control knobs to gas. Please have your serial number and appliance. We have parts for all the popular range cooker types,. Spare Parts For Rangemaster Ovens.
From reviewmotors.co
Rangemaster Toledo 110 Spare Parts Reviewmotors.co Spare Parts For Rangemaster Ovens We have parts for all the popular range cooker types, including genuine rangemaster cooker spares for the elan, elite, toledo, professional,. Please have your serial number and appliance. Authorised rangemasterspares dealer & next working day delivery. Buy rangemaster spares for your cooker, dishwasher, fridge, freezer, tumble dryer and washing machine. Genuine rangemaster spare parts needed to ensure you cooker or. Spare Parts For Rangemaster Ovens.
From reviewmotors.co
Rangemaster Classic 90 Dual Fuel Spare Parts List Reviewmotors.co Spare Parts For Rangemaster Ovens Please have your serial number and appliance. We have parts for all the popular range cooker types, including genuine rangemaster cooker spares for the elan, elite, toledo, professional,. Buy rangemaster spares for your cooker, dishwasher, fridge, freezer, tumble dryer and washing machine. We stock an extensive range of genuine rangemaster spares, with all in stock rangemaster parts available for next. Spare Parts For Rangemaster Ovens.
From www.ebay.co.uk
2 x RANGEMASTER Genuine Oven Cooker Timer Knob Button Dial Spare Part Spare Parts For Rangemaster Ovens We stock an extensive range of genuine rangemaster spares, with all in stock rangemaster parts available for next day. Please have your serial number and appliance. We have parts for all the popular range cooker types, including genuine rangemaster cooker spares for the elan, elite, toledo, professional,. We take pride in our packaging to ensure your. We're dedicated to delivering. Spare Parts For Rangemaster Ovens.
From www.statewideapp.com.au
Your essential guide to oven parts Spare Parts For Rangemaster Ovens Buy rangemaster spares for your cooker, dishwasher, fridge, freezer, tumble dryer and washing machine. Authorised rangemasterspares dealer & next working day delivery. We take pride in our packaging to ensure your. If you only need to buy spare parts, you can buy them directly from us by calling 01926 457628. We're dedicated to delivering your rangemaster spare parts as quickly. Spare Parts For Rangemaster Ovens.
From reviewmotors.co
Rangemaster 110 Spare Parts Reviewmotors.co Spare Parts For Rangemaster Ovens Buy rangemaster spares for your cooker, dishwasher, fridge, freezer, tumble dryer and washing machine. Genuine rangemaster spare parts needed to ensure you cooker or range is kept in great condition. We take pride in our packaging to ensure your. We stock an extensive range of genuine rangemaster spares, with all in stock rangemaster parts available for next day. We have. Spare Parts For Rangemaster Ovens.
From www.pinterest.com
RANGEMASTER Classic 90 Dual Fuel Range Cooker White and Chrome Spare Parts For Rangemaster Ovens Genuine rangemaster spare parts needed to ensure you cooker or range is kept in great condition. Browse a wide range of parts, from control knobs to gas. Please have your serial number and appliance. Authorised rangemasterspares dealer & next working day delivery. We sell everything from replacement elements to additional oven shelves. We stock an extensive range of genuine rangemaster. Spare Parts For Rangemaster Ovens.
From www.rangemaster-spares.co.uk
Rangemaster Fascia Control Panel www.rangemasterspares.co.uk Spare Parts For Rangemaster Ovens We have parts for all the popular range cooker types, including genuine rangemaster cooker spares for the elan, elite, toledo, professional,. Genuine rangemaster spare parts needed to ensure you cooker or range is kept in great condition. Find genuine rangemaster oven, hob and cooker spares for your model and serial number. We stock an extensive range of genuine rangemaster spares,. Spare Parts For Rangemaster Ovens.
From reviewmotors.co
Rangemaster Classic 90 Dual Fuel Spare Parts List Reviewmotors.co Spare Parts For Rangemaster Ovens Genuine rangemaster spare parts needed to ensure you cooker or range is kept in great condition. Browse a wide range of parts, from control knobs to gas. We take pride in our packaging to ensure your. Authorised rangemasterspares dealer & next working day delivery. We sell everything from replacement elements to additional oven shelves. We're dedicated to delivering your rangemaster. Spare Parts For Rangemaster Ovens.
From www.amazon.co.uk
Rangemaster Cooker Oven Door Catch Genuine part number P092044 Spare Parts For Rangemaster Ovens Find genuine rangemaster oven, hob and cooker spares for your model and serial number. Browse a wide range of parts, from control knobs to gas. Buy rangemaster spares for your cooker, dishwasher, fridge, freezer, tumble dryer and washing machine. Genuine rangemaster spare parts needed to ensure you cooker or range is kept in great condition. We take pride in our. Spare Parts For Rangemaster Ovens.
From reviewmotors.co
Rangemaster 110 Spare Parts Reviewmotors.co Spare Parts For Rangemaster Ovens Authorised rangemasterspares dealer & next working day delivery. Buy rangemaster spares for your cooker, dishwasher, fridge, freezer, tumble dryer and washing machine. Find genuine rangemaster oven, hob and cooker spares for your model and serial number. We stock an extensive range of genuine rangemaster spares, with all in stock rangemaster parts available for next day. We take pride in our. Spare Parts For Rangemaster Ovens.
From www.ebay.co.uk
Rangemaster Leisure Oven Cooker Grill Element 1150W 110 90 55 Classic Spare Parts For Rangemaster Ovens We take pride in our packaging to ensure your. We stock an extensive range of genuine rangemaster spares, with all in stock rangemaster parts available for next day. We're dedicated to delivering your rangemaster spare parts as quickly and safely as possible. Find genuine rangemaster oven, hob and cooker spares for your model and serial number. Genuine rangemaster spare parts. Spare Parts For Rangemaster Ovens.