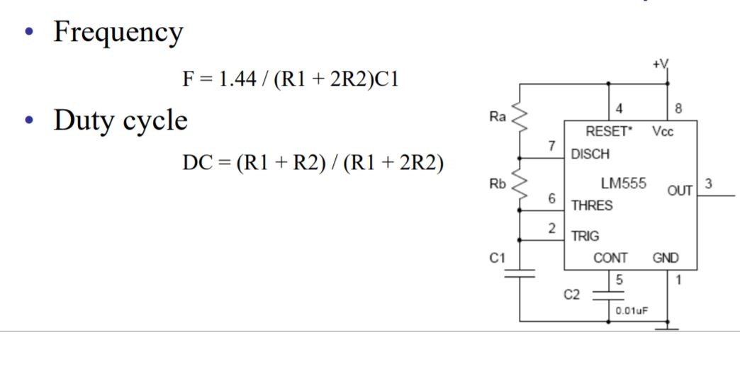
Clock Pulse Generator Design . The signal can range from a. Here is a 1hz pulse/frequency generator using the popular timer ic 555 which is wired as an astable multivibrator. For my very first instructable i wanted to show how to build a pulse generator circuit using the ever so popular 555 timer chip. This is a very simple, yet very important, circuit to build and. A clock generator is an electronic oscillator that produces a clock signal for use in synchronizing a circuit's operation. In this video, you learn what a clock is and how they work.at the end of the video, you will have a. This is a pulse generator with adjustable duty cycle made with the 555 timer ic. The circuit is an astable multivibrator with a 50% pulse duty cycle. In this project, we will show how to build a 555 timer circuit that can function to produce clock signals that can be used in digital chips that need clock signals in order to operate. This circuit was designed in order to demonstrate how a 555 timer can be used to generate a clock pulse of around 0.5hz. The output pulses can be indicated visually by the led.
        
         
         
        from www.slideserve.com 
     
        
        In this project, we will show how to build a 555 timer circuit that can function to produce clock signals that can be used in digital chips that need clock signals in order to operate. This circuit was designed in order to demonstrate how a 555 timer can be used to generate a clock pulse of around 0.5hz. The circuit is an astable multivibrator with a 50% pulse duty cycle. Here is a 1hz pulse/frequency generator using the popular timer ic 555 which is wired as an astable multivibrator. This is a pulse generator with adjustable duty cycle made with the 555 timer ic. The output pulses can be indicated visually by the led. For my very first instructable i wanted to show how to build a pulse generator circuit using the ever so popular 555 timer chip. This is a very simple, yet very important, circuit to build and. A clock generator is an electronic oscillator that produces a clock signal for use in synchronizing a circuit's operation. In this video, you learn what a clock is and how they work.at the end of the video, you will have a.
    
    	
            
	
		 
	 
         
    PPT The Transistor PowerPoint Presentation, free download ID4229505 
    Clock Pulse Generator Design  This is a very simple, yet very important, circuit to build and. This is a pulse generator with adjustable duty cycle made with the 555 timer ic. The signal can range from a. In this video, you learn what a clock is and how they work.at the end of the video, you will have a. In this project, we will show how to build a 555 timer circuit that can function to produce clock signals that can be used in digital chips that need clock signals in order to operate. This circuit was designed in order to demonstrate how a 555 timer can be used to generate a clock pulse of around 0.5hz. The circuit is an astable multivibrator with a 50% pulse duty cycle. The output pulses can be indicated visually by the led. Here is a 1hz pulse/frequency generator using the popular timer ic 555 which is wired as an astable multivibrator. This is a very simple, yet very important, circuit to build and. A clock generator is an electronic oscillator that produces a clock signal for use in synchronizing a circuit's operation. For my very first instructable i wanted to show how to build a pulse generator circuit using the ever so popular 555 timer chip.
            
	
		 
	 
         
 
    
         
        From www.youtube.com 
                    LTspice tutorial 24 Design and simulation of Pulse generator circuit Clock Pulse Generator Design  In this video, you learn what a clock is and how they work.at the end of the video, you will have a. The circuit is an astable multivibrator with a 50% pulse duty cycle. In this project, we will show how to build a 555 timer circuit that can function to produce clock signals that can be used in digital. Clock Pulse Generator Design.
     
    
         
        From www.slideserve.com 
                    PPT The Clock Pulse Generator PowerPoint Presentation, free download Clock Pulse Generator Design  This circuit was designed in order to demonstrate how a 555 timer can be used to generate a clock pulse of around 0.5hz. This is a pulse generator with adjustable duty cycle made with the 555 timer ic. A clock generator is an electronic oscillator that produces a clock signal for use in synchronizing a circuit's operation. The signal can. Clock Pulse Generator Design.
     
    
         
        From manualpartdiane.z19.web.core.windows.net 
                    Clock Pulse Generator Using 555 Timer Clock Pulse Generator Design  This circuit was designed in order to demonstrate how a 555 timer can be used to generate a clock pulse of around 0.5hz. For my very first instructable i wanted to show how to build a pulse generator circuit using the ever so popular 555 timer chip. A clock generator is an electronic oscillator that produces a clock signal for. Clock Pulse Generator Design.
     
    
         
        From userlibraryollie.z21.web.core.windows.net 
                    Clock Pulse Generator Circuit Diagram Clock Pulse Generator Design  This circuit was designed in order to demonstrate how a 555 timer can be used to generate a clock pulse of around 0.5hz. A clock generator is an electronic oscillator that produces a clock signal for use in synchronizing a circuit's operation. In this video, you learn what a clock is and how they work.at the end of the video,. Clock Pulse Generator Design.
     
    
         
        From loezglecg.blob.core.windows.net 
                    Pulse Generator En Proteus at Andrew Dejesus blog Clock Pulse Generator Design  A clock generator is an electronic oscillator that produces a clock signal for use in synchronizing a circuit's operation. In this project, we will show how to build a 555 timer circuit that can function to produce clock signals that can be used in digital chips that need clock signals in order to operate. The circuit is an astable multivibrator. Clock Pulse Generator Design.
     
    
         
        From www.youtube.com 
                    Design Pulse Generator in Proteus Proteus Simulation YouTube Clock Pulse Generator Design  In this project, we will show how to build a 555 timer circuit that can function to produce clock signals that can be used in digital chips that need clock signals in order to operate. In this video, you learn what a clock is and how they work.at the end of the video, you will have a. The output pulses. Clock Pulse Generator Design.
     
    
         
        From www.researchgate.net 
                    Ideal signals for synthesizing the clock signal with triple basal Clock Pulse Generator Design  Here is a 1hz pulse/frequency generator using the popular timer ic 555 which is wired as an astable multivibrator. For my very first instructable i wanted to show how to build a pulse generator circuit using the ever so popular 555 timer chip. This is a pulse generator with adjustable duty cycle made with the 555 timer ic. In this. Clock Pulse Generator Design.
     
    
         
        From www.instructables.com 
                    Esp8266 Clock and Pulse Generator 3 Steps Instructables Clock Pulse Generator Design  For my very first instructable i wanted to show how to build a pulse generator circuit using the ever so popular 555 timer chip. In this video, you learn what a clock is and how they work.at the end of the video, you will have a. The signal can range from a. This circuit was designed in order to demonstrate. Clock Pulse Generator Design.
     
    
         
        From www.solveforum.com 
                    Digital logic/sequential circuit to produce one pulse for every 5 clock Clock Pulse Generator Design  This is a pulse generator with adjustable duty cycle made with the 555 timer ic. A clock generator is an electronic oscillator that produces a clock signal for use in synchronizing a circuit's operation. In this video, you learn what a clock is and how they work.at the end of the video, you will have a. This circuit was designed. Clock Pulse Generator Design.
     
    
         
        From learningarcsine.z13.web.core.windows.net 
                    Clock Pulse Generator Using 555 Timer Clock Pulse Generator Design  In this video, you learn what a clock is and how they work.at the end of the video, you will have a. The signal can range from a. The circuit is an astable multivibrator with a 50% pulse duty cycle. The output pulses can be indicated visually by the led. This is a pulse generator with adjustable duty cycle made. Clock Pulse Generator Design.
     
    
         
        From bestengineeringprojects.com 
                    Clock Signal Generator Circuit Best Engineering Projects Clock Pulse Generator Design  Here is a 1hz pulse/frequency generator using the popular timer ic 555 which is wired as an astable multivibrator. This circuit was designed in order to demonstrate how a 555 timer can be used to generate a clock pulse of around 0.5hz. In this project, we will show how to build a 555 timer circuit that can function to produce. Clock Pulse Generator Design.
     
    
         
        From www.datasheets.com 
                    Pulse Generator for Clock and Timing Devices Clock Pulse Generator Design  This is a very simple, yet very important, circuit to build and. For my very first instructable i wanted to show how to build a pulse generator circuit using the ever so popular 555 timer chip. Here is a 1hz pulse/frequency generator using the popular timer ic 555 which is wired as an astable multivibrator. The circuit is an astable. Clock Pulse Generator Design.
     
    
         
        From www.youtube.com 
                    21 Verilog Clock Generator YouTube Clock Pulse Generator Design  In this video, you learn what a clock is and how they work.at the end of the video, you will have a. This is a very simple, yet very important, circuit to build and. The output pulses can be indicated visually by the led. This circuit was designed in order to demonstrate how a 555 timer can be used to. Clock Pulse Generator Design.
     
    
         
        From www.researchgate.net 
                    Proposed clockgated pulse generator (a) schematic diagram; (b) timing Clock Pulse Generator Design  This is a very simple, yet very important, circuit to build and. The output pulses can be indicated visually by the led. The circuit is an astable multivibrator with a 50% pulse duty cycle. The signal can range from a. A clock generator is an electronic oscillator that produces a clock signal for use in synchronizing a circuit's operation. This. Clock Pulse Generator Design.
     
    
         
        From www.chegg.com 
                    Solved Create a clock circuit that can achieve a 32.768kHz Clock Pulse Generator Design  This is a pulse generator with adjustable duty cycle made with the 555 timer ic. This is a very simple, yet very important, circuit to build and. In this project, we will show how to build a 555 timer circuit that can function to produce clock signals that can be used in digital chips that need clock signals in order. Clock Pulse Generator Design.
     
    
         
        From www.researchgate.net 
                    (a) CMOSrelaxation oscillator with the multiphase clock generator. (b Clock Pulse Generator Design  In this project, we will show how to build a 555 timer circuit that can function to produce clock signals that can be used in digital chips that need clock signals in order to operate. This is a pulse generator with adjustable duty cycle made with the 555 timer ic. This circuit was designed in order to demonstrate how a. Clock Pulse Generator Design.
     
    
         
        From www.youtube.com 
                    555 Pulse Generator Module YouTube Clock Pulse Generator Design  The signal can range from a. In this video, you learn what a clock is and how they work.at the end of the video, you will have a. A clock generator is an electronic oscillator that produces a clock signal for use in synchronizing a circuit's operation. For my very first instructable i wanted to show how to build a. Clock Pulse Generator Design.
     
    
         
        From manualdbsubclause.z21.web.core.windows.net 
                    Clock Pulse Generator Using 555 Timer Clock Pulse Generator Design  This is a very simple, yet very important, circuit to build and. The output pulses can be indicated visually by the led. In this video, you learn what a clock is and how they work.at the end of the video, you will have a. This circuit was designed in order to demonstrate how a 555 timer can be used to. Clock Pulse Generator Design.
     
    
         
        From www.chegg.com 
                    Solved Use any gates to design a pulse generator circuit Clock Pulse Generator Design  The circuit is an astable multivibrator with a 50% pulse duty cycle. In this video, you learn what a clock is and how they work.at the end of the video, you will have a. This circuit was designed in order to demonstrate how a 555 timer can be used to generate a clock pulse of around 0.5hz. The output pulses. Clock Pulse Generator Design.
     
    
         
        From www.youtube.com 
                    NOT Gate Clock Pulse Generator Simple LED Blinking Circuit Digital Clock Pulse Generator Design  The output pulses can be indicated visually by the led. This is a pulse generator with adjustable duty cycle made with the 555 timer ic. Here is a 1hz pulse/frequency generator using the popular timer ic 555 which is wired as an astable multivibrator. This circuit was designed in order to demonstrate how a 555 timer can be used to. Clock Pulse Generator Design.
     
    
         
        From www.chegg.com 
                    Appendix 4 Clock Pulse Generator 1. IC Timer Ground Clock Pulse Generator Design  A clock generator is an electronic oscillator that produces a clock signal for use in synchronizing a circuit's operation. In this project, we will show how to build a 555 timer circuit that can function to produce clock signals that can be used in digital chips that need clock signals in order to operate. The output pulses can be indicated. Clock Pulse Generator Design.
     
    
         
        From stackoverflow.com 
                    clock pulse generator for a PLC Stack Overflow Clock Pulse Generator Design  In this project, we will show how to build a 555 timer circuit that can function to produce clock signals that can be used in digital chips that need clock signals in order to operate. For my very first instructable i wanted to show how to build a pulse generator circuit using the ever so popular 555 timer chip. This. Clock Pulse Generator Design.
     
    
         
        From fixdbgeorge.z13.web.core.windows.net 
                    Clock Pulse Generator Using 555 Timer Clock Pulse Generator Design  The circuit is an astable multivibrator with a 50% pulse duty cycle. This is a very simple, yet very important, circuit to build and. This is a pulse generator with adjustable duty cycle made with the 555 timer ic. In this project, we will show how to build a 555 timer circuit that can function to produce clock signals that. Clock Pulse Generator Design.
     
    
         
        From www.youtube.com 
                    Clock Pulse Generator Circuit without Ic NE555 Anurag Projects YouTube Clock Pulse Generator Design  This is a pulse generator with adjustable duty cycle made with the 555 timer ic. The circuit is an astable multivibrator with a 50% pulse duty cycle. This circuit was designed in order to demonstrate how a 555 timer can be used to generate a clock pulse of around 0.5hz. This is a very simple, yet very important, circuit to. Clock Pulse Generator Design.
     
    
         
        From fixpartmuller.z19.web.core.windows.net 
                    Clock Pulse Circuit Diagram Clock Pulse Generator Design  This is a very simple, yet very important, circuit to build and. For my very first instructable i wanted to show how to build a pulse generator circuit using the ever so popular 555 timer chip. The signal can range from a. In this video, you learn what a clock is and how they work.at the end of the video,. Clock Pulse Generator Design.
     
    
         
        From github.com 
                    GitHub hansfbaier/w2aewpulsegenerator Realization of a fast rise Clock Pulse Generator Design  Here is a 1hz pulse/frequency generator using the popular timer ic 555 which is wired as an astable multivibrator. The circuit is an astable multivibrator with a 50% pulse duty cycle. This circuit was designed in order to demonstrate how a 555 timer can be used to generate a clock pulse of around 0.5hz. The signal can range from a.. Clock Pulse Generator Design.
     
    
         
        From wiringguidelander.z13.web.core.windows.net 
                    Clock Pulse Generator Using 555 Timer Clock Pulse Generator Design  For my very first instructable i wanted to show how to build a pulse generator circuit using the ever so popular 555 timer chip. The signal can range from a. Here is a 1hz pulse/frequency generator using the popular timer ic 555 which is wired as an astable multivibrator. This circuit was designed in order to demonstrate how a 555. Clock Pulse Generator Design.
     
    
         
        From maker.pro 
                    555 Pulse Generator Module, How it Works Arduino Maker Pro Clock Pulse Generator Design  In this project, we will show how to build a 555 timer circuit that can function to produce clock signals that can be used in digital chips that need clock signals in order to operate. The signal can range from a. For my very first instructable i wanted to show how to build a pulse generator circuit using the ever. Clock Pulse Generator Design.
     
    
         
        From www.youtube.com 
                    555 timer pulse Generator, 555 projects Circuit Diagram YouTube Clock Pulse Generator Design  This is a pulse generator with adjustable duty cycle made with the 555 timer ic. In this video, you learn what a clock is and how they work.at the end of the video, you will have a. In this project, we will show how to build a 555 timer circuit that can function to produce clock signals that can be. Clock Pulse Generator Design.
     
    
         
        From www.slideserve.com 
                    PPT The Transistor PowerPoint Presentation, free download ID4229505 Clock Pulse Generator Design  The signal can range from a. A clock generator is an electronic oscillator that produces a clock signal for use in synchronizing a circuit's operation. This is a very simple, yet very important, circuit to build and. The output pulses can be indicated visually by the led. For my very first instructable i wanted to show how to build a. Clock Pulse Generator Design.
     
    
         
        From www.youtube.com 
                    clock pulse generator using NE555 IC YouTube Clock Pulse Generator Design  In this project, we will show how to build a 555 timer circuit that can function to produce clock signals that can be used in digital chips that need clock signals in order to operate. This circuit was designed in order to demonstrate how a 555 timer can be used to generate a clock pulse of around 0.5hz. A clock. Clock Pulse Generator Design.
     
    
         
        From oshwlab.com 
                    Clock Pulse Generator EasyEDA open source hardware lab Clock Pulse Generator Design  The output pulses can be indicated visually by the led. A clock generator is an electronic oscillator that produces a clock signal for use in synchronizing a circuit's operation. This circuit was designed in order to demonstrate how a 555 timer can be used to generate a clock pulse of around 0.5hz. Here is a 1hz pulse/frequency generator using the. Clock Pulse Generator Design.
     
    
         
        From www.slideserve.com 
                    PPT The Clock Pulse Generator PowerPoint Presentation, free download Clock Pulse Generator Design  This circuit was designed in order to demonstrate how a 555 timer can be used to generate a clock pulse of around 0.5hz. This is a very simple, yet very important, circuit to build and. The circuit is an astable multivibrator with a 50% pulse duty cycle. This is a pulse generator with adjustable duty cycle made with the 555. Clock Pulse Generator Design.
     
    
         
        From fixdbgeorge.z13.web.core.windows.net 
                    Clock Pulse Generator Using 555 Timer Clock Pulse Generator Design  Here is a 1hz pulse/frequency generator using the popular timer ic 555 which is wired as an astable multivibrator. For my very first instructable i wanted to show how to build a pulse generator circuit using the ever so popular 555 timer chip. A clock generator is an electronic oscillator that produces a clock signal for use in synchronizing a. Clock Pulse Generator Design.
     
    
         
        From www.circuits-diy.com 
                    Generate Pulse Width Modulation (PWM) Signal using 555 Timer IC Clock Pulse Generator Design  A clock generator is an electronic oscillator that produces a clock signal for use in synchronizing a circuit's operation. This circuit was designed in order to demonstrate how a 555 timer can be used to generate a clock pulse of around 0.5hz. In this video, you learn what a clock is and how they work.at the end of the video,. Clock Pulse Generator Design.