What Does An Ac Amplifier Do . in this tutorial, we are designing an ac amplifier using operational amplifier. Electronic signal amplifiers come in. The basic amplifying action of the operational amplifiers. Most amplifiers use ac coupling. Difference between ac & dc amplifiers. how does an amplifier work? An amplifier's job is to turn a small electric current into a larger one, and there are. the a/c amplifier receives various signals, i.e., the engine rpm from the engine control module and coolant. the function of the fan is separate from the ac system and the amp, other than the blower switch providing. when shopping for a new air conditioner, there are many different technical specs to think about.
from electricalworkbook.com
the function of the fan is separate from the ac system and the amp, other than the blower switch providing. how does an amplifier work? the a/c amplifier receives various signals, i.e., the engine rpm from the engine control module and coolant. Electronic signal amplifiers come in. Difference between ac & dc amplifiers. Most amplifiers use ac coupling. in this tutorial, we are designing an ac amplifier using operational amplifier. An amplifier's job is to turn a small electric current into a larger one, and there are. when shopping for a new air conditioner, there are many different technical specs to think about. The basic amplifying action of the operational amplifiers.
What is Transformer Coupled Amplifier? Working, Circuit Diagram
What Does An Ac Amplifier Do in this tutorial, we are designing an ac amplifier using operational amplifier. the function of the fan is separate from the ac system and the amp, other than the blower switch providing. Difference between ac & dc amplifiers. An amplifier's job is to turn a small electric current into a larger one, and there are. in this tutorial, we are designing an ac amplifier using operational amplifier. how does an amplifier work? when shopping for a new air conditioner, there are many different technical specs to think about. Most amplifiers use ac coupling. The basic amplifying action of the operational amplifiers. the a/c amplifier receives various signals, i.e., the engine rpm from the engine control module and coolant. Electronic signal amplifiers come in.
From www.radiolocman.com
Lownoise ac amplifier has digital control of gain and bandwidth What Does An Ac Amplifier Do Most amplifiers use ac coupling. Difference between ac & dc amplifiers. the a/c amplifier receives various signals, i.e., the engine rpm from the engine control module and coolant. The basic amplifying action of the operational amplifiers. how does an amplifier work? An amplifier's job is to turn a small electric current into a larger one, and there are.. What Does An Ac Amplifier Do.
From www.circuitbread.com
BJT Amplifiers CircuitBread What Does An Ac Amplifier Do the function of the fan is separate from the ac system and the amp, other than the blower switch providing. how does an amplifier work? when shopping for a new air conditioner, there are many different technical specs to think about. in this tutorial, we are designing an ac amplifier using operational amplifier. Difference between ac. What Does An Ac Amplifier Do.
From www.electronx.ca
BJT Videos ElectronX Lab What Does An Ac Amplifier Do Electronic signal amplifiers come in. how does an amplifier work? when shopping for a new air conditioner, there are many different technical specs to think about. in this tutorial, we are designing an ac amplifier using operational amplifier. Difference between ac & dc amplifiers. the a/c amplifier receives various signals, i.e., the engine rpm from the. What Does An Ac Amplifier Do.
From www.slideserve.com
PPT Chapter 15 Multistage Amplifiers PowerPoint Presentation ID162443 What Does An Ac Amplifier Do in this tutorial, we are designing an ac amplifier using operational amplifier. Difference between ac & dc amplifiers. the a/c amplifier receives various signals, i.e., the engine rpm from the engine control module and coolant. An amplifier's job is to turn a small electric current into a larger one, and there are. the function of the fan. What Does An Ac Amplifier Do.
From www.youtube.com
Common Collector Amplifier with LT SPICE YouTube What Does An Ac Amplifier Do Difference between ac & dc amplifiers. The basic amplifying action of the operational amplifiers. when shopping for a new air conditioner, there are many different technical specs to think about. Electronic signal amplifiers come in. the function of the fan is separate from the ac system and the amp, other than the blower switch providing. the a/c. What Does An Ac Amplifier Do.
From www.circuits-diy.com
Single Transistor Amplifier Circuit What Does An Ac Amplifier Do An amplifier's job is to turn a small electric current into a larger one, and there are. Electronic signal amplifiers come in. how does an amplifier work? in this tutorial, we are designing an ac amplifier using operational amplifier. the function of the fan is separate from the ac system and the amp, other than the blower. What Does An Ac Amplifier Do.
From www.youtube.com
MULTISTAGE AMPLIFIER AC Analysis YouTube What Does An Ac Amplifier Do Electronic signal amplifiers come in. how does an amplifier work? An amplifier's job is to turn a small electric current into a larger one, and there are. when shopping for a new air conditioner, there are many different technical specs to think about. in this tutorial, we are designing an ac amplifier using operational amplifier. the. What Does An Ac Amplifier Do.
From www.monolithicpower.com
Operational Amplifier Basics, Types and Uses Article MPS What Does An Ac Amplifier Do how does an amplifier work? the a/c amplifier receives various signals, i.e., the engine rpm from the engine control module and coolant. The basic amplifying action of the operational amplifiers. An amplifier's job is to turn a small electric current into a larger one, and there are. Most amplifiers use ac coupling. the function of the fan. What Does An Ac Amplifier Do.
From www.radiomuseum.org
The operational amplifier made simple What Does An Ac Amplifier Do An amplifier's job is to turn a small electric current into a larger one, and there are. the a/c amplifier receives various signals, i.e., the engine rpm from the engine control module and coolant. in this tutorial, we are designing an ac amplifier using operational amplifier. when shopping for a new air conditioner, there are many different. What Does An Ac Amplifier Do.
From itecnotes.com
Electrical Common Emitter amplifier Bias Circuit Simplification What Does An Ac Amplifier Do in this tutorial, we are designing an ac amplifier using operational amplifier. Electronic signal amplifiers come in. The basic amplifying action of the operational amplifiers. the a/c amplifier receives various signals, i.e., the engine rpm from the engine control module and coolant. Most amplifiers use ac coupling. when shopping for a new air conditioner, there are many. What Does An Ac Amplifier Do.
From www.researchgate.net
AC model of three stage BJT amplifier. Download Scientific Diagram What Does An Ac Amplifier Do the function of the fan is separate from the ac system and the amp, other than the blower switch providing. in this tutorial, we are designing an ac amplifier using operational amplifier. Electronic signal amplifiers come in. the a/c amplifier receives various signals, i.e., the engine rpm from the engine control module and coolant. Most amplifiers use. What Does An Ac Amplifier Do.
From www.eleccircuit.com
Signal amplifier circuit diagram with set inputoutput ratio What Does An Ac Amplifier Do when shopping for a new air conditioner, there are many different technical specs to think about. Most amplifiers use ac coupling. the a/c amplifier receives various signals, i.e., the engine rpm from the engine control module and coolant. An amplifier's job is to turn a small electric current into a larger one, and there are. Electronic signal amplifiers. What Does An Ac Amplifier Do.
From receivinghelpdesk.com
What Does An Air Conditioner Amplifier Do What Does An Ac Amplifier Do Electronic signal amplifiers come in. An amplifier's job is to turn a small electric current into a larger one, and there are. the a/c amplifier receives various signals, i.e., the engine rpm from the engine control module and coolant. Difference between ac & dc amplifiers. how does an amplifier work? in this tutorial, we are designing an. What Does An Ac Amplifier Do.
From www.youtube.com
Common Collector Amplifier YouTube What Does An Ac Amplifier Do when shopping for a new air conditioner, there are many different technical specs to think about. The basic amplifying action of the operational amplifiers. the function of the fan is separate from the ac system and the amp, other than the blower switch providing. in this tutorial, we are designing an ac amplifier using operational amplifier. Electronic. What Does An Ac Amplifier Do.
From www.edn.com
The right way to use instrumentation amplifiers EDN What Does An Ac Amplifier Do the a/c amplifier receives various signals, i.e., the engine rpm from the engine control module and coolant. Difference between ac & dc amplifiers. the function of the fan is separate from the ac system and the amp, other than the blower switch providing. The basic amplifying action of the operational amplifiers. An amplifier's job is to turn a. What Does An Ac Amplifier Do.
From www.allaboutcircuits.com
Basic Amplifier Configurations the NonInverting Amplifier Video What Does An Ac Amplifier Do An amplifier's job is to turn a small electric current into a larger one, and there are. in this tutorial, we are designing an ac amplifier using operational amplifier. the a/c amplifier receives various signals, i.e., the engine rpm from the engine control module and coolant. Electronic signal amplifiers come in. Most amplifiers use ac coupling. The basic. What Does An Ac Amplifier Do.
From www.theengineeringknowledge.com
Common Emitter Amplifier The Engineering Knowledge What Does An Ac Amplifier Do in this tutorial, we are designing an ac amplifier using operational amplifier. Electronic signal amplifiers come in. Most amplifiers use ac coupling. Difference between ac & dc amplifiers. when shopping for a new air conditioner, there are many different technical specs to think about. An amplifier's job is to turn a small electric current into a larger one,. What Does An Ac Amplifier Do.
From studylib.net
AC Analysis of a CommonEmitter Amplifier What Does An Ac Amplifier Do how does an amplifier work? the function of the fan is separate from the ac system and the amp, other than the blower switch providing. An amplifier's job is to turn a small electric current into a larger one, and there are. in this tutorial, we are designing an ac amplifier using operational amplifier. Most amplifiers use. What Does An Ac Amplifier Do.
From www.youtube.com
AC Amplifier With Single Supply Voltage(हिन्दी ) YouTube What Does An Ac Amplifier Do the function of the fan is separate from the ac system and the amp, other than the blower switch providing. how does an amplifier work? The basic amplifying action of the operational amplifiers. Electronic signal amplifiers come in. in this tutorial, we are designing an ac amplifier using operational amplifier. Most amplifiers use ac coupling. An amplifier's. What Does An Ac Amplifier Do.
From www.edn.com
Highvoltage amplifier uses simplified circuit EDN What Does An Ac Amplifier Do Electronic signal amplifiers come in. An amplifier's job is to turn a small electric current into a larger one, and there are. Difference between ac & dc amplifiers. the function of the fan is separate from the ac system and the amp, other than the blower switch providing. The basic amplifying action of the operational amplifiers. when shopping. What Does An Ac Amplifier Do.
From www.iecpl.com.au
AMPLIFIER DUAL 10MHz & AC/DC AUDIO 240V.AC IEC designs What Does An Ac Amplifier Do in this tutorial, we are designing an ac amplifier using operational amplifier. when shopping for a new air conditioner, there are many different technical specs to think about. how does an amplifier work? An amplifier's job is to turn a small electric current into a larger one, and there are. the a/c amplifier receives various signals,. What Does An Ac Amplifier Do.
From electricalworkbook.com
What is Transformer Coupled Amplifier? Working, Circuit Diagram What Does An Ac Amplifier Do Difference between ac & dc amplifiers. when shopping for a new air conditioner, there are many different technical specs to think about. the function of the fan is separate from the ac system and the amp, other than the blower switch providing. Most amplifiers use ac coupling. how does an amplifier work? The basic amplifying action of. What Does An Ac Amplifier Do.
From www.researchgate.net
(PDF) AC coupled three opamp biopotential amplifier with active DC What Does An Ac Amplifier Do Electronic signal amplifiers come in. how does an amplifier work? Difference between ac & dc amplifiers. in this tutorial, we are designing an ac amplifier using operational amplifier. when shopping for a new air conditioner, there are many different technical specs to think about. the function of the fan is separate from the ac system and. What Does An Ac Amplifier Do.
From www.youtube.com
ac amplifier using Op amp YouTube What Does An Ac Amplifier Do The basic amplifying action of the operational amplifiers. in this tutorial, we are designing an ac amplifier using operational amplifier. An amplifier's job is to turn a small electric current into a larger one, and there are. how does an amplifier work? Electronic signal amplifiers come in. the function of the fan is separate from the ac. What Does An Ac Amplifier Do.
From www.etechnog.com
A simple Homemade Audio Amplifier Circuit Diagram (3040 Watt) ETechnoG What Does An Ac Amplifier Do the function of the fan is separate from the ac system and the amp, other than the blower switch providing. Electronic signal amplifiers come in. The basic amplifying action of the operational amplifiers. in this tutorial, we are designing an ac amplifier using operational amplifier. the a/c amplifier receives various signals, i.e., the engine rpm from the. What Does An Ac Amplifier Do.
From www.youtube.com
Directly Coupled Amplifier Circuit Diagram, Operation Low Power What Does An Ac Amplifier Do Most amplifiers use ac coupling. An amplifier's job is to turn a small electric current into a larger one, and there are. The basic amplifying action of the operational amplifiers. when shopping for a new air conditioner, there are many different technical specs to think about. Electronic signal amplifiers come in. in this tutorial, we are designing an. What Does An Ac Amplifier Do.
From www.electronicsforu.com
How a Class A Amplifier Works? Basics for Beginners What Does An Ac Amplifier Do in this tutorial, we are designing an ac amplifier using operational amplifier. Difference between ac & dc amplifiers. Electronic signal amplifiers come in. The basic amplifying action of the operational amplifiers. how does an amplifier work? the function of the fan is separate from the ac system and the amp, other than the blower switch providing. . What Does An Ac Amplifier Do.
From schematiciroknivs.z4.web.core.windows.net
Amplifier Circuit Diagram Using Transistor What Does An Ac Amplifier Do An amplifier's job is to turn a small electric current into a larger one, and there are. Electronic signal amplifiers come in. Difference between ac & dc amplifiers. in this tutorial, we are designing an ac amplifier using operational amplifier. how does an amplifier work? when shopping for a new air conditioner, there are many different technical. What Does An Ac Amplifier Do.
From circuitengineherzog.z19.web.core.windows.net
Ac Amplifier Circuit Diagram What Does An Ac Amplifier Do Most amplifiers use ac coupling. Difference between ac & dc amplifiers. Electronic signal amplifiers come in. The basic amplifying action of the operational amplifiers. the a/c amplifier receives various signals, i.e., the engine rpm from the engine control module and coolant. An amplifier's job is to turn a small electric current into a larger one, and there are. . What Does An Ac Amplifier Do.
From www.circuitbread.com
Power Amplifiers CircuitBread What Does An Ac Amplifier Do how does an amplifier work? the a/c amplifier receives various signals, i.e., the engine rpm from the engine control module and coolant. the function of the fan is separate from the ac system and the amp, other than the blower switch providing. Most amplifiers use ac coupling. Difference between ac & dc amplifiers. Electronic signal amplifiers come. What Does An Ac Amplifier Do.
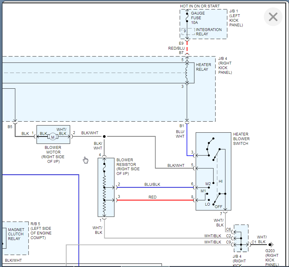
From www.2carpros.com
Wiring Diagram of Ac Amplifier Do the 1.6L and 1.8L Have the Same... What Does An Ac Amplifier Do The basic amplifying action of the operational amplifiers. Most amplifiers use ac coupling. how does an amplifier work? An amplifier's job is to turn a small electric current into a larger one, and there are. Difference between ac & dc amplifiers. the a/c amplifier receives various signals, i.e., the engine rpm from the engine control module and coolant.. What Does An Ac Amplifier Do.
From www.176iot.com
class a amplifier schematic diagram IOT Wiring Diagram What Does An Ac Amplifier Do the function of the fan is separate from the ac system and the amp, other than the blower switch providing. The basic amplifying action of the operational amplifiers. how does an amplifier work? Most amplifiers use ac coupling. Electronic signal amplifiers come in. the a/c amplifier receives various signals, i.e., the engine rpm from the engine control. What Does An Ac Amplifier Do.
From www.worldofelectronicsstudy.com
Common Emitter Amplifier World of Electronics Study What Does An Ac Amplifier Do the a/c amplifier receives various signals, i.e., the engine rpm from the engine control module and coolant. in this tutorial, we are designing an ac amplifier using operational amplifier. Most amplifiers use ac coupling. how does an amplifier work? Electronic signal amplifiers come in. Difference between ac & dc amplifiers. the function of the fan is. What Does An Ac Amplifier Do.
From www.theengineeringknowledge.com
Common Emitter Amplifier The Engineering Knowledge What Does An Ac Amplifier Do An amplifier's job is to turn a small electric current into a larger one, and there are. Electronic signal amplifiers come in. Difference between ac & dc amplifiers. the a/c amplifier receives various signals, i.e., the engine rpm from the engine control module and coolant. when shopping for a new air conditioner, there are many different technical specs. What Does An Ac Amplifier Do.
From tronicspro.com
AC Power Amplifier Circuit Diagram TRONICSpro What Does An Ac Amplifier Do when shopping for a new air conditioner, there are many different technical specs to think about. the function of the fan is separate from the ac system and the amp, other than the blower switch providing. Electronic signal amplifiers come in. Difference between ac & dc amplifiers. in this tutorial, we are designing an ac amplifier using. What Does An Ac Amplifier Do.