Mercury Optimax Outboard Oil Injection System Diagram . this service manual has been written and published by the service department of mercury marine to aid our dealers’. i have a mercury optimax 150 that i am putting on a lund tyee. a video explaining the operation of the oil injection system, and what. Optimax outboard motor pdf manual download. view and download mercury optimax user manual online. view and download mercury optimax 115 service manual online. Access a digital copy of your engine’s operation, maintenance & installation manual. Optimax 115 outboard motor pdf manual download. The boat had a mercury motor on it previously so.
from schematicpiscardixf.z4.web.core.windows.net
Optimax outboard motor pdf manual download. view and download mercury optimax 115 service manual online. The boat had a mercury motor on it previously so. Access a digital copy of your engine’s operation, maintenance & installation manual. a video explaining the operation of the oil injection system, and what. view and download mercury optimax user manual online. this service manual has been written and published by the service department of mercury marine to aid our dealers’. i have a mercury optimax 150 that i am putting on a lund tyee. Optimax 115 outboard motor pdf manual download.
Mercury Outboard Oil Injection System Diagram
Mercury Optimax Outboard Oil Injection System Diagram Optimax outboard motor pdf manual download. i have a mercury optimax 150 that i am putting on a lund tyee. a video explaining the operation of the oil injection system, and what. this service manual has been written and published by the service department of mercury marine to aid our dealers’. view and download mercury optimax 115 service manual online. Optimax outboard motor pdf manual download. view and download mercury optimax user manual online. Access a digital copy of your engine’s operation, maintenance & installation manual. The boat had a mercury motor on it previously so. Optimax 115 outboard motor pdf manual download.
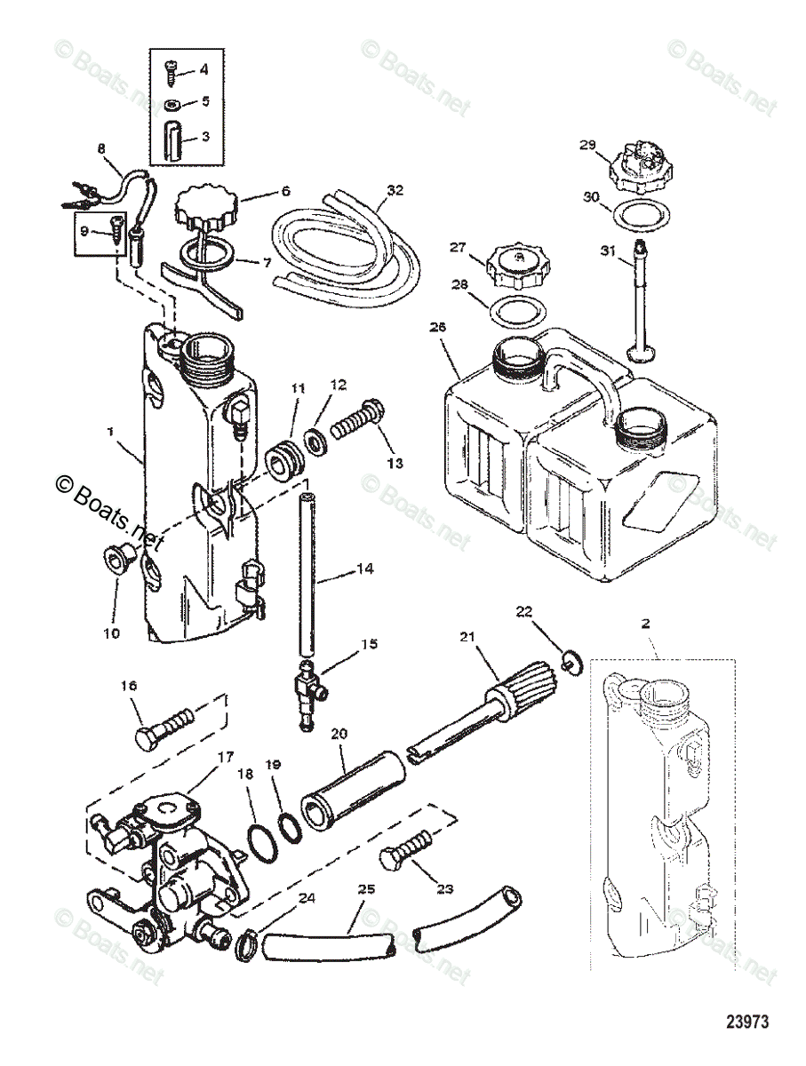
From www.boats.net
Mercury Outboard 60HP OEM Parts Diagram for Oil Injection Components Mercury Optimax Outboard Oil Injection System Diagram view and download mercury optimax 115 service manual online. The boat had a mercury motor on it previously so. i have a mercury optimax 150 that i am putting on a lund tyee. this service manual has been written and published by the service department of mercury marine to aid our dealers’. Optimax outboard motor pdf manual. Mercury Optimax Outboard Oil Injection System Diagram.
From airinjectors.com
Air Injectors and Direct Injectors for Mercury Optimax Outboards Mercury Optimax Outboard Oil Injection System Diagram Optimax 115 outboard motor pdf manual download. The boat had a mercury motor on it previously so. view and download mercury optimax user manual online. view and download mercury optimax 115 service manual online. Access a digital copy of your engine’s operation, maintenance & installation manual. Optimax outboard motor pdf manual download. i have a mercury optimax. Mercury Optimax Outboard Oil Injection System Diagram.
From enginedatanichered.z21.web.core.windows.net
Mercury Outboard Oil Injection System Diagram Mercury Optimax Outboard Oil Injection System Diagram Access a digital copy of your engine’s operation, maintenance & installation manual. this service manual has been written and published by the service department of mercury marine to aid our dealers’. Optimax 115 outboard motor pdf manual download. a video explaining the operation of the oil injection system, and what. The boat had a mercury motor on it. Mercury Optimax Outboard Oil Injection System Diagram.
From elecschem.com
The Ultimate Guide to Understanding the Mercury Outboard Oil Injection Mercury Optimax Outboard Oil Injection System Diagram Access a digital copy of your engine’s operation, maintenance & installation manual. Optimax outboard motor pdf manual download. view and download mercury optimax 115 service manual online. a video explaining the operation of the oil injection system, and what. Optimax 115 outboard motor pdf manual download. i have a mercury optimax 150 that i am putting on. Mercury Optimax Outboard Oil Injection System Diagram.
From schematicappraise.z14.web.core.windows.net
Mercury Outboard Oil Injection System Diagram Mercury Optimax Outboard Oil Injection System Diagram view and download mercury optimax user manual online. Optimax outboard motor pdf manual download. The boat had a mercury motor on it previously so. Optimax 115 outboard motor pdf manual download. Access a digital copy of your engine’s operation, maintenance & installation manual. i have a mercury optimax 150 that i am putting on a lund tyee. . Mercury Optimax Outboard Oil Injection System Diagram.
From fixfixkeith.z6.web.core.windows.net
Mercury Optimax Parts Diagram 115 Hp Mercury Optimax Outboard Oil Injection System Diagram view and download mercury optimax 115 service manual online. The boat had a mercury motor on it previously so. view and download mercury optimax user manual online. Access a digital copy of your engine’s operation, maintenance & installation manual. Optimax 115 outboard motor pdf manual download. a video explaining the operation of the oil injection system, and. Mercury Optimax Outboard Oil Injection System Diagram.
From www.etsy.com
Mercury Optimax 115 135 150 175 Outboard Service Manual Original PDF Mercury Optimax Outboard Oil Injection System Diagram view and download mercury optimax user manual online. a video explaining the operation of the oil injection system, and what. i have a mercury optimax 150 that i am putting on a lund tyee. Optimax 115 outboard motor pdf manual download. this service manual has been written and published by the service department of mercury marine. Mercury Optimax Outboard Oil Injection System Diagram.
From mungfali.com
Mercury 115 Optimax Diagram Mercury Optimax Outboard Oil Injection System Diagram Optimax 115 outboard motor pdf manual download. view and download mercury optimax user manual online. i have a mercury optimax 150 that i am putting on a lund tyee. this service manual has been written and published by the service department of mercury marine to aid our dealers’. The boat had a mercury motor on it previously. Mercury Optimax Outboard Oil Injection System Diagram.
From pepelaylaah.blogspot.com
mercury outboard oil injection system diagram PepeLaylaah Mercury Optimax Outboard Oil Injection System Diagram i have a mercury optimax 150 that i am putting on a lund tyee. The boat had a mercury motor on it previously so. Access a digital copy of your engine’s operation, maintenance & installation manual. this service manual has been written and published by the service department of mercury marine to aid our dealers’. Optimax 115 outboard. Mercury Optimax Outboard Oil Injection System Diagram.
From diagramweb.net
Optimax Fuel System Diagram Mercury Optimax Outboard Oil Injection System Diagram view and download mercury optimax user manual online. Optimax outboard motor pdf manual download. Access a digital copy of your engine’s operation, maintenance & installation manual. Optimax 115 outboard motor pdf manual download. this service manual has been written and published by the service department of mercury marine to aid our dealers’. view and download mercury optimax. Mercury Optimax Outboard Oil Injection System Diagram.
From schematicpiscardixf.z4.web.core.windows.net
Mercury Outboard Oil Injection System Diagram Mercury Optimax Outboard Oil Injection System Diagram The boat had a mercury motor on it previously so. Access a digital copy of your engine’s operation, maintenance & installation manual. Optimax outboard motor pdf manual download. Optimax 115 outboard motor pdf manual download. a video explaining the operation of the oil injection system, and what. i have a mercury optimax 150 that i am putting on. Mercury Optimax Outboard Oil Injection System Diagram.
From www.wiringstech.com
Mercury 200 Optimax Wiring Diagram » Wiring Technology Mercury Optimax Outboard Oil Injection System Diagram view and download mercury optimax 115 service manual online. view and download mercury optimax user manual online. i have a mercury optimax 150 that i am putting on a lund tyee. a video explaining the operation of the oil injection system, and what. Optimax 115 outboard motor pdf manual download. Access a digital copy of your. Mercury Optimax Outboard Oil Injection System Diagram.
From tarannae0schematic.z4.web.core.windows.net
Mercury Outboard Oil Injection System Diagram Mercury Optimax Outboard Oil Injection System Diagram view and download mercury optimax user manual online. The boat had a mercury motor on it previously so. this service manual has been written and published by the service department of mercury marine to aid our dealers’. view and download mercury optimax 115 service manual online. a video explaining the operation of the oil injection system,. Mercury Optimax Outboard Oil Injection System Diagram.
From schematicpartdaff.z21.web.core.windows.net
Mercury Optimax Outboard Parts Mercury Optimax Outboard Oil Injection System Diagram i have a mercury optimax 150 that i am putting on a lund tyee. Optimax 115 outboard motor pdf manual download. view and download mercury optimax 115 service manual online. The boat had a mercury motor on it previously so. this service manual has been written and published by the service department of mercury marine to aid. Mercury Optimax Outboard Oil Injection System Diagram.
From www.boats.net
Mercury Outboard 90HP OEM Parts Diagram for Oil Injection Components Mercury Optimax Outboard Oil Injection System Diagram i have a mercury optimax 150 that i am putting on a lund tyee. view and download mercury optimax user manual online. this service manual has been written and published by the service department of mercury marine to aid our dealers’. a video explaining the operation of the oil injection system, and what. Access a digital. Mercury Optimax Outboard Oil Injection System Diagram.
From elecschem.com
The Ultimate Guide to Understanding the Mercury Outboard Oil Injection Mercury Optimax Outboard Oil Injection System Diagram this service manual has been written and published by the service department of mercury marine to aid our dealers’. a video explaining the operation of the oil injection system, and what. The boat had a mercury motor on it previously so. Optimax 115 outboard motor pdf manual download. view and download mercury optimax 115 service manual online.. Mercury Optimax Outboard Oil Injection System Diagram.
From wiredbbagley.z13.web.core.windows.net
Mercury Outboard Oil Injection System Diagram Mercury Optimax Outboard Oil Injection System Diagram Access a digital copy of your engine’s operation, maintenance & installation manual. i have a mercury optimax 150 that i am putting on a lund tyee. view and download mercury optimax user manual online. Optimax outboard motor pdf manual download. view and download mercury optimax 115 service manual online. a video explaining the operation of the. Mercury Optimax Outboard Oil Injection System Diagram.
From wiringengineoutpeeped.z13.web.core.windows.net
Mercury Outboard Oil Injection System Diagram Mercury Optimax Outboard Oil Injection System Diagram this service manual has been written and published by the service department of mercury marine to aid our dealers’. view and download mercury optimax user manual online. i have a mercury optimax 150 that i am putting on a lund tyee. The boat had a mercury motor on it previously so. Access a digital copy of your. Mercury Optimax Outboard Oil Injection System Diagram.
From www.boats.net
Mercury Outboard 150HP OEM Parts Diagram for Oil Injection Components Mercury Optimax Outboard Oil Injection System Diagram Optimax 115 outboard motor pdf manual download. this service manual has been written and published by the service department of mercury marine to aid our dealers’. Optimax outboard motor pdf manual download. i have a mercury optimax 150 that i am putting on a lund tyee. view and download mercury optimax user manual online. The boat had. Mercury Optimax Outboard Oil Injection System Diagram.
From wiringfixisomuranw.z13.web.core.windows.net
Mercury Outboard Motors Parts Diagrams Mercury Optimax Outboard Oil Injection System Diagram Optimax 115 outboard motor pdf manual download. Access a digital copy of your engine’s operation, maintenance & installation manual. view and download mercury optimax 115 service manual online. Optimax outboard motor pdf manual download. a video explaining the operation of the oil injection system, and what. i have a mercury optimax 150 that i am putting on. Mercury Optimax Outboard Oil Injection System Diagram.
From storyquipo.blogspot.com
Mercury Outboard Oil Injection System storyquipo Mercury Optimax Outboard Oil Injection System Diagram The boat had a mercury motor on it previously so. Access a digital copy of your engine’s operation, maintenance & installation manual. this service manual has been written and published by the service department of mercury marine to aid our dealers’. a video explaining the operation of the oil injection system, and what. Optimax 115 outboard motor pdf. Mercury Optimax Outboard Oil Injection System Diagram.
From www.pdfforless.com
Mercury Optimax Models 135, 150, Direct Fuel Injection image 3 preview Mercury Optimax Outboard Oil Injection System Diagram Access a digital copy of your engine’s operation, maintenance & installation manual. Optimax 115 outboard motor pdf manual download. view and download mercury optimax 115 service manual online. this service manual has been written and published by the service department of mercury marine to aid our dealers’. i have a mercury optimax 150 that i am putting. Mercury Optimax Outboard Oil Injection System Diagram.
From www.marineengine.com
Mercury Marine V175 HP XRI (EFI) Oil Injection Components Parts Mercury Optimax Outboard Oil Injection System Diagram view and download mercury optimax 115 service manual online. Access a digital copy of your engine’s operation, maintenance & installation manual. Optimax 115 outboard motor pdf manual download. Optimax outboard motor pdf manual download. this service manual has been written and published by the service department of mercury marine to aid our dealers’. view and download mercury. Mercury Optimax Outboard Oil Injection System Diagram.
From www.emanualonline.com
MERCURY OPTIMAX 150HP 175HP DIRECT FUEL INJECTION OUTBOARD Engine Full Mercury Optimax Outboard Oil Injection System Diagram a video explaining the operation of the oil injection system, and what. The boat had a mercury motor on it previously so. Optimax 115 outboard motor pdf manual download. view and download mercury optimax 115 service manual online. Access a digital copy of your engine’s operation, maintenance & installation manual. view and download mercury optimax user manual. Mercury Optimax Outboard Oil Injection System Diagram.
From xboxartshow.blogspot.com
38 mercury outboard oil injection system diagram Mercury Optimax Outboard Oil Injection System Diagram this service manual has been written and published by the service department of mercury marine to aid our dealers’. a video explaining the operation of the oil injection system, and what. view and download mercury optimax user manual online. view and download mercury optimax 115 service manual online. Access a digital copy of your engine’s operation,. Mercury Optimax Outboard Oil Injection System Diagram.
From diagramenginepracticum.z14.web.core.windows.net
2005 Mercury 225 Pro Xs Optimax Shop Manual Mercury Optimax Outboard Oil Injection System Diagram this service manual has been written and published by the service department of mercury marine to aid our dealers’. i have a mercury optimax 150 that i am putting on a lund tyee. Optimax 115 outboard motor pdf manual download. a video explaining the operation of the oil injection system, and what. The boat had a mercury. Mercury Optimax Outboard Oil Injection System Diagram.
From schematicfixunshared.z22.web.core.windows.net
Mercury Outboard Oil Injection System Diagram Mercury Optimax Outboard Oil Injection System Diagram Optimax outboard motor pdf manual download. this service manual has been written and published by the service department of mercury marine to aid our dealers’. view and download mercury optimax 115 service manual online. Access a digital copy of your engine’s operation, maintenance & installation manual. i have a mercury optimax 150 that i am putting on. Mercury Optimax Outboard Oil Injection System Diagram.
From www.boats.net
Mercury Outboard 225HP OEM Parts Diagram for Oil Injection Components Mercury Optimax Outboard Oil Injection System Diagram Optimax 115 outboard motor pdf manual download. i have a mercury optimax 150 that i am putting on a lund tyee. Access a digital copy of your engine’s operation, maintenance & installation manual. view and download mercury optimax 115 service manual online. Optimax outboard motor pdf manual download. view and download mercury optimax user manual online. . Mercury Optimax Outboard Oil Injection System Diagram.
From elecschem.com
The Ultimate Guide to Understanding the Mercury Outboard Oil Injection Mercury Optimax Outboard Oil Injection System Diagram a video explaining the operation of the oil injection system, and what. view and download mercury optimax user manual online. this service manual has been written and published by the service department of mercury marine to aid our dealers’. Optimax outboard motor pdf manual download. Optimax 115 outboard motor pdf manual download. Access a digital copy of. Mercury Optimax Outboard Oil Injection System Diagram.
From manuallistgranitise.z1.web.core.windows.net
Mercury Outboard Oil Injection System Diagram Mercury Optimax Outboard Oil Injection System Diagram Access a digital copy of your engine’s operation, maintenance & installation manual. this service manual has been written and published by the service department of mercury marine to aid our dealers’. Optimax 115 outboard motor pdf manual download. a video explaining the operation of the oil injection system, and what. view and download mercury optimax 115 service. Mercury Optimax Outboard Oil Injection System Diagram.
From www.justanswer.com
I've got a 2007 225hp mercury optimax outboard with 28 hours on it Mercury Optimax Outboard Oil Injection System Diagram view and download mercury optimax 115 service manual online. Access a digital copy of your engine’s operation, maintenance & installation manual. Optimax outboard motor pdf manual download. The boat had a mercury motor on it previously so. i have a mercury optimax 150 that i am putting on a lund tyee. view and download mercury optimax user. Mercury Optimax Outboard Oil Injection System Diagram.
From hxecimasv.blob.core.windows.net
How To Check If Oil Injection Is Working at Audra Granger blog Mercury Optimax Outboard Oil Injection System Diagram i have a mercury optimax 150 that i am putting on a lund tyee. view and download mercury optimax 115 service manual online. The boat had a mercury motor on it previously so. a video explaining the operation of the oil injection system, and what. Optimax 115 outboard motor pdf manual download. view and download mercury. Mercury Optimax Outboard Oil Injection System Diagram.
From enginediagramhits.z21.web.core.windows.net
Mercury Outboard Oil Injection System Diagram Mercury Optimax Outboard Oil Injection System Diagram Optimax 115 outboard motor pdf manual download. Optimax outboard motor pdf manual download. i have a mercury optimax 150 that i am putting on a lund tyee. view and download mercury optimax user manual online. view and download mercury optimax 115 service manual online. this service manual has been written and published by the service department. Mercury Optimax Outboard Oil Injection System Diagram.
From guidediagramegger.z19.web.core.windows.net
Mercury 200 Optimax Parts Diagram Mercury Optimax Outboard Oil Injection System Diagram a video explaining the operation of the oil injection system, and what. view and download mercury optimax user manual online. Access a digital copy of your engine’s operation, maintenance & installation manual. Optimax outboard motor pdf manual download. this service manual has been written and published by the service department of mercury marine to aid our dealers’.. Mercury Optimax Outboard Oil Injection System Diagram.
From xboxartshow.blogspot.com
38 mercury outboard oil injection system diagram Mercury Optimax Outboard Oil Injection System Diagram this service manual has been written and published by the service department of mercury marine to aid our dealers’. The boat had a mercury motor on it previously so. view and download mercury optimax 115 service manual online. Optimax outboard motor pdf manual download. Optimax 115 outboard motor pdf manual download. a video explaining the operation of. Mercury Optimax Outboard Oil Injection System Diagram.