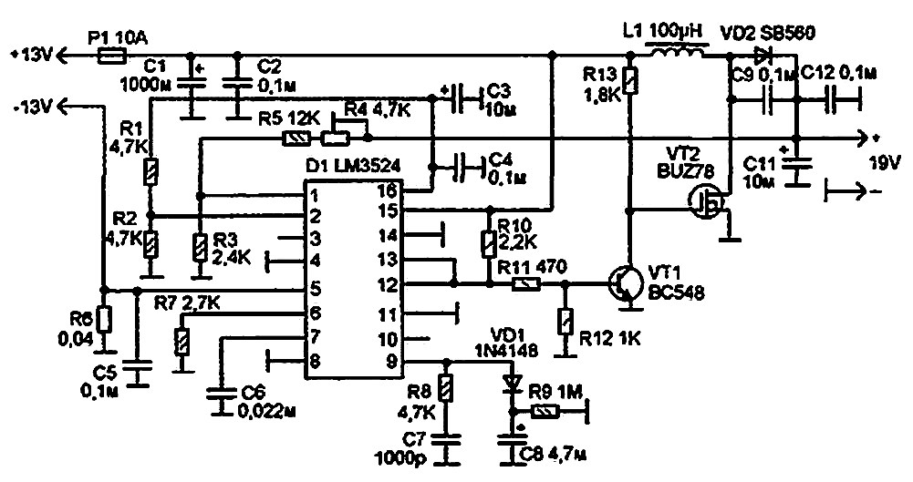
Sg3524 Oscillator Circuit Diagram . The inverter consists of four stages which include the transformation stage (implemented with a 1,500va transformer), oscillator stage (implemented with sg3524. The sg3524 incorporates on a single monolithic chip all the function required for the construction of regulating power suppies inverters or. The regulator operates at a fixed. Using a schematic diagram, design the sg3524 inverter circuit according to your specific requirements. The circuit will typically consist of a voltage regulator, a pulse width modulator, an oscillator, and various protective components.
from homewiringdiagram.blogspot.com
Using a schematic diagram, design the sg3524 inverter circuit according to your specific requirements. The inverter consists of four stages which include the transformation stage (implemented with a 1,500va transformer), oscillator stage (implemented with sg3524. The sg3524 incorporates on a single monolithic chip all the function required for the construction of regulating power suppies inverters or. The circuit will typically consist of a voltage regulator, a pulse width modulator, an oscillator, and various protective components. The regulator operates at a fixed.
Inverter Circuit Diagram Using Sg3524 And Mosfet Home Wiring Diagram
Sg3524 Oscillator Circuit Diagram The regulator operates at a fixed. The circuit will typically consist of a voltage regulator, a pulse width modulator, an oscillator, and various protective components. The inverter consists of four stages which include the transformation stage (implemented with a 1,500va transformer), oscillator stage (implemented with sg3524. Using a schematic diagram, design the sg3524 inverter circuit according to your specific requirements. The regulator operates at a fixed. The sg3524 incorporates on a single monolithic chip all the function required for the construction of regulating power suppies inverters or.
From www.jerryshomemade.com
Frontiera arachidi Punteggiatura inverter using sg3524 circuit diagram Sg3524 Oscillator Circuit Diagram Using a schematic diagram, design the sg3524 inverter circuit according to your specific requirements. The regulator operates at a fixed. The sg3524 incorporates on a single monolithic chip all the function required for the construction of regulating power suppies inverters or. The circuit will typically consist of a voltage regulator, a pulse width modulator, an oscillator, and various protective components.. Sg3524 Oscillator Circuit Diagram.
From homewiringdiagram.blogspot.com
Inverter Circuit Diagram Using Sg3524 And Mosfet Home Wiring Diagram Sg3524 Oscillator Circuit Diagram The regulator operates at a fixed. The sg3524 incorporates on a single monolithic chip all the function required for the construction of regulating power suppies inverters or. The inverter consists of four stages which include the transformation stage (implemented with a 1,500va transformer), oscillator stage (implemented with sg3524. The circuit will typically consist of a voltage regulator, a pulse width. Sg3524 Oscillator Circuit Diagram.
From userenginetyler.z19.web.core.windows.net
Sg3524 Pwm Inverter Circuit Diagram Sg3524 Oscillator Circuit Diagram The regulator operates at a fixed. Using a schematic diagram, design the sg3524 inverter circuit according to your specific requirements. The sg3524 incorporates on a single monolithic chip all the function required for the construction of regulating power suppies inverters or. The circuit will typically consist of a voltage regulator, a pulse width modulator, an oscillator, and various protective components.. Sg3524 Oscillator Circuit Diagram.
From smartcraft-wiring-diagram12.blogspot.com
1000W Sg3524 Inverter Circuit Diagram Sg3525 Power Inverter Circuit Sg3524 Oscillator Circuit Diagram The inverter consists of four stages which include the transformation stage (implemented with a 1,500va transformer), oscillator stage (implemented with sg3524. The regulator operates at a fixed. The sg3524 incorporates on a single monolithic chip all the function required for the construction of regulating power suppies inverters or. Using a schematic diagram, design the sg3524 inverter circuit according to your. Sg3524 Oscillator Circuit Diagram.
From www.youtube.com
SG3524 PARTE 6 Limitação de Corrente YouTube Sg3524 Oscillator Circuit Diagram The regulator operates at a fixed. The inverter consists of four stages which include the transformation stage (implemented with a 1,500va transformer), oscillator stage (implemented with sg3524. Using a schematic diagram, design the sg3524 inverter circuit according to your specific requirements. The circuit will typically consist of a voltage regulator, a pulse width modulator, an oscillator, and various protective components.. Sg3524 Oscillator Circuit Diagram.
From www.circuits-diy.com
PWM Inverter Circuit SG3524 Sg3524 Oscillator Circuit Diagram Using a schematic diagram, design the sg3524 inverter circuit according to your specific requirements. The sg3524 incorporates on a single monolithic chip all the function required for the construction of regulating power suppies inverters or. The inverter consists of four stages which include the transformation stage (implemented with a 1,500va transformer), oscillator stage (implemented with sg3524. The regulator operates at. Sg3524 Oscillator Circuit Diagram.
From schematicpartclaudia.z19.web.core.windows.net
Sg3524 Inverter Circuit Diagram Sg3524 Oscillator Circuit Diagram The circuit will typically consist of a voltage regulator, a pulse width modulator, an oscillator, and various protective components. The sg3524 incorporates on a single monolithic chip all the function required for the construction of regulating power suppies inverters or. The regulator operates at a fixed. Using a schematic diagram, design the sg3524 inverter circuit according to your specific requirements.. Sg3524 Oscillator Circuit Diagram.
From www.edaboard.com
What's the function of SG3524 IC in an inverter circuit? Sg3524 Oscillator Circuit Diagram The sg3524 incorporates on a single monolithic chip all the function required for the construction of regulating power suppies inverters or. The circuit will typically consist of a voltage regulator, a pulse width modulator, an oscillator, and various protective components. Using a schematic diagram, design the sg3524 inverter circuit according to your specific requirements. The inverter consists of four stages. Sg3524 Oscillator Circuit Diagram.
From schematicpartclaudia.z19.web.core.windows.net
Sg3524 Inverter Circuit Diagram Sg3524 Oscillator Circuit Diagram The sg3524 incorporates on a single monolithic chip all the function required for the construction of regulating power suppies inverters or. The circuit will typically consist of a voltage regulator, a pulse width modulator, an oscillator, and various protective components. The inverter consists of four stages which include the transformation stage (implemented with a 1,500va transformer), oscillator stage (implemented with. Sg3524 Oscillator Circuit Diagram.
From windlass-wiring-diagram.blogspot.com
1000W Sg3524 Inverter Circuit Diagram / Pwm Control Dimming Halogen Sg3524 Oscillator Circuit Diagram The sg3524 incorporates on a single monolithic chip all the function required for the construction of regulating power suppies inverters or. The inverter consists of four stages which include the transformation stage (implemented with a 1,500va transformer), oscillator stage (implemented with sg3524. The circuit will typically consist of a voltage regulator, a pulse width modulator, an oscillator, and various protective. Sg3524 Oscillator Circuit Diagram.
From www.circuitdiagram.co
sg3524 circuit diagram Circuit Diagram Sg3524 Oscillator Circuit Diagram The circuit will typically consist of a voltage regulator, a pulse width modulator, an oscillator, and various protective components. The inverter consists of four stages which include the transformation stage (implemented with a 1,500va transformer), oscillator stage (implemented with sg3524. The regulator operates at a fixed. Using a schematic diagram, design the sg3524 inverter circuit according to your specific requirements.. Sg3524 Oscillator Circuit Diagram.
From germanunioncemetery.org
SG3524 Regulating Pulse Width Modulator IC Pinout, Sg3524 Oscillator Circuit Diagram Using a schematic diagram, design the sg3524 inverter circuit according to your specific requirements. The circuit will typically consist of a voltage regulator, a pulse width modulator, an oscillator, and various protective components. The regulator operates at a fixed. The inverter consists of four stages which include the transformation stage (implemented with a 1,500va transformer), oscillator stage (implemented with sg3524.. Sg3524 Oscillator Circuit Diagram.
From smartcraft-wiring-diagram12.blogspot.com
1000W Sg3524 Inverter Circuit Diagram Sg3525 Power Inverter Circuit Sg3524 Oscillator Circuit Diagram Using a schematic diagram, design the sg3524 inverter circuit according to your specific requirements. The circuit will typically consist of a voltage regulator, a pulse width modulator, an oscillator, and various protective components. The sg3524 incorporates on a single monolithic chip all the function required for the construction of regulating power suppies inverters or. The inverter consists of four stages. Sg3524 Oscillator Circuit Diagram.
From www.circuitdiagram.co
Sg3524 Schematic Diagram Circuit Diagram Sg3524 Oscillator Circuit Diagram Using a schematic diagram, design the sg3524 inverter circuit according to your specific requirements. The circuit will typically consist of a voltage regulator, a pulse width modulator, an oscillator, and various protective components. The regulator operates at a fixed. The inverter consists of four stages which include the transformation stage (implemented with a 1,500va transformer), oscillator stage (implemented with sg3524.. Sg3524 Oscillator Circuit Diagram.
From guidewiringlange.z19.web.core.windows.net
Sg3524 Inverter Circuit Diagram Sg3524 Oscillator Circuit Diagram The circuit will typically consist of a voltage regulator, a pulse width modulator, an oscillator, and various protective components. The regulator operates at a fixed. The inverter consists of four stages which include the transformation stage (implemented with a 1,500va transformer), oscillator stage (implemented with sg3524. Using a schematic diagram, design the sg3524 inverter circuit according to your specific requirements.. Sg3524 Oscillator Circuit Diagram.
From enginemanualerik.z19.web.core.windows.net
Sg3524 Inverter Circuit Diagram Sg3524 Oscillator Circuit Diagram The inverter consists of four stages which include the transformation stage (implemented with a 1,500va transformer), oscillator stage (implemented with sg3524. Using a schematic diagram, design the sg3524 inverter circuit according to your specific requirements. The circuit will typically consist of a voltage regulator, a pulse width modulator, an oscillator, and various protective components. The sg3524 incorporates on a single. Sg3524 Oscillator Circuit Diagram.
From www.circuitdiagram.co
Sg3524 Inverter Circuit With Feedback Circuit Diagram Sg3524 Oscillator Circuit Diagram The regulator operates at a fixed. Using a schematic diagram, design the sg3524 inverter circuit according to your specific requirements. The sg3524 incorporates on a single monolithic chip all the function required for the construction of regulating power suppies inverters or. The inverter consists of four stages which include the transformation stage (implemented with a 1,500va transformer), oscillator stage (implemented. Sg3524 Oscillator Circuit Diagram.
From www.tool-electric.ru
Tool Electric SG3524 Sg3524 Oscillator Circuit Diagram The regulator operates at a fixed. The inverter consists of four stages which include the transformation stage (implemented with a 1,500va transformer), oscillator stage (implemented with sg3524. The circuit will typically consist of a voltage regulator, a pulse width modulator, an oscillator, and various protective components. Using a schematic diagram, design the sg3524 inverter circuit according to your specific requirements.. Sg3524 Oscillator Circuit Diagram.
From www.circuitdiagram.co
Ic Sg3524 Circuit Diagram Circuit Diagram Sg3524 Oscillator Circuit Diagram Using a schematic diagram, design the sg3524 inverter circuit according to your specific requirements. The circuit will typically consist of a voltage regulator, a pulse width modulator, an oscillator, and various protective components. The regulator operates at a fixed. The inverter consists of four stages which include the transformation stage (implemented with a 1,500va transformer), oscillator stage (implemented with sg3524.. Sg3524 Oscillator Circuit Diagram.
From www.circuits-diy.com
PWM Inverter Circuit SG3524 Sg3524 Oscillator Circuit Diagram The regulator operates at a fixed. The inverter consists of four stages which include the transformation stage (implemented with a 1,500va transformer), oscillator stage (implemented with sg3524. The circuit will typically consist of a voltage regulator, a pulse width modulator, an oscillator, and various protective components. The sg3524 incorporates on a single monolithic chip all the function required for the. Sg3524 Oscillator Circuit Diagram.
From www.caretxdigital.com
inverter circuit diagram using sg3524 Wiring Diagram and Schematics Sg3524 Oscillator Circuit Diagram The regulator operates at a fixed. Using a schematic diagram, design the sg3524 inverter circuit according to your specific requirements. The circuit will typically consist of a voltage regulator, a pulse width modulator, an oscillator, and various protective components. The inverter consists of four stages which include the transformation stage (implemented with a 1,500va transformer), oscillator stage (implemented with sg3524.. Sg3524 Oscillator Circuit Diagram.
From www.circuitdiagram.co
Sg3524 Circuit Diagram For Inverter Circuit Diagram Sg3524 Oscillator Circuit Diagram The regulator operates at a fixed. The circuit will typically consist of a voltage regulator, a pulse width modulator, an oscillator, and various protective components. The sg3524 incorporates on a single monolithic chip all the function required for the construction of regulating power suppies inverters or. Using a schematic diagram, design the sg3524 inverter circuit according to your specific requirements.. Sg3524 Oscillator Circuit Diagram.
From wiredataedwin.z6.web.core.windows.net
Sg3524 Inverter Circuit Diagram Pdf Sg3524 Oscillator Circuit Diagram The regulator operates at a fixed. The sg3524 incorporates on a single monolithic chip all the function required for the construction of regulating power suppies inverters or. Using a schematic diagram, design the sg3524 inverter circuit according to your specific requirements. The inverter consists of four stages which include the transformation stage (implemented with a 1,500va transformer), oscillator stage (implemented. Sg3524 Oscillator Circuit Diagram.
From userenginetyler.z19.web.core.windows.net
Sg3524 Pwm Inverter Circuit Diagram Sg3524 Oscillator Circuit Diagram The circuit will typically consist of a voltage regulator, a pulse width modulator, an oscillator, and various protective components. The inverter consists of four stages which include the transformation stage (implemented with a 1,500va transformer), oscillator stage (implemented with sg3524. The regulator operates at a fixed. Using a schematic diagram, design the sg3524 inverter circuit according to your specific requirements.. Sg3524 Oscillator Circuit Diagram.
From elsie-circuit.blogspot.com
Elsie Circuit Sg3524 Inverter Circuit Diagram Pdf Download Sg3524 Oscillator Circuit Diagram Using a schematic diagram, design the sg3524 inverter circuit according to your specific requirements. The inverter consists of four stages which include the transformation stage (implemented with a 1,500va transformer), oscillator stage (implemented with sg3524. The circuit will typically consist of a voltage regulator, a pulse width modulator, an oscillator, and various protective components. The regulator operates at a fixed.. Sg3524 Oscillator Circuit Diagram.
From www.circuitdiagram.co
Sg3524 Oscillator Circuit Diagram Circuit Diagram Sg3524 Oscillator Circuit Diagram The circuit will typically consist of a voltage regulator, a pulse width modulator, an oscillator, and various protective components. Using a schematic diagram, design the sg3524 inverter circuit according to your specific requirements. The inverter consists of four stages which include the transformation stage (implemented with a 1,500va transformer), oscillator stage (implemented with sg3524. The sg3524 incorporates on a single. Sg3524 Oscillator Circuit Diagram.
From fixfixdoreen.z19.web.core.windows.net
Inverter Circuit Diagram Using Sg3524 Sg3524 Oscillator Circuit Diagram The circuit will typically consist of a voltage regulator, a pulse width modulator, an oscillator, and various protective components. The inverter consists of four stages which include the transformation stage (implemented with a 1,500va transformer), oscillator stage (implemented with sg3524. The sg3524 incorporates on a single monolithic chip all the function required for the construction of regulating power suppies inverters. Sg3524 Oscillator Circuit Diagram.
From schematicwiringmike.z19.web.core.windows.net
Ic 3524 Circuit Diagram Sg3524 Oscillator Circuit Diagram The sg3524 incorporates on a single monolithic chip all the function required for the construction of regulating power suppies inverters or. The regulator operates at a fixed. Using a schematic diagram, design the sg3524 inverter circuit according to your specific requirements. The circuit will typically consist of a voltage regulator, a pulse width modulator, an oscillator, and various protective components.. Sg3524 Oscillator Circuit Diagram.
From www.circuitdiagram.co
Sg3524 Circuit Diagram Sg3524 Oscillator Circuit Diagram The inverter consists of four stages which include the transformation stage (implemented with a 1,500va transformer), oscillator stage (implemented with sg3524. The circuit will typically consist of a voltage regulator, a pulse width modulator, an oscillator, and various protective components. The regulator operates at a fixed. Using a schematic diagram, design the sg3524 inverter circuit according to your specific requirements.. Sg3524 Oscillator Circuit Diagram.
From www.circuitdiagram.co
Sg3524 Oscillator Circuit Diagram Circuit Diagram Sg3524 Oscillator Circuit Diagram Using a schematic diagram, design the sg3524 inverter circuit according to your specific requirements. The sg3524 incorporates on a single monolithic chip all the function required for the construction of regulating power suppies inverters or. The inverter consists of four stages which include the transformation stage (implemented with a 1,500va transformer), oscillator stage (implemented with sg3524. The regulator operates at. Sg3524 Oscillator Circuit Diagram.
From www.circuitdiagram.co
Sg3524 Oscillator Circuit Diagram Circuit Diagram Sg3524 Oscillator Circuit Diagram Using a schematic diagram, design the sg3524 inverter circuit according to your specific requirements. The circuit will typically consist of a voltage regulator, a pulse width modulator, an oscillator, and various protective components. The inverter consists of four stages which include the transformation stage (implemented with a 1,500va transformer), oscillator stage (implemented with sg3524. The sg3524 incorporates on a single. Sg3524 Oscillator Circuit Diagram.
From www.circuitdiagram.co
Ic Sg3524 Circuit Diagram Circuit Diagram Sg3524 Oscillator Circuit Diagram The regulator operates at a fixed. The sg3524 incorporates on a single monolithic chip all the function required for the construction of regulating power suppies inverters or. The inverter consists of four stages which include the transformation stage (implemented with a 1,500va transformer), oscillator stage (implemented with sg3524. Using a schematic diagram, design the sg3524 inverter circuit according to your. Sg3524 Oscillator Circuit Diagram.
From www.cool386.com
Regulated 54W 12 to 240V Inverter Sg3524 Oscillator Circuit Diagram The regulator operates at a fixed. The circuit will typically consist of a voltage regulator, a pulse width modulator, an oscillator, and various protective components. Using a schematic diagram, design the sg3524 inverter circuit according to your specific requirements. The inverter consists of four stages which include the transformation stage (implemented with a 1,500va transformer), oscillator stage (implemented with sg3524.. Sg3524 Oscillator Circuit Diagram.
From www.diagramelectric.co
Pure Sine Wave Inverter Circuit Diagram Using Sg3524 Wiring Diagram Sg3524 Oscillator Circuit Diagram The circuit will typically consist of a voltage regulator, a pulse width modulator, an oscillator, and various protective components. The sg3524 incorporates on a single monolithic chip all the function required for the construction of regulating power suppies inverters or. Using a schematic diagram, design the sg3524 inverter circuit according to your specific requirements. The regulator operates at a fixed.. Sg3524 Oscillator Circuit Diagram.
From www.circuitdiagram.co
Sg3524 Circuit Diagram For Inverter Circuit Diagram Sg3524 Oscillator Circuit Diagram The sg3524 incorporates on a single monolithic chip all the function required for the construction of regulating power suppies inverters or. The inverter consists of four stages which include the transformation stage (implemented with a 1,500va transformer), oscillator stage (implemented with sg3524. The circuit will typically consist of a voltage regulator, a pulse width modulator, an oscillator, and various protective. Sg3524 Oscillator Circuit Diagram.