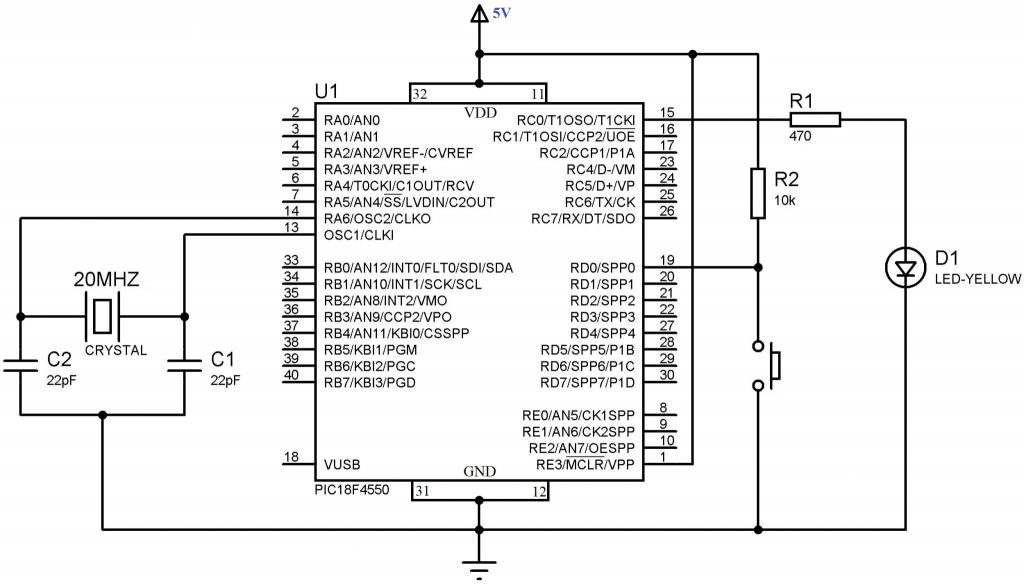
Power On Reset In Pic Microcontroller . There is a basic requirement to ensure the proper operation of a pic microcontroller and this is to ensure that. If the reset is from power loss then a complete restart may be required. The por is activated whenever v cc is below the detection level. It prevents the device from running any software. If the power dips below a safe level but not a complete. 5 register and bit naming conventions. The por circuit is active until v dd crosses the v por threshold. With d1, the capacitor is quickly discharged through d1 and the components across the power supply and, when the power returns, the discharged capacitor resets the microcontroller.
from electronics.stackexchange.com
If the power dips below a safe level but not a complete. There is a basic requirement to ensure the proper operation of a pic microcontroller and this is to ensure that. If the reset is from power loss then a complete restart may be required. With d1, the capacitor is quickly discharged through d1 and the components across the power supply and, when the power returns, the discharged capacitor resets the microcontroller. The por is activated whenever v cc is below the detection level. It prevents the device from running any software. The por circuit is active until v dd crosses the v por threshold. 5 register and bit naming conventions.
capacitor Functioning of a reset circuit for a microcontroller (PIC
Power On Reset In Pic Microcontroller The por circuit is active until v dd crosses the v por threshold. The por is activated whenever v cc is below the detection level. There is a basic requirement to ensure the proper operation of a pic microcontroller and this is to ensure that. The por circuit is active until v dd crosses the v por threshold. If the power dips below a safe level but not a complete. With d1, the capacitor is quickly discharged through d1 and the components across the power supply and, when the power returns, the discharged capacitor resets the microcontroller. It prevents the device from running any software. If the reset is from power loss then a complete restart may be required. 5 register and bit naming conventions.
From www.indiamart.com
PIC16F1512I/SS PIC Microcontroller at Rs 50/piece Programmable Power On Reset In Pic Microcontroller With d1, the capacitor is quickly discharged through d1 and the components across the power supply and, when the power returns, the discharged capacitor resets the microcontroller. If the power dips below a safe level but not a complete. If the reset is from power loss then a complete restart may be required. 5 register and bit naming conventions. There. Power On Reset In Pic Microcontroller.
From 8051info.blogspot.com
Power on reset circuit for AT89C51 microcontroller Power On Reset In Pic Microcontroller The por circuit is active until v dd crosses the v por threshold. 5 register and bit naming conventions. If the power dips below a safe level but not a complete. With d1, the capacitor is quickly discharged through d1 and the components across the power supply and, when the power returns, the discharged capacitor resets the microcontroller. There is. Power On Reset In Pic Microcontroller.
From 8051info.blogspot.com
Power on reset circuit for AT89C51 microcontroller Power On Reset In Pic Microcontroller If the power dips below a safe level but not a complete. It prevents the device from running any software. The por circuit is active until v dd crosses the v por threshold. With d1, the capacitor is quickly discharged through d1 and the components across the power supply and, when the power returns, the discharged capacitor resets the microcontroller.. Power On Reset In Pic Microcontroller.
From projectiot123.com
Introduction to PIC18F452 Microcontroller Power On Reset In Pic Microcontroller With d1, the capacitor is quickly discharged through d1 and the components across the power supply and, when the power returns, the discharged capacitor resets the microcontroller. There is a basic requirement to ensure the proper operation of a pic microcontroller and this is to ensure that. 5 register and bit naming conventions. The por circuit is active until v. Power On Reset In Pic Microcontroller.
From electronics.stackexchange.com
capacitor Functioning of a reset circuit for a microcontroller (PIC Power On Reset In Pic Microcontroller If the reset is from power loss then a complete restart may be required. 5 register and bit naming conventions. There is a basic requirement to ensure the proper operation of a pic microcontroller and this is to ensure that. The por circuit is active until v dd crosses the v por threshold. It prevents the device from running any. Power On Reset In Pic Microcontroller.
From www.youtube.com
Microcontroller Power Button Manual On and Automatic Off YouTube Power On Reset In Pic Microcontroller The por is activated whenever v cc is below the detection level. The por circuit is active until v dd crosses the v por threshold. If the power dips below a safe level but not a complete. It prevents the device from running any software. If the reset is from power loss then a complete restart may be required. 5. Power On Reset In Pic Microcontroller.
From itecnotes.com
Electronic Micro controller power up reset Valuable Tech Notes Power On Reset In Pic Microcontroller The por is activated whenever v cc is below the detection level. If the power dips below a safe level but not a complete. The por circuit is active until v dd crosses the v por threshold. With d1, the capacitor is quickly discharged through d1 and the components across the power supply and, when the power returns, the discharged. Power On Reset In Pic Microcontroller.
From embeddedinventor.com
9 Essential Microcontroller Peripherals Explained Power On Reset In Pic Microcontroller If the power dips below a safe level but not a complete. 5 register and bit naming conventions. There is a basic requirement to ensure the proper operation of a pic microcontroller and this is to ensure that. The por is activated whenever v cc is below the detection level. It prevents the device from running any software. The por. Power On Reset In Pic Microcontroller.
From www.youtube.com
How to use an External Reset in PIC microcontroller Master Clear in Power On Reset In Pic Microcontroller There is a basic requirement to ensure the proper operation of a pic microcontroller and this is to ensure that. It prevents the device from running any software. With d1, the capacitor is quickly discharged through d1 and the components across the power supply and, when the power returns, the discharged capacitor resets the microcontroller. If the reset is from. Power On Reset In Pic Microcontroller.
From microcontrollerslab.com
GETTING STARTED WITH PIC MICROCONTROLLERS Power On Reset In Pic Microcontroller The por circuit is active until v dd crosses the v por threshold. 5 register and bit naming conventions. If the power dips below a safe level but not a complete. It prevents the device from running any software. The por is activated whenever v cc is below the detection level. If the reset is from power loss then a. Power On Reset In Pic Microcontroller.
From www.vrogue.co
Reset Circuit In 8051 Microcontroller Electric How vrogue.co Power On Reset In Pic Microcontroller There is a basic requirement to ensure the proper operation of a pic microcontroller and this is to ensure that. If the power dips below a safe level but not a complete. If the reset is from power loss then a complete restart may be required. The por is activated whenever v cc is below the detection level. With d1,. Power On Reset In Pic Microcontroller.
From e2e.ti.com
Poweron reset exception MSP lowpower microcontroller forum MSP Power On Reset In Pic Microcontroller There is a basic requirement to ensure the proper operation of a pic microcontroller and this is to ensure that. If the reset is from power loss then a complete restart may be required. The por is activated whenever v cc is below the detection level. 5 register and bit naming conventions. If the power dips below a safe level. Power On Reset In Pic Microcontroller.
From electronicshacks.com
How to Program a PIC Microcontroller? ElectronicsHacks Power On Reset In Pic Microcontroller If the power dips below a safe level but not a complete. If the reset is from power loss then a complete restart may be required. There is a basic requirement to ensure the proper operation of a pic microcontroller and this is to ensure that. The por circuit is active until v dd crosses the v por threshold. The. Power On Reset In Pic Microcontroller.
From www.circuitbasics.com
Introduction to Microcontrollers Circuit Basics Power On Reset In Pic Microcontroller If the power dips below a safe level but not a complete. The por is activated whenever v cc is below the detection level. It prevents the device from running any software. There is a basic requirement to ensure the proper operation of a pic microcontroller and this is to ensure that. With d1, the capacitor is quickly discharged through. Power On Reset In Pic Microcontroller.
From www.raypcb.com
What is PIC microcontroller ? RAYMING PCB Power On Reset In Pic Microcontroller With d1, the capacitor is quickly discharged through d1 and the components across the power supply and, when the power returns, the discharged capacitor resets the microcontroller. It prevents the device from running any software. The por circuit is active until v dd crosses the v por threshold. If the reset is from power loss then a complete restart may. Power On Reset In Pic Microcontroller.
From pic-microcontroller.com
Using Microcontrollers ( Microchip PIC) Power On Reset In Pic Microcontroller If the power dips below a safe level but not a complete. 5 register and bit naming conventions. If the reset is from power loss then a complete restart may be required. The por circuit is active until v dd crosses the v por threshold. With d1, the capacitor is quickly discharged through d1 and the components across the power. Power On Reset In Pic Microcontroller.
From www.slideserve.com
PPT The 8051 Microcontroller PowerPoint Presentation, free download Power On Reset In Pic Microcontroller There is a basic requirement to ensure the proper operation of a pic microcontroller and this is to ensure that. If the power dips below a safe level but not a complete. With d1, the capacitor is quickly discharged through d1 and the components across the power supply and, when the power returns, the discharged capacitor resets the microcontroller. It. Power On Reset In Pic Microcontroller.
From fixdatabarth.z19.web.core.windows.net
Simple Microcontroller Circuit Diagram Power On Reset In Pic Microcontroller There is a basic requirement to ensure the proper operation of a pic microcontroller and this is to ensure that. With d1, the capacitor is quickly discharged through d1 and the components across the power supply and, when the power returns, the discharged capacitor resets the microcontroller. 5 register and bit naming conventions. The por is activated whenever v cc. Power On Reset In Pic Microcontroller.
From www.slideserve.com
PPT The 8051 Microcontroller PowerPoint Presentation, free download Power On Reset In Pic Microcontroller 5 register and bit naming conventions. If the reset is from power loss then a complete restart may be required. It prevents the device from running any software. If the power dips below a safe level but not a complete. The por is activated whenever v cc is below the detection level. The por circuit is active until v dd. Power On Reset In Pic Microcontroller.
From wiringdiagramkristin.z19.web.core.windows.net
Microcontroller Power Supply Circuit Diagram Power On Reset In Pic Microcontroller The por circuit is active until v dd crosses the v por threshold. The por is activated whenever v cc is below the detection level. 5 register and bit naming conventions. With d1, the capacitor is quickly discharged through d1 and the components across the power supply and, when the power returns, the discharged capacitor resets the microcontroller. If the. Power On Reset In Pic Microcontroller.
From nerdytechy.com
ATMega328P Microcontroller Pinout & Features NerdyTechy Power On Reset In Pic Microcontroller It prevents the device from running any software. If the reset is from power loss then a complete restart may be required. The por is activated whenever v cc is below the detection level. There is a basic requirement to ensure the proper operation of a pic microcontroller and this is to ensure that. With d1, the capacitor is quickly. Power On Reset In Pic Microcontroller.
From microcontrollerslab.com
8051 Microcontroller Pinout, GPIO Pins, Architecture and Features Power On Reset In Pic Microcontroller It prevents the device from running any software. If the power dips below a safe level but not a complete. There is a basic requirement to ensure the proper operation of a pic microcontroller and this is to ensure that. The por is activated whenever v cc is below the detection level. The por circuit is active until v dd. Power On Reset In Pic Microcontroller.
From www.researchgate.net
3 Circuit diagram of microcontrollerbased menu card Download Power On Reset In Pic Microcontroller There is a basic requirement to ensure the proper operation of a pic microcontroller and this is to ensure that. If the power dips below a safe level but not a complete. 5 register and bit naming conventions. With d1, the capacitor is quickly discharged through d1 and the components across the power supply and, when the power returns, the. Power On Reset In Pic Microcontroller.
From electrosome.com
Getting Started with PIC 18F Microcontroller MikroC Power On Reset In Pic Microcontroller If the reset is from power loss then a complete restart may be required. 5 register and bit naming conventions. The por circuit is active until v dd crosses the v por threshold. If the power dips below a safe level but not a complete. There is a basic requirement to ensure the proper operation of a pic microcontroller and. Power On Reset In Pic Microcontroller.
From www.techzorro.com
MCLR (Master Clear) on PIC microcontrollers techZorro Power On Reset In Pic Microcontroller If the power dips below a safe level but not a complete. If the reset is from power loss then a complete restart may be required. With d1, the capacitor is quickly discharged through d1 and the components across the power supply and, when the power returns, the discharged capacitor resets the microcontroller. The por circuit is active until v. Power On Reset In Pic Microcontroller.
From www.indiamart.com
PIC 16F676 I/SP MICROCONTROLLER MICROCHIP at Rs 63/piece PIC Power On Reset In Pic Microcontroller If the reset is from power loss then a complete restart may be required. It prevents the device from running any software. The por is activated whenever v cc is below the detection level. If the power dips below a safe level but not a complete. The por circuit is active until v dd crosses the v por threshold. 5. Power On Reset In Pic Microcontroller.
From www.circuitdiagram.co
Reset Circuit 8051 Microcontroller Circuit Diagram Power On Reset In Pic Microcontroller With d1, the capacitor is quickly discharged through d1 and the components across the power supply and, when the power returns, the discharged capacitor resets the microcontroller. It prevents the device from running any software. The por circuit is active until v dd crosses the v por threshold. There is a basic requirement to ensure the proper operation of a. Power On Reset In Pic Microcontroller.
From www.ablic.com
Introduction What is a Reset IC? ABLIC Inc. Power On Reset In Pic Microcontroller The por is activated whenever v cc is below the detection level. With d1, the capacitor is quickly discharged through d1 and the components across the power supply and, when the power returns, the discharged capacitor resets the microcontroller. If the power dips below a safe level but not a complete. There is a basic requirement to ensure the proper. Power On Reset In Pic Microcontroller.
From www.youtube.com
Power on Reset circuit AT89C51 (8051) MicroController YouTube Power On Reset In Pic Microcontroller It prevents the device from running any software. If the reset is from power loss then a complete restart may be required. The por is activated whenever v cc is below the detection level. With d1, the capacitor is quickly discharged through d1 and the components across the power supply and, when the power returns, the discharged capacitor resets the. Power On Reset In Pic Microcontroller.
From hitechsteve.com
Understanding Microcontrollers A Comprehensive Guide Power On Reset In Pic Microcontroller If the reset is from power loss then a complete restart may be required. 5 register and bit naming conventions. The por circuit is active until v dd crosses the v por threshold. If the power dips below a safe level but not a complete. There is a basic requirement to ensure the proper operation of a pic microcontroller and. Power On Reset In Pic Microcontroller.
From microcontrollerslab.com
GETTING STARTED WITH PIC MICROCONTROLLERS Power On Reset In Pic Microcontroller It prevents the device from running any software. With d1, the capacitor is quickly discharged through d1 and the components across the power supply and, when the power returns, the discharged capacitor resets the microcontroller. There is a basic requirement to ensure the proper operation of a pic microcontroller and this is to ensure that. The por circuit is active. Power On Reset In Pic Microcontroller.
From electronics.sadrapzh.com
میکروکنترلر چیست؟ واحد الکترونیک صدراپژوهش Power On Reset In Pic Microcontroller 5 register and bit naming conventions. There is a basic requirement to ensure the proper operation of a pic microcontroller and this is to ensure that. The por circuit is active until v dd crosses the v por threshold. If the reset is from power loss then a complete restart may be required. With d1, the capacitor is quickly discharged. Power On Reset In Pic Microcontroller.
From www.embedic.com
Introduction to STM32 Minimum System in Detail 2022 Embedded Technology Power On Reset In Pic Microcontroller If the power dips below a safe level but not a complete. The por is activated whenever v cc is below the detection level. If the reset is from power loss then a complete restart may be required. The por circuit is active until v dd crosses the v por threshold. There is a basic requirement to ensure the proper. Power On Reset In Pic Microcontroller.
From 8051info.blogspot.com
Power on reset circuit for AT89C51 microcontroller Power On Reset In Pic Microcontroller It prevents the device from running any software. The por circuit is active until v dd crosses the v por threshold. If the reset is from power loss then a complete restart may be required. 5 register and bit naming conventions. The por is activated whenever v cc is below the detection level. With d1, the capacitor is quickly discharged. Power On Reset In Pic Microcontroller.
From components101.com
ATMega2560 Microcontroller Features, Specifications, Pinout & Datasheet Power On Reset In Pic Microcontroller It prevents the device from running any software. The por circuit is active until v dd crosses the v por threshold. The por is activated whenever v cc is below the detection level. If the power dips below a safe level but not a complete. 5 register and bit naming conventions. If the reset is from power loss then a. Power On Reset In Pic Microcontroller.