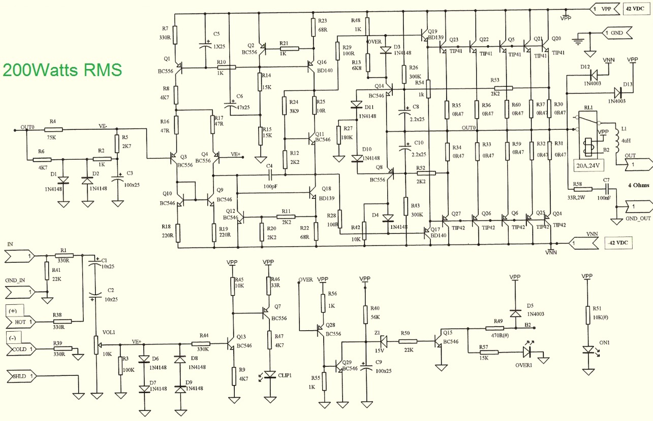
C5200 Amplifier Circuit Diagram . the power amplifier circuit diagram using c5200 and a1943 transistors is a class ab amplifier that operates with ±40vdc symmetrical voltage. On the input side, a signal is fed into the ic at the base. First, you will need a large heat sink which can accommodate 6 transistors. c5200 and a1943 amplifier circuit diagram: C5200 and a1943 amplifier making: You can use any mp3 kit. the following circuit diagram contains a powerful c5200 a1943 amplifier circuit and. see the transistor and circuit diagram of power amplifier a1943 / c5200 below: 200k views 3 years ago #diyamplifier #sharetechcreative. in general, the c5200 transistor amplifier circuit diagram consists of two parts: Following is the complete circuit diagram based on the c5200 and a1943 transistors. This circuit can deliver an output power of. You can see the connections are easy to follow; Bd140 should be tightly attached. All the components are clearly labeled.
from www.pinterest.com
You can use any mp3 kit. the power amplifier circuit diagram using c5200 and a1943 transistors is a class ab amplifier that operates with ±40vdc symmetrical voltage. This circuit can deliver an output power of. On the input side, a signal is fed into the ic at the base. 200k views 3 years ago #diyamplifier #sharetechcreative. c5200 and a1943 amplifier circuit diagram: In today's video, the power amplifier using c5200 and a1943 transistors with. You can see the connections are easy to follow; the following circuit diagram contains a powerful c5200 a1943 amplifier circuit and. First, you will need a large heat sink which can accommodate 6 transistors.
Please alwasy use good quality one transistor and also use good voltage
C5200 Amplifier Circuit Diagram First, you will need a large heat sink which can accommodate 6 transistors. Following is the complete circuit diagram based on the c5200 and a1943 transistors. This circuit can deliver an output power of. the power amplifier circuit diagram using c5200 and a1943 transistors is a class ab amplifier that operates with ±40vdc symmetrical voltage. You can use any mp3 kit. see the transistor and circuit diagram of power amplifier a1943 / c5200 below: Bd140 should be tightly attached. the following circuit diagram contains a powerful c5200 a1943 amplifier circuit and. in general, the c5200 transistor amplifier circuit diagram consists of two parts: In today's video, the power amplifier using c5200 and a1943 transistors with. You can see the connections are easy to follow; 200k views 3 years ago #diyamplifier #sharetechcreative. First, you will need a large heat sink which can accommodate 6 transistors. c5200 and a1943 amplifier circuit diagram: On the input side, a signal is fed into the ic at the base. All the components are clearly labeled.
From tronicspro.com
C5200 A1943 amplifier circuit diagrams TRONICSpro C5200 Amplifier Circuit Diagram In today's video, the power amplifier using c5200 and a1943 transistors with. see the transistor and circuit diagram of power amplifier a1943 / c5200 below: On the input side, a signal is fed into the ic at the base. First, you will need a large heat sink which can accommodate 6 transistors. You can use any mp3 kit. . C5200 Amplifier Circuit Diagram.
From banshee-wiring-diagram.blogspot.com
Subwoofer C5198 A1941 Amplifier Circuit Diagram 500w Stereo Amplifier C5200 Amplifier Circuit Diagram in general, the c5200 transistor amplifier circuit diagram consists of two parts: see the transistor and circuit diagram of power amplifier a1943 / c5200 below: In today's video, the power amplifier using c5200 and a1943 transistors with. the power amplifier circuit diagram using c5200 and a1943 transistors is a class ab amplifier that operates with ±40vdc symmetrical. C5200 Amplifier Circuit Diagram.
From all-audio.pro
C5200 a1943 amplifier circuit diagram C5200 Amplifier Circuit Diagram in general, the c5200 transistor amplifier circuit diagram consists of two parts: Following is the complete circuit diagram based on the c5200 and a1943 transistors. the following circuit diagram contains a powerful c5200 a1943 amplifier circuit and. All the components are clearly labeled. You can use any mp3 kit. On the input side, a signal is fed into. C5200 Amplifier Circuit Diagram.
From www.pinterest.com
C5200 A1943 amplifier circuit diagrams TRONICSpro Circuit diagram C5200 Amplifier Circuit Diagram You can see the connections are easy to follow; You can use any mp3 kit. Bd140 should be tightly attached. Following is the complete circuit diagram based on the c5200 and a1943 transistors. In today's video, the power amplifier using c5200 and a1943 transistors with. All the components are clearly labeled. the following circuit diagram contains a powerful c5200. C5200 Amplifier Circuit Diagram.
From aleehyanah.blogspot.com
1000w C5200 Transistor Amplifier Circuit Diagram C5200 Amplifier Circuit Diagram First, you will need a large heat sink which can accommodate 6 transistors. In today's video, the power amplifier using c5200 and a1943 transistors with. On the input side, a signal is fed into the ic at the base. the following circuit diagram contains a powerful c5200 a1943 amplifier circuit and. C5200 and a1943 amplifier making: Bd140 should be. C5200 Amplifier Circuit Diagram.
From aedbaeddebbefddk.blogspot.com
2sc5200 C5200 Transistor Amplifier Circuit Diagram C5200 Amplifier Circuit Diagram 200k views 3 years ago #diyamplifier #sharetechcreative. the following circuit diagram contains a powerful c5200 a1943 amplifier circuit and. In today's video, the power amplifier using c5200 and a1943 transistors with. C5200 and a1943 amplifier making: Following is the complete circuit diagram based on the c5200 and a1943 transistors. This circuit can deliver an output power of. First, you. C5200 Amplifier Circuit Diagram.
From 350z-wiring-diagram.blogspot.com
5200 And 1943 Amplifier Circuit Diagram Vasp 200 Watt Hifi Mono C5200 Amplifier Circuit Diagram see the transistor and circuit diagram of power amplifier a1943 / c5200 below: You can use any mp3 kit. Bd140 should be tightly attached. in general, the c5200 transistor amplifier circuit diagram consists of two parts: C5200 and a1943 amplifier making: the power amplifier circuit diagram using c5200 and a1943 transistors is a class ab amplifier that. C5200 Amplifier Circuit Diagram.
From schematicpartclaudia.z19.web.core.windows.net
Amplifier Circuit Diagram For Speakers C5200 Amplifier Circuit Diagram in general, the c5200 transistor amplifier circuit diagram consists of two parts: 200k views 3 years ago #diyamplifier #sharetechcreative. On the input side, a signal is fed into the ic at the base. Following is the complete circuit diagram based on the c5200 and a1943 transistors. Bd140 should be tightly attached. All the components are clearly labeled. This circuit. C5200 Amplifier Circuit Diagram.
From diagramfixmauer.z19.web.core.windows.net
C5200 Amplifier Circuit Diagram Pdf C5200 Amplifier Circuit Diagram the following circuit diagram contains a powerful c5200 a1943 amplifier circuit and. in general, the c5200 transistor amplifier circuit diagram consists of two parts: In today's video, the power amplifier using c5200 and a1943 transistors with. C5200 and a1943 amplifier making: 200k views 3 years ago #diyamplifier #sharetechcreative. Bd140 should be tightly attached. see the transistor and. C5200 Amplifier Circuit Diagram.
From www.circuitdiagram.co
C5200 Transistor Amplifier Circuit Diagram Circuit Diagram C5200 Amplifier Circuit Diagram On the input side, a signal is fed into the ic at the base. You can use any mp3 kit. First, you will need a large heat sink which can accommodate 6 transistors. the power amplifier circuit diagram using c5200 and a1943 transistors is a class ab amplifier that operates with ±40vdc symmetrical voltage. 200k views 3 years ago. C5200 Amplifier Circuit Diagram.
From aedbaeddebbefddk.blogspot.com
2sc5200 C5200 Transistor Amplifier Circuit Diagram C5200 Amplifier Circuit Diagram This circuit can deliver an output power of. see the transistor and circuit diagram of power amplifier a1943 / c5200 below: First, you will need a large heat sink which can accommodate 6 transistors. In today's video, the power amplifier using c5200 and a1943 transistors with. You can use any mp3 kit. On the input side, a signal is. C5200 Amplifier Circuit Diagram.
From www.circuitdiagram.co
C5200 Transistor Amplifier Circuit Diagram Circuit Diagram C5200 Amplifier Circuit Diagram In today's video, the power amplifier using c5200 and a1943 transistors with. All the components are clearly labeled. in general, the c5200 transistor amplifier circuit diagram consists of two parts: You can use any mp3 kit. You can see the connections are easy to follow; First, you will need a large heat sink which can accommodate 6 transistors. On. C5200 Amplifier Circuit Diagram.
From diagramlistmaier.z13.web.core.windows.net
C4467 A1694 Amplifier Circuit Diagram C5200 Amplifier Circuit Diagram see the transistor and circuit diagram of power amplifier a1943 / c5200 below: In today's video, the power amplifier using c5200 and a1943 transistors with. You can use any mp3 kit. C5200 and a1943 amplifier making: in general, the c5200 transistor amplifier circuit diagram consists of two parts: the power amplifier circuit diagram using c5200 and a1943. C5200 Amplifier Circuit Diagram.
From www.pinterest.com
Please alwasy use good quality one transistor and also use good voltage C5200 Amplifier Circuit Diagram see the transistor and circuit diagram of power amplifier a1943 / c5200 below: the power amplifier circuit diagram using c5200 and a1943 transistors is a class ab amplifier that operates with ±40vdc symmetrical voltage. All the components are clearly labeled. On the input side, a signal is fed into the ic at the base. You can see the. C5200 Amplifier Circuit Diagram.
From tronicspro.com
C5200 A1943 TDA2030 Amplifier DIY Homemade TRONICSpro C5200 Amplifier Circuit Diagram the following circuit diagram contains a powerful c5200 a1943 amplifier circuit and. the power amplifier circuit diagram using c5200 and a1943 transistors is a class ab amplifier that operates with ±40vdc symmetrical voltage. On the input side, a signal is fed into the ic at the base. in general, the c5200 transistor amplifier circuit diagram consists of. C5200 Amplifier Circuit Diagram.
From tronicspro.com
C5200 A1943 amplifier circuit diagrams TRONICSpro C5200 Amplifier Circuit Diagram All the components are clearly labeled. This circuit can deliver an output power of. First, you will need a large heat sink which can accommodate 6 transistors. On the input side, a signal is fed into the ic at the base. the following circuit diagram contains a powerful c5200 a1943 amplifier circuit and. Bd140 should be tightly attached. . C5200 Amplifier Circuit Diagram.
From tronicspro.com
C5200 Stereo Bass Amplifier DIY Tone Control TRONICSpro C5200 Amplifier Circuit Diagram In today's video, the power amplifier using c5200 and a1943 transistors with. in general, the c5200 transistor amplifier circuit diagram consists of two parts: You can use any mp3 kit. This circuit can deliver an output power of. Following is the complete circuit diagram based on the c5200 and a1943 transistors. the power amplifier circuit diagram using c5200. C5200 Amplifier Circuit Diagram.
From www.ebay.de
2PCS Audio Amplifier A1943 C5200 Stereo Dual Channels 350W Amplifier C5200 Amplifier Circuit Diagram the following circuit diagram contains a powerful c5200 a1943 amplifier circuit and. the power amplifier circuit diagram using c5200 and a1943 transistors is a class ab amplifier that operates with ±40vdc symmetrical voltage. see the transistor and circuit diagram of power amplifier a1943 / c5200 below: 200k views 3 years ago #diyamplifier #sharetechcreative. In today's video, the. C5200 Amplifier Circuit Diagram.
From tronicspro.com
500W Power Amplifier Circuit using c5200 a1943 TRONICSpro C5200 Amplifier Circuit Diagram On the input side, a signal is fed into the ic at the base. This circuit can deliver an output power of. First, you will need a large heat sink which can accommodate 6 transistors. Bd140 should be tightly attached. in general, the c5200 transistor amplifier circuit diagram consists of two parts: You can see the connections are easy. C5200 Amplifier Circuit Diagram.
From skill-wiring.blogspot.com
Skill Wiring C5200 Amplifier Circuit Diagram C5200 Amplifier Circuit Diagram Following is the complete circuit diagram based on the c5200 and a1943 transistors. the following circuit diagram contains a powerful c5200 a1943 amplifier circuit and. c5200 and a1943 amplifier circuit diagram: Bd140 should be tightly attached. All the components are clearly labeled. C5200 and a1943 amplifier making: in general, the c5200 transistor amplifier circuit diagram consists of. C5200 Amplifier Circuit Diagram.
From tronicspro.com
100W C5200 Bridge Amplifier Circuit Diagram TRONICSpro C5200 Amplifier Circuit Diagram You can see the connections are easy to follow; In today's video, the power amplifier using c5200 and a1943 transistors with. On the input side, a signal is fed into the ic at the base. see the transistor and circuit diagram of power amplifier a1943 / c5200 below: in general, the c5200 transistor amplifier circuit diagram consists of. C5200 Amplifier Circuit Diagram.
From www.pinterest.com
A1943 C5200 Power Amplifier circuit Audiofilo, Schema Elettrico C5200 Amplifier Circuit Diagram 200k views 3 years ago #diyamplifier #sharetechcreative. You can see the connections are easy to follow; All the components are clearly labeled. You can use any mp3 kit. c5200 and a1943 amplifier circuit diagram: in general, the c5200 transistor amplifier circuit diagram consists of two parts: the power amplifier circuit diagram using c5200 and a1943 transistors is. C5200 Amplifier Circuit Diagram.
From circuitpartnadel.z13.web.core.windows.net
C5200 Amplifier Circuit Diagram C5200 Amplifier Circuit Diagram Bd140 should be tightly attached. the following circuit diagram contains a powerful c5200 a1943 amplifier circuit and. In today's video, the power amplifier using c5200 and a1943 transistors with. Following is the complete circuit diagram based on the c5200 and a1943 transistors. This circuit can deliver an output power of. c5200 and a1943 amplifier circuit diagram: You can. C5200 Amplifier Circuit Diagram.
From www.youtube.com
DIY Powerful Ultra Bass Amplifier C5200 A1943 Amplifier Circuit C5200 Amplifier Circuit Diagram You can use any mp3 kit. c5200 and a1943 amplifier circuit diagram: see the transistor and circuit diagram of power amplifier a1943 / c5200 below: the power amplifier circuit diagram using c5200 and a1943 transistors is a class ab amplifier that operates with ±40vdc symmetrical voltage. On the input side, a signal is fed into the ic. C5200 Amplifier Circuit Diagram.
From userfixoster.z19.web.core.windows.net
Audio Amplifier Circuit Diagram Free Download C5200 Amplifier Circuit Diagram the power amplifier circuit diagram using c5200 and a1943 transistors is a class ab amplifier that operates with ±40vdc symmetrical voltage. in general, the c5200 transistor amplifier circuit diagram consists of two parts: 200k views 3 years ago #diyamplifier #sharetechcreative. C5200 and a1943 amplifier making: You can see the connections are easy to follow; All the components are. C5200 Amplifier Circuit Diagram.
From tronicspro.com
D718 B688 amplifier circuit diagrams TRONICSpro C5200 Amplifier Circuit Diagram Bd140 should be tightly attached. C5200 and a1943 amplifier making: This circuit can deliver an output power of. You can use any mp3 kit. On the input side, a signal is fed into the ic at the base. First, you will need a large heat sink which can accommodate 6 transistors. 200k views 3 years ago #diyamplifier #sharetechcreative. the. C5200 Amplifier Circuit Diagram.
From lifebeginsatforty40.blogspot.com
Life Begins at Forty C5200 + A1943 amplifier circuit C5200 Amplifier Circuit Diagram the power amplifier circuit diagram using c5200 and a1943 transistors is a class ab amplifier that operates with ±40vdc symmetrical voltage. 200k views 3 years ago #diyamplifier #sharetechcreative. You can see the connections are easy to follow; All the components are clearly labeled. You can use any mp3 kit. C5200 and a1943 amplifier making: the following circuit diagram. C5200 Amplifier Circuit Diagram.
From www.pinterest.com
C5200 A1943 Stereo Amplifier DIY Homemade TRONICSpro Stereo C5200 Amplifier Circuit Diagram see the transistor and circuit diagram of power amplifier a1943 / c5200 below: You can use any mp3 kit. in general, the c5200 transistor amplifier circuit diagram consists of two parts: On the input side, a signal is fed into the ic at the base. the following circuit diagram contains a powerful c5200 a1943 amplifier circuit and.. C5200 Amplifier Circuit Diagram.
From aedbaeddebbefddk.blogspot.com
2sc5200 C5200 Transistor Amplifier Circuit Diagram C5200 Amplifier Circuit Diagram in general, the c5200 transistor amplifier circuit diagram consists of two parts: C5200 and a1943 amplifier making: In today's video, the power amplifier using c5200 and a1943 transistors with. 200k views 3 years ago #diyamplifier #sharetechcreative. On the input side, a signal is fed into the ic at the base. Bd140 should be tightly attached. Following is the complete. C5200 Amplifier Circuit Diagram.
From www.pinterest.com
How to make High Power Simple Amplifier Using C5200 & A1943 Transistor C5200 Amplifier Circuit Diagram You can see the connections are easy to follow; the power amplifier circuit diagram using c5200 and a1943 transistors is a class ab amplifier that operates with ±40vdc symmetrical voltage. On the input side, a signal is fed into the ic at the base. Following is the complete circuit diagram based on the c5200 and a1943 transistors. see. C5200 Amplifier Circuit Diagram.
From www.youtube.com
How to make Class B Clear Sounds Amplifier C5200 and A1943 Transistors C5200 Amplifier Circuit Diagram in general, the c5200 transistor amplifier circuit diagram consists of two parts: You can see the connections are easy to follow; You can use any mp3 kit. On the input side, a signal is fed into the ic at the base. 200k views 3 years ago #diyamplifier #sharetechcreative. Following is the complete circuit diagram based on the c5200 and. C5200 Amplifier Circuit Diagram.
From www.circuitdiagram.co
C5200 Transistor Amplifier Circuit Diagram Circuit Diagram C5200 Amplifier Circuit Diagram You can see the connections are easy to follow; This circuit can deliver an output power of. On the input side, a signal is fed into the ic at the base. C5200 and a1943 amplifier making: You can use any mp3 kit. c5200 and a1943 amplifier circuit diagram: In today's video, the power amplifier using c5200 and a1943 transistors. C5200 Amplifier Circuit Diagram.
From tronicspro.com
C5200 A1943 TDA2030 Amplifier Electronics Projects TRONICSpro C5200 Amplifier Circuit Diagram First, you will need a large heat sink which can accommodate 6 transistors. C5200 and a1943 amplifier making: This circuit can deliver an output power of. You can use any mp3 kit. see the transistor and circuit diagram of power amplifier a1943 / c5200 below: Bd140 should be tightly attached. All the components are clearly labeled. You can see. C5200 Amplifier Circuit Diagram.
From tronicspro.com
DIY C5200 A1943 amplifier homemade TRONICSpro C5200 Amplifier Circuit Diagram You can see the connections are easy to follow; 200k views 3 years ago #diyamplifier #sharetechcreative. In today's video, the power amplifier using c5200 and a1943 transistors with. Bd140 should be tightly attached. c5200 and a1943 amplifier circuit diagram: see the transistor and circuit diagram of power amplifier a1943 / c5200 below: C5200 and a1943 amplifier making: . C5200 Amplifier Circuit Diagram.
From enginelibvanessa101.z19.web.core.windows.net
2sc5200 Audio Amplifier Circuit Diagram C5200 Amplifier Circuit Diagram Bd140 should be tightly attached. 200k views 3 years ago #diyamplifier #sharetechcreative. All the components are clearly labeled. You can see the connections are easy to follow; the following circuit diagram contains a powerful c5200 a1943 amplifier circuit and. in general, the c5200 transistor amplifier circuit diagram consists of two parts: Following is the complete circuit diagram based. C5200 Amplifier Circuit Diagram.