Parts Of A Chlorinator . In a direct feed chlorinator, the chlorine gas is under pressure and is pumped directly into the main flow of. If you cannot find the correct part. Air can enter your system from anywhere in the pool line and ultimately. You can find replacement parts for your chlorinator by identifying the make and model. Locate your brand or model of pool chlorinator, then use the key to identify which part you need to purchase. Turn off the power supply. Explore our extensive collection of chlorinator and brominator parts, essential for maintaining a clean and. A complete guide to your vi premium chlorinator.
from waterheatertimer.org
A complete guide to your vi premium chlorinator. Air can enter your system from anywhere in the pool line and ultimately. If you cannot find the correct part. Explore our extensive collection of chlorinator and brominator parts, essential for maintaining a clean and. You can find replacement parts for your chlorinator by identifying the make and model. Turn off the power supply. In a direct feed chlorinator, the chlorine gas is under pressure and is pumped directly into the main flow of. Locate your brand or model of pool chlorinator, then use the key to identify which part you need to purchase.
How to wire IntelliChlor salt chlorine generator
Parts Of A Chlorinator In a direct feed chlorinator, the chlorine gas is under pressure and is pumped directly into the main flow of. Locate your brand or model of pool chlorinator, then use the key to identify which part you need to purchase. In a direct feed chlorinator, the chlorine gas is under pressure and is pumped directly into the main flow of. You can find replacement parts for your chlorinator by identifying the make and model. A complete guide to your vi premium chlorinator. Turn off the power supply. If you cannot find the correct part. Explore our extensive collection of chlorinator and brominator parts, essential for maintaining a clean and. Air can enter your system from anywhere in the pool line and ultimately.
From ruchibigvai.blogspot.com
37+ Pentair Model 300 Chlorinator Parts RuchiBigvai Parts Of A Chlorinator If you cannot find the correct part. You can find replacement parts for your chlorinator by identifying the make and model. Explore our extensive collection of chlorinator and brominator parts, essential for maintaining a clean and. Locate your brand or model of pool chlorinator, then use the key to identify which part you need to purchase. In a direct feed. Parts Of A Chlorinator.
From www.purewatergazette.net
Pure Water Gazette » Simple Chlorination Unit Parts Of A Chlorinator Air can enter your system from anywhere in the pool line and ultimately. A complete guide to your vi premium chlorinator. Explore our extensive collection of chlorinator and brominator parts, essential for maintaining a clean and. Turn off the power supply. Locate your brand or model of pool chlorinator, then use the key to identify which part you need to. Parts Of A Chlorinator.
From intheswim.com
Hayward CL200 InLine and CL220, CL220ABG OffLine Chemical Feeder Parts Of A Chlorinator Air can enter your system from anywhere in the pool line and ultimately. A complete guide to your vi premium chlorinator. In a direct feed chlorinator, the chlorine gas is under pressure and is pumped directly into the main flow of. Turn off the power supply. Locate your brand or model of pool chlorinator, then use the key to identify. Parts Of A Chlorinator.
From www.poolzoom.com
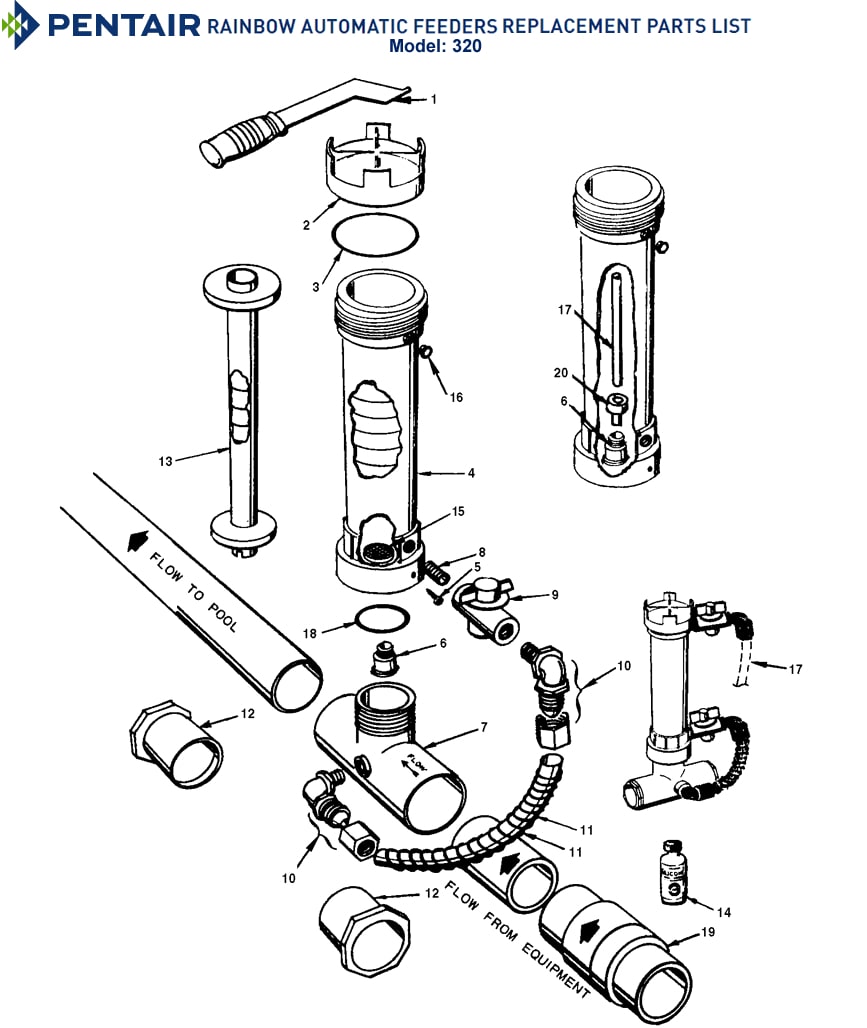
Pentair Rainbow Chlorinator Parts Model 320 Parts Of A Chlorinator Explore our extensive collection of chlorinator and brominator parts, essential for maintaining a clean and. In a direct feed chlorinator, the chlorine gas is under pressure and is pumped directly into the main flow of. Air can enter your system from anywhere in the pool line and ultimately. If you cannot find the correct part. Turn off the power supply.. Parts Of A Chlorinator.
From www.slideshare.net
Pentair 320 chlorinator manual Parts Of A Chlorinator Air can enter your system from anywhere in the pool line and ultimately. If you cannot find the correct part. Locate your brand or model of pool chlorinator, then use the key to identify which part you need to purchase. In a direct feed chlorinator, the chlorine gas is under pressure and is pumped directly into the main flow of.. Parts Of A Chlorinator.
From www.simplewatersofteners.com
Well Water Chlorination Systems Parts Of A Chlorinator A complete guide to your vi premium chlorinator. If you cannot find the correct part. Turn off the power supply. Air can enter your system from anywhere in the pool line and ultimately. You can find replacement parts for your chlorinator by identifying the make and model. Locate your brand or model of pool chlorinator, then use the key to. Parts Of A Chlorinator.
From www.getpoolparts.com
SaniKing PerformMax™ 940 960 980 Chlorinator Parts Parts Of A Chlorinator You can find replacement parts for your chlorinator by identifying the make and model. Air can enter your system from anywhere in the pool line and ultimately. Locate your brand or model of pool chlorinator, then use the key to identify which part you need to purchase. Turn off the power supply. A complete guide to your vi premium chlorinator.. Parts Of A Chlorinator.
From intheswim.com
BlueWhite A1N30A7T Flexflo Automatic Chlorinator Parts Discount Parts Of A Chlorinator Explore our extensive collection of chlorinator and brominator parts, essential for maintaining a clean and. You can find replacement parts for your chlorinator by identifying the make and model. In a direct feed chlorinator, the chlorine gas is under pressure and is pumped directly into the main flow of. Air can enter your system from anywhere in the pool line. Parts Of A Chlorinator.
From www.poolheatpumps.com
Swimming Pool Salt Water Chlorine Generators Chlorinators Parts Of A Chlorinator You can find replacement parts for your chlorinator by identifying the make and model. If you cannot find the correct part. Explore our extensive collection of chlorinator and brominator parts, essential for maintaining a clean and. Air can enter your system from anywhere in the pool line and ultimately. Turn off the power supply. A complete guide to your vi. Parts Of A Chlorinator.
From www.swimuniversity.com
Automatic Pool Chlorinators How Do They Work and Are They Worth It? Parts Of A Chlorinator Air can enter your system from anywhere in the pool line and ultimately. In a direct feed chlorinator, the chlorine gas is under pressure and is pumped directly into the main flow of. You can find replacement parts for your chlorinator by identifying the make and model. If you cannot find the correct part. Explore our extensive collection of chlorinator. Parts Of A Chlorinator.
From waterheatertimer.org
How to wire IntelliChlor salt chlorine generator Parts Of A Chlorinator Turn off the power supply. Explore our extensive collection of chlorinator and brominator parts, essential for maintaining a clean and. If you cannot find the correct part. Locate your brand or model of pool chlorinator, then use the key to identify which part you need to purchase. In a direct feed chlorinator, the chlorine gas is under pressure and is. Parts Of A Chlorinator.
From www.pinterest.com
Micro Salt Chlorinator Process Flow Pool installation, Saltwater pool Parts Of A Chlorinator A complete guide to your vi premium chlorinator. Turn off the power supply. Locate your brand or model of pool chlorinator, then use the key to identify which part you need to purchase. If you cannot find the correct part. Air can enter your system from anywhere in the pool line and ultimately. Explore our extensive collection of chlorinator and. Parts Of A Chlorinator.
From intheswim.com
Hayward CL200 Automatic Chlorinator Parts InLine InGround Feeder Parts Of A Chlorinator If you cannot find the correct part. In a direct feed chlorinator, the chlorine gas is under pressure and is pumped directly into the main flow of. A complete guide to your vi premium chlorinator. Explore our extensive collection of chlorinator and brominator parts, essential for maintaining a clean and. Locate your brand or model of pool chlorinator, then use. Parts Of A Chlorinator.
From shop.vivoaquatics.com
Rainbow Chlorinator Chlor 320 Parts Of A Chlorinator You can find replacement parts for your chlorinator by identifying the make and model. Locate your brand or model of pool chlorinator, then use the key to identify which part you need to purchase. A complete guide to your vi premium chlorinator. Explore our extensive collection of chlorinator and brominator parts, essential for maintaining a clean and. Air can enter. Parts Of A Chlorinator.
From www.poolcontractor.com
How Does a Swimming Pool Chlorinator Work? Parts Of A Chlorinator Explore our extensive collection of chlorinator and brominator parts, essential for maintaining a clean and. A complete guide to your vi premium chlorinator. Locate your brand or model of pool chlorinator, then use the key to identify which part you need to purchase. In a direct feed chlorinator, the chlorine gas is under pressure and is pumped directly into the. Parts Of A Chlorinator.
From www.riverpoolsandspas.com
What Is an Automatic Pool Chlorinator? Cost, Types, Pros, and Cons Parts Of A Chlorinator Air can enter your system from anywhere in the pool line and ultimately. Turn off the power supply. A complete guide to your vi premium chlorinator. In a direct feed chlorinator, the chlorine gas is under pressure and is pumped directly into the main flow of. Explore our extensive collection of chlorinator and brominator parts, essential for maintaining a clean. Parts Of A Chlorinator.
From intheswim.com
Hayward Chlorine Feeder Parts Parts For Hayward Cf Chlorinators In Parts Of A Chlorinator Explore our extensive collection of chlorinator and brominator parts, essential for maintaining a clean and. A complete guide to your vi premium chlorinator. Locate your brand or model of pool chlorinator, then use the key to identify which part you need to purchase. Air can enter your system from anywhere in the pool line and ultimately. You can find replacement. Parts Of A Chlorinator.
From www.getpoolparts.com
Hayward CL100 CL110 CL200 CL220 Series Chlorine Feeder Parts Parts Of A Chlorinator Locate your brand or model of pool chlorinator, then use the key to identify which part you need to purchase. Turn off the power supply. A complete guide to your vi premium chlorinator. Air can enter your system from anywhere in the pool line and ultimately. In a direct feed chlorinator, the chlorine gas is under pressure and is pumped. Parts Of A Chlorinator.
From azpoolparts.com
Chlorinators and Parts AZ Pool Parts Parts Of A Chlorinator Air can enter your system from anywhere in the pool line and ultimately. Turn off the power supply. Explore our extensive collection of chlorinator and brominator parts, essential for maintaining a clean and. In a direct feed chlorinator, the chlorine gas is under pressure and is pumped directly into the main flow of. If you cannot find the correct part.. Parts Of A Chlorinator.
From bestpoolshop.com
Chlorinators & Chlorinator Parts Parts Of A Chlorinator Explore our extensive collection of chlorinator and brominator parts, essential for maintaining a clean and. If you cannot find the correct part. Air can enter your system from anywhere in the pool line and ultimately. In a direct feed chlorinator, the chlorine gas is under pressure and is pumped directly into the main flow of. Turn off the power supply.. Parts Of A Chlorinator.
From www.doheny.com
Doheny's Automatic Inground Chlorinator/Brominator, FreeStanding Parts Parts Of A Chlorinator A complete guide to your vi premium chlorinator. In a direct feed chlorinator, the chlorine gas is under pressure and is pumped directly into the main flow of. Turn off the power supply. If you cannot find the correct part. Explore our extensive collection of chlorinator and brominator parts, essential for maintaining a clean and. Locate your brand or model. Parts Of A Chlorinator.
From www.doheny.com
InLine Chlorinator, New Style (2007 & Later) parts at Doheny's Parts Of A Chlorinator You can find replacement parts for your chlorinator by identifying the make and model. In a direct feed chlorinator, the chlorine gas is under pressure and is pumped directly into the main flow of. Explore our extensive collection of chlorinator and brominator parts, essential for maintaining a clean and. Air can enter your system from anywhere in the pool line. Parts Of A Chlorinator.
From www.well-water-report.com
Clean Well Water Report How To Use Chlorination Systems for Well Parts Of A Chlorinator Locate your brand or model of pool chlorinator, then use the key to identify which part you need to purchase. Air can enter your system from anywhere in the pool line and ultimately. If you cannot find the correct part. Turn off the power supply. In a direct feed chlorinator, the chlorine gas is under pressure and is pumped directly. Parts Of A Chlorinator.
From www.eztestpools.com
Custom Molded Products (CMP) Powerclean™ Ultra Chlorinators EZ Pool Parts Of A Chlorinator Explore our extensive collection of chlorinator and brominator parts, essential for maintaining a clean and. Turn off the power supply. You can find replacement parts for your chlorinator by identifying the make and model. In a direct feed chlorinator, the chlorine gas is under pressure and is pumped directly into the main flow of. Air can enter your system from. Parts Of A Chlorinator.
From www.doheny.com
Above Ground InLine Chlorinator parts at Doheny's Parts Of A Chlorinator You can find replacement parts for your chlorinator by identifying the make and model. Explore our extensive collection of chlorinator and brominator parts, essential for maintaining a clean and. A complete guide to your vi premium chlorinator. Locate your brand or model of pool chlorinator, then use the key to identify which part you need to purchase. Air can enter. Parts Of A Chlorinator.
From www.getpoolparts.com
Waterway InLine Chlorinator Parts Parts Of A Chlorinator Locate your brand or model of pool chlorinator, then use the key to identify which part you need to purchase. You can find replacement parts for your chlorinator by identifying the make and model. A complete guide to your vi premium chlorinator. In a direct feed chlorinator, the chlorine gas is under pressure and is pumped directly into the main. Parts Of A Chlorinator.
From www.poolzoom.com
Pentair Clean and Clear Plus Filter Parts Parts Of A Chlorinator In a direct feed chlorinator, the chlorine gas is under pressure and is pumped directly into the main flow of. Air can enter your system from anywhere in the pool line and ultimately. You can find replacement parts for your chlorinator by identifying the make and model. Locate your brand or model of pool chlorinator, then use the key to. Parts Of A Chlorinator.
From wasildragonl.blogspot.com
41 pool pump and filter diagram Diagram Online Source Parts Of A Chlorinator You can find replacement parts for your chlorinator by identifying the make and model. In a direct feed chlorinator, the chlorine gas is under pressure and is pumped directly into the main flow of. Air can enter your system from anywhere in the pool line and ultimately. Explore our extensive collection of chlorinator and brominator parts, essential for maintaining a. Parts Of A Chlorinator.
From www.poolzoom.com
Hayward Chlorinator Automatic Chlorination Solutions for Pools Parts Of A Chlorinator Turn off the power supply. If you cannot find the correct part. A complete guide to your vi premium chlorinator. Explore our extensive collection of chlorinator and brominator parts, essential for maintaining a clean and. Air can enter your system from anywhere in the pool line and ultimately. Locate your brand or model of pool chlorinator, then use the key. Parts Of A Chlorinator.
From issuu.com
RegalGasChlorinatorSulphonatorSwitchoverFlowDiagram by Aqua Parts Of A Chlorinator Explore our extensive collection of chlorinator and brominator parts, essential for maintaining a clean and. Air can enter your system from anywhere in the pool line and ultimately. Locate your brand or model of pool chlorinator, then use the key to identify which part you need to purchase. In a direct feed chlorinator, the chlorine gas is under pressure and. Parts Of A Chlorinator.
From www.inyopools.com
Jandy TruChlor Erosion Chlorine Feeder Inline Version Parts Parts Of A Chlorinator Turn off the power supply. Locate your brand or model of pool chlorinator, then use the key to identify which part you need to purchase. In a direct feed chlorinator, the chlorine gas is under pressure and is pumped directly into the main flow of. Air can enter your system from anywhere in the pool line and ultimately. A complete. Parts Of A Chlorinator.
From www.ereplacementparts.com
Hayward CL220 Parts List and Diagram Parts Of A Chlorinator Locate your brand or model of pool chlorinator, then use the key to identify which part you need to purchase. A complete guide to your vi premium chlorinator. If you cannot find the correct part. Explore our extensive collection of chlorinator and brominator parts, essential for maintaining a clean and. In a direct feed chlorinator, the chlorine gas is under. Parts Of A Chlorinator.
From design1systems.com
Exploring the Inner Workings of the Pentair 320 Chlorinator A Parts Of A Chlorinator Explore our extensive collection of chlorinator and brominator parts, essential for maintaining a clean and. In a direct feed chlorinator, the chlorine gas is under pressure and is pumped directly into the main flow of. Turn off the power supply. If you cannot find the correct part. Locate your brand or model of pool chlorinator, then use the key to. Parts Of A Chlorinator.
From intheswim.com
Parts For Rainbow Chlorinators Rainbow 320 Chlorinator Parts In The Parts Of A Chlorinator Turn off the power supply. If you cannot find the correct part. Explore our extensive collection of chlorinator and brominator parts, essential for maintaining a clean and. A complete guide to your vi premium chlorinator. You can find replacement parts for your chlorinator by identifying the make and model. Air can enter your system from anywhere in the pool line. Parts Of A Chlorinator.
From www.pinterest.com
Chlorinator Injection Diagram Water Treatment Pinterest Water Parts Of A Chlorinator Turn off the power supply. If you cannot find the correct part. A complete guide to your vi premium chlorinator. Locate your brand or model of pool chlorinator, then use the key to identify which part you need to purchase. In a direct feed chlorinator, the chlorine gas is under pressure and is pumped directly into the main flow of.. Parts Of A Chlorinator.