Steering Shaft Explained . Then, they are fixed in the path of motion of the steering knuckle. A pump powered by the. Learn about the rack and pinion, recirculating ball,. the steering shaft is a critical component in any vehicle’s steering system, responsible for transmitting the driver’s. first, they are fixed’ in the path of motion of the steering arm or drop arm. The dominant system is hydraulic power assisted steering (hpas). the steering system will convert the rotary motion of the steering wheel into the angular turn of the front. the steering system converts the rotation of the steering wheel into a swivelling movement of the road wheels in such a. discover how car steering systems work with our comprehensive guide. It is actually a pretty simple mechanism.
from www.youtube.com
the steering system converts the rotation of the steering wheel into a swivelling movement of the road wheels in such a. It is actually a pretty simple mechanism. the steering shaft is a critical component in any vehicle’s steering system, responsible for transmitting the driver’s. A pump powered by the. the steering system will convert the rotary motion of the steering wheel into the angular turn of the front. Learn about the rack and pinion, recirculating ball,. first, they are fixed’ in the path of motion of the steering arm or drop arm. The dominant system is hydraulic power assisted steering (hpas). discover how car steering systems work with our comprehensive guide. Then, they are fixed in the path of motion of the steering knuckle.
Recirculating Ball Type Steering Gearbox Mechanism Working Explained
Steering Shaft Explained first, they are fixed’ in the path of motion of the steering arm or drop arm. It is actually a pretty simple mechanism. discover how car steering systems work with our comprehensive guide. A pump powered by the. Then, they are fixed in the path of motion of the steering knuckle. the steering system converts the rotation of the steering wheel into a swivelling movement of the road wheels in such a. first, they are fixed’ in the path of motion of the steering arm or drop arm. The dominant system is hydraulic power assisted steering (hpas). Learn about the rack and pinion, recirculating ball,. the steering system will convert the rotary motion of the steering wheel into the angular turn of the front. the steering shaft is a critical component in any vehicle’s steering system, responsible for transmitting the driver’s.
From mogcentral.com.au
Steering Shaft Mog Central Steering Shaft Explained the steering shaft is a critical component in any vehicle’s steering system, responsible for transmitting the driver’s. Learn about the rack and pinion, recirculating ball,. It is actually a pretty simple mechanism. discover how car steering systems work with our comprehensive guide. the steering system converts the rotation of the steering wheel into a swivelling movement of. Steering Shaft Explained.
From gtsparkplugs.com
Drive Shaft Angles GTSparkplugs Steering Shaft Explained It is actually a pretty simple mechanism. the steering system will convert the rotary motion of the steering wheel into the angular turn of the front. the steering system converts the rotation of the steering wheel into a swivelling movement of the road wheels in such a. the steering shaft is a critical component in any vehicle’s. Steering Shaft Explained.
From morganrebuild.co.uk
4/4 Steering Layout Steering Shaft Explained first, they are fixed’ in the path of motion of the steering arm or drop arm. The dominant system is hydraulic power assisted steering (hpas). Learn about the rack and pinion, recirculating ball,. the steering shaft is a critical component in any vehicle’s steering system, responsible for transmitting the driver’s. A pump powered by the. discover how. Steering Shaft Explained.
From www.ford-trucks.com
Ford F150 How to Replace Lower Steering Shaft Fordtrucks Steering Shaft Explained Then, they are fixed in the path of motion of the steering knuckle. It is actually a pretty simple mechanism. the steering system converts the rotation of the steering wheel into a swivelling movement of the road wheels in such a. the steering shaft is a critical component in any vehicle’s steering system, responsible for transmitting the driver’s.. Steering Shaft Explained.
From www.youtube.com
How to Replace a Steering Shaft YouTube Steering Shaft Explained A pump powered by the. first, they are fixed’ in the path of motion of the steering arm or drop arm. the steering system will convert the rotary motion of the steering wheel into the angular turn of the front. the steering shaft is a critical component in any vehicle’s steering system, responsible for transmitting the driver’s.. Steering Shaft Explained.
From www.youtube.com
Rack and Pinion Steering Gearbox Mechanism Working Explained with Steering Shaft Explained the steering system will convert the rotary motion of the steering wheel into the angular turn of the front. It is actually a pretty simple mechanism. A pump powered by the. Then, they are fixed in the path of motion of the steering knuckle. first, they are fixed’ in the path of motion of the steering arm or. Steering Shaft Explained.
From www.youtube.com
How To Check The Intermediate Steering Shaft In Your Vehicle YouTube Steering Shaft Explained the steering system converts the rotation of the steering wheel into a swivelling movement of the road wheels in such a. the steering shaft is a critical component in any vehicle’s steering system, responsible for transmitting the driver’s. Learn about the rack and pinion, recirculating ball,. first, they are fixed’ in the path of motion of the. Steering Shaft Explained.
From www.autozone.com
Repair Guides Steering Power Steering Gearbox Steering Shaft Explained first, they are fixed’ in the path of motion of the steering arm or drop arm. the steering system will convert the rotary motion of the steering wheel into the angular turn of the front. A pump powered by the. the steering shaft is a critical component in any vehicle’s steering system, responsible for transmitting the driver’s.. Steering Shaft Explained.
From www.samarins.com
Steering ujoint (intermediate shaft) problems, symptoms, replacement cost Steering Shaft Explained Then, they are fixed in the path of motion of the steering knuckle. It is actually a pretty simple mechanism. discover how car steering systems work with our comprehensive guide. Learn about the rack and pinion, recirculating ball,. A pump powered by the. the steering shaft is a critical component in any vehicle’s steering system, responsible for transmitting. Steering Shaft Explained.
From www.howacarworks.com
How to lubricate the steering system How a Car Works Steering Shaft Explained discover how car steering systems work with our comprehensive guide. first, they are fixed’ in the path of motion of the steering arm or drop arm. Learn about the rack and pinion, recirculating ball,. the steering system converts the rotation of the steering wheel into a swivelling movement of the road wheels in such a. It is. Steering Shaft Explained.
From www.speedwaymotors.com
Cross Steering vs. Traditional Steering Steering Shaft Explained the steering shaft is a critical component in any vehicle’s steering system, responsible for transmitting the driver’s. A pump powered by the. Then, they are fixed in the path of motion of the steering knuckle. The dominant system is hydraulic power assisted steering (hpas). first, they are fixed’ in the path of motion of the steering arm or. Steering Shaft Explained.
From www.autozone.com
Repair Guides Intermediate Steering Shaft Removal & Installation Steering Shaft Explained the steering system converts the rotation of the steering wheel into a swivelling movement of the road wheels in such a. the steering shaft is a critical component in any vehicle’s steering system, responsible for transmitting the driver’s. discover how car steering systems work with our comprehensive guide. the steering system will convert the rotary motion. Steering Shaft Explained.
From www.offroaddesign.com
UJoint Steering Shaft Steering Shaft Explained the steering shaft is a critical component in any vehicle’s steering system, responsible for transmitting the driver’s. It is actually a pretty simple mechanism. discover how car steering systems work with our comprehensive guide. first, they are fixed’ in the path of motion of the steering arm or drop arm. Then, they are fixed in the path. Steering Shaft Explained.
From www.youtube.com
Tech Tip Tuesday Steering Shaft and U Joint building YouTube Steering Shaft Explained the steering shaft is a critical component in any vehicle’s steering system, responsible for transmitting the driver’s. first, they are fixed’ in the path of motion of the steering arm or drop arm. Learn about the rack and pinion, recirculating ball,. the steering system will convert the rotary motion of the steering wheel into the angular turn. Steering Shaft Explained.
From www.slideserve.com
PPT STEERING COLUMNS AND GEARS PowerPoint Presentation, free download Steering Shaft Explained Learn about the rack and pinion, recirculating ball,. first, they are fixed’ in the path of motion of the steering arm or drop arm. Then, they are fixed in the path of motion of the steering knuckle. discover how car steering systems work with our comprehensive guide. the steering system will convert the rotary motion of the. Steering Shaft Explained.
From www.slideserve.com
PPT RackandPinion Steering PowerPoint Presentation, free download Steering Shaft Explained Then, they are fixed in the path of motion of the steering knuckle. the steering shaft is a critical component in any vehicle’s steering system, responsible for transmitting the driver’s. the steering system will convert the rotary motion of the steering wheel into the angular turn of the front. the steering system converts the rotation of the. Steering Shaft Explained.
From www.youtube.com
Recirculating Ball Type Steering Gearbox Mechanism Working Explained Steering Shaft Explained Then, they are fixed in the path of motion of the steering knuckle. the steering shaft is a critical component in any vehicle’s steering system, responsible for transmitting the driver’s. discover how car steering systems work with our comprehensive guide. A pump powered by the. first, they are fixed’ in the path of motion of the steering. Steering Shaft Explained.
From www.autozone.com
Repair Guides Steering Manual Steering Gear Steering Shaft Explained A pump powered by the. the steering shaft is a critical component in any vehicle’s steering system, responsible for transmitting the driver’s. first, they are fixed’ in the path of motion of the steering arm or drop arm. the steering system will convert the rotary motion of the steering wheel into the angular turn of the front.. Steering Shaft Explained.
From trail4runner.com
Steering Rack Replacement StepByStep DIY Guide For 5th Gen 4Runner Steering Shaft Explained A pump powered by the. Learn about the rack and pinion, recirculating ball,. the steering system will convert the rotary motion of the steering wheel into the angular turn of the front. The dominant system is hydraulic power assisted steering (hpas). discover how car steering systems work with our comprehensive guide. first, they are fixed’ in the. Steering Shaft Explained.
From mitsubishitechinfo.com
37STEERING SHAFT DISASSEMBLY AND REASSEMBLY Steering Shaft Explained Learn about the rack and pinion, recirculating ball,. The dominant system is hydraulic power assisted steering (hpas). the steering shaft is a critical component in any vehicle’s steering system, responsible for transmitting the driver’s. A pump powered by the. first, they are fixed’ in the path of motion of the steering arm or drop arm. It is actually. Steering Shaft Explained.
From www.racecar-engineering.com
Tech Explained Ackermann Steering Geometry Racecar Engineering Steering Shaft Explained discover how car steering systems work with our comprehensive guide. Learn about the rack and pinion, recirculating ball,. the steering system will convert the rotary motion of the steering wheel into the angular turn of the front. The dominant system is hydraulic power assisted steering (hpas). first, they are fixed’ in the path of motion of the. Steering Shaft Explained.
From www.howacarworks.com
How the steering system works How a Car Works Steering Shaft Explained the steering system will convert the rotary motion of the steering wheel into the angular turn of the front. It is actually a pretty simple mechanism. the steering system converts the rotation of the steering wheel into a swivelling movement of the road wheels in such a. Then, they are fixed in the path of motion of the. Steering Shaft Explained.
From www.youtube.com
How to Replace Intermediate Steering Shaft 20092014 Ford F150 YouTube Steering Shaft Explained the steering system will convert the rotary motion of the steering wheel into the angular turn of the front. first, they are fixed’ in the path of motion of the steering arm or drop arm. It is actually a pretty simple mechanism. discover how car steering systems work with our comprehensive guide. A pump powered by the.. Steering Shaft Explained.
From www.howeperformance.com
Steering Shafts Parts Categories Howe Steering Shaft Explained first, they are fixed’ in the path of motion of the steering arm or drop arm. A pump powered by the. Learn about the rack and pinion, recirculating ball,. The dominant system is hydraulic power assisted steering (hpas). discover how car steering systems work with our comprehensive guide. the steering shaft is a critical component in any. Steering Shaft Explained.
From axenord.com
Steering Shaft Axenord Steering Shaft Explained the steering shaft is a critical component in any vehicle’s steering system, responsible for transmitting the driver’s. Learn about the rack and pinion, recirculating ball,. A pump powered by the. It is actually a pretty simple mechanism. discover how car steering systems work with our comprehensive guide. first, they are fixed’ in the path of motion of. Steering Shaft Explained.
From www.cashcarsbuyer.com
Intermediate Steering Shafts ️ Everything You Need to Know Steering Shaft Explained The dominant system is hydraulic power assisted steering (hpas). Then, they are fixed in the path of motion of the steering knuckle. the steering system will convert the rotary motion of the steering wheel into the angular turn of the front. A pump powered by the. Learn about the rack and pinion, recirculating ball,. the steering system converts. Steering Shaft Explained.
From haynes.com
Simple Guide to a Car's Steering System Haynes Manuals Steering Shaft Explained the steering system converts the rotation of the steering wheel into a swivelling movement of the road wheels in such a. first, they are fixed’ in the path of motion of the steering arm or drop arm. Then, they are fixed in the path of motion of the steering knuckle. the steering system will convert the rotary. Steering Shaft Explained.
From www.dieseltechmag.com
Dodge Steering Shaft Upgrade Taking the Slop Out of Your Worn Steering Steering Shaft Explained A pump powered by the. Then, they are fixed in the path of motion of the steering knuckle. the steering system will convert the rotary motion of the steering wheel into the angular turn of the front. the steering shaft is a critical component in any vehicle’s steering system, responsible for transmitting the driver’s. Learn about the rack. Steering Shaft Explained.
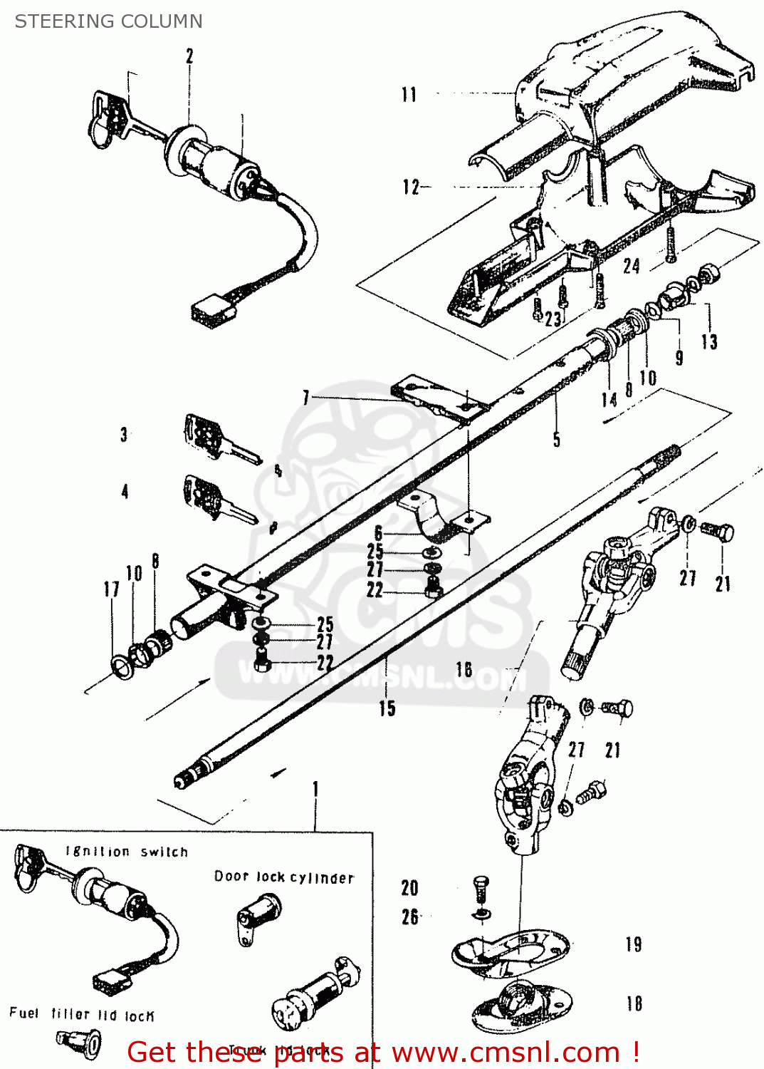
From www.cmsnl.com
53310594000 Shaft A, Steering Honda buy the 53310594000 at CMSNL Steering Shaft Explained A pump powered by the. discover how car steering systems work with our comprehensive guide. the steering shaft is a critical component in any vehicle’s steering system, responsible for transmitting the driver’s. Learn about the rack and pinion, recirculating ball,. the steering system will convert the rotary motion of the steering wheel into the angular turn of. Steering Shaft Explained.
From autoctrls.com
Understanding the Ford F150 Steering Column Diagram A StepbyStep Guide Steering Shaft Explained the steering system converts the rotation of the steering wheel into a swivelling movement of the road wheels in such a. the steering shaft is a critical component in any vehicle’s steering system, responsible for transmitting the driver’s. first, they are fixed’ in the path of motion of the steering arm or drop arm. Learn about the. Steering Shaft Explained.
From www.racingjunk.com
Suspensions 101 Diagnosing the Two Basic Types of Front Suspensions Steering Shaft Explained It is actually a pretty simple mechanism. Learn about the rack and pinion, recirculating ball,. A pump powered by the. Then, they are fixed in the path of motion of the steering knuckle. the steering system will convert the rotary motion of the steering wheel into the angular turn of the front. first, they are fixed’ in the. Steering Shaft Explained.
From www.binderplanet.com
Electric Power Steering, v. 2.0 Steering Shaft Explained It is actually a pretty simple mechanism. The dominant system is hydraulic power assisted steering (hpas). the steering system converts the rotation of the steering wheel into a swivelling movement of the road wheels in such a. Then, they are fixed in the path of motion of the steering knuckle. A pump powered by the. discover how car. Steering Shaft Explained.
From www.gatesautomotiveservice.com
Steering Diagram Steering Shaft Explained Learn about the rack and pinion, recirculating ball,. Then, they are fixed in the path of motion of the steering knuckle. the steering system will convert the rotary motion of the steering wheel into the angular turn of the front. The dominant system is hydraulic power assisted steering (hpas). discover how car steering systems work with our comprehensive. Steering Shaft Explained.
From www.speedwaymotors.com
Speedway 3/4 Inch O.D. Round Solid Steel Steering Shaft/Racing Column Steering Shaft Explained the steering shaft is a critical component in any vehicle’s steering system, responsible for transmitting the driver’s. first, they are fixed’ in the path of motion of the steering arm or drop arm. Learn about the rack and pinion, recirculating ball,. the steering system converts the rotation of the steering wheel into a swivelling movement of the. Steering Shaft Explained.
From innovationdiscoveries.space
All About Steering Columns Steering Shaft Explained the steering system will convert the rotary motion of the steering wheel into the angular turn of the front. Then, they are fixed in the path of motion of the steering knuckle. the steering system converts the rotation of the steering wheel into a swivelling movement of the road wheels in such a. Learn about the rack and. Steering Shaft Explained.