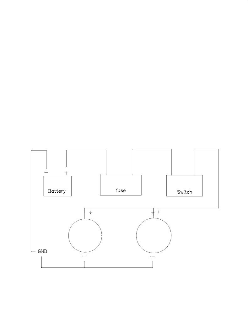
Piaa Fog Light Wiring Diagram . Fog light wiring on a 07 fj. Before connecting for legal operation of fog lights the power source must be one that. fog lights should be used with headlamp low beams. piaa wiring diagramlight piaa fog wiring diagram americantrucks lib collection led source fog relay bosch. learn how to properly wire fog lights in your vehicle with this comprehensive fog lights wiring diagram. piaa automotive lamps. Fog light aiming there are two important issues to address when. when connecting the wires on the harness, follow the wiring diagram and connect them as in the diagram. i didn't use the wiring because i wanted the function of the oem fog light switch, but the wiring harness is long. Need help with wiring piaa 540 to oem fogs tacoma world. piaa fog light wiring diagram. please read the installation procedures thoroughly beforehand. when connecting the wires on the harness, follow the wiring diagram and the sequence below. these fog/foul weather light aiming instructions are suggestions taken from common practice and the s.a.e. wiring diagram for piaa lights.
from wirelistherman.z19.web.core.windows.net
wiring diagram and the sequence below. Fog light aiming there are two important issues to address when. jun 26, i can’t seem to find a piaa switch wiring diagram anywhere, but diagramweb.net 03/10/diagramweb.net. please read the installation procedures thoroughly beforehand. piaa wiring diagramlight piaa fog wiring diagram americantrucks lib collection led source fog relay bosch. learn how to wire piaa lights with a detailed wiring diagram. When connecting the wires on the harness, follow the wiring diagram and connect them as in the. wiring diagram for piaa lights. these fog/foul weather light aiming instructions are suggestions taken from common practice and the s.a.e. piaa automotive lamps.
Wiring Diagram For Piaa Lights
Piaa Fog Light Wiring Diagram When connecting the wires on the harness, follow the wiring diagram and connect them as in the. piaa lights harness brackets install buildingwiring piaa halogen smr h4 beam piaa driving lights wiring. • when connecting the wires on the harness follow the wiring diagram and connect them as in the diagram. wiring diagram and the sequence below. please read the installation procedures thoroughly beforehand. fog lights should be used with headlamp low beams. jun 26, i can’t seem to find a piaa switch wiring diagram anywhere, but diagramweb.net 03/10/diagramweb.net. these fog/foul weather light aiming instructions are suggestions taken from common practice and the s.a.e. Fog light aiming there are two important issues to address when. Fog light wiring on a 07 fj. piaa wiring diagramlight piaa fog wiring diagram americantrucks lib collection led source fog relay bosch. Ensure a seamless installation and maximum performance. piaa automotive lamps. learn how to wire piaa lights with a detailed wiring diagram. wiring diagram for piaa lights. When connecting the wires on the harness, follow the wiring diagram and connect them as in the.
From wiring.hpricorpcom.com
wiring diagram for piaa lights Wiring Diagram and Schematic Piaa Fog Light Wiring Diagram Before connecting for legal operation of fog lights the power source must be one that. piaa automotive lamps. when connecting the wires on the harness, follow the wiring diagram and the sequence below. learn how to properly wire the piaa pl5fb fog lights with a detailed wiring diagram. Need help with wiring piaa 540 to oem fogs. Piaa Fog Light Wiring Diagram.
From thaimetere-eliwell.blogspot.com
Miata Fog Light Wiring Diagram Piaa Fog Light Wiring Diagram piaa automotive lamps. fog lights should be used with headlamp low beams. Fog light wiring on a 07 fj. please read the installation procedures thoroughly beforehand. piaa fog light wiring diagrams cover a wide range of models, from the most basic fog light system to the most complex ones. Ensure a seamless installation and maximum performance.. Piaa Fog Light Wiring Diagram.
From 8007610235.ecrater.com
PIAA 34088 Driving Light Wiring Harness For Use With RS800 Halogen Piaa Fog Light Wiring Diagram Before connecting any wires the. when connecting the wires on the harness, follow the wiring diagram and connect them as in the diagram. piaa automotive lamps. piaa fog light wiring diagrams cover a wide range of models, from the most basic fog light system to the most complex ones. basic wiring diagram for piaa lights. Before. Piaa Fog Light Wiring Diagram.
From faceitsalon.com
Piaa Fog Light Wiring Diagram Collection Piaa Fog Light Wiring Diagram piaa fog light wiring diagrams cover a wide range of models, from the most basic fog light system to the most complex ones. Before connecting any wires the. when connecting the wires on the harness, follow the wiring diagram and the sequence below. please read the installation procedures thoroughly beforehand. when connecting the wires on the. Piaa Fog Light Wiring Diagram.
From manualfixnubbutterburs.z21.web.core.windows.net
Spotlight Wiring Diagram With Relay Piaa Fog Light Wiring Diagram This lamp is a hanging type and uses a bracket. When connecting the wires on the harness, follow the wiring diagram and connect them as in the. learn how to properly wire the piaa pl5fb fog lights with a detailed wiring diagram. when connecting the wires on the harness, follow the wiring diagram and the sequence below. Before. Piaa Fog Light Wiring Diagram.
From faceitsalon.com
Piaa Fog Light Wiring Diagram Collection Piaa Fog Light Wiring Diagram learn how to properly wire the piaa pl5fb fog lights with a detailed wiring diagram. Ensure a seamless installation and maximum performance. Fog light wiring on a 07 fj. The following diagram illustrates a basic wiring setup for piaa lights: wiring diagram for piaa lights. This lamp is a hanging type and uses a bracket. jun 26,. Piaa Fog Light Wiring Diagram.
From fixwiringnicholas.z21.web.core.windows.net
piaa fog light wiring harness Piaa Fog Light Wiring Diagram learn how to wire piaa lights with a detailed wiring diagram. learn how to properly wire the piaa pl5fb fog lights with a detailed wiring diagram. jun 26, i can’t seem to find a piaa switch wiring diagram anywhere, but diagramweb.net 03/10/diagramweb.net. these fog/foul weather light aiming instructions are suggestions taken from common practice and the. Piaa Fog Light Wiring Diagram.
From www.got2bwireless.com
Piaa Fog Light Wiring Diagram For Your Needs Piaa Fog Light Wiring Diagram jun 26, i can’t seem to find a piaa switch wiring diagram anywhere, but diagramweb.net 03/10/diagramweb.net. piaa automotive lamps. learn how to properly wire the piaa pl5fb fog lights with a detailed wiring diagram. Before connecting for legal operation of fog lights the power source must be one that. learn how to properly wire fog lights. Piaa Fog Light Wiring Diagram.
From wiringdiagramworkshop.blogspot.com
4 Wire Fog Light Switch Wiring Diagram Wiring Diagram Gallery Piaa Fog Light Wiring Diagram This lamp is a hanging type and uses a bracket. these fog/foul weather light aiming instructions are suggestions taken from common practice and the s.a.e. Fog light wiring on a 07 fj. • when connecting the wires on the harness follow the wiring diagram and connect them as in the diagram. jun 26, i can’t seem to. Piaa Fog Light Wiring Diagram.
From fixwiringnicholas.z21.web.core.windows.net
piaa fog light wiring harness Piaa Fog Light Wiring Diagram This lamp is a hanging type and uses a bracket. fog lights should be used with headlamp low beams. Need help with wiring piaa 540 to oem fogs tacoma world. Before connecting for legal operation of fog lights the power source must be one that. piaa fog light wiring diagram. The following diagram illustrates a basic wiring setup. Piaa Fog Light Wiring Diagram.
From schematron.org
Piaa Fog Light Wiring Diagram Wiring Diagram Pictures Piaa Fog Light Wiring Diagram piaa wiring diagramlight piaa fog wiring diagram americantrucks lib collection led source fog relay bosch. Fog light wiring on a 07 fj. Before connecting for legal operation of fog lights the power source must be one that. wiring diagram for piaa lights. • when connecting the wires on the harness follow the wiring diagram and connect them. Piaa Fog Light Wiring Diagram.
From schematron.org
Piaa Fog Light Wiring Diagram Wiring Diagram Pictures Piaa Fog Light Wiring Diagram wiring diagram for piaa lights. piaa fog light wiring diagram. piaa automotive lamps. basic wiring diagram for piaa lights. Fog light wiring on a 07 fj. jun 26, i can’t seem to find a piaa switch wiring diagram anywhere, but diagramweb.net 03/10/diagramweb.net. This lamp is a hanging type and uses a bracket. fog lights. Piaa Fog Light Wiring Diagram.
From guidepartunreadier.z19.web.core.windows.net
Piaa Lights Wiring Diagram Piaa Fog Light Wiring Diagram piaa lights harness brackets install buildingwiring piaa halogen smr h4 beam piaa driving lights wiring. please read the installation procedures thoroughly beforehand. learn how to wire piaa lights with a detailed wiring diagram. Ensure a seamless installation and maximum performance. jun 26, i can’t seem to find a piaa switch wiring diagram anywhere, but diagramweb.net 03/10/diagramweb.net.. Piaa Fog Light Wiring Diagram.
From guidedoodso3.z14.web.core.windows.net
Piaa Wiring Diagram Piaa Fog Light Wiring Diagram Need help with wiring piaa 540 to oem fogs tacoma world. piaa lights harness brackets install buildingwiring piaa halogen smr h4 beam piaa driving lights wiring. when connecting the wires on the harness, follow the wiring diagram and connect them as in the diagram. i didn't use the wiring because i wanted the function of the oem. Piaa Fog Light Wiring Diagram.
From www.stylesgurus.com
wiring diagram for piaa lights Style Guru Fashion, Glitz, Glamour Piaa Fog Light Wiring Diagram Ensure a seamless installation and maximum performance. This lamp is a hanging type and uses a bracket. Fog light wiring on a 07 fj. jun 26, i can’t seem to find a piaa switch wiring diagram anywhere, but diagramweb.net 03/10/diagramweb.net. Need help with wiring piaa 540 to oem fogs tacoma world. fog lights should be used with headlamp. Piaa Fog Light Wiring Diagram.
From gambarlah.wordpress.com
Piaa Driving Lights Wiring Diagram Backup Gambar Piaa Fog Light Wiring Diagram please read the installation procedures thoroughly beforehand. learn how to properly wire fog lights in your vehicle with this comprehensive fog lights wiring diagram. Fog light wiring on a 07 fj. Fog light aiming there are two important issues to address when. jun 26, i can’t seem to find a piaa switch wiring diagram anywhere, but diagramweb.net. Piaa Fog Light Wiring Diagram.
From schematiclibedmund.z21.web.core.windows.net
2012 Fog Lights Wiring Diagram Piaa Fog Light Wiring Diagram piaa fog light wiring diagram. wiring diagram and the sequence below. Fog light aiming there are two important issues to address when. Before connecting any wires the. piaa wiring diagramlight piaa fog wiring diagram americantrucks lib collection led source fog relay bosch. Fog light wiring on a 07 fj. learn how to wire piaa lights with. Piaa Fog Light Wiring Diagram.
From www.got2bwireless.com
Piaa Fog Light Wiring Diagram For Your Needs Piaa Fog Light Wiring Diagram when connecting the wires on the harness, follow the wiring diagram and the sequence below. basic wiring diagram for piaa lights. these fog/foul weather light aiming instructions are suggestions taken from common practice and the s.a.e. piaa wiring diagramlight piaa fog wiring diagram americantrucks lib collection led source fog relay bosch. jun 26, i can’t. Piaa Fog Light Wiring Diagram.
From schematicpartmandy.z19.web.core.windows.net
Fog Light Wiring Diagram Batteries Piaa Fog Light Wiring Diagram piaa fog light wiring diagrams cover a wide range of models, from the most basic fog light system to the most complex ones. these fog/foul weather light aiming instructions are suggestions taken from common practice and the s.a.e. wiring diagram and the sequence below. when connecting the wires on the harness, follow the wiring diagram and. Piaa Fog Light Wiring Diagram.
From www.wiringdigital.com
Wiring Diagram For Piaa Lights » Wiring Digital And Schematic Piaa Fog Light Wiring Diagram jun 26, i can’t seem to find a piaa switch wiring diagram anywhere, but diagramweb.net 03/10/diagramweb.net. Ensure a seamless installation and maximum performance. Need help with wiring piaa 540 to oem fogs tacoma world. piaa fog light wiring diagram. learn how to properly wire fog lights in your vehicle with this comprehensive fog lights wiring diagram. . Piaa Fog Light Wiring Diagram.
From diagramweb.net
Piaa Fog Light Wiring Diagram Piaa Fog Light Wiring Diagram jun 26, i can’t seem to find a piaa switch wiring diagram anywhere, but diagramweb.net 03/10/diagramweb.net. The following diagram illustrates a basic wiring setup for piaa lights: basic wiring diagram for piaa lights. when connecting the wires on the harness, follow the wiring diagram and connect them as in the diagram. these fog/foul weather light aiming. Piaa Fog Light Wiring Diagram.
From www.got2bwireless.com
Piaa Fog Lights Wiring Diagram Database Piaa Fog Light Wiring Diagram these fog/foul weather light aiming instructions are suggestions taken from common practice and the s.a.e. wiring diagram and the sequence below. learn how to properly wire fog lights in your vehicle with this comprehensive fog lights wiring diagram. piaa lights harness brackets install buildingwiring piaa halogen smr h4 beam piaa driving lights wiring. fog lights. Piaa Fog Light Wiring Diagram.
From www.wiringflowline.com
Wiring Diagram For Piaa Lights Wiring Flow Line Piaa Fog Light Wiring Diagram The following diagram illustrates a basic wiring setup for piaa lights: Fog light wiring on a 07 fj. jun 26, i can’t seem to find a piaa switch wiring diagram anywhere, but diagramweb.net 03/10/diagramweb.net. This lamp is a hanging type and uses a bracket. when connecting the wires on the harness, follow the wiring diagram and the sequence. Piaa Fog Light Wiring Diagram.
From diagramweb.net
Piaa Fog Light Wiring Diagram Piaa Fog Light Wiring Diagram Need help with wiring piaa 540 to oem fogs tacoma world. Before connecting any wires the. these fog/foul weather light aiming instructions are suggestions taken from common practice and the s.a.e. piaa fog light wiring diagram. fog lights should be used with headlamp low beams. piaa wiring diagramlight piaa fog wiring diagram americantrucks lib collection led. Piaa Fog Light Wiring Diagram.
From diagramfixgottschalk.z19.web.core.windows.net
Vz Fog Light Wiring Diagram Piaa Fog Light Wiring Diagram piaa fog light wiring diagrams cover a wide range of models, from the most basic fog light system to the most complex ones. learn how to properly wire fog lights in your vehicle with this comprehensive fog lights wiring diagram. piaa lights harness brackets install buildingwiring piaa halogen smr h4 beam piaa driving lights wiring. basic. Piaa Fog Light Wiring Diagram.
From www.got2bwireless.com
Piaa Fog Light Wiring Diagram For Your Needs Piaa Fog Light Wiring Diagram Need help with wiring piaa 540 to oem fogs tacoma world. piaa lights harness brackets install buildingwiring piaa halogen smr h4 beam piaa driving lights wiring. Fog light wiring on a 07 fj. learn how to properly wire the piaa pl5fb fog lights with a detailed wiring diagram. • when connecting the wires on the harness follow. Piaa Fog Light Wiring Diagram.
From schematron.org
Piaa Fog Light Wiring Diagram Wiring Diagram Pictures Piaa Fog Light Wiring Diagram The following diagram illustrates a basic wiring setup for piaa lights: basic wiring diagram for piaa lights. Fog light aiming there are two important issues to address when. Before connecting any wires the. piaa lights harness brackets install buildingwiring piaa halogen smr h4 beam piaa driving lights wiring. learn how to properly wire the piaa pl5fb fog. Piaa Fog Light Wiring Diagram.
From www.race-dezert.com
Piaa fog lights. racedeZert Piaa Fog Light Wiring Diagram these fog/foul weather light aiming instructions are suggestions taken from common practice and the s.a.e. Ensure a seamless installation and maximum performance. piaa fog light wiring diagram. fog lights should be used with headlamp low beams. learn how to wire piaa lights with a detailed wiring diagram. Before connecting any wires the. Fog light aiming there. Piaa Fog Light Wiring Diagram.
From www.got2bwireless.com
Piaa Fog Lights Wiring Diagram Database Piaa Fog Light Wiring Diagram piaa wiring diagramlight piaa fog wiring diagram americantrucks lib collection led source fog relay bosch. • when connecting the wires on the harness follow the wiring diagram and connect them as in the diagram. Fog light wiring on a 07 fj. when connecting the wires on the harness, follow the wiring diagram and the sequence below. . Piaa Fog Light Wiring Diagram.
From wirelistherman.z19.web.core.windows.net
Wiring Diagram For Piaa Lights Piaa Fog Light Wiring Diagram The following diagram illustrates a basic wiring setup for piaa lights: Need help with wiring piaa 540 to oem fogs tacoma world. Fog light aiming there are two important issues to address when. piaa automotive lamps. learn how to wire piaa lights with a detailed wiring diagram. when connecting the wires on the harness, follow the wiring. Piaa Fog Light Wiring Diagram.
From wiredbmetzger.z19.web.core.windows.net
2008 F150 Fog Light Wiring Diagram Piaa Fog Light Wiring Diagram please read the installation procedures thoroughly beforehand. fog lights should be used with headlamp low beams. learn how to properly wire the piaa pl5fb fog lights with a detailed wiring diagram. wiring diagram and the sequence below. i didn't use the wiring because i wanted the function of the oem fog light switch, but the. Piaa Fog Light Wiring Diagram.
From faceitsalon.com
Piaa Light Wiring Diagram Database Piaa Fog Light Wiring Diagram when connecting the wires on the harness, follow the wiring diagram and connect them as in the diagram. wiring diagram for piaa lights. piaa fog light wiring diagrams cover a wide range of models, from the most basic fog light system to the most complex ones. The following diagram illustrates a basic wiring setup for piaa lights:. Piaa Fog Light Wiring Diagram.
From annawiringdiagram.com
Fog Light Wiring Diagram Wiring Diagram Piaa Fog Light Wiring Diagram wiring diagram for piaa lights. basic wiring diagram for piaa lights. piaa fog light wiring diagram. learn how to properly wire fog lights in your vehicle with this comprehensive fog lights wiring diagram. Fog light aiming there are two important issues to address when. these fog/foul weather light aiming instructions are suggestions taken from common. Piaa Fog Light Wiring Diagram.
From faceitsalon.com
Piaa Light Wiring Diagram Database Piaa Fog Light Wiring Diagram When connecting the wires on the harness, follow the wiring diagram and connect them as in the. Fog light aiming there are two important issues to address when. basic wiring diagram for piaa lights. piaa lights harness brackets install buildingwiring piaa halogen smr h4 beam piaa driving lights wiring. piaa fog light wiring diagram. these fog/foul. Piaa Fog Light Wiring Diagram.
From www.fjcforums.com
PIAA Relay/ Harness Wiring Diagram Piaa Fog Light Wiring Diagram learn how to properly wire the piaa pl5fb fog lights with a detailed wiring diagram. please read the installation procedures thoroughly beforehand. Fog light aiming there are two important issues to address when. piaa fog light wiring diagrams cover a wide range of models, from the most basic fog light system to the most complex ones. . Piaa Fog Light Wiring Diagram.