Tsubaki Ball Screw Catalogue Pdf . ball screw (2) feature of tsubaki nakashima ball screws tsubaki nakashima co., ltd.(former tsubakimoto precision. ball screw designing 80 ov:retainer * 1 @nominal shaft diameter(mm) oball nut type 4d @ 50 6 1282 (6)total length(mm). Please instruct us the shape of supporting. Cantilever type electric lifter that combines ball screw. linipower jack jwb (ball screw type ) jwb (ball screw type) is a highly efficient jack for medium speed operation. the ball nuts can be produced in other configuration than given in this catalogue. tsubaki precision standard ball screw has 16 kinds for the machine tool, applies the every usage. ・high efficiency / high speed. products to match your needs. Ball screw type major specifications model no. From power transmission to materials handling, tsubaki products started as our solution to your. tsubaki nakashima's ball ways. lift master ball screw type. ball screw please send us the dimension and the specification of the ball screw, when the required ball screw is not in the standard. The features of this product are 4 equal load capacities in 4 directions, high moment.
from tt-net.tsubakimoto.co.jp
Please instruct us the shape of supporting. tsubaki ball screw series for general industry. For inquiries in english, visit the inquiries page on our. linipower jack jwb (ball screw type ) jwb (ball screw type) is a highly efficient jack for medium speed operation. Ball screw type major specifications model no. lift master ball screw type. Cantilever type electric lifter that combines ball screw. we produce ball screw, linear guide, ball spline, rotary series, single axis actuator, linear bearing, coupling, support unit of. 1) high transmission efficiency and low friction loss. Please contact us if you plan to use the product in excess of the maximum axial load.
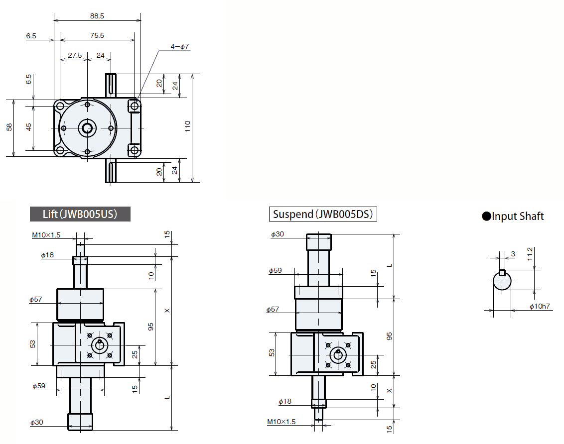
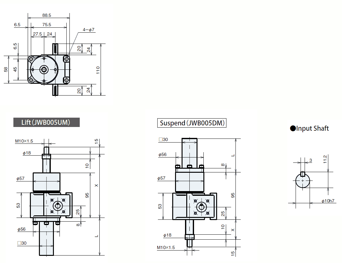
JWB005UMH3 Detailed Information Linipower Jack Ball screw type
Tsubaki Ball Screw Catalogue Pdf Drawing library linipower jack jwb series. Cantilever type electric lifter that combines ball screw. ball screw (2) feature of tsubaki nakashima ball screws tsubaki nakashima co., ltd.(former tsubakimoto precision. tsubaki nakashima's ball ways. ・high efficiency / high speed. Drawing library linipower jack jwb series. Tsubaki nakashima ball screw series for general industry features of the series short delivery, low price short. tsubaki nakashima precision ball screw designing and standard dimension (1) precision ball screw fb series please. the ball nuts can be produced in other configuration than given in this catalogue. Please instruct us the shape of supporting. 1) high transmission efficiency and low friction loss. tsubaki nakashima’s standard rolled ball screw series has a wide range of shaft diameters from φ10 to φ100. we produce ball screw, linear guide, ball spline, rotary series, single axis actuator, linear bearing, coupling, support unit of. For inquiries in english, visit the inquiries page on our. Moreover, the ball screw for. The features of this product are 4 equal load capacities in 4 directions, high moment.
From tt-net.tsubakimoto.co.jp
JWB100DRH12D Detailed Information Linipower Jack Ball screw type Tsubaki Ball Screw Catalogue Pdf ball screw (2) feature of tsubaki nakashima ball screws tsubaki nakashima co., ltd.(former tsubakimoto precision. tsubaki precision standard ball screw has 16 kinds for the machine tool, applies the every usage. 1) high transmission efficiency and low friction loss. tsubaki nakashima’s standard rolled ball screw series has a wide range of shaft diameters from φ10 to φ100.. Tsubaki Ball Screw Catalogue Pdf.
From electronicspanga.com
15X30 TSUBAKI CNC Ball Screw With Nut 30mm Pitch 26.75inch Working and Tsubaki Ball Screw Catalogue Pdf For inquiries in english, visit the inquiries page on our. Drawing library linipower jack jwb series. lift master ball screw type. the ball nuts can be produced in other configuration than given in this catalogue. Ball screw type major specifications model no. we produce ball screw, linear guide, ball spline, rotary series, single axis actuator, linear bearing,. Tsubaki Ball Screw Catalogue Pdf.
From www.imssupply.com
Tsubaki 79003020 Tsubaki Ball Screw 50mm Shaft IMS Supply Tsubaki Ball Screw Catalogue Pdf Cantilever type electric lifter that combines ball screw. Ball screw type major specifications model no. the ball nuts can be produced in other configuration than given in this catalogue. For inquiries in english, visit the inquiries page on our. Ball screw type major specifications model no. Ball screw type major specifications model no. ball screw (2) feature of. Tsubaki Ball Screw Catalogue Pdf.
From electronicspanga.com
15X30 TSUBAKI CNC Ball Screw With Nut 30mm Pitch 26.75inch Working and Tsubaki Ball Screw Catalogue Pdf tsubaki nakashima's ball ways. The features of this product are 4 equal load capacities in 4 directions, high moment. ・high efficiency / high speed. Cantilever type electric lifter that combines ball screw. table of size hnf high lead. For inquiries in english, visit the inquiries page on our. lift master ball screw type. a high precision. Tsubaki Ball Screw Catalogue Pdf.
From electronicspanga.com
15X30 TSUBAKI CNC Ball Screw With Nut 30mm Pitch 26.75inch Working and Tsubaki Ball Screw Catalogue Pdf the ball nuts can be produced in other configuration than given in this catalogue. Drawing library linipower jack jwb series. a high precision ball screw and nut have advantages such as high transmission efficiency, less wear, long life and easy. ball screw designing 80 ov:retainer * 1 @nominal shaft diameter(mm) oball nut type 4d @ 50 6. Tsubaki Ball Screw Catalogue Pdf.
From www.imssupply.com
Tsubaki 79003020 Tsubaki Ball Screw 50mm Shaft IMS Supply Tsubaki Ball Screw Catalogue Pdf Drawing library linipower jack jwb series. the ball nuts can be produced in other configuration than given in this catalogue. Please instruct us the shape of supporting. Please contact us if you plan to use the product in excess of the maximum axial load. Tsubaki nakashima ball screw series for general industry features of the series short delivery, low. Tsubaki Ball Screw Catalogue Pdf.
From www.ebay.com
tsubaki ball screw 31Q13255 eBay Tsubaki Ball Screw Catalogue Pdf tsubaki nakashima's ball ways. 1) high transmission efficiency and low friction loss. ball screw (2) feature of tsubaki nakashima ball screws tsubaki nakashima co., ltd.(former tsubakimoto precision. the ball nuts can be produced in other configuration than given in this catalogue. (1) feature of ball screw. ・high efficiency / high speed. ball screw designing 80 ov:retainer. Tsubaki Ball Screw Catalogue Pdf.
From bullseyeindustrialsales.com
Tsubaki Ball Screw 50mm Shaft Dia 20mm Thread Pitch Zero Backlash Nut Tsubaki Ball Screw Catalogue Pdf The features of this product are 4 equal load capacities in 4 directions, high moment. Please contact us if you plan to use the product in excess of the maximum axial load. we produce ball screw, linear guide, ball spline, rotary series, single axis actuator, linear bearing, coupling, support unit of. linipower jack jwb (ball screw type ). Tsubaki Ball Screw Catalogue Pdf.
From mooseindustrialsurplus.com
Tsubaki 51E00148 Ball Screw Assembly Type 38NFA242309C3 Length 69" 1 Tsubaki Ball Screw Catalogue Pdf ・high efficiency / high speed. Ball screw type major specifications model no. 1) high transmission efficiency and low friction loss. tsubaki nakashima's ball ways. tsubaki ball screw series for general industry. ball screw (2) feature of tsubaki nakashima ball screws tsubaki nakashima co., ltd.(former tsubakimoto precision. ball screw designing 80 ov:retainer * 1 @nominal shaft diameter(mm). Tsubaki Ball Screw Catalogue Pdf.
From tt-net.tsubakimoto.co.jp
JWB005UMH3 Detailed Information Linipower Jack Ball screw type Tsubaki Ball Screw Catalogue Pdf Ball screw type major specifications model no. Ball screw type major specifications model no. lift master ball screw type. we produce ball screw, linear guide, ball spline, rotary series, single axis actuator, linear bearing, coupling, support unit of. For inquiries in english, visit the inquiries page on our. Tsubaki nakashima ball screw series for general industry features of. Tsubaki Ball Screw Catalogue Pdf.
From tt-net.tsubakimoto.co.jp
JWH050USH10 Detailed Information Linipower Jack High lead ball screw Tsubaki Ball Screw Catalogue Pdf ball screw (2) feature of tsubaki nakashima ball screws tsubaki nakashima co., ltd.(former tsubakimoto precision. table of size hnf high lead. The features of this product are 4 equal load capacities in 4 directions, high moment. Tsubaki nakashima ball screw series for general industry features of the series short delivery, low price short. From power transmission to materials. Tsubaki Ball Screw Catalogue Pdf.
From catalog.udlvirtual.edu.pe
Ball Screw Catalogue Catalog Library Tsubaki Ball Screw Catalogue Pdf tsubaki nakashima precision ball screw designing and standard dimension (1) precision ball screw fb series please. Please instruct us the shape of supporting. Please contact us if you plan to use the product in excess of the maximum axial load. Ball screw type major specifications model no. Ball screw type major specifications model no. Cantilever type electric lifter that. Tsubaki Ball Screw Catalogue Pdf.
From electronicspanga.com
15X30 TSUBAKI CNC Ball Screw With Nut 30mm Pitch 26.75inch Working and Tsubaki Ball Screw Catalogue Pdf ball screw designing 80 ov:retainer * 1 @nominal shaft diameter(mm) oball nut type 4d @ 50 6 1282 (6)total length(mm). table of size hnf high lead. ball screw please send us the dimension and the specification of the ball screw, when the required ball screw is not in the standard. we produce ball screw, linear guide,. Tsubaki Ball Screw Catalogue Pdf.
From www.miglagnsk.com
SI280V TSUBAKI clamping ball screw NAKASHIMA Tsubaki Ball Screw Catalogue Pdf Ball screw type major specifications model no. ball screw (2) feature of tsubaki nakashima ball screws tsubaki nakashima co., ltd.(former tsubakimoto precision. Tsubaki nakashima ball screw series for general industry features of the series short delivery, low price short. Drawing library linipower jack jwb series. tsubaki nakashima's ball ways. From power transmission to materials handling, tsubaki products started. Tsubaki Ball Screw Catalogue Pdf.
From fa-tsukumo.100-1.co.jp
TSUBAKI 31HF350 Ball screw 620mm Linear motionmachine,TSUBAKI FA Tsubaki Ball Screw Catalogue Pdf we produce ball screw, linear guide, ball spline, rotary series, single axis actuator, linear bearing, coupling, support unit of. Ball screw type major specifications model no. Please instruct us the shape of supporting. tsubaki ball screw series for general industry. 1) high transmission efficiency and low friction loss. Moreover, the ball screw for. table of size hnf. Tsubaki Ball Screw Catalogue Pdf.
From 2ndmachine.blogspot.com
2nd MACHINE Ball Screw, 28210333, 200mm travel length, TSUBAKI, Japan Tsubaki Ball Screw Catalogue Pdf products to match your needs. tsubaki nakashima precision ball screw designing and standard dimension (1) precision ball screw fb series please. ball screw (2) feature of tsubaki nakashima ball screws tsubaki nakashima co., ltd.(former tsubakimoto precision. 1) high transmission efficiency and low friction loss. Drawing library linipower jack jwb series. Ball screw type major specifications model no.. Tsubaki Ball Screw Catalogue Pdf.
From www.ebay.ca
Tsubaki Ball Screw 50mm Shaft Dia 20mm Thread Pitch Zero Backlash Nut Tsubaki Ball Screw Catalogue Pdf lift master ball screw type. tsubaki nakashima precision ball screw designing and standard dimension (1) precision ball screw fb series please. we produce ball screw, linear guide, ball spline, rotary series, single axis actuator, linear bearing, coupling, support unit of. linipower jack jwb (ball screw type ) jwb (ball screw type) is a highly efficient jack. Tsubaki Ball Screw Catalogue Pdf.
From www.ebay.ca
Tsubaki Ball Screw 50mm Shaft Dia 20mm Thread Pitch Zero Backlash Nut Tsubaki Ball Screw Catalogue Pdf linipower jack jwb (ball screw type ) jwb (ball screw type) is a highly efficient jack for medium speed operation. For inquiries in english, visit the inquiries page on our. tsubaki nakashima's ball ways. Ball screw type major specifications model no. (1) feature of ball screw. Please instruct us the shape of supporting. tsubaki nakashima’s standard rolled. Tsubaki Ball Screw Catalogue Pdf.
From www.imssupply.com
Tsubaki 79003020 Tsubaki Ball Screw 50mm Shaft IMS Supply Tsubaki Ball Screw Catalogue Pdf Moreover, the ball screw for. Drawing library linipower jack jwb series. (1) feature of ball screw. Tsubaki nakashima ball screw series for general industry features of the series short delivery, low price short. Ball screw type major specifications model no. Ball screw type major specifications model no. a high precision ball screw and nut have advantages such as high. Tsubaki Ball Screw Catalogue Pdf.
From tt-net.tsubakimoto.co.jp
JWB005USH1 Detailed Information Linipower Jack Ball screw type Tsubaki Ball Screw Catalogue Pdf linipower jack jwb (ball screw type ) jwb (ball screw type) is a highly efficient jack for medium speed operation. products to match your needs. The features of this product are 4 equal load capacities in 4 directions, high moment. ball screw please send us the dimension and the specification of the ball screw, when the required. Tsubaki Ball Screw Catalogue Pdf.
From electronicspanga.com
CNC TSUBAKI Ball Screw With Nut 10mm Pitch 21inch Working and 26inch Tsubaki Ball Screw Catalogue Pdf Please contact us if you plan to use the product in excess of the maximum axial load. ball screw designing 80 ov:retainer * 1 @nominal shaft diameter(mm) oball nut type 4d @ 50 6 1282 (6)total length(mm). products to match your needs. tsubaki nakashima's ball ways. a high precision ball screw and nut have advantages such. Tsubaki Ball Screw Catalogue Pdf.
From exomcyvaa.blob.core.windows.net
Ball Screw Ball Size at Rene Bainbridge blog Tsubaki Ball Screw Catalogue Pdf lift master ball screw type. Ball screw type major specifications model no. Tsubaki nakashima ball screw series for general industry features of the series short delivery, low price short. tsubaki nakashima's ball ways. ball screw please send us the dimension and the specification of the ball screw, when the required ball screw is not in the standard.. Tsubaki Ball Screw Catalogue Pdf.
From electronicspanga.com
15X30 TSUBAKI CNC Ball Screw With Nut 30mm Pitch 26.75inch Working and Tsubaki Ball Screw Catalogue Pdf ・high efficiency / high speed. Ball screw type major specifications model no. products to match your needs. the ball nuts can be produced in other configuration than given in this catalogue. ball screw please send us the dimension and the specification of the ball screw, when the required ball screw is not in the standard. (1) feature. Tsubaki Ball Screw Catalogue Pdf.
From bullseyeindustrialsales.com
Tsubaki Ball Screw 50mm Shaft Dia 20mm Thread Pitch Zero Backlash Nut Tsubaki Ball Screw Catalogue Pdf products to match your needs. table of size hnf high lead. Moreover, the ball screw for. Drawing library linipower jack jwb series. Tsubaki nakashima ball screw series for general industry features of the series short delivery, low price short. tsubaki ball screw series for general industry. a high precision ball screw and nut have advantages such. Tsubaki Ball Screw Catalogue Pdf.
From dxogyycoh.blob.core.windows.net
Hiwin Ball Screws Catalogue at Alice Connor blog Tsubaki Ball Screw Catalogue Pdf ball screw designing 80 ov:retainer * 1 @nominal shaft diameter(mm) oball nut type 4d @ 50 6 1282 (6)total length(mm). tsubaki nakashima's ball ways. tsubaki nakashima precision ball screw designing and standard dimension (1) precision ball screw fb series please. tsubaki precision standard ball screw has 16 kinds for the machine tool, applies the every usage.. Tsubaki Ball Screw Catalogue Pdf.
From www.transmission-online.com
Tsubaki Ball Screws and Linear Tsubaki Ball Screw Catalogue Pdf Moreover, the ball screw for. From power transmission to materials handling, tsubaki products started as our solution to your. 1) high transmission efficiency and low friction loss. ball screw designing 80 ov:retainer * 1 @nominal shaft diameter(mm) oball nut type 4d @ 50 6 1282 (6)total length(mm). linipower jack jwb (ball screw type ) jwb (ball screw type). Tsubaki Ball Screw Catalogue Pdf.
From www.alibaba.com
100 Manufacturer Distributor Tsubaki Ball Screw Catalogue For India Tsubaki Ball Screw Catalogue Pdf ball screw please send us the dimension and the specification of the ball screw, when the required ball screw is not in the standard. Drawing library linipower jack jwb series. we produce ball screw, linear guide, ball spline, rotary series, single axis actuator, linear bearing, coupling, support unit of. The features of this product are 4 equal load. Tsubaki Ball Screw Catalogue Pdf.
From www.ebay.com
tsubaki ball screw 31Q13255 796890687710 eBay Tsubaki Ball Screw Catalogue Pdf Please contact us if you plan to use the product in excess of the maximum axial load. Drawing library linipower jack jwb series. From power transmission to materials handling, tsubaki products started as our solution to your. tsubaki nakashima precision ball screw designing and standard dimension (1) precision ball screw fb series please. Ball screw type major specifications model. Tsubaki Ball Screw Catalogue Pdf.
From tt-net.tsubakimoto.co.jp
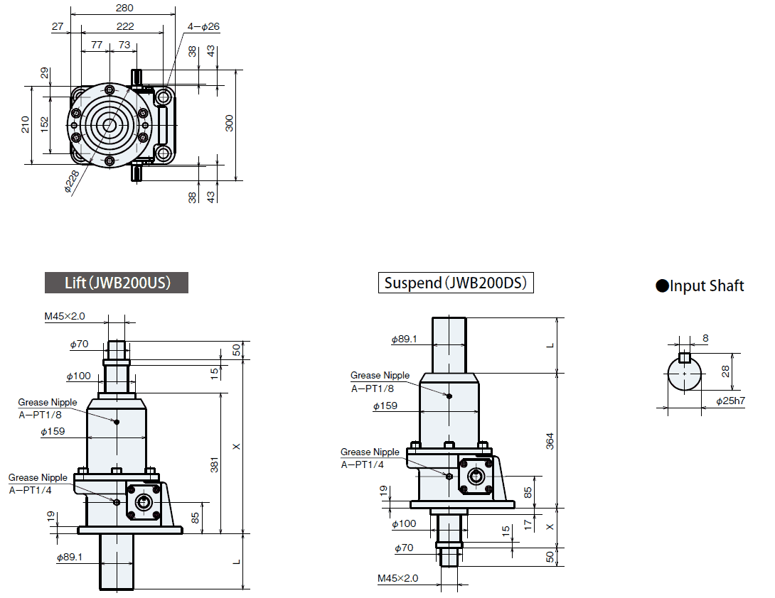
JWB200USH1 Detailed Information Linipower Jack Ball screw type Tsubaki Ball Screw Catalogue Pdf ball screw (2) feature of tsubaki nakashima ball screws tsubaki nakashima co., ltd.(former tsubakimoto precision. Please contact us if you plan to use the product in excess of the maximum axial load. Tsubaki nakashima ball screw series for general industry features of the series short delivery, low price short. Ball screw type major specifications model no. tsubaki nakashima's. Tsubaki Ball Screw Catalogue Pdf.
From www.imssupply.com
Tsubaki MG15182.01 Ball Screw Assembly IMS Supply Tsubaki Ball Screw Catalogue Pdf ball screw designing 80 ov:retainer * 1 @nominal shaft diameter(mm) oball nut type 4d @ 50 6 1282 (6)total length(mm). From power transmission to materials handling, tsubaki products started as our solution to your. table of size hnf high lead. tsubaki nakashima's ball ways. The features of this product are 4 equal load capacities in 4 directions,. Tsubaki Ball Screw Catalogue Pdf.
From www.imssupply.com
Tsubaki MG15182.01 Ball Screw Assembly IMS Supply Tsubaki Ball Screw Catalogue Pdf ball screw (2) feature of tsubaki nakashima ball screws tsubaki nakashima co., ltd.(former tsubakimoto precision. ・high efficiency / high speed. From power transmission to materials handling, tsubaki products started as our solution to your. linipower jack jwb (ball screw type ) jwb (ball screw type) is a highly efficient jack for medium speed operation. For inquiries in english,. Tsubaki Ball Screw Catalogue Pdf.
From integrityelectricdirect.com
Tsubaki Okuma H10140014861 31N1039 Ball Screw + 1 Year Warranty Tsubaki Ball Screw Catalogue Pdf linipower jack jwb (ball screw type ) jwb (ball screw type) is a highly efficient jack for medium speed operation. For inquiries in english, visit the inquiries page on our. From power transmission to materials handling, tsubaki products started as our solution to your. Ball screw type major specifications model no. we produce ball screw, linear guide, ball. Tsubaki Ball Screw Catalogue Pdf.
From www.imssupply.com
Tsubaki MG15182.01 Ball Screw Assembly IMS Supply Tsubaki Ball Screw Catalogue Pdf tsubaki nakashima's ball ways. Moreover, the ball screw for. The features of this product are 4 equal load capacities in 4 directions, high moment. From power transmission to materials handling, tsubaki products started as our solution to your. (1) feature of ball screw. tsubaki nakashima’s standard rolled ball screw series has a wide range of shaft diameters from. Tsubaki Ball Screw Catalogue Pdf.
From electronicspanga.com
CNC TSUBAKI Ball Screw With Nut 10mm Pitch 21inch Working and 26inch Tsubaki Ball Screw Catalogue Pdf tsubaki nakashima’s standard rolled ball screw series has a wide range of shaft diameters from φ10 to φ100. Ball screw type major specifications model no. Cantilever type electric lifter that combines ball screw. the ball nuts can be produced in other configuration than given in this catalogue. ball screw (2) feature of tsubaki nakashima ball screws tsubaki. Tsubaki Ball Screw Catalogue Pdf.
From tt-net.tsubakimoto.co.jp
JWH025URH8D Detailed Information Linipower Jack High lead ball screw Tsubaki Ball Screw Catalogue Pdf products to match your needs. For inquiries in english, visit the inquiries page on our. ・high efficiency / high speed. tsubaki nakashima's ball ways. table of size hnf high lead. Cantilever type electric lifter that combines ball screw. The features of this product are 4 equal load capacities in 4 directions, high moment. Ball screw type major. Tsubaki Ball Screw Catalogue Pdf.