Outboard Motor Water Hose . Do not try starting your engine without one of these hooked up. They're inexpensive, and easy to use. They're available at most marine stores and online resellers. running your yamaha outboard on a water hose is a straightforward process that takes only a few minutes. Connect to a garden hose, fit the muffs over the engine's water intakes on the sides of the gear case, turn the water on, start the engine, and let it run. if you have an inboard engine, you will need a circular cup muff plunger with hose fitting, and if you have an outboard engine, you’ll use a moeller flushrite boat motor flusher. starting a outboard on water hose after winter storage. all you have to do is lower your engine to the vertical position, hook up a hose to the conveniently located flush connector and let the water run for 10 minutes. for those who prefer the full submersion feel, a strong and dependable flush bag can be filled up with water and connected to a garden hose, allowing your engine to take in all that blissful freshwater while it runs. flush muffs are the most common way to flush an outboard; First time starting this spring.
from www.crowleymarine.com
They're available at most marine stores and online resellers. running your yamaha outboard on a water hose is a straightforward process that takes only a few minutes. all you have to do is lower your engine to the vertical position, hook up a hose to the conveniently located flush connector and let the water run for 10 minutes. They're inexpensive, and easy to use. if you have an inboard engine, you will need a circular cup muff plunger with hose fitting, and if you have an outboard engine, you’ll use a moeller flushrite boat motor flusher. Connect to a garden hose, fit the muffs over the engine's water intakes on the sides of the gear case, turn the water on, start the engine, and let it run. starting a outboard on water hose after winter storage. Do not try starting your engine without one of these hooked up. for those who prefer the full submersion feel, a strong and dependable flush bag can be filled up with water and connected to a garden hose, allowing your engine to take in all that blissful freshwater while it runs. First time starting this spring.
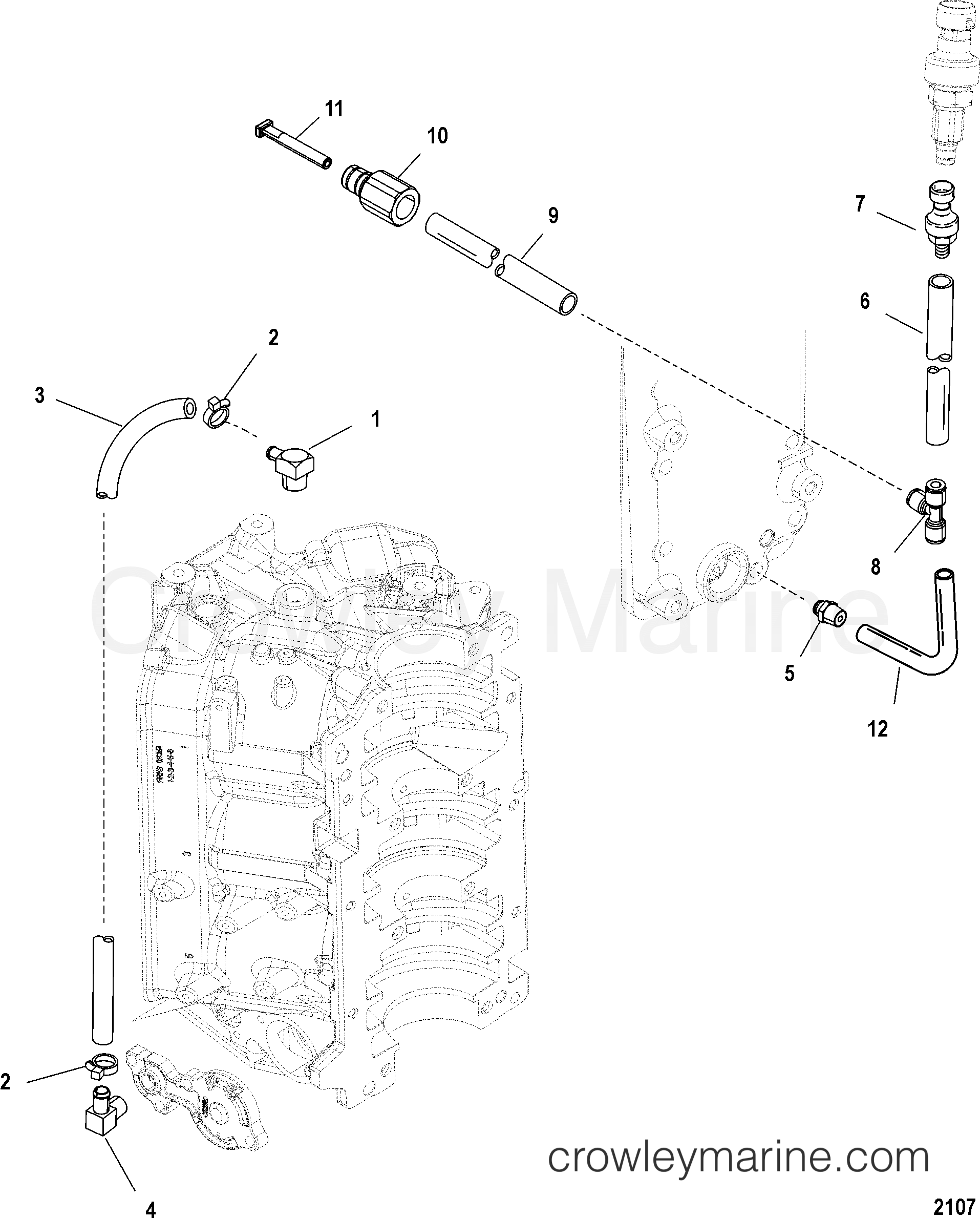
WATER HOSES 2004 Outboard 135DFI [L DIG] 7135D73RD Crowley Marine
Outboard Motor Water Hose flush muffs are the most common way to flush an outboard; Connect to a garden hose, fit the muffs over the engine's water intakes on the sides of the gear case, turn the water on, start the engine, and let it run. They're inexpensive, and easy to use. running your yamaha outboard on a water hose is a straightforward process that takes only a few minutes. First time starting this spring. starting a outboard on water hose after winter storage. for those who prefer the full submersion feel, a strong and dependable flush bag can be filled up with water and connected to a garden hose, allowing your engine to take in all that blissful freshwater while it runs. They're available at most marine stores and online resellers. flush muffs are the most common way to flush an outboard; all you have to do is lower your engine to the vertical position, hook up a hose to the conveniently located flush connector and let the water run for 10 minutes. Do not try starting your engine without one of these hooked up. if you have an inboard engine, you will need a circular cup muff plunger with hose fitting, and if you have an outboard engine, you’ll use a moeller flushrite boat motor flusher.
From www.usharbors.com
Boating 101 Outboard Motors US Harbors Outboard Motor Water Hose starting a outboard on water hose after winter storage. flush muffs are the most common way to flush an outboard; They're inexpensive, and easy to use. for those who prefer the full submersion feel, a strong and dependable flush bag can be filled up with water and connected to a garden hose, allowing your engine to take. Outboard Motor Water Hose.
From www.youtube.com
How to flush and DeSalt Your Boat Motor BETTER! (Outboards or Inboards Outboard Motor Water Hose all you have to do is lower your engine to the vertical position, hook up a hose to the conveniently located flush connector and let the water run for 10 minutes. for those who prefer the full submersion feel, a strong and dependable flush bag can be filled up with water and connected to a garden hose, allowing. Outboard Motor Water Hose.
From www.boats.net
Mercury Outboard 175HP OEM Parts Diagram for Water Hoses Outboard Motor Water Hose if you have an inboard engine, you will need a circular cup muff plunger with hose fitting, and if you have an outboard engine, you’ll use a moeller flushrite boat motor flusher. starting a outboard on water hose after winter storage. Do not try starting your engine without one of these hooked up. flush muffs are the. Outboard Motor Water Hose.
From www.vevor.com
VEVOR Outboard Hose Kit, 20 ft Hydraulic Steering Hose, 2Piece Leak Outboard Motor Water Hose They're inexpensive, and easy to use. for those who prefer the full submersion feel, a strong and dependable flush bag can be filled up with water and connected to a garden hose, allowing your engine to take in all that blissful freshwater while it runs. running your yamaha outboard on a water hose is a straightforward process that. Outboard Motor Water Hose.
From www.marine-deals.com.au
Buy TH Marine Outboard Rigging Hose Kit with Flange online at Marine Outboard Motor Water Hose Do not try starting your engine without one of these hooked up. for those who prefer the full submersion feel, a strong and dependable flush bag can be filled up with water and connected to a garden hose, allowing your engine to take in all that blissful freshwater while it runs. flush muffs are the most common way. Outboard Motor Water Hose.
From www.boats.net
Mercury Outboard 200HP OEM Parts Diagram for Water Hoses Outboard Motor Water Hose They're inexpensive, and easy to use. They're available at most marine stores and online resellers. running your yamaha outboard on a water hose is a straightforward process that takes only a few minutes. starting a outboard on water hose after winter storage. for those who prefer the full submersion feel, a strong and dependable flush bag can. Outboard Motor Water Hose.
From www.bottomlinemarine.com
YAMAHA RIGGING Hose Bluish Grey Outboard Motor Tube 1 metre Outboard Motor Water Hose They're available at most marine stores and online resellers. Do not try starting your engine without one of these hooked up. if you have an inboard engine, you will need a circular cup muff plunger with hose fitting, and if you have an outboard engine, you’ll use a moeller flushrite boat motor flusher. They're inexpensive, and easy to use.. Outboard Motor Water Hose.
From www.bottomlinemarine.com
Quicksilver Black Rigging Hose Kit Outboard Motor Tube 5ft (1.52m Outboard Motor Water Hose First time starting this spring. starting a outboard on water hose after winter storage. if you have an inboard engine, you will need a circular cup muff plunger with hose fitting, and if you have an outboard engine, you’ll use a moeller flushrite boat motor flusher. flush muffs are the most common way to flush an outboard;. Outboard Motor Water Hose.
From www.youtube.com
How To Flush Your Outboard Boat Motor Correctly YouTube Outboard Motor Water Hose flush muffs are the most common way to flush an outboard; Do not try starting your engine without one of these hooked up. running your yamaha outboard on a water hose is a straightforward process that takes only a few minutes. They're inexpensive, and easy to use. if you have an inboard engine, you will need a. Outboard Motor Water Hose.
From www.go2marine.com
SeaStar Outboard Standard Bulkhead Hose Kit 2x 26ft. HO8126 Outboard Motor Water Hose running your yamaha outboard on a water hose is a straightforward process that takes only a few minutes. starting a outboard on water hose after winter storage. for those who prefer the full submersion feel, a strong and dependable flush bag can be filled up with water and connected to a garden hose, allowing your engine to. Outboard Motor Water Hose.
From www.youtube.com
How to test your boat on dry land, hose adapter, outboard motor Outboard Motor Water Hose Connect to a garden hose, fit the muffs over the engine's water intakes on the sides of the gear case, turn the water on, start the engine, and let it run. They're inexpensive, and easy to use. if you have an inboard engine, you will need a circular cup muff plunger with hose fitting, and if you have an. Outboard Motor Water Hose.
From www.marine-deals.com.au
Buy TH Marine Outboard Rigging Hose Kit with Flange online at Marine Outboard Motor Water Hose Do not try starting your engine without one of these hooked up. First time starting this spring. starting a outboard on water hose after winter storage. They're available at most marine stores and online resellers. all you have to do is lower your engine to the vertical position, hook up a hose to the conveniently located flush connector. Outboard Motor Water Hose.
From www.crowleymarine.com
WATER HOSES 2004 Outboard 135DFI [L DIG] 7135D73RD Crowley Marine Outboard Motor Water Hose flush muffs are the most common way to flush an outboard; Do not try starting your engine without one of these hooked up. First time starting this spring. all you have to do is lower your engine to the vertical position, hook up a hose to the conveniently located flush connector and let the water run for 10. Outboard Motor Water Hose.
From www.youtube.com
How to Flush Saltwater from a Yamaha 4 Stroke Outboard YouTube Outboard Motor Water Hose if you have an inboard engine, you will need a circular cup muff plunger with hose fitting, and if you have an outboard engine, you’ll use a moeller flushrite boat motor flusher. They're inexpensive, and easy to use. all you have to do is lower your engine to the vertical position, hook up a hose to the conveniently. Outboard Motor Water Hose.
From pwcparts.com
SENECA Marine Outboard Motor Flush Kit Flusher Muffs Fresh Water Hose Outboard Motor Water Hose all you have to do is lower your engine to the vertical position, hook up a hose to the conveniently located flush connector and let the water run for 10 minutes. if you have an inboard engine, you will need a circular cup muff plunger with hose fitting, and if you have an outboard engine, you’ll use a. Outboard Motor Water Hose.
From www.youtube.com
Water Flow on a Outboard YouTube Outboard Motor Water Hose starting a outboard on water hose after winter storage. if you have an inboard engine, you will need a circular cup muff plunger with hose fitting, and if you have an outboard engine, you’ll use a moeller flushrite boat motor flusher. all you have to do is lower your engine to the vertical position, hook up a. Outboard Motor Water Hose.
From www.youtube.com
How to Flush an Outboard Engine BoatUS YouTube Outboard Motor Water Hose all you have to do is lower your engine to the vertical position, hook up a hose to the conveniently located flush connector and let the water run for 10 minutes. running your yamaha outboard on a water hose is a straightforward process that takes only a few minutes. They're available at most marine stores and online resellers.. Outboard Motor Water Hose.
From www.youtube.com
How to Flush an Outboard Motor. Fast! using FLUSH MUFFS. Outboard Motor Outboard Motor Water Hose if you have an inboard engine, you will need a circular cup muff plunger with hose fitting, and if you have an outboard engine, you’ll use a moeller flushrite boat motor flusher. running your yamaha outboard on a water hose is a straightforward process that takes only a few minutes. Connect to a garden hose, fit the muffs. Outboard Motor Water Hose.
From www.fisheriessupply.com
Outboard Engine Rigging Hoses Outboard Motor Water Hose They're available at most marine stores and online resellers. running your yamaha outboard on a water hose is a straightforward process that takes only a few minutes. starting a outboard on water hose after winter storage. flush muffs are the most common way to flush an outboard; if you have an inboard engine, you will need. Outboard Motor Water Hose.
From anchorsupcarolina.com
How To Hook Up Water Hose To Boat Motor Inboard, Outboard, Inboard Outboard Motor Water Hose for those who prefer the full submersion feel, a strong and dependable flush bag can be filled up with water and connected to a garden hose, allowing your engine to take in all that blissful freshwater while it runs. flush muffs are the most common way to flush an outboard; all you have to do is lower. Outboard Motor Water Hose.
From boatxt.com
3M Fuel Line Hose Outboard Boat Engine Petrol Tank Connectors Kit For Outboard Motor Water Hose First time starting this spring. Do not try starting your engine without one of these hooked up. They're available at most marine stores and online resellers. for those who prefer the full submersion feel, a strong and dependable flush bag can be filled up with water and connected to a garden hose, allowing your engine to take in all. Outboard Motor Water Hose.
From goneoutdoors.com
How to Hook a Garden Hose Up to a Boat Engine Gone Outdoors Your Outboard Motor Water Hose They're available at most marine stores and online resellers. all you have to do is lower your engine to the vertical position, hook up a hose to the conveniently located flush connector and let the water run for 10 minutes. First time starting this spring. Do not try starting your engine without one of these hooked up. starting. Outboard Motor Water Hose.
From www.vevor.com
VEVOR Outboard Hose Kit, 20 ft Hydraulic Steering Hose, 2Piece Leak Outboard Motor Water Hose Connect to a garden hose, fit the muffs over the engine's water intakes on the sides of the gear case, turn the water on, start the engine, and let it run. all you have to do is lower your engine to the vertical position, hook up a hose to the conveniently located flush connector and let the water run. Outboard Motor Water Hose.
From www.desertcart.com.kw
Buy PREMIUM Outboard Inboard Motor Flush Kit Flusher Muffs Fresh Water Outboard Motor Water Hose They're inexpensive, and easy to use. if you have an inboard engine, you will need a circular cup muff plunger with hose fitting, and if you have an outboard engine, you’ll use a moeller flushrite boat motor flusher. starting a outboard on water hose after winter storage. First time starting this spring. They're available at most marine stores. Outboard Motor Water Hose.
From www.crowleymarine.com
WATER HOSES 2004 Outboard 150EFI [XL SW] 7150423RY Crowley Marine Outboard Motor Water Hose Do not try starting your engine without one of these hooked up. First time starting this spring. flush muffs are the most common way to flush an outboard; running your yamaha outboard on a water hose is a straightforward process that takes only a few minutes. all you have to do is lower your engine to the. Outboard Motor Water Hose.
From money-sense.net
RIGGING HOSE 12 FT 1262000B 2 INCH OUTBOARD MOTOR TUBING BLACK BOAT Outboard Motor Water Hose Do not try starting your engine without one of these hooked up. Connect to a garden hose, fit the muffs over the engine's water intakes on the sides of the gear case, turn the water on, start the engine, and let it run. They're inexpensive, and easy to use. flush muffs are the most common way to flush an. Outboard Motor Water Hose.
From www.youtube.com
5.5 Hp to 40 Hp Johnson Evinrude Outboard Motor Garden Hose Flush Outboard Motor Water Hose They're inexpensive, and easy to use. for those who prefer the full submersion feel, a strong and dependable flush bag can be filled up with water and connected to a garden hose, allowing your engine to take in all that blissful freshwater while it runs. They're available at most marine stores and online resellers. starting a outboard on. Outboard Motor Water Hose.
From gardeningleave.org
Will Garden Hose Quick Connect Fit Mercury Flush System GardeningLeave Outboard Motor Water Hose running your yamaha outboard on a water hose is a straightforward process that takes only a few minutes. flush muffs are the most common way to flush an outboard; Connect to a garden hose, fit the muffs over the engine's water intakes on the sides of the gear case, turn the water on, start the engine, and let. Outboard Motor Water Hose.
From www.youtube.com
How To Replace The Waterpump on an Evinrude / Johnson Outboard Outboard Motor Water Hose flush muffs are the most common way to flush an outboard; Connect to a garden hose, fit the muffs over the engine's water intakes on the sides of the gear case, turn the water on, start the engine, and let it run. if you have an inboard engine, you will need a circular cup muff plunger with hose. Outboard Motor Water Hose.
From www.boats.net
Mercury Outboard 135HP OEM Parts Diagram for Water Hoses Outboard Motor Water Hose starting a outboard on water hose after winter storage. Connect to a garden hose, fit the muffs over the engine's water intakes on the sides of the gear case, turn the water on, start the engine, and let it run. They're inexpensive, and easy to use. flush muffs are the most common way to flush an outboard; . Outboard Motor Water Hose.
From fixlibrarysejwalkb.z4.web.core.windows.net
2 Stroke Mercury Outboard Parts Diagrams Outboard Motor Water Hose Do not try starting your engine without one of these hooked up. First time starting this spring. for those who prefer the full submersion feel, a strong and dependable flush bag can be filled up with water and connected to a garden hose, allowing your engine to take in all that blissful freshwater while it runs. They're inexpensive, and. Outboard Motor Water Hose.
From dxowqhrko.blob.core.windows.net
Outboard Motor Water Level at Frank Pedersen blog Outboard Motor Water Hose First time starting this spring. They're inexpensive, and easy to use. for those who prefer the full submersion feel, a strong and dependable flush bag can be filled up with water and connected to a garden hose, allowing your engine to take in all that blissful freshwater while it runs. flush muffs are the most common way to. Outboard Motor Water Hose.
From www.youtube.com
How to Replace the Water Pump on a Johnson Evinrude 85300hp Outboard Outboard Motor Water Hose for those who prefer the full submersion feel, a strong and dependable flush bag can be filled up with water and connected to a garden hose, allowing your engine to take in all that blissful freshwater while it runs. starting a outboard on water hose after winter storage. Connect to a garden hose, fit the muffs over the. Outboard Motor Water Hose.
From www.fishing.net.nz
Outboard maintenance Flushing your engine The Fishing site Outboard Motor Water Hose if you have an inboard engine, you will need a circular cup muff plunger with hose fitting, and if you have an outboard engine, you’ll use a moeller flushrite boat motor flusher. starting a outboard on water hose after winter storage. Connect to a garden hose, fit the muffs over the engine's water intakes on the sides of. Outboard Motor Water Hose.
From www.crowleymarine.com
HOSE ROUTING 2000 Evinrude Outboards 135 E135FCXSSS Crowley Marine Outboard Motor Water Hose flush muffs are the most common way to flush an outboard; for those who prefer the full submersion feel, a strong and dependable flush bag can be filled up with water and connected to a garden hose, allowing your engine to take in all that blissful freshwater while it runs. They're available at most marine stores and online. Outboard Motor Water Hose.