Flange Coupling Use . A flange coupling is useful in pressurizing the piping systems where tubing ends or two pipes need to come together. In the aerospace industry, flange couplings are used in jet engines, power units, etc. Flange couplings usually have very strong connecting. Each flange is mounted on the shaft end and keyed to it. These flanges are individually mounted on the shaft ends and securely. A flange coupling is a type of mechanical coupling used to connect two shafts together to transmit torque and rotation. Flange couplings are valuable for pressurizing piping systems that require the connection of tubing ends or two pipes. One of the flange has The faces are turned up at the right angle to the axis of the shaft. A flange coupling typically refers to a type of coupling that consists of two distinct cast iron flanges. The connecting methods for flange couplings are usually. A flange coupling usually applies to a coupling having two separate cast iron flanges.
from www.indiamart.com
The faces are turned up at the right angle to the axis of the shaft. A flange coupling typically refers to a type of coupling that consists of two distinct cast iron flanges. A flange coupling is useful in pressurizing the piping systems where tubing ends or two pipes need to come together. One of the flange has In the aerospace industry, flange couplings are used in jet engines, power units, etc. The connecting methods for flange couplings are usually. A flange coupling is a type of mechanical coupling used to connect two shafts together to transmit torque and rotation. Flange couplings usually have very strong connecting. Each flange is mounted on the shaft end and keyed to it. A flange coupling usually applies to a coupling having two separate cast iron flanges.
Mild Steel Coupling Flange, Garage at Rs 100/piece in Ahmedabad ID
Flange Coupling Use In the aerospace industry, flange couplings are used in jet engines, power units, etc. One of the flange has In the aerospace industry, flange couplings are used in jet engines, power units, etc. A flange coupling is a type of mechanical coupling used to connect two shafts together to transmit torque and rotation. A flange coupling usually applies to a coupling having two separate cast iron flanges. Flange couplings are valuable for pressurizing piping systems that require the connection of tubing ends or two pipes. Flange couplings usually have very strong connecting. The faces are turned up at the right angle to the axis of the shaft. These flanges are individually mounted on the shaft ends and securely. The connecting methods for flange couplings are usually. Each flange is mounted on the shaft end and keyed to it. A flange coupling is useful in pressurizing the piping systems where tubing ends or two pipes need to come together. A flange coupling typically refers to a type of coupling that consists of two distinct cast iron flanges.
From sdplato.en.made-in-china.com
ASTM Standard Ductile Iron Flange Coupling Pn16 with FM/UL Certificated Flange Coupling Use Flange couplings usually have very strong connecting. A flange coupling is a type of mechanical coupling used to connect two shafts together to transmit torque and rotation. A flange coupling typically refers to a type of coupling that consists of two distinct cast iron flanges. Flange couplings are valuable for pressurizing piping systems that require the connection of tubing ends. Flange Coupling Use.
From www.indiamart.com
Flanged Type Coupling at Rs 1000/piece Flange Coupling ID 7176269048 Flange Coupling Use Each flange is mounted on the shaft end and keyed to it. In the aerospace industry, flange couplings are used in jet engines, power units, etc. The faces are turned up at the right angle to the axis of the shaft. One of the flange has The connecting methods for flange couplings are usually. Flange couplings usually have very strong. Flange Coupling Use.
From www.indiamart.com
Coupling Flange Small at best price in Ahmedabad by Omkar Enginering Flange Coupling Use A flange coupling is a type of mechanical coupling used to connect two shafts together to transmit torque and rotation. A flange coupling usually applies to a coupling having two separate cast iron flanges. The connecting methods for flange couplings are usually. These flanges are individually mounted on the shaft ends and securely. A flange coupling is useful in pressurizing. Flange Coupling Use.
From shop.agrico.co.za
Pipe seal to flange coupling Agrico Flange Coupling Use Flange couplings usually have very strong connecting. Each flange is mounted on the shaft end and keyed to it. A flange coupling typically refers to a type of coupling that consists of two distinct cast iron flanges. Flange couplings are valuable for pressurizing piping systems that require the connection of tubing ends or two pipes. A flange coupling is useful. Flange Coupling Use.
From www.ato.com
16mm Rigid Flange Shaft Coupling Flange Coupling Use A flange coupling is useful in pressurizing the piping systems where tubing ends or two pipes need to come together. The connecting methods for flange couplings are usually. A flange coupling is a type of mechanical coupling used to connect two shafts together to transmit torque and rotation. Flange couplings usually have very strong connecting. These flanges are individually mounted. Flange Coupling Use.
From www.ecplaza.net
KCP Flange Flexible Coupling Korea Coupling Co, LTD. Flange Coupling Use Flange couplings usually have very strong connecting. The connecting methods for flange couplings are usually. A flange coupling usually applies to a coupling having two separate cast iron flanges. Flange couplings are valuable for pressurizing piping systems that require the connection of tubing ends or two pipes. A flange coupling is useful in pressurizing the piping systems where tubing ends. Flange Coupling Use.
From www.walmart.com
Rigid Flange Coupling Guide Shaft Coupler Flange Coupling Connector Flange Coupling Use A flange coupling is useful in pressurizing the piping systems where tubing ends or two pipes need to come together. A flange coupling usually applies to a coupling having two separate cast iron flanges. The connecting methods for flange couplings are usually. Flange couplings usually have very strong connecting. A flange coupling typically refers to a type of coupling that. Flange Coupling Use.
From www.youtube.com
PROTECTED TYPE FLANGE COUPLING YouTube Flange Coupling Use In the aerospace industry, flange couplings are used in jet engines, power units, etc. Flange couplings are valuable for pressurizing piping systems that require the connection of tubing ends or two pipes. Flange couplings usually have very strong connecting. One of the flange has Each flange is mounted on the shaft end and keyed to it. A flange coupling is. Flange Coupling Use.
From whatispiping.com
What is a Flange Coupling? Advantages, Types, Working, Uses What Is Flange Coupling Use The connecting methods for flange couplings are usually. In the aerospace industry, flange couplings are used in jet engines, power units, etc. A flange coupling is useful in pressurizing the piping systems where tubing ends or two pipes need to come together. A flange coupling is a type of mechanical coupling used to connect two shafts together to transmit torque. Flange Coupling Use.
From www.youtube.com
Муфта фланцевая_Flange coupling YouTube Flange Coupling Use A flange coupling is useful in pressurizing the piping systems where tubing ends or two pipes need to come together. Flange couplings usually have very strong connecting. In the aerospace industry, flange couplings are used in jet engines, power units, etc. Each flange is mounted on the shaft end and keyed to it. A flange coupling typically refers to a. Flange Coupling Use.
From heidyfersli.blogspot.com
Explain Different Types of Coupling With Suitable Example Flange Coupling Use In the aerospace industry, flange couplings are used in jet engines, power units, etc. A flange coupling is useful in pressurizing the piping systems where tubing ends or two pipes need to come together. A flange coupling is a type of mechanical coupling used to connect two shafts together to transmit torque and rotation. One of the flange has The. Flange Coupling Use.
From robarindustries.com
Cast Flange Coupling Adapter Robar Industries Flange Coupling Use A flange coupling is a type of mechanical coupling used to connect two shafts together to transmit torque and rotation. In the aerospace industry, flange couplings are used in jet engines, power units, etc. One of the flange has A flange coupling usually applies to a coupling having two separate cast iron flanges. These flanges are individually mounted on the. Flange Coupling Use.
From dir.indiamart.com
Flange Coupling at Best Price in India Flange Coupling Use The faces are turned up at the right angle to the axis of the shaft. Each flange is mounted on the shaft end and keyed to it. These flanges are individually mounted on the shaft ends and securely. A flange coupling is a type of mechanical coupling used to connect two shafts together to transmit torque and rotation. Flange couplings. Flange Coupling Use.
From www.ktecorp.com
KOREA COUPLING FLANGE FLEXIBLE COUPLING KTE CORPORATION Flange Coupling Use These flanges are individually mounted on the shaft ends and securely. A flange coupling typically refers to a type of coupling that consists of two distinct cast iron flanges. The faces are turned up at the right angle to the axis of the shaft. In the aerospace industry, flange couplings are used in jet engines, power units, etc. A flange. Flange Coupling Use.
From www.flangebutterflyvalve.com
Flexible Flange Coupling Adapter Corrosion Resistant Easy To Install Flange Coupling Use These flanges are individually mounted on the shaft ends and securely. A flange coupling is a type of mechanical coupling used to connect two shafts together to transmit torque and rotation. One of the flange has The connecting methods for flange couplings are usually. Flange couplings usually have very strong connecting. Flange couplings are valuable for pressurizing piping systems that. Flange Coupling Use.
From www.scribd.com
Protected Type Flange Coupling Flange Coupling Use Flange couplings usually have very strong connecting. These flanges are individually mounted on the shaft ends and securely. The connecting methods for flange couplings are usually. A flange coupling is a type of mechanical coupling used to connect two shafts together to transmit torque and rotation. In the aerospace industry, flange couplings are used in jet engines, power units, etc.. Flange Coupling Use.
From www.youtube.com
Flange Coupling (Basics, Structure, Working, Pros & Cons) Explained Flange Coupling Use Each flange is mounted on the shaft end and keyed to it. In the aerospace industry, flange couplings are used in jet engines, power units, etc. The faces are turned up at the right angle to the axis of the shaft. Flange couplings usually have very strong connecting. A flange coupling typically refers to a type of coupling that consists. Flange Coupling Use.
From www.flangebutterflyvalve.com
Flexible Flange Coupling Adapter Corrosion Resistant Easy To Install Flange Coupling Use Each flange is mounted on the shaft end and keyed to it. Flange couplings are valuable for pressurizing piping systems that require the connection of tubing ends or two pipes. These flanges are individually mounted on the shaft ends and securely. The faces are turned up at the right angle to the axis of the shaft. The connecting methods for. Flange Coupling Use.
From www.reddit.com
Different Types of Couplings r/coolguides Flange Coupling Use The faces are turned up at the right angle to the axis of the shaft. Flange couplings usually have very strong connecting. A flange coupling usually applies to a coupling having two separate cast iron flanges. A flange coupling typically refers to a type of coupling that consists of two distinct cast iron flanges. Each flange is mounted on the. Flange Coupling Use.
From www.youtube.com
Problem on Flange coupling YouTube Flange Coupling Use A flange coupling usually applies to a coupling having two separate cast iron flanges. These flanges are individually mounted on the shaft ends and securely. A flange coupling is useful in pressurizing the piping systems where tubing ends or two pipes need to come together. One of the flange has A flange coupling is a type of mechanical coupling used. Flange Coupling Use.
From engineeringlearn.com
Types of Mechanical Coupling and Their Uses [with Pictures Flange Coupling Use One of the flange has A flange coupling is useful in pressurizing the piping systems where tubing ends or two pipes need to come together. The connecting methods for flange couplings are usually. Each flange is mounted on the shaft end and keyed to it. The faces are turned up at the right angle to the axis of the shaft.. Flange Coupling Use.
From www.ktr.com
Highly flexible flange coupling with intermediate shaft EVOLASTIC D2H Flange Coupling Use Flange couplings are valuable for pressurizing piping systems that require the connection of tubing ends or two pipes. A flange coupling usually applies to a coupling having two separate cast iron flanges. In the aerospace industry, flange couplings are used in jet engines, power units, etc. A flange coupling is useful in pressurizing the piping systems where tubing ends or. Flange Coupling Use.
From www.researchgate.net
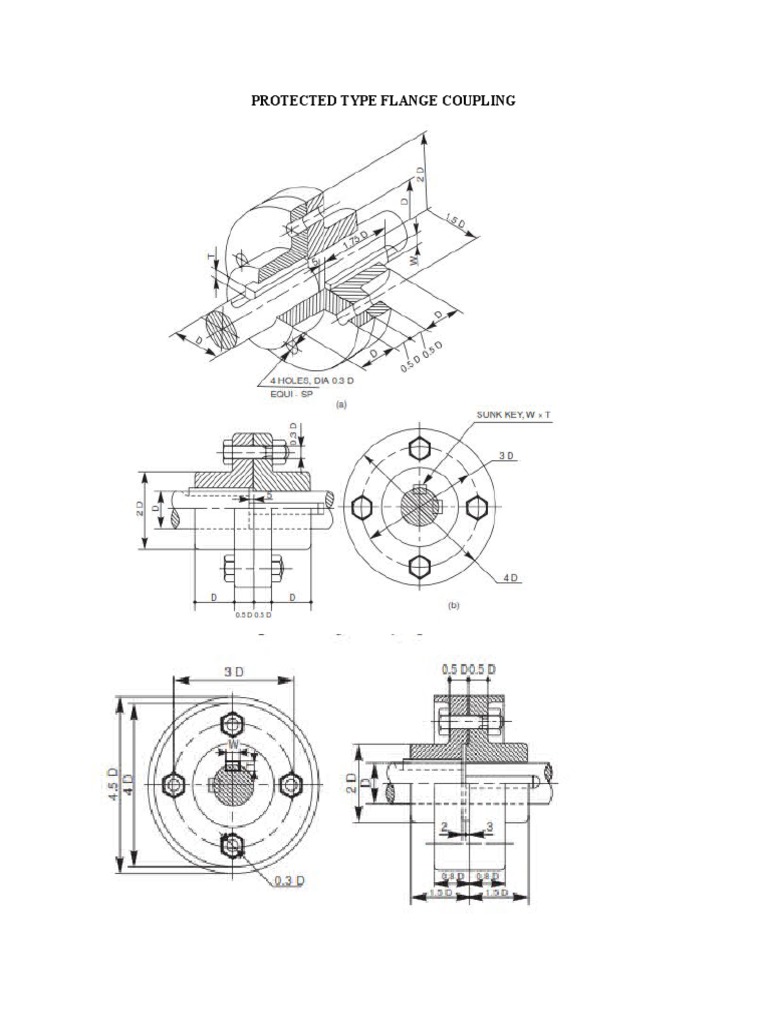
1 Protected type flange coupling Download Scientific Diagram Flange Coupling Use A flange coupling is a type of mechanical coupling used to connect two shafts together to transmit torque and rotation. A flange coupling usually applies to a coupling having two separate cast iron flanges. These flanges are individually mounted on the shaft ends and securely. Flange couplings usually have very strong connecting. The faces are turned up at the right. Flange Coupling Use.
From www.lazada.co.id
Coupling Flange Kopling Sambungan Shaft as kopel 6.35mm 8mm 10mm 12mm Flange Coupling Use The faces are turned up at the right angle to the axis of the shaft. A flange coupling is a type of mechanical coupling used to connect two shafts together to transmit torque and rotation. A flange coupling is useful in pressurizing the piping systems where tubing ends or two pipes need to come together. A flange coupling usually applies. Flange Coupling Use.
From engineeringlearn.com
Shaft Coupling Definition, Types, Uses, Working Principle & Advantages Flange Coupling Use A flange coupling is useful in pressurizing the piping systems where tubing ends or two pipes need to come together. These flanges are individually mounted on the shaft ends and securely. The faces are turned up at the right angle to the axis of the shaft. Each flange is mounted on the shaft end and keyed to it. The connecting. Flange Coupling Use.
From dir.indiamart.com
Flange Coupling at Best Price in India Flange Coupling Use Flange couplings are valuable for pressurizing piping systems that require the connection of tubing ends or two pipes. These flanges are individually mounted on the shaft ends and securely. The faces are turned up at the right angle to the axis of the shaft. One of the flange has In the aerospace industry, flange couplings are used in jet engines,. Flange Coupling Use.
From www.iqsdirectory.com
Shaft Coupling What Is It? How Is it Used? Types Of, Roles Flange Coupling Use In the aerospace industry, flange couplings are used in jet engines, power units, etc. Each flange is mounted on the shaft end and keyed to it. The faces are turned up at the right angle to the axis of the shaft. A flange coupling is a type of mechanical coupling used to connect two shafts together to transmit torque and. Flange Coupling Use.
From www.indiamart.com
Mild Steel Coupling Flange, Garage at Rs 100/piece in Ahmedabad ID Flange Coupling Use One of the flange has Flange couplings are valuable for pressurizing piping systems that require the connection of tubing ends or two pipes. Flange couplings usually have very strong connecting. A flange coupling is a type of mechanical coupling used to connect two shafts together to transmit torque and rotation. Each flange is mounted on the shaft end and keyed. Flange Coupling Use.
From www.youtube.com
Flange Couplings RINGFEDER® TNF BacklashFree, Robust, Easy Flange Coupling Use Flange couplings usually have very strong connecting. A flange coupling is a type of mechanical coupling used to connect two shafts together to transmit torque and rotation. Flange couplings are valuable for pressurizing piping systems that require the connection of tubing ends or two pipes. The connecting methods for flange couplings are usually. In the aerospace industry, flange couplings are. Flange Coupling Use.
From blog.thepipingmart.com
Coupling vs Flange What's the Difference Flange Coupling Use The faces are turned up at the right angle to the axis of the shaft. Flange couplings are valuable for pressurizing piping systems that require the connection of tubing ends or two pipes. One of the flange has Flange couplings usually have very strong connecting. A flange coupling is a type of mechanical coupling used to connect two shafts together. Flange Coupling Use.
From www.rongxingcoupling.com
YL Flange Coupling , aircraft coupling , pump coupling , fan coupling Flange Coupling Use A flange coupling typically refers to a type of coupling that consists of two distinct cast iron flanges. The faces are turned up at the right angle to the axis of the shaft. A flange coupling is useful in pressurizing the piping systems where tubing ends or two pipes need to come together. Each flange is mounted on the shaft. Flange Coupling Use.
From blog.thepipingmart.com
Flange Coupling vs Rigid Coupling What's the Difference Flange Coupling Use In the aerospace industry, flange couplings are used in jet engines, power units, etc. Flange couplings are valuable for pressurizing piping systems that require the connection of tubing ends or two pipes. A flange coupling is useful in pressurizing the piping systems where tubing ends or two pipes need to come together. A flange coupling is a type of mechanical. Flange Coupling Use.
From rathicouplings.com
Benefits of using Flange Couplings Flange Coupling Use A flange coupling is useful in pressurizing the piping systems where tubing ends or two pipes need to come together. The faces are turned up at the right angle to the axis of the shaft. One of the flange has Flange couplings usually have very strong connecting. The connecting methods for flange couplings are usually. Flange couplings are valuable for. Flange Coupling Use.
From www.indiamart.com
SS Flange Coupling at Rs 3300/piece Ghaziabad ID 21243670130 Flange Coupling Use One of the flange has Flange couplings usually have very strong connecting. A flange coupling is useful in pressurizing the piping systems where tubing ends or two pipes need to come together. In the aerospace industry, flange couplings are used in jet engines, power units, etc. A flange coupling typically refers to a type of coupling that consists of two. Flange Coupling Use.
From robarindustries.com
Fabricated Flange Coupling Adapter Robar Industries Flange Coupling Use Flange couplings are valuable for pressurizing piping systems that require the connection of tubing ends or two pipes. In the aerospace industry, flange couplings are used in jet engines, power units, etc. One of the flange has A flange coupling usually applies to a coupling having two separate cast iron flanges. The faces are turned up at the right angle. Flange Coupling Use.