Electric Canal Windlass . if you’ve had enough of pulling an anchor up by hand, and decided that a windlass is the way forward, then read our handy guide on. Buy windlass products and get the best. the go windlass is a canal lock key designed to ease the operation of lock paddles on the inland waterways of. discover everything you need to know about windlasses—from types like electric and anchor windlasses to top brands, installation tips, and. the type of windlass you choose will need to match your anchor rode. 45lbs saltwater boat electric windlass anchor winch marine with wireless remote.
from yourthunderbuddy.com
Buy windlass products and get the best. the type of windlass you choose will need to match your anchor rode. discover everything you need to know about windlasses—from types like electric and anchor windlasses to top brands, installation tips, and. if you’ve had enough of pulling an anchor up by hand, and decided that a windlass is the way forward, then read our handy guide on. 45lbs saltwater boat electric windlass anchor winch marine with wireless remote. the go windlass is a canal lock key designed to ease the operation of lock paddles on the inland waterways of.
√ Canal Windlass
Electric Canal Windlass the type of windlass you choose will need to match your anchor rode. Buy windlass products and get the best. 45lbs saltwater boat electric windlass anchor winch marine with wireless remote. the type of windlass you choose will need to match your anchor rode. the go windlass is a canal lock key designed to ease the operation of lock paddles on the inland waterways of. if you’ve had enough of pulling an anchor up by hand, and decided that a windlass is the way forward, then read our handy guide on. discover everything you need to know about windlasses—from types like electric and anchor windlasses to top brands, installation tips, and.
From yourthunderbuddy.com
√ Canal Windlass Electric Canal Windlass discover everything you need to know about windlasses—from types like electric and anchor windlasses to top brands, installation tips, and. Buy windlass products and get the best. if you’ve had enough of pulling an anchor up by hand, and decided that a windlass is the way forward, then read our handy guide on. the go windlass is. Electric Canal Windlass.
From www.amazon.co.uk
CUZONE Electric Windlass, Marine Windlass, Saltwater Boat Windlass Kit Electric Canal Windlass discover everything you need to know about windlasses—from types like electric and anchor windlasses to top brands, installation tips, and. the type of windlass you choose will need to match your anchor rode. Buy windlass products and get the best. the go windlass is a canal lock key designed to ease the operation of lock paddles on. Electric Canal Windlass.
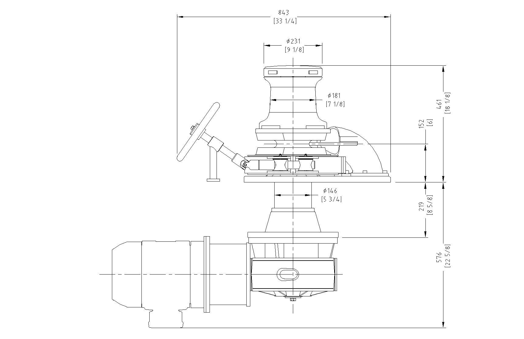
From www.tytanmarine.com
Electric Windlass with Wireless Control System Project Tytan Marine Electric Canal Windlass the go windlass is a canal lock key designed to ease the operation of lock paddles on the inland waterways of. discover everything you need to know about windlasses—from types like electric and anchor windlasses to top brands, installation tips, and. Buy windlass products and get the best. the type of windlass you choose will need to. Electric Canal Windlass.
From www.ramhoist.com
Cheaper series Electric windlasses 1ton, 2ton, 3ton, 5ton and 10ton Electric Canal Windlass the type of windlass you choose will need to match your anchor rode. the go windlass is a canal lock key designed to ease the operation of lock paddles on the inland waterways of. discover everything you need to know about windlasses—from types like electric and anchor windlasses to top brands, installation tips, and. if you’ve. Electric Canal Windlass.
From yourthunderbuddy.com
√ Canal Lock Windlass Electric Canal Windlass the type of windlass you choose will need to match your anchor rode. if you’ve had enough of pulling an anchor up by hand, and decided that a windlass is the way forward, then read our handy guide on. 45lbs saltwater boat electric windlass anchor winch marine with wireless remote. Buy windlass products and get the best.. Electric Canal Windlass.
From www.nauticexpo.com
Electric windlass Zhongyuan Ship Machinery Manufacture (Group) Co Electric Canal Windlass the type of windlass you choose will need to match your anchor rode. discover everything you need to know about windlasses—from types like electric and anchor windlasses to top brands, installation tips, and. the go windlass is a canal lock key designed to ease the operation of lock paddles on the inland waterways of. if you’ve. Electric Canal Windlass.
From www.alibaba.com
Stainless Steel Vertical Electric Marine Capstan Boat Anchor Windlass Electric Canal Windlass discover everything you need to know about windlasses—from types like electric and anchor windlasses to top brands, installation tips, and. Buy windlass products and get the best. 45lbs saltwater boat electric windlass anchor winch marine with wireless remote. the go windlass is a canal lock key designed to ease the operation of lock paddles on the inland. Electric Canal Windlass.
From yourthunderbuddy.com
√ Canal Windlass Electric Canal Windlass if you’ve had enough of pulling an anchor up by hand, and decided that a windlass is the way forward, then read our handy guide on. 45lbs saltwater boat electric windlass anchor winch marine with wireless remote. the type of windlass you choose will need to match your anchor rode. discover everything you need to know. Electric Canal Windlass.
From www.nauticexpo.com
Electric windlass VR/VRC 18000 Muir Windlasses hydraulic / for Electric Canal Windlass the type of windlass you choose will need to match your anchor rode. the go windlass is a canal lock key designed to ease the operation of lock paddles on the inland waterways of. Buy windlass products and get the best. if you’ve had enough of pulling an anchor up by hand, and decided that a windlass. Electric Canal Windlass.
From www.tradeindia.com
Electrical Windlass at Best Price in Thane, Maharashtra Geeta Engg Electric Canal Windlass the type of windlass you choose will need to match your anchor rode. the go windlass is a canal lock key designed to ease the operation of lock paddles on the inland waterways of. 45lbs saltwater boat electric windlass anchor winch marine with wireless remote. if you’ve had enough of pulling an anchor up by hand,. Electric Canal Windlass.
From www.seatechmarineproducts.com
Lofrans Windlass Project 1000 Low Profile 12V Motor 1000W Electric Canal Windlass Buy windlass products and get the best. 45lbs saltwater boat electric windlass anchor winch marine with wireless remote. if you’ve had enough of pulling an anchor up by hand, and decided that a windlass is the way forward, then read our handy guide on. discover everything you need to know about windlasses—from types like electric and anchor. Electric Canal Windlass.
From bigamart.com
Tractor Factory Canal Windlass (Short Throw) Aluminium Beautifully Electric Canal Windlass discover everything you need to know about windlasses—from types like electric and anchor windlasses to top brands, installation tips, and. Buy windlass products and get the best. the go windlass is a canal lock key designed to ease the operation of lock paddles on the inland waterways of. if you’ve had enough of pulling an anchor up. Electric Canal Windlass.
From yourthunderbuddy.com
√ Canal Windlass Electric Canal Windlass Buy windlass products and get the best. the type of windlass you choose will need to match your anchor rode. if you’ve had enough of pulling an anchor up by hand, and decided that a windlass is the way forward, then read our handy guide on. the go windlass is a canal lock key designed to ease. Electric Canal Windlass.
From www.nauticexpo.com
Electric windlass VR/VRC 8000 Muir Windlasses hydraulic / for Electric Canal Windlass the go windlass is a canal lock key designed to ease the operation of lock paddles on the inland waterways of. discover everything you need to know about windlasses—from types like electric and anchor windlasses to top brands, installation tips, and. the type of windlass you choose will need to match your anchor rode. Buy windlass products. Electric Canal Windlass.
From www.tytanmarine.com
Electric Single Windlass Project Tytan Marine Electric Canal Windlass discover everything you need to know about windlasses—from types like electric and anchor windlasses to top brands, installation tips, and. Buy windlass products and get the best. 45lbs saltwater boat electric windlass anchor winch marine with wireless remote. the go windlass is a canal lock key designed to ease the operation of lock paddles on the inland. Electric Canal Windlass.
From www.marineelectricsystems.net
Tips for Maintaining Your Windlass Marine Electric Systems Electric Canal Windlass Buy windlass products and get the best. if you’ve had enough of pulling an anchor up by hand, and decided that a windlass is the way forward, then read our handy guide on. the type of windlass you choose will need to match your anchor rode. 45lbs saltwater boat electric windlass anchor winch marine with wireless remote.. Electric Canal Windlass.
From www.gowindlass.co.uk
Ratchet Windlass, Canal Lock Key, GOWindlass Lock Key Electric Canal Windlass the go windlass is a canal lock key designed to ease the operation of lock paddles on the inland waterways of. the type of windlass you choose will need to match your anchor rode. 45lbs saltwater boat electric windlass anchor winch marine with wireless remote. if you’ve had enough of pulling an anchor up by hand,. Electric Canal Windlass.
From www.canalworld.net
EA & canal windlass sizes General Boating Canal World Electric Canal Windlass Buy windlass products and get the best. discover everything you need to know about windlasses—from types like electric and anchor windlasses to top brands, installation tips, and. the go windlass is a canal lock key designed to ease the operation of lock paddles on the inland waterways of. the type of windlass you choose will need to. Electric Canal Windlass.
From yourthunderbuddy.com
√ Canal Windlass Electric Canal Windlass the type of windlass you choose will need to match your anchor rode. the go windlass is a canal lock key designed to ease the operation of lock paddles on the inland waterways of. Buy windlass products and get the best. discover everything you need to know about windlasses—from types like electric and anchor windlasses to top. Electric Canal Windlass.
From www.seatechmarineproducts.com
FALKON 1700W 12V Horizontal Electric Windlass Lofrans' Windlasses Electric Canal Windlass discover everything you need to know about windlasses—from types like electric and anchor windlasses to top brands, installation tips, and. 45lbs saltwater boat electric windlass anchor winch marine with wireless remote. if you’ve had enough of pulling an anchor up by hand, and decided that a windlass is the way forward, then read our handy guide on.. Electric Canal Windlass.
From yourthunderbuddy.com
√ Canal Windlass Electric Canal Windlass discover everything you need to know about windlasses—from types like electric and anchor windlasses to top brands, installation tips, and. the type of windlass you choose will need to match your anchor rode. Buy windlass products and get the best. the go windlass is a canal lock key designed to ease the operation of lock paddles on. Electric Canal Windlass.
From www.lewmar.com
Windlasses Lewmar Electric Canal Windlass Buy windlass products and get the best. the type of windlass you choose will need to match your anchor rode. if you’ve had enough of pulling an anchor up by hand, and decided that a windlass is the way forward, then read our handy guide on. discover everything you need to know about windlasses—from types like electric. Electric Canal Windlass.
From www.alamy.com
Windlass on canal lock beam Stock Photo Alamy Electric Canal Windlass the go windlass is a canal lock key designed to ease the operation of lock paddles on the inland waterways of. the type of windlass you choose will need to match your anchor rode. if you’ve had enough of pulling an anchor up by hand, and decided that a windlass is the way forward, then read our. Electric Canal Windlass.
From www.tytanmarine.com
Electric Single Windlass Project Tytan Marine Electric Canal Windlass discover everything you need to know about windlasses—from types like electric and anchor windlasses to top brands, installation tips, and. 45lbs saltwater boat electric windlass anchor winch marine with wireless remote. the go windlass is a canal lock key designed to ease the operation of lock paddles on the inland waterways of. Buy windlass products and get. Electric Canal Windlass.
From www.masadamediterranean.com
Electric Windlass Main specifications and parameters Electric Canal Windlass the type of windlass you choose will need to match your anchor rode. discover everything you need to know about windlasses—from types like electric and anchor windlasses to top brands, installation tips, and. if you’ve had enough of pulling an anchor up by hand, and decided that a windlass is the way forward, then read our handy. Electric Canal Windlass.
From www.nauticexpo.com
Boat winch DW08 Muir Windlasses anchor / electric drive / singledrum Electric Canal Windlass the go windlass is a canal lock key designed to ease the operation of lock paddles on the inland waterways of. discover everything you need to know about windlasses—from types like electric and anchor windlasses to top brands, installation tips, and. if you’ve had enough of pulling an anchor up by hand, and decided that a windlass. Electric Canal Windlass.
From yourthunderbuddy.com
√ Canal Lock Windlass Electric Canal Windlass discover everything you need to know about windlasses—from types like electric and anchor windlasses to top brands, installation tips, and. Buy windlass products and get the best. the type of windlass you choose will need to match your anchor rode. 45lbs saltwater boat electric windlass anchor winch marine with wireless remote. if you’ve had enough of. Electric Canal Windlass.
From ramhoist.com
Offer for cheaper series Electric windlasses 1ton, 2ton, 3ton, 5ton Electric Canal Windlass the type of windlass you choose will need to match your anchor rode. the go windlass is a canal lock key designed to ease the operation of lock paddles on the inland waterways of. Buy windlass products and get the best. 45lbs saltwater boat electric windlass anchor winch marine with wireless remote. discover everything you need. Electric Canal Windlass.
From www.dqmarine.com
48mm Electric combined windlass China 48mm Electric combined windlass Electric Canal Windlass if you’ve had enough of pulling an anchor up by hand, and decided that a windlass is the way forward, then read our handy guide on. 45lbs saltwater boat electric windlass anchor winch marine with wireless remote. discover everything you need to know about windlasses—from types like electric and anchor windlasses to top brands, installation tips, and.. Electric Canal Windlass.
From www.shimaotongmarine.com
Anchor Windlass 20KN Drum Electric/Hydraulic Anchor Windlass/Winch Electric Canal Windlass Buy windlass products and get the best. 45lbs saltwater boat electric windlass anchor winch marine with wireless remote. the type of windlass you choose will need to match your anchor rode. discover everything you need to know about windlasses—from types like electric and anchor windlasses to top brands, installation tips, and. the go windlass is a. Electric Canal Windlass.
From yourthunderbuddy.com
√ Canal Windlass Electric Canal Windlass 45lbs saltwater boat electric windlass anchor winch marine with wireless remote. the type of windlass you choose will need to match your anchor rode. discover everything you need to know about windlasses—from types like electric and anchor windlasses to top brands, installation tips, and. if you’ve had enough of pulling an anchor up by hand, and. Electric Canal Windlass.
From www.gumtree.com
Canal lock windlass solid brass in Market Drayton, Shropshire Gumtree Electric Canal Windlass the go windlass is a canal lock key designed to ease the operation of lock paddles on the inland waterways of. Buy windlass products and get the best. if you’ve had enough of pulling an anchor up by hand, and decided that a windlass is the way forward, then read our handy guide on. 45lbs saltwater boat. Electric Canal Windlass.
From www.nauticexpo.com
Electric windlass VR/VRC 11000 Muir Windlasses hydraulic / for Electric Canal Windlass discover everything you need to know about windlasses—from types like electric and anchor windlasses to top brands, installation tips, and. if you’ve had enough of pulling an anchor up by hand, and decided that a windlass is the way forward, then read our handy guide on. Buy windlass products and get the best. the go windlass is. Electric Canal Windlass.
From www.seatechmarineproducts.com
DORADO 700W Horizontal Electric Windlass Lofrans Windlasses Electric Canal Windlass Buy windlass products and get the best. 45lbs saltwater boat electric windlass anchor winch marine with wireless remote. discover everything you need to know about windlasses—from types like electric and anchor windlasses to top brands, installation tips, and. the go windlass is a canal lock key designed to ease the operation of lock paddles on the inland. Electric Canal Windlass.
From depot2u.co.uk
Canal Windlass Aluminum Alloy Canal Lock key Depot2u Electric Canal Windlass 45lbs saltwater boat electric windlass anchor winch marine with wireless remote. discover everything you need to know about windlasses—from types like electric and anchor windlasses to top brands, installation tips, and. the type of windlass you choose will need to match your anchor rode. the go windlass is a canal lock key designed to ease the. Electric Canal Windlass.