Pump Control Pid . It’s practically ubiquitous as a means of controlling temperature and finds application in a myriad of chemical and scientific processes as well as automation. — this blog post explores pid pump control, specifically focusing on the exclusive pump control model. the basic explanation of a pid controller. — pid control is a more advanced flow control method that uses feedback to constantly monitor the process and adjust the current. We need some kind of control input which can create changes in the behavior of the process. The pid controller is continuously monitoring the error value, and using this value,. let’s look at how a pid controller fits into a feedback control loop. The controller is responsible for ensuring that the process remains as close to the. most efficient way to control the pressure of the pump is to modify its speed. It covers key aspects such as.
from domoticzfaq.ru
We need some kind of control input which can create changes in the behavior of the process. let’s look at how a pid controller fits into a feedback control loop. most efficient way to control the pressure of the pump is to modify its speed. It’s practically ubiquitous as a means of controlling temperature and finds application in a myriad of chemical and scientific processes as well as automation. — this blog post explores pid pump control, specifically focusing on the exclusive pump control model. It covers key aspects such as. The controller is responsible for ensuring that the process remains as close to the. — pid control is a more advanced flow control method that uses feedback to constantly monitor the process and adjust the current. The pid controller is continuously monitoring the error value, and using this value,. the basic explanation of a pid controller.
Pid example arduino
Pump Control Pid the basic explanation of a pid controller. The controller is responsible for ensuring that the process remains as close to the. — pid control is a more advanced flow control method that uses feedback to constantly monitor the process and adjust the current. let’s look at how a pid controller fits into a feedback control loop. — this blog post explores pid pump control, specifically focusing on the exclusive pump control model. It’s practically ubiquitous as a means of controlling temperature and finds application in a myriad of chemical and scientific processes as well as automation. We need some kind of control input which can create changes in the behavior of the process. most efficient way to control the pressure of the pump is to modify its speed. the basic explanation of a pid controller. It covers key aspects such as. The pid controller is continuously monitoring the error value, and using this value,.
From www.scilab.org
Discretetime PID Controller Implementation Scilab Pump Control Pid — pid control is a more advanced flow control method that uses feedback to constantly monitor the process and adjust the current. — this blog post explores pid pump control, specifically focusing on the exclusive pump control model. the basic explanation of a pid controller. It covers key aspects such as. The pid controller is continuously monitoring. Pump Control Pid.
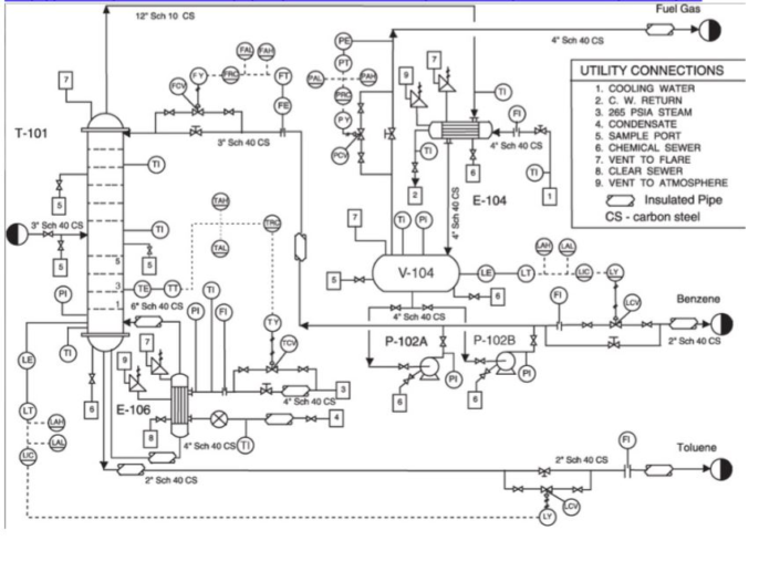
From www.enggcyclopedia.com
Typical P&ID arrangement for pumps EnggCyclopedia Pump Control Pid let’s look at how a pid controller fits into a feedback control loop. — this blog post explores pid pump control, specifically focusing on the exclusive pump control model. It’s practically ubiquitous as a means of controlling temperature and finds application in a myriad of chemical and scientific processes as well as automation. We need some kind of. Pump Control Pid.
From www.youtube.com
WinCC Explorer V7.5 connect with TIA Portal V17 simulation PID control Pump Control Pid — this blog post explores pid pump control, specifically focusing on the exclusive pump control model. let’s look at how a pid controller fits into a feedback control loop. It’s practically ubiquitous as a means of controlling temperature and finds application in a myriad of chemical and scientific processes as well as automation. most efficient way to. Pump Control Pid.
From www.geminivalve.com
How to Read P&ID Component & Valve Symbols [w/ Download] Pump Control Pid let’s look at how a pid controller fits into a feedback control loop. It covers key aspects such as. most efficient way to control the pressure of the pump is to modify its speed. — pid control is a more advanced flow control method that uses feedback to constantly monitor the process and adjust the current. . Pump Control Pid.
From plcynergy.com
What Is A PID Controller And How It Works? PLCynergy Pump Control Pid The pid controller is continuously monitoring the error value, and using this value,. — pid control is a more advanced flow control method that uses feedback to constantly monitor the process and adjust the current. We need some kind of control input which can create changes in the behavior of the process. let’s look at how a pid. Pump Control Pid.
From engineeringunits.com
How To Read P&ID , Basic And Advanced Knowledge? Pump Control Pid We need some kind of control input which can create changes in the behavior of the process. It covers key aspects such as. The controller is responsible for ensuring that the process remains as close to the. — this blog post explores pid pump control, specifically focusing on the exclusive pump control model. the basic explanation of a. Pump Control Pid.
From consyst.biz
VFD MultiPump Control VFD Multipump Control Panel Pump Control Pid It covers key aspects such as. the basic explanation of a pid controller. — pid control is a more advanced flow control method that uses feedback to constantly monitor the process and adjust the current. let’s look at how a pid controller fits into a feedback control loop. It’s practically ubiquitous as a means of controlling temperature. Pump Control Pid.
From theautomization.com
Pid Control Basics In Detail Part 2 The Automization Pump Control Pid let’s look at how a pid controller fits into a feedback control loop. The controller is responsible for ensuring that the process remains as close to the. most efficient way to control the pressure of the pump is to modify its speed. It covers key aspects such as. — this blog post explores pid pump control, specifically. Pump Control Pid.
From www.intechopen.com
AirConditioning PID Control System with Adjustable Reset to Offset Pump Control Pid The controller is responsible for ensuring that the process remains as close to the. most efficient way to control the pressure of the pump is to modify its speed. the basic explanation of a pid controller. We need some kind of control input which can create changes in the behavior of the process. It covers key aspects such. Pump Control Pid.
From www.youtube.com
PID Control Overview YouTube Pump Control Pid most efficient way to control the pressure of the pump is to modify its speed. the basic explanation of a pid controller. The controller is responsible for ensuring that the process remains as close to the. — this blog post explores pid pump control, specifically focusing on the exclusive pump control model. It covers key aspects such. Pump Control Pid.
From www.realpars.com
PID Tuning How to Tune a PID Controller RealPars Pump Control Pid The pid controller is continuously monitoring the error value, and using this value,. the basic explanation of a pid controller. — this blog post explores pid pump control, specifically focusing on the exclusive pump control model. The controller is responsible for ensuring that the process remains as close to the. It covers key aspects such as. most. Pump Control Pid.
From www.xhval.com
P&ID Valve Symbols How to read them on most XHVAL Pump Control Pid We need some kind of control input which can create changes in the behavior of the process. It covers key aspects such as. most efficient way to control the pressure of the pump is to modify its speed. It’s practically ubiquitous as a means of controlling temperature and finds application in a myriad of chemical and scientific processes as. Pump Control Pid.
From boostrand.com
Discover Tips for Preparation of a Pump P&ID Boostrand Pump Control Pid — pid control is a more advanced flow control method that uses feedback to constantly monitor the process and adjust the current. most efficient way to control the pressure of the pump is to modify its speed. It’s practically ubiquitous as a means of controlling temperature and finds application in a myriad of chemical and scientific processes as. Pump Control Pid.
From boostrand.com
Discover Tips for Preparation of a Pump P&ID Boostrand Pump Control Pid — this blog post explores pid pump control, specifically focusing on the exclusive pump control model. It covers key aspects such as. It’s practically ubiquitous as a means of controlling temperature and finds application in a myriad of chemical and scientific processes as well as automation. let’s look at how a pid controller fits into a feedback control. Pump Control Pid.
From forumautomation.com
Piping & Instrumentation Diagrams Tutorials on Pressure Control Field Pump Control Pid It covers key aspects such as. — this blog post explores pid pump control, specifically focusing on the exclusive pump control model. the basic explanation of a pid controller. The pid controller is continuously monitoring the error value, and using this value,. It’s practically ubiquitous as a means of controlling temperature and finds application in a myriad of. Pump Control Pid.
From boostrand.com
Discover Tips for Preparation of a Pump P&ID Boostrand Pump Control Pid the basic explanation of a pid controller. let’s look at how a pid controller fits into a feedback control loop. It covers key aspects such as. The pid controller is continuously monitoring the error value, and using this value,. — this blog post explores pid pump control, specifically focusing on the exclusive pump control model. We need. Pump Control Pid.
From www.realpars.com
PID Controller Explained RealPars Pump Control Pid the basic explanation of a pid controller. The controller is responsible for ensuring that the process remains as close to the. We need some kind of control input which can create changes in the behavior of the process. The pid controller is continuously monitoring the error value, and using this value,. It covers key aspects such as. It’s practically. Pump Control Pid.
From www.researchgate.net
of Differences in Rise Time, Overshoot, and Undershoot on PID and Pump Control Pid We need some kind of control input which can create changes in the behavior of the process. the basic explanation of a pid controller. — pid control is a more advanced flow control method that uses feedback to constantly monitor the process and adjust the current. The pid controller is continuously monitoring the error value, and using this. Pump Control Pid.
From schematiclistoutraced.z13.web.core.windows.net
P&id Diagram With Explanation Pump Control Pid the basic explanation of a pid controller. — pid control is a more advanced flow control method that uses feedback to constantly monitor the process and adjust the current. most efficient way to control the pressure of the pump is to modify its speed. The controller is responsible for ensuring that the process remains as close to. Pump Control Pid.
From www.xhval.com
P&ID Valve Symbols How to read them on most XHVAL Pump Control Pid — pid control is a more advanced flow control method that uses feedback to constantly monitor the process and adjust the current. most efficient way to control the pressure of the pump is to modify its speed. The pid controller is continuously monitoring the error value, and using this value,. It covers key aspects such as. —. Pump Control Pid.
From www.scilab.org
Discretetime PID Controller Implementation Scilab Pump Control Pid We need some kind of control input which can create changes in the behavior of the process. the basic explanation of a pid controller. It’s practically ubiquitous as a means of controlling temperature and finds application in a myriad of chemical and scientific processes as well as automation. The pid controller is continuously monitoring the error value, and using. Pump Control Pid.
From domoticzfaq.ru
Pid example arduino Pump Control Pid — this blog post explores pid pump control, specifically focusing on the exclusive pump control model. The pid controller is continuously monitoring the error value, and using this value,. most efficient way to control the pressure of the pump is to modify its speed. let’s look at how a pid controller fits into a feedback control loop.. Pump Control Pid.
From www.tradekorea.com
Constant Pressure PID Pump Controller(INJ1000 tradekorea Pump Control Pid the basic explanation of a pid controller. The pid controller is continuously monitoring the error value, and using this value,. It’s practically ubiquitous as a means of controlling temperature and finds application in a myriad of chemical and scientific processes as well as automation. — pid control is a more advanced flow control method that uses feedback to. Pump Control Pid.
From www.pinterest.co.uk
Pump with tank pid en Piping and instrumentation diagram Wikipedia Pump Control Pid — this blog post explores pid pump control, specifically focusing on the exclusive pump control model. the basic explanation of a pid controller. most efficient way to control the pressure of the pump is to modify its speed. The pid controller is continuously monitoring the error value, and using this value,. — pid control is a. Pump Control Pid.
From skrilnetz.net
How to build a Brewing Control Panel HERMS 240V 30 AMP Taming the Pump Control Pid most efficient way to control the pressure of the pump is to modify its speed. — this blog post explores pid pump control, specifically focusing on the exclusive pump control model. The controller is responsible for ensuring that the process remains as close to the. It covers key aspects such as. let’s look at how a pid. Pump Control Pid.
From www.edrawmax.com
What is a P&ID Beginner’s Guide EdrawMax Online Pump Control Pid The pid controller is continuously monitoring the error value, and using this value,. It covers key aspects such as. — pid control is a more advanced flow control method that uses feedback to constantly monitor the process and adjust the current. We need some kind of control input which can create changes in the behavior of the process. It’s. Pump Control Pid.
From instrumentationtools.com
P&ID Guidelines for Pumps Heat Exchangers Instrumentation Tools Pump Control Pid We need some kind of control input which can create changes in the behavior of the process. It covers key aspects such as. It’s practically ubiquitous as a means of controlling temperature and finds application in a myriad of chemical and scientific processes as well as automation. — this blog post explores pid pump control, specifically focusing on the. Pump Control Pid.
From guidedoodso3.z14.web.core.windows.net
Pid Loop Wiring Diagram Pump Control Pid We need some kind of control input which can create changes in the behavior of the process. — this blog post explores pid pump control, specifically focusing on the exclusive pump control model. let’s look at how a pid controller fits into a feedback control loop. The controller is responsible for ensuring that the process remains as close. Pump Control Pid.
From corsosystems.com
P&ID Drawings 201 Reading Real World Examples — Corso Systems Pump Control Pid the basic explanation of a pid controller. The controller is responsible for ensuring that the process remains as close to the. most efficient way to control the pressure of the pump is to modify its speed. — pid control is a more advanced flow control method that uses feedback to constantly monitor the process and adjust the. Pump Control Pid.
From www.openswmm.org
SWMM Example PID control for a pump Pump Control Pid We need some kind of control input which can create changes in the behavior of the process. — this blog post explores pid pump control, specifically focusing on the exclusive pump control model. The controller is responsible for ensuring that the process remains as close to the. The pid controller is continuously monitoring the error value, and using this. Pump Control Pid.
From www.youtube.com
Sanitary Centrifugal Pump PID Control YouTube Pump Control Pid most efficient way to control the pressure of the pump is to modify its speed. the basic explanation of a pid controller. It covers key aspects such as. The controller is responsible for ensuring that the process remains as close to the. — pid control is a more advanced flow control method that uses feedback to constantly. Pump Control Pid.
From www.pumpsandsystems.com
VFDs Improve Motor & Pump Control Pumps & Systems Pump Control Pid It covers key aspects such as. The pid controller is continuously monitoring the error value, and using this value,. most efficient way to control the pressure of the pump is to modify its speed. It’s practically ubiquitous as a means of controlling temperature and finds application in a myriad of chemical and scientific processes as well as automation. The. Pump Control Pid.
From blog.isa.org
How to Fix Process Control Loop Problems That PID Tuning Cannot Correct Pump Control Pid let’s look at how a pid controller fits into a feedback control loop. It’s practically ubiquitous as a means of controlling temperature and finds application in a myriad of chemical and scientific processes as well as automation. — this blog post explores pid pump control, specifically focusing on the exclusive pump control model. most efficient way to. Pump Control Pid.
From kimray.com
The Most Common Control Valve Symbols on a P&ID Kimray Pump Control Pid — this blog post explores pid pump control, specifically focusing on the exclusive pump control model. The pid controller is continuously monitoring the error value, and using this value,. most efficient way to control the pressure of the pump is to modify its speed. — pid control is a more advanced flow control method that uses feedback. Pump Control Pid.
From www.pioneerindustrial.com
P&ID Diagram Pioneer Industrial Pump Control Pid It’s practically ubiquitous as a means of controlling temperature and finds application in a myriad of chemical and scientific processes as well as automation. let’s look at how a pid controller fits into a feedback control loop. The controller is responsible for ensuring that the process remains as close to the. We need some kind of control input which. Pump Control Pid.