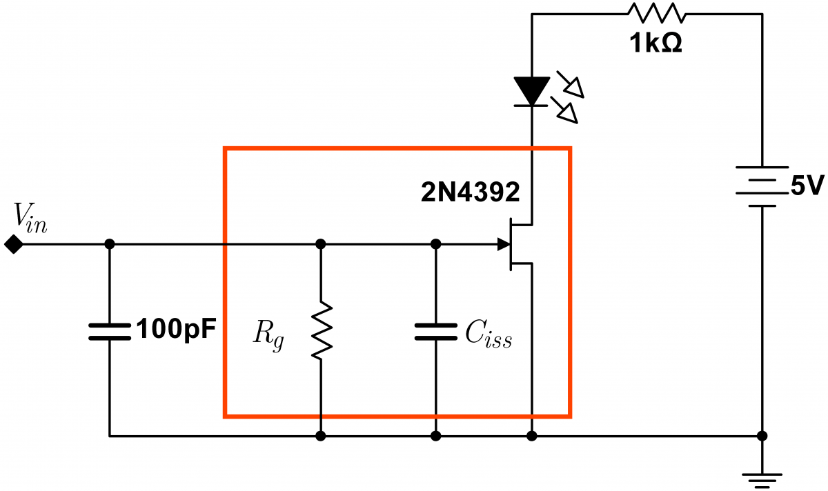
Jfet Switch Schematic . Before exploring how jfets operate as switches, let’s discuss the basic properties of a switch and compare them with jfet operations. schematic diagram of the jfet switching circuit with led output indicator. In this experiment, a jfet is used in place of the bjt, giving dramatically improved. tutorial on field effect transistor fet as a switch. the junction field effect transistor is a unipolar device in which current flow between its two electrodes is controlled by the action of an electric field at a. jfet as a switch: Using a jfet as a switch efficiently controls power with minimal loss, operating in ohmic and cutoff regions. Let's first look at the circuit in the dc domain , with the switch open.
from www.electronicsforu.com
Using a jfet as a switch efficiently controls power with minimal loss, operating in ohmic and cutoff regions. the junction field effect transistor is a unipolar device in which current flow between its two electrodes is controlled by the action of an electric field at a. jfet as a switch: tutorial on field effect transistor fet as a switch. Before exploring how jfets operate as switches, let’s discuss the basic properties of a switch and compare them with jfet operations. In this experiment, a jfet is used in place of the bjt, giving dramatically improved. schematic diagram of the jfet switching circuit with led output indicator. Let's first look at the circuit in the dc domain , with the switch open.
High Impedance Audio Buffer With JFET Full Project Available
Jfet Switch Schematic In this experiment, a jfet is used in place of the bjt, giving dramatically improved. Using a jfet as a switch efficiently controls power with minimal loss, operating in ohmic and cutoff regions. Before exploring how jfets operate as switches, let’s discuss the basic properties of a switch and compare them with jfet operations. tutorial on field effect transistor fet as a switch. Let's first look at the circuit in the dc domain , with the switch open. the junction field effect transistor is a unipolar device in which current flow between its two electrodes is controlled by the action of an electric field at a. schematic diagram of the jfet switching circuit with led output indicator. In this experiment, a jfet is used in place of the bjt, giving dramatically improved. jfet as a switch:
From www.youtube.com
P Channel JFET Switch Circuit YouTube Jfet Switch Schematic jfet as a switch: In this experiment, a jfet is used in place of the bjt, giving dramatically improved. Using a jfet as a switch efficiently controls power with minimal loss, operating in ohmic and cutoff regions. tutorial on field effect transistor fet as a switch. the junction field effect transistor is a unipolar device in which. Jfet Switch Schematic.
From community.element14.com
Simple analog JFET switch part 1 schema, simulate and test Jfet Switch Schematic jfet as a switch: schematic diagram of the jfet switching circuit with led output indicator. Before exploring how jfets operate as switches, let’s discuss the basic properties of a switch and compare them with jfet operations. tutorial on field effect transistor fet as a switch. In this experiment, a jfet is used in place of the bjt,. Jfet Switch Schematic.
From electricala2z.com
Junction FieldEffect Transistors (JFET) Operation, Characteristics Jfet Switch Schematic Let's first look at the circuit in the dc domain , with the switch open. schematic diagram of the jfet switching circuit with led output indicator. Using a jfet as a switch efficiently controls power with minimal loss, operating in ohmic and cutoff regions. the junction field effect transistor is a unipolar device in which current flow between. Jfet Switch Schematic.
From instrumentationlab.berkeley.edu
Lab 4 JFET Circuits I Instrumentation LAB Jfet Switch Schematic tutorial on field effect transistor fet as a switch. Before exploring how jfets operate as switches, let’s discuss the basic properties of a switch and compare them with jfet operations. jfet as a switch: Using a jfet as a switch efficiently controls power with minimal loss, operating in ohmic and cutoff regions. In this experiment, a jfet is. Jfet Switch Schematic.
From www.researchgate.net
Simplified schematic diagram of a commonsource JFET amplifier showing Jfet Switch Schematic schematic diagram of the jfet switching circuit with led output indicator. Before exploring how jfets operate as switches, let’s discuss the basic properties of a switch and compare them with jfet operations. jfet as a switch: Using a jfet as a switch efficiently controls power with minimal loss, operating in ohmic and cutoff regions. the junction field. Jfet Switch Schematic.
From www.seekic.com
JFET_VFO Signal_Processing Circuit Diagram Jfet Switch Schematic jfet as a switch: Using a jfet as a switch efficiently controls power with minimal loss, operating in ohmic and cutoff regions. the junction field effect transistor is a unipolar device in which current flow between its two electrodes is controlled by the action of an electric field at a. In this experiment, a jfet is used in. Jfet Switch Schematic.
From www.zpag.net
Audio Jfet Splitter Jfet Switch Schematic schematic diagram of the jfet switching circuit with led output indicator. Using a jfet as a switch efficiently controls power with minimal loss, operating in ohmic and cutoff regions. Let's first look at the circuit in the dc domain , with the switch open. In this experiment, a jfet is used in place of the bjt, giving dramatically improved.. Jfet Switch Schematic.
From www.electronicsforu.com
High Impedance Audio Buffer With JFET Full Project Available Jfet Switch Schematic Using a jfet as a switch efficiently controls power with minimal loss, operating in ohmic and cutoff regions. schematic diagram of the jfet switching circuit with led output indicator. Let's first look at the circuit in the dc domain , with the switch open. jfet as a switch: the junction field effect transistor is a unipolar device. Jfet Switch Schematic.
From www.vrogue.co
How To Build A P Channel Jfet Switch Circuit vrogue.co Jfet Switch Schematic Using a jfet as a switch efficiently controls power with minimal loss, operating in ohmic and cutoff regions. tutorial on field effect transistor fet as a switch. In this experiment, a jfet is used in place of the bjt, giving dramatically improved. schematic diagram of the jfet switching circuit with led output indicator. Before exploring how jfets operate. Jfet Switch Schematic.
From www.myxxgirl.com
Guitar Pre With Jfet N Circuit Scheme My XXX Hot Girl Jfet Switch Schematic In this experiment, a jfet is used in place of the bjt, giving dramatically improved. Before exploring how jfets operate as switches, let’s discuss the basic properties of a switch and compare them with jfet operations. tutorial on field effect transistor fet as a switch. schematic diagram of the jfet switching circuit with led output indicator. Let's first. Jfet Switch Schematic.
From triptonkosti.ru
Ключ на мосфете схема Jfet Switch Schematic the junction field effect transistor is a unipolar device in which current flow between its two electrodes is controlled by the action of an electric field at a. Before exploring how jfets operate as switches, let’s discuss the basic properties of a switch and compare them with jfet operations. Using a jfet as a switch efficiently controls power with. Jfet Switch Schematic.
From www.next.gr
Electronic Circuits Page 333 Next.gr Jfet Switch Schematic Let's first look at the circuit in the dc domain , with the switch open. Using a jfet as a switch efficiently controls power with minimal loss, operating in ohmic and cutoff regions. tutorial on field effect transistor fet as a switch. the junction field effect transistor is a unipolar device in which current flow between its two. Jfet Switch Schematic.
From www.pinterest.com
J310 N channel JFET transistor switch demo circuit using TLE2426 Jfet Switch Schematic tutorial on field effect transistor fet as a switch. Before exploring how jfets operate as switches, let’s discuss the basic properties of a switch and compare them with jfet operations. schematic diagram of the jfet switching circuit with led output indicator. In this experiment, a jfet is used in place of the bjt, giving dramatically improved. the. Jfet Switch Schematic.
From mavink.com
Jfet Preamp Schematic Jfet Switch Schematic jfet as a switch: schematic diagram of the jfet switching circuit with led output indicator. Let's first look at the circuit in the dc domain , with the switch open. tutorial on field effect transistor fet as a switch. Before exploring how jfets operate as switches, let’s discuss the basic properties of a switch and compare them. Jfet Switch Schematic.
From www.pinterest.co.uk
4 Preamplifier circuits using transistors Jfet Switch Schematic the junction field effect transistor is a unipolar device in which current flow between its two electrodes is controlled by the action of an electric field at a. schematic diagram of the jfet switching circuit with led output indicator. Let's first look at the circuit in the dc domain , with the switch open. tutorial on field. Jfet Switch Schematic.
From robhosking.com
11+ Jfet Circuit Diagram Robhosking Diagram Jfet Switch Schematic tutorial on field effect transistor fet as a switch. In this experiment, a jfet is used in place of the bjt, giving dramatically improved. jfet as a switch: Using a jfet as a switch efficiently controls power with minimal loss, operating in ohmic and cutoff regions. Before exploring how jfets operate as switches, let’s discuss the basic properties. Jfet Switch Schematic.
From www.youtube.com
Numericals on JFET DC Biasing Fixed Bias JFET Self Bias JFET Jfet Switch Schematic Before exploring how jfets operate as switches, let’s discuss the basic properties of a switch and compare them with jfet operations. Using a jfet as a switch efficiently controls power with minimal loss, operating in ohmic and cutoff regions. In this experiment, a jfet is used in place of the bjt, giving dramatically improved. jfet as a switch: Let's. Jfet Switch Schematic.
From www.theengineeringknowledge.com
JFET Biasing Method The Engineering Knowledge Jfet Switch Schematic schematic diagram of the jfet switching circuit with led output indicator. In this experiment, a jfet is used in place of the bjt, giving dramatically improved. Before exploring how jfets operate as switches, let’s discuss the basic properties of a switch and compare them with jfet operations. Using a jfet as a switch efficiently controls power with minimal loss,. Jfet Switch Schematic.
From www.caretxdigital.com
jfet circuit diagram Wiring Diagram and Schematics Jfet Switch Schematic schematic diagram of the jfet switching circuit with led output indicator. In this experiment, a jfet is used in place of the bjt, giving dramatically improved. the junction field effect transistor is a unipolar device in which current flow between its two electrodes is controlled by the action of an electric field at a. Using a jfet as. Jfet Switch Schematic.
From www.wiringdraw.com
Jfet Circuit Diagram Wiring Draw And Schematic Jfet Switch Schematic the junction field effect transistor is a unipolar device in which current flow between its two electrodes is controlled by the action of an electric field at a. jfet as a switch: Using a jfet as a switch efficiently controls power with minimal loss, operating in ohmic and cutoff regions. In this experiment, a jfet is used in. Jfet Switch Schematic.
From en.ppt-online.org
Fieldeffect transistor (FET). Junction fieldeffect transistor (JFET Jfet Switch Schematic the junction field effect transistor is a unipolar device in which current flow between its two electrodes is controlled by the action of an electric field at a. Using a jfet as a switch efficiently controls power with minimal loss, operating in ohmic and cutoff regions. Before exploring how jfets operate as switches, let’s discuss the basic properties of. Jfet Switch Schematic.
From www.freestompboxes.org
BAJA jfet high z in low z out jfet buffer Jfet Switch Schematic jfet as a switch: Let's first look at the circuit in the dc domain , with the switch open. Using a jfet as a switch efficiently controls power with minimal loss, operating in ohmic and cutoff regions. schematic diagram of the jfet switching circuit with led output indicator. the junction field effect transistor is a unipolar device. Jfet Switch Schematic.
From anasounds.com
bossce2jfetswitching Anasounds Jfet Switch Schematic the junction field effect transistor is a unipolar device in which current flow between its two electrodes is controlled by the action of an electric field at a. Using a jfet as a switch efficiently controls power with minimal loss, operating in ohmic and cutoff regions. In this experiment, a jfet is used in place of the bjt, giving. Jfet Switch Schematic.
From en.ppt-online.org
Fieldeffect transistor (FET). Junction fieldeffect transistor (JFET Jfet Switch Schematic tutorial on field effect transistor fet as a switch. jfet as a switch: Before exploring how jfets operate as switches, let’s discuss the basic properties of a switch and compare them with jfet operations. schematic diagram of the jfet switching circuit with led output indicator. Let's first look at the circuit in the dc domain , with. Jfet Switch Schematic.
From www.circuitbread.com
How Junction Field Effect Transistors Work CircuitBread Jfet Switch Schematic Let's first look at the circuit in the dc domain , with the switch open. the junction field effect transistor is a unipolar device in which current flow between its two electrodes is controlled by the action of an electric field at a. tutorial on field effect transistor fet as a switch. Before exploring how jfets operate as. Jfet Switch Schematic.
From www.youtube.com
How to Use a JFET as a Shunt Switch For the Makers YouTube Jfet Switch Schematic tutorial on field effect transistor fet as a switch. jfet as a switch: In this experiment, a jfet is used in place of the bjt, giving dramatically improved. Using a jfet as a switch efficiently controls power with minimal loss, operating in ohmic and cutoff regions. Let's first look at the circuit in the dc domain , with. Jfet Switch Schematic.
From barbarach.com
Breadboarding a Simple JFET Booster Barbarach BC Jfet Switch Schematic the junction field effect transistor is a unipolar device in which current flow between its two electrodes is controlled by the action of an electric field at a. Using a jfet as a switch efficiently controls power with minimal loss, operating in ohmic and cutoff regions. tutorial on field effect transistor fet as a switch. Before exploring how. Jfet Switch Schematic.
From www.youtube.com
N Channel JFET Switch Circuit YouTube Jfet Switch Schematic the junction field effect transistor is a unipolar device in which current flow between its two electrodes is controlled by the action of an electric field at a. Using a jfet as a switch efficiently controls power with minimal loss, operating in ohmic and cutoff regions. Let's first look at the circuit in the dc domain , with the. Jfet Switch Schematic.
From microcontrollerslab.com
2N3819 NChannel JFET Pinout, Datasheet, Example Circuit, Features Jfet Switch Schematic Let's first look at the circuit in the dc domain , with the switch open. jfet as a switch: schematic diagram of the jfet switching circuit with led output indicator. the junction field effect transistor is a unipolar device in which current flow between its two electrodes is controlled by the action of an electric field at. Jfet Switch Schematic.
From barbarach.com
Breadboarding a Simple JFET Booster Barbarach BC Jfet Switch Schematic the junction field effect transistor is a unipolar device in which current flow between its two electrodes is controlled by the action of an electric field at a. Using a jfet as a switch efficiently controls power with minimal loss, operating in ohmic and cutoff regions. tutorial on field effect transistor fet as a switch. schematic diagram. Jfet Switch Schematic.
From www.bumblebeepro.com
Discrete OpAmp Jfet Active DI Prototype Bumblebee Pro Jfet Switch Schematic Using a jfet as a switch efficiently controls power with minimal loss, operating in ohmic and cutoff regions. schematic diagram of the jfet switching circuit with led output indicator. the junction field effect transistor is a unipolar device in which current flow between its two electrodes is controlled by the action of an electric field at a. Let's. Jfet Switch Schematic.
From www.multisim.com
nChannel JFET Analog Switch Multisim Live Jfet Switch Schematic the junction field effect transistor is a unipolar device in which current flow between its two electrodes is controlled by the action of an electric field at a. jfet as a switch: tutorial on field effect transistor fet as a switch. Using a jfet as a switch efficiently controls power with minimal loss, operating in ohmic and. Jfet Switch Schematic.
From www.slideserve.com
PPT CHAPTER 7 PowerPoint Presentation, free download ID6611373 Jfet Switch Schematic Before exploring how jfets operate as switches, let’s discuss the basic properties of a switch and compare them with jfet operations. Using a jfet as a switch efficiently controls power with minimal loss, operating in ohmic and cutoff regions. the junction field effect transistor is a unipolar device in which current flow between its two electrodes is controlled by. Jfet Switch Schematic.
From www.slideserve.com
PPT Chapter 19 PowerPoint Presentation, free download ID234894 Jfet Switch Schematic Let's first look at the circuit in the dc domain , with the switch open. the junction field effect transistor is a unipolar device in which current flow between its two electrodes is controlled by the action of an electric field at a. Using a jfet as a switch efficiently controls power with minimal loss, operating in ohmic and. Jfet Switch Schematic.
From www.vrogue.co
How To Build An N Channel Jfet Switch Circuit vrogue.co Jfet Switch Schematic Let's first look at the circuit in the dc domain , with the switch open. In this experiment, a jfet is used in place of the bjt, giving dramatically improved. Using a jfet as a switch efficiently controls power with minimal loss, operating in ohmic and cutoff regions. jfet as a switch: Before exploring how jfets operate as switches,. Jfet Switch Schematic.