Kawasaki Kd175 Stator . Replaces two kawasaki part numbers: For help on ordering this product. Hi, i don’t know if this is the right subreddit to be asking, but i’ve got a 1976 kawasaki kd175 i’m restoring and i’m looking to rebuild the stator. Get the stator assy manufacturercode: Screw pan head 4x30 (ref # 3) 220e0430. Please specify part number for colored items before make order. It does not support lighting. Rebuilt oem style kawasaki stator 20_k175. The kit includes the ignition coil, cdi unit, stator, and flywheel.
from www.ebay.com
It does not support lighting. Hi, i don’t know if this is the right subreddit to be asking, but i’ve got a 1976 kawasaki kd175 i’m restoring and i’m looking to rebuild the stator. Screw pan head 4x30 (ref # 3) 220e0430. For help on ordering this product. The kit includes the ignition coil, cdi unit, stator, and flywheel. Replaces two kawasaki part numbers: Rebuilt oem style kawasaki stator 20_k175. Please specify part number for colored items before make order. Get the stator assy manufacturercode:
1979 Kawasaki KD175 OEM Stator Cover 140310912H eBay
Kawasaki Kd175 Stator Rebuilt oem style kawasaki stator 20_k175. The kit includes the ignition coil, cdi unit, stator, and flywheel. It does not support lighting. Please specify part number for colored items before make order. Hi, i don’t know if this is the right subreddit to be asking, but i’ve got a 1976 kawasaki kd175 i’m restoring and i’m looking to rebuild the stator. Get the stator assy manufacturercode: Rebuilt oem style kawasaki stator 20_k175. Replaces two kawasaki part numbers: Screw pan head 4x30 (ref # 3) 220e0430. For help on ordering this product.
From www.mecum.com
1976 Kawasaki KD175 at Las Vegas Motorcycles 2018 as F305 Mecum Auctions Kawasaki Kd175 Stator For help on ordering this product. Screw pan head 4x30 (ref # 3) 220e0430. The kit includes the ignition coil, cdi unit, stator, and flywheel. It does not support lighting. Rebuilt oem style kawasaki stator 20_k175. Get the stator assy manufacturercode: Hi, i don’t know if this is the right subreddit to be asking, but i’ve got a 1976 kawasaki. Kawasaki Kd175 Stator.
From offerup.com
1979 Kawasaki KD175 Dirt Bike MX for Sale in Hacienda Heights, CA OfferUp Kawasaki Kd175 Stator For help on ordering this product. Rebuilt oem style kawasaki stator 20_k175. Screw pan head 4x30 (ref # 3) 220e0430. Get the stator assy manufacturercode: Replaces two kawasaki part numbers: The kit includes the ignition coil, cdi unit, stator, and flywheel. Please specify part number for colored items before make order. Hi, i don’t know if this is the right. Kawasaki Kd175 Stator.
From www.cmsnl.com
Kawasaki KD175A1 1976 CANADA CRANKCASE buy original CRANKCASE spares Kawasaki Kd175 Stator Replaces two kawasaki part numbers: The kit includes the ignition coil, cdi unit, stator, and flywheel. Hi, i don’t know if this is the right subreddit to be asking, but i’ve got a 1976 kawasaki kd175 i’m restoring and i’m looking to rebuild the stator. Get the stator assy manufacturercode: Please specify part number for colored items before make order.. Kawasaki Kd175 Stator.
From www.ebay.com
19761979 Kawasaki KD KE 175 KD175 KE175 OEM Left Side Stator Cover Kawasaki Kd175 Stator Hi, i don’t know if this is the right subreddit to be asking, but i’ve got a 1976 kawasaki kd175 i’m restoring and i’m looking to rebuild the stator. Please specify part number for colored items before make order. The kit includes the ignition coil, cdi unit, stator, and flywheel. For help on ordering this product. It does not support. Kawasaki Kd175 Stator.
From www.pinterest.com
an advertisement for a dirt bike from the 1970's, with information about it Kawasaki Kd175 Stator Please specify part number for colored items before make order. It does not support lighting. The kit includes the ignition coil, cdi unit, stator, and flywheel. Get the stator assy manufacturercode: For help on ordering this product. Replaces two kawasaki part numbers: Screw pan head 4x30 (ref # 3) 220e0430. Hi, i don’t know if this is the right subreddit. Kawasaki Kd175 Stator.
From www.pinterest.com
1978 Kawasaki KD175 Mx Bikes, Kawasaki, Vintage Japanese, Moped Kawasaki Kd175 Stator Replaces two kawasaki part numbers: Please specify part number for colored items before make order. Rebuilt oem style kawasaki stator 20_k175. Get the stator assy manufacturercode: Hi, i don’t know if this is the right subreddit to be asking, but i’ve got a 1976 kawasaki kd175 i’m restoring and i’m looking to rebuild the stator. It does not support lighting.. Kawasaki Kd175 Stator.
From www.ebay.com
kawasaki kd175 oil pump drive gear assembly part 16086002 16085016 Kawasaki Kd175 Stator The kit includes the ignition coil, cdi unit, stator, and flywheel. Get the stator assy manufacturercode: Rebuilt oem style kawasaki stator 20_k175. It does not support lighting. Hi, i don’t know if this is the right subreddit to be asking, but i’ve got a 1976 kawasaki kd175 i’m restoring and i’m looking to rebuild the stator. Please specify part number. Kawasaki Kd175 Stator.
From www.ebay.com
1979 Kawasaki KD175 OEM Stator Cover 140310912H eBay Kawasaki Kd175 Stator The kit includes the ignition coil, cdi unit, stator, and flywheel. Screw pan head 4x30 (ref # 3) 220e0430. It does not support lighting. For help on ordering this product. Replaces two kawasaki part numbers: Please specify part number for colored items before make order. Hi, i don’t know if this is the right subreddit to be asking, but i’ve. Kawasaki Kd175 Stator.
From www.ebay.com
1979 Kawasaki KD175 OEM Stator Cover 140310912H eBay Kawasaki Kd175 Stator Hi, i don’t know if this is the right subreddit to be asking, but i’ve got a 1976 kawasaki kd175 i’m restoring and i’m looking to rebuild the stator. For help on ordering this product. Get the stator assy manufacturercode: Screw pan head 4x30 (ref # 3) 220e0430. It does not support lighting. Please specify part number for colored items. Kawasaki Kd175 Stator.
From www.cmsnl.com
Kawasaki KD175A2 1977 CANADA OPTIONAL PARTS buy original OPTIONAL Kawasaki Kd175 Stator Rebuilt oem style kawasaki stator 20_k175. Screw pan head 4x30 (ref # 3) 220e0430. Hi, i don’t know if this is the right subreddit to be asking, but i’ve got a 1976 kawasaki kd175 i’m restoring and i’m looking to rebuild the stator. The kit includes the ignition coil, cdi unit, stator, and flywheel. It does not support lighting. Replaces. Kawasaki Kd175 Stator.
From offerup.com
1979 Kawasaki KD175 Dirt Bike MX for Sale in Hacienda Heights, CA OfferUp Kawasaki Kd175 Stator Get the stator assy manufacturercode: Please specify part number for colored items before make order. Rebuilt oem style kawasaki stator 20_k175. The kit includes the ignition coil, cdi unit, stator, and flywheel. Hi, i don’t know if this is the right subreddit to be asking, but i’ve got a 1976 kawasaki kd175 i’m restoring and i’m looking to rebuild the. Kawasaki Kd175 Stator.
From www.youtube.com
Solving the KD175 Puzzle How to Diagnose and Inspect this Kawasaki Kawasaki Kd175 Stator Get the stator assy manufacturercode: It does not support lighting. Replaces two kawasaki part numbers: The kit includes the ignition coil, cdi unit, stator, and flywheel. Screw pan head 4x30 (ref # 3) 220e0430. For help on ordering this product. Hi, i don’t know if this is the right subreddit to be asking, but i’ve got a 1976 kawasaki kd175. Kawasaki Kd175 Stator.
From www.ebay.com
kawasaki kd175 oil pump drive gear assembly part 16086002 16085016 Kawasaki Kd175 Stator Get the stator assy manufacturercode: Replaces two kawasaki part numbers: For help on ordering this product. Rebuilt oem style kawasaki stator 20_k175. Hi, i don’t know if this is the right subreddit to be asking, but i’ve got a 1976 kawasaki kd175 i’m restoring and i’m looking to rebuild the stator. It does not support lighting. The kit includes the. Kawasaki Kd175 Stator.
From www.cmsnl.com
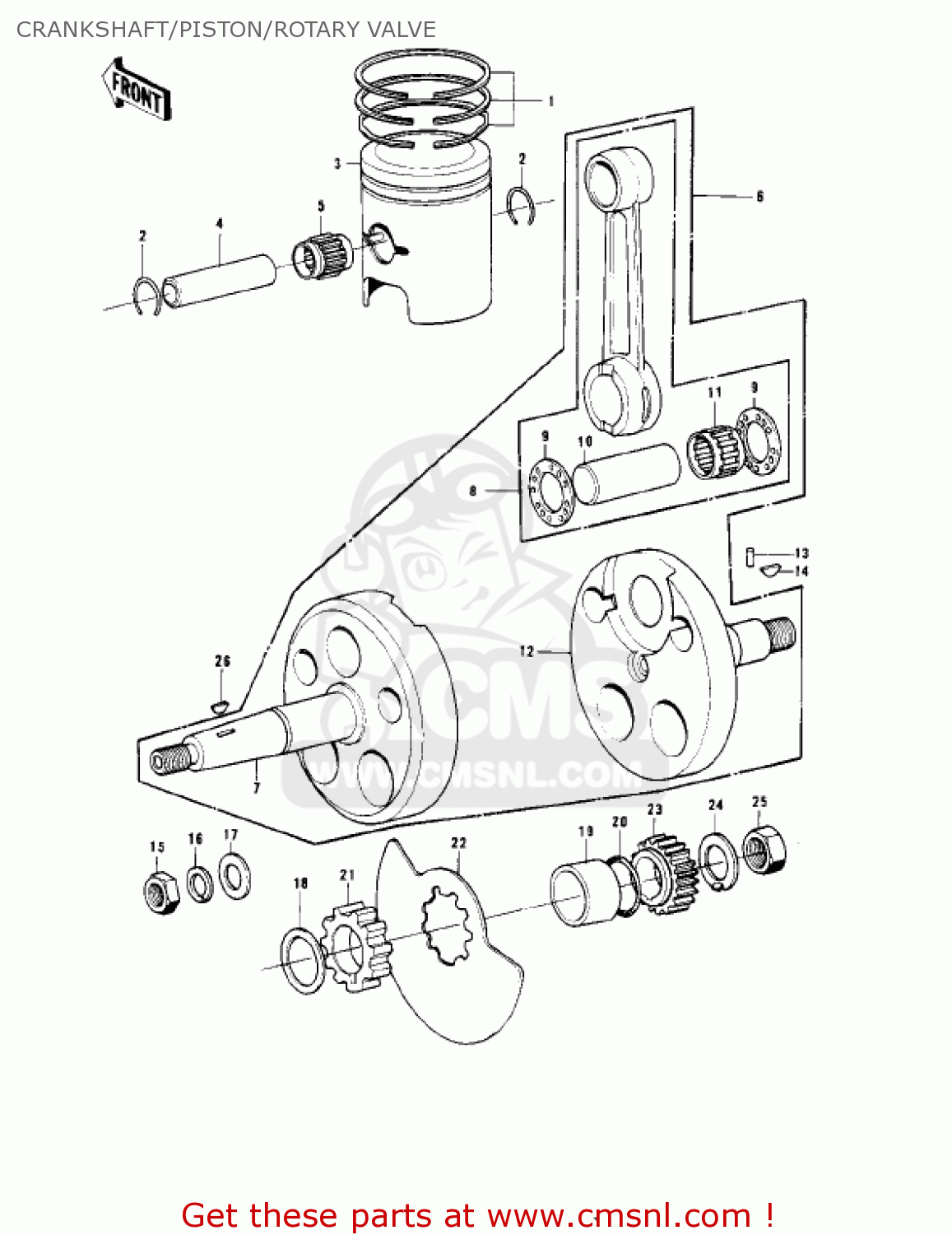
Kawasaki KD175A2 1977 CANADA CRANKSHAFT/PISTON/ROTARY VALVE buy Kawasaki Kd175 Stator Hi, i don’t know if this is the right subreddit to be asking, but i’ve got a 1976 kawasaki kd175 i’m restoring and i’m looking to rebuild the stator. Get the stator assy manufacturercode: Rebuilt oem style kawasaki stator 20_k175. Please specify part number for colored items before make order. Replaces two kawasaki part numbers: It does not support lighting.. Kawasaki Kd175 Stator.
From www.cmsnl.com
Kawasaki KD175A3 1978 CANADA CARBURETOR buy original CARBURETOR Kawasaki Kd175 Stator Get the stator assy manufacturercode: Hi, i don’t know if this is the right subreddit to be asking, but i’ve got a 1976 kawasaki kd175 i’m restoring and i’m looking to rebuild the stator. For help on ordering this product. Please specify part number for colored items before make order. Replaces two kawasaki part numbers: It does not support lighting.. Kawasaki Kd175 Stator.
From www.ebay.com
kawasaki kd175 oil pump drive gear assembly part 16086002 16085016 Kawasaki Kd175 Stator Get the stator assy manufacturercode: For help on ordering this product. Screw pan head 4x30 (ref # 3) 220e0430. Replaces two kawasaki part numbers: It does not support lighting. Rebuilt oem style kawasaki stator 20_k175. Please specify part number for colored items before make order. The kit includes the ignition coil, cdi unit, stator, and flywheel. Hi, i don’t know. Kawasaki Kd175 Stator.
From www.pinterest.co.uk
Classic 1976 Kawasaki KD175 eBay Kawasaki, Kawasaki motorcycles Kawasaki Kd175 Stator Rebuilt oem style kawasaki stator 20_k175. Get the stator assy manufacturercode: Please specify part number for colored items before make order. Hi, i don’t know if this is the right subreddit to be asking, but i’ve got a 1976 kawasaki kd175 i’m restoring and i’m looking to rebuild the stator. Replaces two kawasaki part numbers: Screw pan head 4x30 (ref. Kawasaki Kd175 Stator.
From www.regulatorrectifier.com
Stator KDX175 KDX 175 Kawasaki Kawasaki Kd175 Stator For help on ordering this product. Get the stator assy manufacturercode: It does not support lighting. Rebuilt oem style kawasaki stator 20_k175. Screw pan head 4x30 (ref # 3) 220e0430. The kit includes the ignition coil, cdi unit, stator, and flywheel. Hi, i don’t know if this is the right subreddit to be asking, but i’ve got a 1976 kawasaki. Kawasaki Kd175 Stator.
From www.ebay.com
1979 KAWASAKI KD175 CDI 6034 eBay Kawasaki Kd175 Stator Please specify part number for colored items before make order. For help on ordering this product. Rebuilt oem style kawasaki stator 20_k175. Get the stator assy manufacturercode: Screw pan head 4x30 (ref # 3) 220e0430. Replaces two kawasaki part numbers: It does not support lighting. Hi, i don’t know if this is the right subreddit to be asking, but i’ve. Kawasaki Kd175 Stator.
From www.cmsnl.com
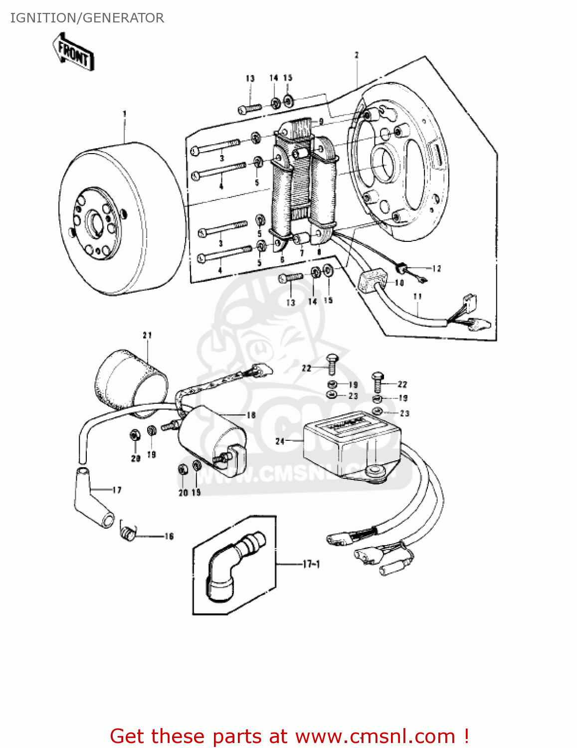
Kawasaki KD175A4 1979 CANADA IGNITION/GENERATOR buy original Kawasaki Kd175 Stator Replaces two kawasaki part numbers: Rebuilt oem style kawasaki stator 20_k175. Screw pan head 4x30 (ref # 3) 220e0430. It does not support lighting. The kit includes the ignition coil, cdi unit, stator, and flywheel. Please specify part number for colored items before make order. Hi, i don’t know if this is the right subreddit to be asking, but i’ve. Kawasaki Kd175 Stator.
From www.ebay.com
19761979 Kawasaki KD KE 175 KD175 KE175 OEM Left Side Stator Cover Kawasaki Kd175 Stator The kit includes the ignition coil, cdi unit, stator, and flywheel. Please specify part number for colored items before make order. Get the stator assy manufacturercode: Hi, i don’t know if this is the right subreddit to be asking, but i’ve got a 1976 kawasaki kd175 i’m restoring and i’m looking to rebuild the stator. It does not support lighting.. Kawasaki Kd175 Stator.
From www.ebay.com
kawasaki kd175 oil pump drive gear assembly part 16086002 16085016 Kawasaki Kd175 Stator It does not support lighting. The kit includes the ignition coil, cdi unit, stator, and flywheel. Rebuilt oem style kawasaki stator 20_k175. Hi, i don’t know if this is the right subreddit to be asking, but i’ve got a 1976 kawasaki kd175 i’m restoring and i’m looking to rebuild the stator. Screw pan head 4x30 (ref # 3) 220e0430. Replaces. Kawasaki Kd175 Stator.
From www.ebay.com
1979 Kawasaki KD175 OEM Stator Cover 140310912H eBay Kawasaki Kd175 Stator It does not support lighting. The kit includes the ignition coil, cdi unit, stator, and flywheel. For help on ordering this product. Get the stator assy manufacturercode: Replaces two kawasaki part numbers: Please specify part number for colored items before make order. Screw pan head 4x30 (ref # 3) 220e0430. Hi, i don’t know if this is the right subreddit. Kawasaki Kd175 Stator.
From www.youtube.com
1976 Kawasaki KD175 Restoration pt.2 YouTube Kawasaki Kd175 Stator Hi, i don’t know if this is the right subreddit to be asking, but i’ve got a 1976 kawasaki kd175 i’m restoring and i’m looking to rebuild the stator. Get the stator assy manufacturercode: The kit includes the ignition coil, cdi unit, stator, and flywheel. Please specify part number for colored items before make order. Replaces two kawasaki part numbers:. Kawasaki Kd175 Stator.
From www.ebay.com
Kawasaki KD175 Crankshaft Assembly (with good rod bearing) eBay Kawasaki Kd175 Stator For help on ordering this product. It does not support lighting. Hi, i don’t know if this is the right subreddit to be asking, but i’ve got a 1976 kawasaki kd175 i’m restoring and i’m looking to rebuild the stator. Screw pan head 4x30 (ref # 3) 220e0430. Rebuilt oem style kawasaki stator 20_k175. The kit includes the ignition coil,. Kawasaki Kd175 Stator.
From www.flickr.com
1977 Kawasaki KD175 Tony Blazier Flickr Kawasaki Kd175 Stator Hi, i don’t know if this is the right subreddit to be asking, but i’ve got a 1976 kawasaki kd175 i’m restoring and i’m looking to rebuild the stator. Rebuilt oem style kawasaki stator 20_k175. Get the stator assy manufacturercode: The kit includes the ignition coil, cdi unit, stator, and flywheel. It does not support lighting. Please specify part number. Kawasaki Kd175 Stator.
From www.ebay.com
1979 KAWASAKI KD175 CDI 6034 eBay Kawasaki Kd175 Stator Please specify part number for colored items before make order. It does not support lighting. Screw pan head 4x30 (ref # 3) 220e0430. Rebuilt oem style kawasaki stator 20_k175. The kit includes the ignition coil, cdi unit, stator, and flywheel. Hi, i don’t know if this is the right subreddit to be asking, but i’ve got a 1976 kawasaki kd175. Kawasaki Kd175 Stator.
From www.ebay.com
19761979 Kawasaki KD KE 175 KD175 KE175 OEM Left Side Stator Cover Kawasaki Kd175 Stator Get the stator assy manufacturercode: The kit includes the ignition coil, cdi unit, stator, and flywheel. Rebuilt oem style kawasaki stator 20_k175. For help on ordering this product. It does not support lighting. Screw pan head 4x30 (ref # 3) 220e0430. Hi, i don’t know if this is the right subreddit to be asking, but i’ve got a 1976 kawasaki. Kawasaki Kd175 Stator.
From www.youtube.com
Kawasaki KD175 Carburetor Repair. Will it Run Again? YouTube Kawasaki Kd175 Stator For help on ordering this product. Please specify part number for colored items before make order. Hi, i don’t know if this is the right subreddit to be asking, but i’ve got a 1976 kawasaki kd175 i’m restoring and i’m looking to rebuild the stator. The kit includes the ignition coil, cdi unit, stator, and flywheel. Replaces two kawasaki part. Kawasaki Kd175 Stator.
From www.ebay.com
19761979 Kawasaki KD KE 175 KD175 KE175 OEM Left Side Stator Cover Kawasaki Kd175 Stator Replaces two kawasaki part numbers: The kit includes the ignition coil, cdi unit, stator, and flywheel. For help on ordering this product. Screw pan head 4x30 (ref # 3) 220e0430. Get the stator assy manufacturercode: Please specify part number for colored items before make order. Rebuilt oem style kawasaki stator 20_k175. It does not support lighting. Hi, i don’t know. Kawasaki Kd175 Stator.
From www.ebay.com
kawasaki kd175 kd 175 ke175 ke 175 new original rotary valve disc 12002 Kawasaki Kd175 Stator For help on ordering this product. Screw pan head 4x30 (ref # 3) 220e0430. Please specify part number for colored items before make order. It does not support lighting. The kit includes the ignition coil, cdi unit, stator, and flywheel. Replaces two kawasaki part numbers: Rebuilt oem style kawasaki stator 20_k175. Hi, i don’t know if this is the right. Kawasaki Kd175 Stator.
From www.nospartsnow.com
NOS Kawasaki 197679 KD175 197678 KE175 Generator Stator Cover Gasket Kawasaki Kd175 Stator Screw pan head 4x30 (ref # 3) 220e0430. Please specify part number for colored items before make order. Hi, i don’t know if this is the right subreddit to be asking, but i’ve got a 1976 kawasaki kd175 i’m restoring and i’m looking to rebuild the stator. Rebuilt oem style kawasaki stator 20_k175. The kit includes the ignition coil, cdi. Kawasaki Kd175 Stator.
From www.thumpertalk.com
1978 Kawasaki KD175 clutch lever not snapping back Vintage Dirt Bikes Kawasaki Kd175 Stator Hi, i don’t know if this is the right subreddit to be asking, but i’ve got a 1976 kawasaki kd175 i’m restoring and i’m looking to rebuild the stator. Please specify part number for colored items before make order. The kit includes the ignition coil, cdi unit, stator, and flywheel. Screw pan head 4x30 (ref # 3) 220e0430. It does. Kawasaki Kd175 Stator.
From www.mecum.com
1976 Kawasaki KD175 at Las Vegas Motorcycles 2018 as F305 Mecum Auctions Kawasaki Kd175 Stator Get the stator assy manufacturercode: Hi, i don’t know if this is the right subreddit to be asking, but i’ve got a 1976 kawasaki kd175 i’m restoring and i’m looking to rebuild the stator. Replaces two kawasaki part numbers: For help on ordering this product. Please specify part number for colored items before make order. Rebuilt oem style kawasaki stator. Kawasaki Kd175 Stator.
From www.cmsnl.com
Kawasaki KD175A1 1976 CANADA KICKSTARTER MECHANISM buy original Kawasaki Kd175 Stator For help on ordering this product. The kit includes the ignition coil, cdi unit, stator, and flywheel. Replaces two kawasaki part numbers: Please specify part number for colored items before make order. Hi, i don’t know if this is the right subreddit to be asking, but i’ve got a 1976 kawasaki kd175 i’m restoring and i’m looking to rebuild the. Kawasaki Kd175 Stator.