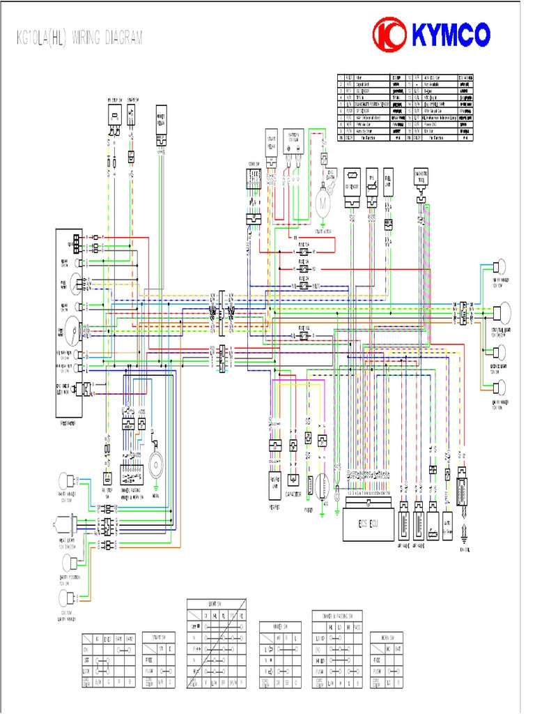
Wiring Diagram Kymco Agility 50 . Find service manuals and wiring diagrams for various kymco motorcycles, scooters and atvs. Download pdf files for free or view online for kymco people 50, 125, 150. View and download kymco agility 50 manuals for free. If you own a kymco agility 50 scooter, understanding its inner workings is essential for proper maintenance and repairs. Agily 50 schema created date: Wiring diagram kymco agility 50 carry
from inspireops52.blogspot.com
View and download kymco agility 50 manuals for free. Find service manuals and wiring diagrams for various kymco motorcycles, scooters and atvs. Wiring diagram kymco agility 50 carry Download pdf files for free or view online for kymco people 50, 125, 150. Agily 50 schema created date: If you own a kymco agility 50 scooter, understanding its inner workings is essential for proper maintenance and repairs.
Kymco People 50 Wiring Diagram inspireops
Wiring Diagram Kymco Agility 50 Find service manuals and wiring diagrams for various kymco motorcycles, scooters and atvs. Download pdf files for free or view online for kymco people 50, 125, 150. Wiring diagram kymco agility 50 carry If you own a kymco agility 50 scooter, understanding its inner workings is essential for proper maintenance and repairs. Agily 50 schema created date: View and download kymco agility 50 manuals for free. Find service manuals and wiring diagrams for various kymco motorcycles, scooters and atvs.
From schematicironized.z21.web.core.windows.net
Motorcycle Cdi Wiring Diagrams Wiring Diagram Kymco Agility 50 Download pdf files for free or view online for kymco people 50, 125, 150. View and download kymco agility 50 manuals for free. Find service manuals and wiring diagrams for various kymco motorcycles, scooters and atvs. Wiring diagram kymco agility 50 carry If you own a kymco agility 50 scooter, understanding its inner workings is essential for proper maintenance and. Wiring Diagram Kymco Agility 50.
From wiringdiagram.2bitboer.com
Kymco Agility 50 4t Wiring Diagram Wiring Diagram Wiring Diagram Kymco Agility 50 View and download kymco agility 50 manuals for free. Find service manuals and wiring diagrams for various kymco motorcycles, scooters and atvs. Download pdf files for free or view online for kymco people 50, 125, 150. If you own a kymco agility 50 scooter, understanding its inner workings is essential for proper maintenance and repairs. Agily 50 schema created date:. Wiring Diagram Kymco Agility 50.
From wiringchart101.storage.googleapis.com
49cc scooter cdi wiring diagrams Wiring Diagram Kymco Agility 50 Agily 50 schema created date: View and download kymco agility 50 manuals for free. Wiring diagram kymco agility 50 carry If you own a kymco agility 50 scooter, understanding its inner workings is essential for proper maintenance and repairs. Find service manuals and wiring diagrams for various kymco motorcycles, scooters and atvs. Download pdf files for free or view online. Wiring Diagram Kymco Agility 50.
From schematron.org
Kymco Agility 125 Wiring Diagram Wiring Diagram Pictures Wiring Diagram Kymco Agility 50 View and download kymco agility 50 manuals for free. Find service manuals and wiring diagrams for various kymco motorcycles, scooters and atvs. Agily 50 schema created date: Wiring diagram kymco agility 50 carry If you own a kymco agility 50 scooter, understanding its inner workings is essential for proper maintenance and repairs. Download pdf files for free or view online. Wiring Diagram Kymco Agility 50.
From www.bois-eco-concept.fr
Schema electrique kymco agility 50 4t Wiring Diagram Kymco Agility 50 If you own a kymco agility 50 scooter, understanding its inner workings is essential for proper maintenance and repairs. View and download kymco agility 50 manuals for free. Wiring diagram kymco agility 50 carry Agily 50 schema created date: Download pdf files for free or view online for kymco people 50, 125, 150. Find service manuals and wiring diagrams for. Wiring Diagram Kymco Agility 50.
From gfs-wiring-diagram44.blogspot.com
Kymco Agility City 50 Wiring Diagram KYMCO Agility City 50 4T specs Wiring Diagram Kymco Agility 50 Find service manuals and wiring diagrams for various kymco motorcycles, scooters and atvs. Wiring diagram kymco agility 50 carry Agily 50 schema created date: If you own a kymco agility 50 scooter, understanding its inner workings is essential for proper maintenance and repairs. View and download kymco agility 50 manuals for free. Download pdf files for free or view online. Wiring Diagram Kymco Agility 50.
From schematicellsfettes.z21.web.core.windows.net
Lap Pir Sensor Wiring Diagram Wiring Diagram Kymco Agility 50 Download pdf files for free or view online for kymco people 50, 125, 150. Wiring diagram kymco agility 50 carry Agily 50 schema created date: If you own a kymco agility 50 scooter, understanding its inner workings is essential for proper maintenance and repairs. View and download kymco agility 50 manuals for free. Find service manuals and wiring diagrams for. Wiring Diagram Kymco Agility 50.
From circuittesava45.z21.web.core.windows.net
Les Paul Wiring Diagram 50s Wiring Diagram Kymco Agility 50 Agily 50 schema created date: Wiring diagram kymco agility 50 carry If you own a kymco agility 50 scooter, understanding its inner workings is essential for proper maintenance and repairs. Find service manuals and wiring diagrams for various kymco motorcycles, scooters and atvs. Download pdf files for free or view online for kymco people 50, 125, 150. View and download. Wiring Diagram Kymco Agility 50.
From www.pinterest.co.uk
Kymco Agility 50 Wiring Diagram Wiring Diagram Kymco Agility 50 Find service manuals and wiring diagrams for various kymco motorcycles, scooters and atvs. If you own a kymco agility 50 scooter, understanding its inner workings is essential for proper maintenance and repairs. View and download kymco agility 50 manuals for free. Wiring diagram kymco agility 50 carry Agily 50 schema created date: Download pdf files for free or view online. Wiring Diagram Kymco Agility 50.
From circuitlibblakeney.z13.web.core.windows.net
Wiring Diagrams For Kymco Scooters Wiring Diagram Kymco Agility 50 Find service manuals and wiring diagrams for various kymco motorcycles, scooters and atvs. If you own a kymco agility 50 scooter, understanding its inner workings is essential for proper maintenance and repairs. View and download kymco agility 50 manuals for free. Wiring diagram kymco agility 50 carry Agily 50 schema created date: Download pdf files for free or view online. Wiring Diagram Kymco Agility 50.
From guidemanualspellcheck.z21.web.core.windows.net
Gy6 Wiring Schematic 50cc Wiring Diagram Kymco Agility 50 If you own a kymco agility 50 scooter, understanding its inner workings is essential for proper maintenance and repairs. Download pdf files for free or view online for kymco people 50, 125, 150. Find service manuals and wiring diagrams for various kymco motorcycles, scooters and atvs. Wiring diagram kymco agility 50 carry Agily 50 schema created date: View and download. Wiring Diagram Kymco Agility 50.
From guidewiringrevving.z13.web.core.windows.net
Wiring Diagrams For Kymco Scooters Wiring Diagram Kymco Agility 50 Download pdf files for free or view online for kymco people 50, 125, 150. Find service manuals and wiring diagrams for various kymco motorcycles, scooters and atvs. Wiring diagram kymco agility 50 carry View and download kymco agility 50 manuals for free. If you own a kymco agility 50 scooter, understanding its inner workings is essential for proper maintenance and. Wiring Diagram Kymco Agility 50.
From www.pinterest.com
Kymco Agility 50 Wiring Diagram tor Me And Wiring Diagram Kymco Agility 50 Wiring diagram kymco agility 50 carry Find service manuals and wiring diagrams for various kymco motorcycles, scooters and atvs. View and download kymco agility 50 manuals for free. Download pdf files for free or view online for kymco people 50, 125, 150. If you own a kymco agility 50 scooter, understanding its inner workings is essential for proper maintenance and. Wiring Diagram Kymco Agility 50.
From motorcycle-repair-manual.jimdo.com
Kymco Wiring Diagram (EWD) Motorcycle Manuals PDF Wiring Diagram Kymco Agility 50 Agily 50 schema created date: Download pdf files for free or view online for kymco people 50, 125, 150. Wiring diagram kymco agility 50 carry View and download kymco agility 50 manuals for free. If you own a kymco agility 50 scooter, understanding its inner workings is essential for proper maintenance and repairs. Find service manuals and wiring diagrams for. Wiring Diagram Kymco Agility 50.
From wiringdiagram.online
[DIAGRAM] Kymco Agility 125 Wiring Diagram Wiring Diagram Kymco Agility 50 If you own a kymco agility 50 scooter, understanding its inner workings is essential for proper maintenance and repairs. View and download kymco agility 50 manuals for free. Agily 50 schema created date: Find service manuals and wiring diagrams for various kymco motorcycles, scooters and atvs. Download pdf files for free or view online for kymco people 50, 125, 150.. Wiring Diagram Kymco Agility 50.
From www.pinterest.com
Wiring Diagram For Kymco Agility 50 Download Free And https//pin.it Wiring Diagram Kymco Agility 50 Download pdf files for free or view online for kymco people 50, 125, 150. View and download kymco agility 50 manuals for free. Agily 50 schema created date: If you own a kymco agility 50 scooter, understanding its inner workings is essential for proper maintenance and repairs. Wiring diagram kymco agility 50 carry Find service manuals and wiring diagrams for. Wiring Diagram Kymco Agility 50.
From inspireops52.blogspot.com
Kymco People 50 Wiring Diagram inspireops Wiring Diagram Kymco Agility 50 Find service manuals and wiring diagrams for various kymco motorcycles, scooters and atvs. Agily 50 schema created date: Download pdf files for free or view online for kymco people 50, 125, 150. View and download kymco agility 50 manuals for free. If you own a kymco agility 50 scooter, understanding its inner workings is essential for proper maintenance and repairs.. Wiring Diagram Kymco Agility 50.
From wiringdiagram.2bitboer.com
Kymco Agility 50 4t Wiring Diagram Wiring Diagram Wiring Diagram Kymco Agility 50 View and download kymco agility 50 manuals for free. Wiring diagram kymco agility 50 carry Download pdf files for free or view online for kymco people 50, 125, 150. If you own a kymco agility 50 scooter, understanding its inner workings is essential for proper maintenance and repairs. Find service manuals and wiring diagrams for various kymco motorcycles, scooters and. Wiring Diagram Kymco Agility 50.
From schematicparoling.z21.web.core.windows.net
Chinese 50cc 2 Stroke Wiring Diagram Wiring Diagram Kymco Agility 50 Agily 50 schema created date: View and download kymco agility 50 manuals for free. Find service manuals and wiring diagrams for various kymco motorcycles, scooters and atvs. Wiring diagram kymco agility 50 carry If you own a kymco agility 50 scooter, understanding its inner workings is essential for proper maintenance and repairs. Download pdf files for free or view online. Wiring Diagram Kymco Agility 50.
From ray-lane.blogspot.com
Kymco Agility City 50 Wiring Diagram 18 Ray Lane Wiring Diagram Kymco Agility 50 Agily 50 schema created date: Wiring diagram kymco agility 50 carry If you own a kymco agility 50 scooter, understanding its inner workings is essential for proper maintenance and repairs. View and download kymco agility 50 manuals for free. Download pdf files for free or view online for kymco people 50, 125, 150. Find service manuals and wiring diagrams for. Wiring Diagram Kymco Agility 50.
From guidemanualrepression.z21.web.core.windows.net
Chinese 50cc 2 Stroke Wiring Diagram Wiring Diagram Kymco Agility 50 Agily 50 schema created date: Download pdf files for free or view online for kymco people 50, 125, 150. If you own a kymco agility 50 scooter, understanding its inner workings is essential for proper maintenance and repairs. Wiring diagram kymco agility 50 carry View and download kymco agility 50 manuals for free. Find service manuals and wiring diagrams for. Wiring Diagram Kymco Agility 50.
From circuitdiagramlehrer.z13.web.core.windows.net
Wiring Diagram For Kymco Agility 50 Wiring Diagram Kymco Agility 50 Download pdf files for free or view online for kymco people 50, 125, 150. Agily 50 schema created date: View and download kymco agility 50 manuals for free. Find service manuals and wiring diagrams for various kymco motorcycles, scooters and atvs. If you own a kymco agility 50 scooter, understanding its inner workings is essential for proper maintenance and repairs.. Wiring Diagram Kymco Agility 50.
From schematicyokubhulamszpy.z21.web.core.windows.net
50cc Moped Wiring Diagram Wiring Diagram Kymco Agility 50 View and download kymco agility 50 manuals for free. If you own a kymco agility 50 scooter, understanding its inner workings is essential for proper maintenance and repairs. Download pdf files for free or view online for kymco people 50, 125, 150. Find service manuals and wiring diagrams for various kymco motorcycles, scooters and atvs. Agily 50 schema created date:. Wiring Diagram Kymco Agility 50.
From schematron.org
Kymco Agility 50 Wiring Diagram Wiring Diagram Pictures Wiring Diagram Kymco Agility 50 If you own a kymco agility 50 scooter, understanding its inner workings is essential for proper maintenance and repairs. Find service manuals and wiring diagrams for various kymco motorcycles, scooters and atvs. Wiring diagram kymco agility 50 carry Agily 50 schema created date: View and download kymco agility 50 manuals for free. Download pdf files for free or view online. Wiring Diagram Kymco Agility 50.
From www.car-repairmanual.com
Kymco MOTORCYCLES & ATVS SERVICE REPAIR MANUALS. EWD Free Download PDF Wiring Diagram Kymco Agility 50 Find service manuals and wiring diagrams for various kymco motorcycles, scooters and atvs. Wiring diagram kymco agility 50 carry View and download kymco agility 50 manuals for free. Download pdf files for free or view online for kymco people 50, 125, 150. If you own a kymco agility 50 scooter, understanding its inner workings is essential for proper maintenance and. Wiring Diagram Kymco Agility 50.
From guidelistouultimatums.z14.web.core.windows.net
Wiring Diagram For 50cc Scooter Wiring Diagram Kymco Agility 50 Download pdf files for free or view online for kymco people 50, 125, 150. Agily 50 schema created date: If you own a kymco agility 50 scooter, understanding its inner workings is essential for proper maintenance and repairs. View and download kymco agility 50 manuals for free. Wiring diagram kymco agility 50 carry Find service manuals and wiring diagrams for. Wiring Diagram Kymco Agility 50.
From diagramlibrarymiller.z21.web.core.windows.net
Gy6 Wiring Schematic 150cc Wiring Diagram Kymco Agility 50 Find service manuals and wiring diagrams for various kymco motorcycles, scooters and atvs. Download pdf files for free or view online for kymco people 50, 125, 150. Agily 50 schema created date: If you own a kymco agility 50 scooter, understanding its inner workings is essential for proper maintenance and repairs. Wiring diagram kymco agility 50 carry View and download. Wiring Diagram Kymco Agility 50.
From www.youtube.com
Kymco Agility 50 Service Manual, Repair Manual Wiring Diagrams Wiring Diagram Kymco Agility 50 Find service manuals and wiring diagrams for various kymco motorcycles, scooters and atvs. Agily 50 schema created date: Download pdf files for free or view online for kymco people 50, 125, 150. View and download kymco agility 50 manuals for free. If you own a kymco agility 50 scooter, understanding its inner workings is essential for proper maintenance and repairs.. Wiring Diagram Kymco Agility 50.
From schematicyokubhulamszpy.z21.web.core.windows.net
50cc Moped Wiring Diagram Wiring Diagram Kymco Agility 50 If you own a kymco agility 50 scooter, understanding its inner workings is essential for proper maintenance and repairs. Wiring diagram kymco agility 50 carry Find service manuals and wiring diagrams for various kymco motorcycles, scooters and atvs. View and download kymco agility 50 manuals for free. Download pdf files for free or view online for kymco people 50, 125,. Wiring Diagram Kymco Agility 50.
From duvaudkguidediagram.z13.web.core.windows.net
110 Atv Wiring Diagram Wiring Diagram Kymco Agility 50 Find service manuals and wiring diagrams for various kymco motorcycles, scooters and atvs. If you own a kymco agility 50 scooter, understanding its inner workings is essential for proper maintenance and repairs. Agily 50 schema created date: View and download kymco agility 50 manuals for free. Wiring diagram kymco agility 50 carry Download pdf files for free or view online. Wiring Diagram Kymco Agility 50.
From www.bois-eco-concept.fr
Schema electrique kymco agility 125 Wiring Diagram Kymco Agility 50 Agily 50 schema created date: If you own a kymco agility 50 scooter, understanding its inner workings is essential for proper maintenance and repairs. Find service manuals and wiring diagrams for various kymco motorcycles, scooters and atvs. View and download kymco agility 50 manuals for free. Wiring diagram kymco agility 50 carry Download pdf files for free or view online. Wiring Diagram Kymco Agility 50.
From limitorque-wiring-diagram7.blogspot.com
Kymco Agility City 50 Wiring Diagram / 18 Elektriskeem Ideas In 2021 Wiring Diagram Kymco Agility 50 If you own a kymco agility 50 scooter, understanding its inner workings is essential for proper maintenance and repairs. Agily 50 schema created date: Download pdf files for free or view online for kymco people 50, 125, 150. View and download kymco agility 50 manuals for free. Wiring diagram kymco agility 50 carry Find service manuals and wiring diagrams for. Wiring Diagram Kymco Agility 50.
From www.bois-eco-concept.fr
Schema electrique kymco agility 125 Wiring Diagram Kymco Agility 50 View and download kymco agility 50 manuals for free. Wiring diagram kymco agility 50 carry Agily 50 schema created date: If you own a kymco agility 50 scooter, understanding its inner workings is essential for proper maintenance and repairs. Find service manuals and wiring diagrams for various kymco motorcycles, scooters and atvs. Download pdf files for free or view online. Wiring Diagram Kymco Agility 50.