Ice Dispenser Parts . Follett ice parts from the foodservice industry to healthcare facilities, follett has been a trusted leader in ice and refrigeration since 1948. From control boards to valves, we have all the. A genuine replacement part, this refrigerator piece will operate seamlessly. The ice maker receives water from the water inlet valve and will freeze until. If your dispenser grille/drip tray is missing or. The dispenser grill sits at the bottom of your ice dispenser assembly and catches any spills when your ice or water dispenser is running. Find genuine oem manitowoc ice machine parts and accessories to keep your machine safe and protected under warranty. Pick out the parts you need to keep your commercial ice dispensers running. Browse a large selection of evaporator assemblies, water pumps,.
from wiringfixmichele.z13.web.core.windows.net
From control boards to valves, we have all the. Find genuine oem manitowoc ice machine parts and accessories to keep your machine safe and protected under warranty. The ice maker receives water from the water inlet valve and will freeze until. If your dispenser grille/drip tray is missing or. Follett ice parts from the foodservice industry to healthcare facilities, follett has been a trusted leader in ice and refrigeration since 1948. Pick out the parts you need to keep your commercial ice dispensers running. A genuine replacement part, this refrigerator piece will operate seamlessly. The dispenser grill sits at the bottom of your ice dispenser assembly and catches any spills when your ice or water dispenser is running. Browse a large selection of evaporator assemblies, water pumps,.
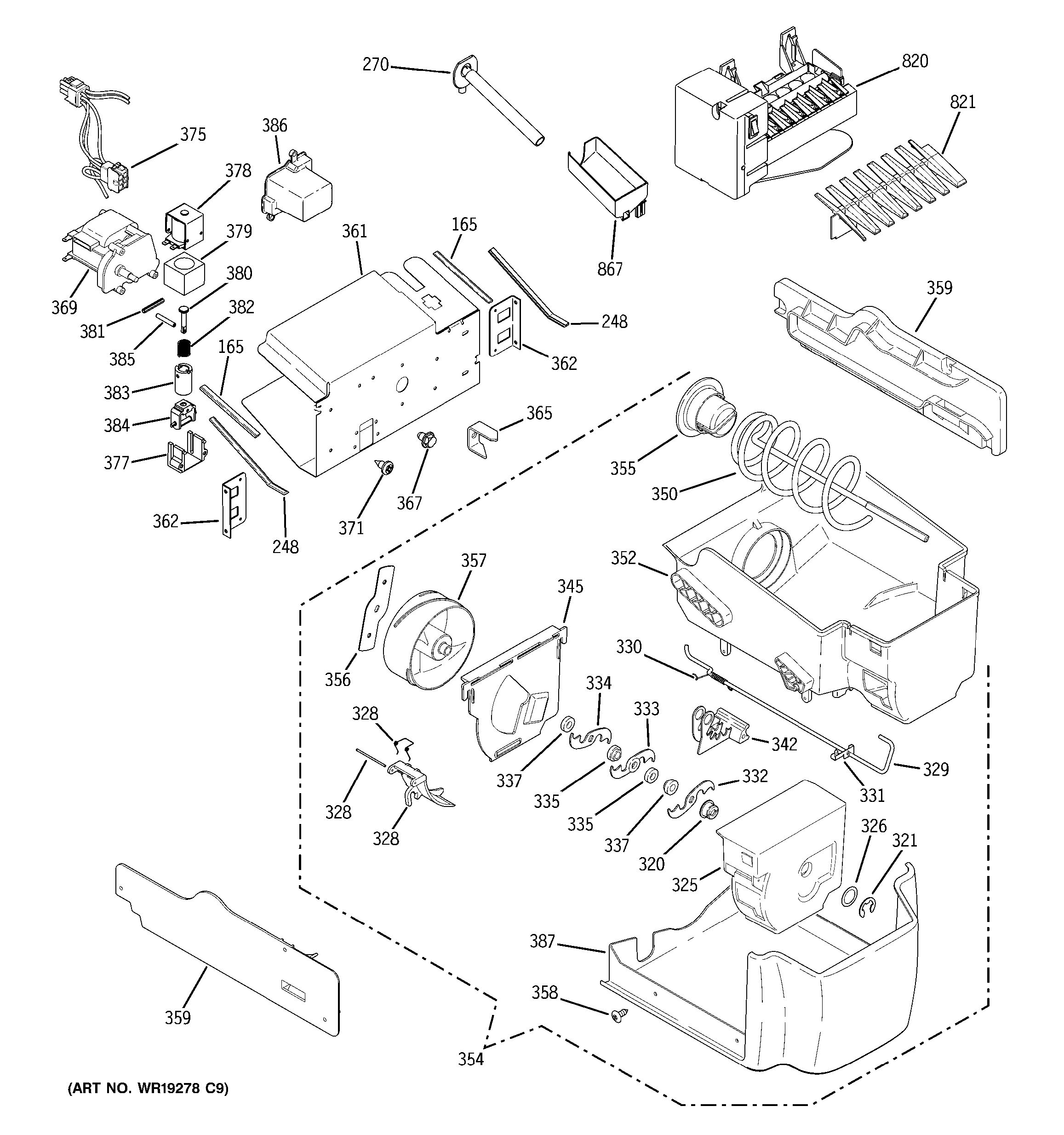
Whirlpool Ice Dispenser Parts Diagram
Ice Dispenser Parts From control boards to valves, we have all the. Browse a large selection of evaporator assemblies, water pumps,. Find genuine oem manitowoc ice machine parts and accessories to keep your machine safe and protected under warranty. If your dispenser grille/drip tray is missing or. From control boards to valves, we have all the. Follett ice parts from the foodservice industry to healthcare facilities, follett has been a trusted leader in ice and refrigeration since 1948. Pick out the parts you need to keep your commercial ice dispensers running. The ice maker receives water from the water inlet valve and will freeze until. The dispenser grill sits at the bottom of your ice dispenser assembly and catches any spills when your ice or water dispenser is running. A genuine replacement part, this refrigerator piece will operate seamlessly.
From www.amazon.ca
Whole Parts Samsung Refrigerator Ice Dispenser Lever Paddle Replacement Ice Dispenser Parts Pick out the parts you need to keep your commercial ice dispensers running. Find genuine oem manitowoc ice machine parts and accessories to keep your machine safe and protected under warranty. The dispenser grill sits at the bottom of your ice dispenser assembly and catches any spills when your ice or water dispenser is running. The ice maker receives water. Ice Dispenser Parts.
From vohobu-marria.blogspot.com
40 Whirlpool Ice Maker Parts Diagram Diagram Resource Ice Dispenser Parts Follett ice parts from the foodservice industry to healthcare facilities, follett has been a trusted leader in ice and refrigeration since 1948. From control boards to valves, we have all the. Find genuine oem manitowoc ice machine parts and accessories to keep your machine safe and protected under warranty. Pick out the parts you need to keep your commercial ice. Ice Dispenser Parts.
From dispensermu.netlify.app
Primo Water Dispenser Bottom Load Parts Ice Dispenser Parts Find genuine oem manitowoc ice machine parts and accessories to keep your machine safe and protected under warranty. Follett ice parts from the foodservice industry to healthcare facilities, follett has been a trusted leader in ice and refrigeration since 1948. A genuine replacement part, this refrigerator piece will operate seamlessly. The ice maker receives water from the water inlet valve. Ice Dispenser Parts.
From partsdr.com
242270101 Frigidaire Ice Dispenser Module Parts Dr Ice Dispenser Parts The ice maker receives water from the water inlet valve and will freeze until. The dispenser grill sits at the bottom of your ice dispenser assembly and catches any spills when your ice or water dispenser is running. From control boards to valves, we have all the. Find genuine oem manitowoc ice machine parts and accessories to keep your machine. Ice Dispenser Parts.
From www.webstaurantstore.com
Servend 2704811 S150 Countertop Ice and Water Dispenser 150 lb. Ice Ice Dispenser Parts Browse a large selection of evaporator assemblies, water pumps,. Find genuine oem manitowoc ice machine parts and accessories to keep your machine safe and protected under warranty. Pick out the parts you need to keep your commercial ice dispensers running. From control boards to valves, we have all the. A genuine replacement part, this refrigerator piece will operate seamlessly. If. Ice Dispenser Parts.
From www.genuinereplacementparts.com
Whirlpool Part WPW10606117 Ice Dispenser Assembly Genuine OEM Ice Dispenser Parts Follett ice parts from the foodservice industry to healthcare facilities, follett has been a trusted leader in ice and refrigeration since 1948. A genuine replacement part, this refrigerator piece will operate seamlessly. Pick out the parts you need to keep your commercial ice dispensers running. Find genuine oem manitowoc ice machine parts and accessories to keep your machine safe and. Ice Dispenser Parts.
From www.genuinereplacementparts.com
GE Part WR02X13138 Ice Dispenser Solenoid Kit (OEM) Ice Dispenser Parts Follett ice parts from the foodservice industry to healthcare facilities, follett has been a trusted leader in ice and refrigeration since 1948. A genuine replacement part, this refrigerator piece will operate seamlessly. The dispenser grill sits at the bottom of your ice dispenser assembly and catches any spills when your ice or water dispenser is running. From control boards to. Ice Dispenser Parts.
From officialbruinsshop.com
Ge Water Cooler Dispenser Parts Bruin Blog Ice Dispenser Parts Find genuine oem manitowoc ice machine parts and accessories to keep your machine safe and protected under warranty. A genuine replacement part, this refrigerator piece will operate seamlessly. Browse a large selection of evaporator assemblies, water pumps,. The ice maker receives water from the water inlet valve and will freeze until. If your dispenser grille/drip tray is missing or. Pick. Ice Dispenser Parts.
From www.justanswer.com
Kitchenaid Side by Side has a problem with the ice dispenser only Ice Dispenser Parts From control boards to valves, we have all the. Find genuine oem manitowoc ice machine parts and accessories to keep your machine safe and protected under warranty. The ice maker receives water from the water inlet valve and will freeze until. Follett ice parts from the foodservice industry to healthcare facilities, follett has been a trusted leader in ice and. Ice Dispenser Parts.
From www.partselect.com
Official GE WR17X2059 Ice Dispenser Deflector Ice Dispenser Parts If your dispenser grille/drip tray is missing or. Follett ice parts from the foodservice industry to healthcare facilities, follett has been a trusted leader in ice and refrigeration since 1948. The ice maker receives water from the water inlet valve and will freeze until. The dispenser grill sits at the bottom of your ice dispenser assembly and catches any spills. Ice Dispenser Parts.
From wowtutorial.org
Kitchenaid Refrigerator Ice Dispenser Parts Wow Blog Ice Dispenser Parts If your dispenser grille/drip tray is missing or. From control boards to valves, we have all the. The dispenser grill sits at the bottom of your ice dispenser assembly and catches any spills when your ice or water dispenser is running. Pick out the parts you need to keep your commercial ice dispensers running. Browse a large selection of evaporator. Ice Dispenser Parts.
From www.partselect.com
Official Whirlpool WP67006006 Ice Dispenser Bucket Ice Dispenser Parts Browse a large selection of evaporator assemblies, water pumps,. The ice maker receives water from the water inlet valve and will freeze until. From control boards to valves, we have all the. Find genuine oem manitowoc ice machine parts and accessories to keep your machine safe and protected under warranty. Pick out the parts you need to keep your commercial. Ice Dispenser Parts.
From www.fix.com
OEM Frigidaire 242270101 Ice Dispenser Module Ice Dispenser Parts The dispenser grill sits at the bottom of your ice dispenser assembly and catches any spills when your ice or water dispenser is running. If your dispenser grille/drip tray is missing or. Browse a large selection of evaporator assemblies, water pumps,. A genuine replacement part, this refrigerator piece will operate seamlessly. Pick out the parts you need to keep your. Ice Dispenser Parts.
From www.webstaurantstore.com
Scotsman ID150B1A Modular Countertop Ice Dispenser 150 lb. Ice Dispenser Parts If your dispenser grille/drip tray is missing or. From control boards to valves, we have all the. The ice maker receives water from the water inlet valve and will freeze until. A genuine replacement part, this refrigerator piece will operate seamlessly. Find genuine oem manitowoc ice machine parts and accessories to keep your machine safe and protected under warranty. Follett. Ice Dispenser Parts.
From partsdr.com
242270101 Frigidaire Ice Dispenser Module Parts Dr Ice Dispenser Parts From control boards to valves, we have all the. If your dispenser grille/drip tray is missing or. Find genuine oem manitowoc ice machine parts and accessories to keep your machine safe and protected under warranty. The ice maker receives water from the water inlet valve and will freeze until. Pick out the parts you need to keep your commercial ice. Ice Dispenser Parts.
From www.youtube.com
LG Refrigerator Ice Dispenser Repair Ice Dispenser Flap Not Closing Ice Dispenser Parts Browse a large selection of evaporator assemblies, water pumps,. Pick out the parts you need to keep your commercial ice dispensers running. Follett ice parts from the foodservice industry to healthcare facilities, follett has been a trusted leader in ice and refrigeration since 1948. Find genuine oem manitowoc ice machine parts and accessories to keep your machine safe and protected. Ice Dispenser Parts.
From wiringfixmichele.z13.web.core.windows.net
Whirlpool Ice Dispenser Parts Diagram Ice Dispenser Parts The ice maker receives water from the water inlet valve and will freeze until. Follett ice parts from the foodservice industry to healthcare facilities, follett has been a trusted leader in ice and refrigeration since 1948. Find genuine oem manitowoc ice machine parts and accessories to keep your machine safe and protected under warranty. Pick out the parts you need. Ice Dispenser Parts.
From www.partselect.com
Official Whirlpool WPW10169511 Ice Dispenser Motor Coupling Ice Dispenser Parts Browse a large selection of evaporator assemblies, water pumps,. Pick out the parts you need to keep your commercial ice dispensers running. The ice maker receives water from the water inlet valve and will freeze until. From control boards to valves, we have all the. Follett ice parts from the foodservice industry to healthcare facilities, follett has been a trusted. Ice Dispenser Parts.
From diagramlibraryschemer.z19.web.core.windows.net
Frigidaire Ice Dispenser Parts Diagram Ice Dispenser Parts The ice maker receives water from the water inlet valve and will freeze until. A genuine replacement part, this refrigerator piece will operate seamlessly. If your dispenser grille/drip tray is missing or. Find genuine oem manitowoc ice machine parts and accessories to keep your machine safe and protected under warranty. Follett ice parts from the foodservice industry to healthcare facilities,. Ice Dispenser Parts.
From www.justanswer.com
I am looking for a part. The water and ice dispenser part. where can i Ice Dispenser Parts From control boards to valves, we have all the. Browse a large selection of evaporator assemblies, water pumps,. The ice maker receives water from the water inlet valve and will freeze until. If your dispenser grille/drip tray is missing or. The dispenser grill sits at the bottom of your ice dispenser assembly and catches any spills when your ice or. Ice Dispenser Parts.
From www.partselect.com
Official Whirlpool WP2180353 Ice Dispenser Door Chute Ice Dispenser Parts If your dispenser grille/drip tray is missing or. A genuine replacement part, this refrigerator piece will operate seamlessly. Pick out the parts you need to keep your commercial ice dispensers running. From control boards to valves, we have all the. Follett ice parts from the foodservice industry to healthcare facilities, follett has been a trusted leader in ice and refrigeration. Ice Dispenser Parts.
From www.geapplianceparts.com
Assembly View for ICE MAKER & DISPENSER GYE22KSHHSS Ice Dispenser Parts Follett ice parts from the foodservice industry to healthcare facilities, follett has been a trusted leader in ice and refrigeration since 1948. A genuine replacement part, this refrigerator piece will operate seamlessly. The dispenser grill sits at the bottom of your ice dispenser assembly and catches any spills when your ice or water dispenser is running. Pick out the parts. Ice Dispenser Parts.
From www.geapplianceparts.com
Assembly View for ICE MAKER & DISPENSER GSH25JSTASS Ice Dispenser Parts The dispenser grill sits at the bottom of your ice dispenser assembly and catches any spills when your ice or water dispenser is running. If your dispenser grille/drip tray is missing or. Find genuine oem manitowoc ice machine parts and accessories to keep your machine safe and protected under warranty. From control boards to valves, we have all the. Browse. Ice Dispenser Parts.
From dailyspect.com
The 9 Best Samsung Refrigerator Ice Dispenser Lever Your Home Life Ice Dispenser Parts Pick out the parts you need to keep your commercial ice dispensers running. If your dispenser grille/drip tray is missing or. From control boards to valves, we have all the. Find genuine oem manitowoc ice machine parts and accessories to keep your machine safe and protected under warranty. Browse a large selection of evaporator assemblies, water pumps,. The ice maker. Ice Dispenser Parts.
From www.geapplianceparts.com
Assembly View for ICE MAKER & DISPENSER GZS22DGJEFBB Ice Dispenser Parts Pick out the parts you need to keep your commercial ice dispensers running. Find genuine oem manitowoc ice machine parts and accessories to keep your machine safe and protected under warranty. Follett ice parts from the foodservice industry to healthcare facilities, follett has been a trusted leader in ice and refrigeration since 1948. Browse a large selection of evaporator assemblies,. Ice Dispenser Parts.
From www.partselect.com
Official Frigidaire 242074223 Ice Dispenser Module Ice Dispenser Parts The ice maker receives water from the water inlet valve and will freeze until. Find genuine oem manitowoc ice machine parts and accessories to keep your machine safe and protected under warranty. The dispenser grill sits at the bottom of your ice dispenser assembly and catches any spills when your ice or water dispenser is running. Follett ice parts from. Ice Dispenser Parts.
From www.shareyourrepair.com
How to Repair the Seal on the Ice Dispenser Door on a Kenmore Coldspot Ice Dispenser Parts Browse a large selection of evaporator assemblies, water pumps,. Follett ice parts from the foodservice industry to healthcare facilities, follett has been a trusted leader in ice and refrigeration since 1948. If your dispenser grille/drip tray is missing or. The ice maker receives water from the water inlet valve and will freeze until. Pick out the parts you need to. Ice Dispenser Parts.
From www.lancermidwest.com
ID 4400 cube ice only dispenser, 22" 115V APEX Ice Dispenser Parts A genuine replacement part, this refrigerator piece will operate seamlessly. If your dispenser grille/drip tray is missing or. Pick out the parts you need to keep your commercial ice dispensers running. From control boards to valves, we have all the. Follett ice parts from the foodservice industry to healthcare facilities, follett has been a trusted leader in ice and refrigeration. Ice Dispenser Parts.
From www.fix.com
OEM General Electric WR13X10737 Refrigerator Dispenser Ice Chute Door Ice Dispenser Parts If your dispenser grille/drip tray is missing or. A genuine replacement part, this refrigerator piece will operate seamlessly. Find genuine oem manitowoc ice machine parts and accessories to keep your machine safe and protected under warranty. From control boards to valves, we have all the. The dispenser grill sits at the bottom of your ice dispenser assembly and catches any. Ice Dispenser Parts.
From www.geapplianceparts.com
Assembly View for ICE MAKER & DISPENSER DSS25KSRESS Ice Dispenser Parts Pick out the parts you need to keep your commercial ice dispensers running. The ice maker receives water from the water inlet valve and will freeze until. The dispenser grill sits at the bottom of your ice dispenser assembly and catches any spills when your ice or water dispenser is running. Find genuine oem manitowoc ice machine parts and accessories. Ice Dispenser Parts.
From www.webstaurantstore.com
Hoshizaki DCM270BAH Ice Maker & Water Dispenser Ice Dispenser Parts A genuine replacement part, this refrigerator piece will operate seamlessly. The ice maker receives water from the water inlet valve and will freeze until. Browse a large selection of evaporator assemblies, water pumps,. If your dispenser grille/drip tray is missing or. Find genuine oem manitowoc ice machine parts and accessories to keep your machine safe and protected under warranty. Pick. Ice Dispenser Parts.
From shop.thermalsupplyinc.com
000002247,000002247,MANITOWOC PARTS,,ICE DISPENSER CHUTE,Thermal Supply Ice Dispenser Parts Find genuine oem manitowoc ice machine parts and accessories to keep your machine safe and protected under warranty. The ice maker receives water from the water inlet valve and will freeze until. From control boards to valves, we have all the. The dispenser grill sits at the bottom of your ice dispenser assembly and catches any spills when your ice. Ice Dispenser Parts.
From partsdiagram.netlify.app
Kenmore coldspot model 106 parts diagram Ice Dispenser Parts Follett ice parts from the foodservice industry to healthcare facilities, follett has been a trusted leader in ice and refrigeration since 1948. Browse a large selection of evaporator assemblies, water pumps,. Pick out the parts you need to keep your commercial ice dispensers running. If your dispenser grille/drip tray is missing or. The dispenser grill sits at the bottom of. Ice Dispenser Parts.
From removeandreplace.com
Refrigerator Water Dispenser Not Working How To Fix Ice Dispenser Parts From control boards to valves, we have all the. The dispenser grill sits at the bottom of your ice dispenser assembly and catches any spills when your ice or water dispenser is running. The ice maker receives water from the water inlet valve and will freeze until. A genuine replacement part, this refrigerator piece will operate seamlessly. Find genuine oem. Ice Dispenser Parts.
From www.partselect.com
Ice Dispenser Module 242074223 Official Frigidaire Part Fast Ice Dispenser Parts Find genuine oem manitowoc ice machine parts and accessories to keep your machine safe and protected under warranty. If your dispenser grille/drip tray is missing or. From control boards to valves, we have all the. The ice maker receives water from the water inlet valve and will freeze until. Follett ice parts from the foodservice industry to healthcare facilities, follett. Ice Dispenser Parts.