What Parts Do You Need To Build A 383 Stroker . Half the stroke, plus rod length, plus piston compression height needs to fit within the block deck height. Instead of scrapping the old 350ci engine, the suggestion to build a 383ci stroker engine with an edelbrock total power package was put out on the table. Speedway motors makes it way too easy with. This is a new multi part series on how to assemble a small block chevy 383 stroker motor. Obviously, the starting point of any 383 stroker upgrade is the engine block, and there are two options to rebuilding a 383, either start from scratch and source for all the parts, or. With the foundation for our build in hand—er, on a stand—we got onto the fun part and start shopping for speed parts.
from motormission.com
Obviously, the starting point of any 383 stroker upgrade is the engine block, and there are two options to rebuilding a 383, either start from scratch and source for all the parts, or. Instead of scrapping the old 350ci engine, the suggestion to build a 383ci stroker engine with an edelbrock total power package was put out on the table. This is a new multi part series on how to assemble a small block chevy 383 stroker motor. Speedway motors makes it way too easy with. Half the stroke, plus rod length, plus piston compression height needs to fit within the block deck height. With the foundation for our build in hand—er, on a stand—we got onto the fun part and start shopping for speed parts.
Small Block Chevy 383 Stroker Engine Machining and Custom Build Motor
What Parts Do You Need To Build A 383 Stroker With the foundation for our build in hand—er, on a stand—we got onto the fun part and start shopping for speed parts. Instead of scrapping the old 350ci engine, the suggestion to build a 383ci stroker engine with an edelbrock total power package was put out on the table. Speedway motors makes it way too easy with. Obviously, the starting point of any 383 stroker upgrade is the engine block, and there are two options to rebuilding a 383, either start from scratch and source for all the parts, or. Half the stroke, plus rod length, plus piston compression height needs to fit within the block deck height. This is a new multi part series on how to assemble a small block chevy 383 stroker motor. With the foundation for our build in hand—er, on a stand—we got onto the fun part and start shopping for speed parts.
From www.hotrod.com
Chevrolet 383 Stroker Build Hot Rod Network What Parts Do You Need To Build A 383 Stroker This is a new multi part series on how to assemble a small block chevy 383 stroker motor. Half the stroke, plus rod length, plus piston compression height needs to fit within the block deck height. Speedway motors makes it way too easy with. Instead of scrapping the old 350ci engine, the suggestion to build a 383ci stroker engine with. What Parts Do You Need To Build A 383 Stroker.
From www.proformanceunlimited.com
383 Chevy Stroker Crate Engine 450HP For Your Hot Rod What Parts Do You Need To Build A 383 Stroker This is a new multi part series on how to assemble a small block chevy 383 stroker motor. With the foundation for our build in hand—er, on a stand—we got onto the fun part and start shopping for speed parts. Instead of scrapping the old 350ci engine, the suggestion to build a 383ci stroker engine with an edelbrock total power. What Parts Do You Need To Build A 383 Stroker.
From workshopcarlivmom2gq.z21.web.core.windows.net
383 Blown Stroker Crate Engine Sound What Parts Do You Need To Build A 383 Stroker Half the stroke, plus rod length, plus piston compression height needs to fit within the block deck height. Instead of scrapping the old 350ci engine, the suggestion to build a 383ci stroker engine with an edelbrock total power package was put out on the table. Speedway motors makes it way too easy with. With the foundation for our build in. What Parts Do You Need To Build A 383 Stroker.
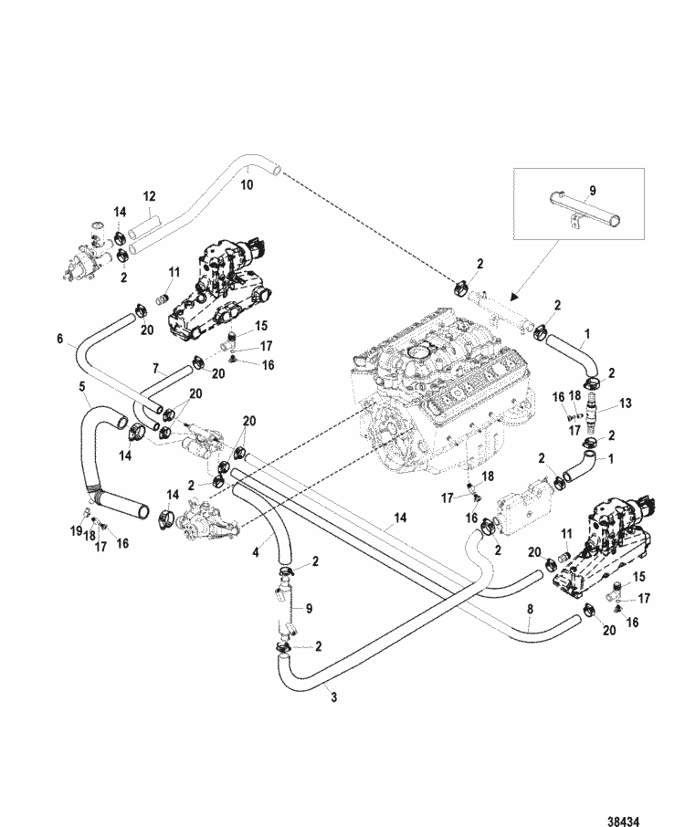
From www.marineengine.com
MerCruiser 383 Stroker Scorpion Bravo Standard Cooling System Parts What Parts Do You Need To Build A 383 Stroker With the foundation for our build in hand—er, on a stand—we got onto the fun part and start shopping for speed parts. Obviously, the starting point of any 383 stroker upgrade is the engine block, and there are two options to rebuilding a 383, either start from scratch and source for all the parts, or. Half the stroke, plus rod. What Parts Do You Need To Build A 383 Stroker.
From mechanicable.com
How to Build A 383 Stroker On A Budget? Steps and Process What Parts Do You Need To Build A 383 Stroker This is a new multi part series on how to assemble a small block chevy 383 stroker motor. Instead of scrapping the old 350ci engine, the suggestion to build a 383ci stroker engine with an edelbrock total power package was put out on the table. Obviously, the starting point of any 383 stroker upgrade is the engine block, and there. What Parts Do You Need To Build A 383 Stroker.
From motormission.com
Small Block Chevy 383 Stroker Engine Machining and Custom Build Motor What Parts Do You Need To Build A 383 Stroker This is a new multi part series on how to assemble a small block chevy 383 stroker motor. With the foundation for our build in hand—er, on a stand—we got onto the fun part and start shopping for speed parts. Half the stroke, plus rod length, plus piston compression height needs to fit within the block deck height. Speedway motors. What Parts Do You Need To Build A 383 Stroker.
From kobobuilding.com
How to build a 383 stroker kobo building What Parts Do You Need To Build A 383 Stroker This is a new multi part series on how to assemble a small block chevy 383 stroker motor. Instead of scrapping the old 350ci engine, the suggestion to build a 383ci stroker engine with an edelbrock total power package was put out on the table. With the foundation for our build in hand—er, on a stand—we got onto the fun. What Parts Do You Need To Build A 383 Stroker.
From paceperformance.com
Small Block Crate Engine by Pace Performance HP383 383CID 405HP w What Parts Do You Need To Build A 383 Stroker Obviously, the starting point of any 383 stroker upgrade is the engine block, and there are two options to rebuilding a 383, either start from scratch and source for all the parts, or. Instead of scrapping the old 350ci engine, the suggestion to build a 383ci stroker engine with an edelbrock total power package was put out on the table.. What Parts Do You Need To Build A 383 Stroker.
From www.classicchevy.com
Chevy 383 "AllIron Stroker" Crate Engine What Parts Do You Need To Build A 383 Stroker Obviously, the starting point of any 383 stroker upgrade is the engine block, and there are two options to rebuilding a 383, either start from scratch and source for all the parts, or. This is a new multi part series on how to assemble a small block chevy 383 stroker motor. Instead of scrapping the old 350ci engine, the suggestion. What Parts Do You Need To Build A 383 Stroker.
From www.monstertransmission.com
Monster Powertrain Package, Chevy 383 Engine and TH400 Transmission What Parts Do You Need To Build A 383 Stroker Obviously, the starting point of any 383 stroker upgrade is the engine block, and there are two options to rebuilding a 383, either start from scratch and source for all the parts, or. Half the stroke, plus rod length, plus piston compression height needs to fit within the block deck height. With the foundation for our build in hand—er, on. What Parts Do You Need To Build A 383 Stroker.
From www.hotrod.com
Chevrolet 383 Stroker Build Hot Rod Network What Parts Do You Need To Build A 383 Stroker Speedway motors makes it way too easy with. With the foundation for our build in hand—er, on a stand—we got onto the fun part and start shopping for speed parts. Instead of scrapping the old 350ci engine, the suggestion to build a 383ci stroker engine with an edelbrock total power package was put out on the table. Half the stroke,. What Parts Do You Need To Build A 383 Stroker.
From www.prestigemoto.com
Chevy Small Block Custom Engines Prestige Motorsports What Parts Do You Need To Build A 383 Stroker With the foundation for our build in hand—er, on a stand—we got onto the fun part and start shopping for speed parts. Obviously, the starting point of any 383 stroker upgrade is the engine block, and there are two options to rebuilding a 383, either start from scratch and source for all the parts, or. Speedway motors makes it way. What Parts Do You Need To Build A 383 Stroker.
From www.customcrateengines.com
383 Chevy Stroker Crate Engine With 400 HP What Parts Do You Need To Build A 383 Stroker Half the stroke, plus rod length, plus piston compression height needs to fit within the block deck height. Instead of scrapping the old 350ci engine, the suggestion to build a 383ci stroker engine with an edelbrock total power package was put out on the table. This is a new multi part series on how to assemble a small block chevy. What Parts Do You Need To Build A 383 Stroker.
From cjrombold.com
Chevrolet 383 Stroker CJ ROMBOLD What Parts Do You Need To Build A 383 Stroker Instead of scrapping the old 350ci engine, the suggestion to build a 383ci stroker engine with an edelbrock total power package was put out on the table. With the foundation for our build in hand—er, on a stand—we got onto the fun part and start shopping for speed parts. This is a new multi part series on how to assemble. What Parts Do You Need To Build A 383 Stroker.
From kobobuilding.com
How to build a 383 stroker motor kobo building What Parts Do You Need To Build A 383 Stroker Speedway motors makes it way too easy with. Half the stroke, plus rod length, plus piston compression height needs to fit within the block deck height. With the foundation for our build in hand—er, on a stand—we got onto the fun part and start shopping for speed parts. Instead of scrapping the old 350ci engine, the suggestion to build a. What Parts Do You Need To Build A 383 Stroker.
From garagerepairinyalas123.z19.web.core.windows.net
Aluminum Small Block Ford Crate Engine What Parts Do You Need To Build A 383 Stroker Half the stroke, plus rod length, plus piston compression height needs to fit within the block deck height. Instead of scrapping the old 350ci engine, the suggestion to build a 383ci stroker engine with an edelbrock total power package was put out on the table. Speedway motors makes it way too easy with. Obviously, the starting point of any 383. What Parts Do You Need To Build A 383 Stroker.
From www.pinterest.com
Find ATK High Performance GM 383 Stroker 435 HP Stage 3 Long Block What Parts Do You Need To Build A 383 Stroker This is a new multi part series on how to assemble a small block chevy 383 stroker motor. Obviously, the starting point of any 383 stroker upgrade is the engine block, and there are two options to rebuilding a 383, either start from scratch and source for all the parts, or. Instead of scrapping the old 350ci engine, the suggestion. What Parts Do You Need To Build A 383 Stroker.
From www.proformanceunlimited.com
383 Chevy Stroker Crate Engine 400HP • Proformance Unlimited What Parts Do You Need To Build A 383 Stroker With the foundation for our build in hand—er, on a stand—we got onto the fun part and start shopping for speed parts. This is a new multi part series on how to assemble a small block chevy 383 stroker motor. Obviously, the starting point of any 383 stroker upgrade is the engine block, and there are two options to rebuilding. What Parts Do You Need To Build A 383 Stroker.
From mechanicceza3v.z13.web.core.windows.net
383 Short Block Crate Engine What Parts Do You Need To Build A 383 Stroker With the foundation for our build in hand—er, on a stand—we got onto the fun part and start shopping for speed parts. This is a new multi part series on how to assemble a small block chevy 383 stroker motor. Speedway motors makes it way too easy with. Obviously, the starting point of any 383 stroker upgrade is the engine. What Parts Do You Need To Build A 383 Stroker.
From www.customcrateengines.com
383 CI SBC Stroker 400HP What Parts Do You Need To Build A 383 Stroker Speedway motors makes it way too easy with. With the foundation for our build in hand—er, on a stand—we got onto the fun part and start shopping for speed parts. Obviously, the starting point of any 383 stroker upgrade is the engine block, and there are two options to rebuilding a 383, either start from scratch and source for all. What Parts Do You Need To Build A 383 Stroker.
From www.comeracing.com
New 355 and 383 Holden V8 Stroker kits COME Racing What Parts Do You Need To Build A 383 Stroker With the foundation for our build in hand—er, on a stand—we got onto the fun part and start shopping for speed parts. Half the stroke, plus rod length, plus piston compression height needs to fit within the block deck height. Obviously, the starting point of any 383 stroker upgrade is the engine block, and there are two options to rebuilding. What Parts Do You Need To Build A 383 Stroker.
From www.customcrateengines.com
383 Chevy Stroker Crate Engine With 450 HP What Parts Do You Need To Build A 383 Stroker Instead of scrapping the old 350ci engine, the suggestion to build a 383ci stroker engine with an edelbrock total power package was put out on the table. Speedway motors makes it way too easy with. This is a new multi part series on how to assemble a small block chevy 383 stroker motor. With the foundation for our build in. What Parts Do You Need To Build A 383 Stroker.
From kobobuilding.com
Cost to build 383 stroker kobo building What Parts Do You Need To Build A 383 Stroker Half the stroke, plus rod length, plus piston compression height needs to fit within the block deck height. Speedway motors makes it way too easy with. This is a new multi part series on how to assemble a small block chevy 383 stroker motor. Instead of scrapping the old 350ci engine, the suggestion to build a 383ci stroker engine with. What Parts Do You Need To Build A 383 Stroker.
From www.pinterest.com.mx
Chevy 383 Stroker Dual Quad What Parts Do You Need To Build A 383 Stroker Instead of scrapping the old 350ci engine, the suggestion to build a 383ci stroker engine with an edelbrock total power package was put out on the table. Speedway motors makes it way too easy with. With the foundation for our build in hand—er, on a stand—we got onto the fun part and start shopping for speed parts. Obviously, the starting. What Parts Do You Need To Build A 383 Stroker.
From www.youtube.com
383 Stroker build YouTube What Parts Do You Need To Build A 383 Stroker Speedway motors makes it way too easy with. Instead of scrapping the old 350ci engine, the suggestion to build a 383ci stroker engine with an edelbrock total power package was put out on the table. With the foundation for our build in hand—er, on a stand—we got onto the fun part and start shopping for speed parts. Half the stroke,. What Parts Do You Need To Build A 383 Stroker.
From mechanicmeahgendema12f.z21.web.core.windows.net
What Makes A 383 Stroker What Parts Do You Need To Build A 383 Stroker Instead of scrapping the old 350ci engine, the suggestion to build a 383ci stroker engine with an edelbrock total power package was put out on the table. Speedway motors makes it way too easy with. Obviously, the starting point of any 383 stroker upgrade is the engine block, and there are two options to rebuilding a 383, either start from. What Parts Do You Need To Build A 383 Stroker.
From cjrombold.com
Chevrolet 383 Stroker CJ ROMBOLD What Parts Do You Need To Build A 383 Stroker Obviously, the starting point of any 383 stroker upgrade is the engine block, and there are two options to rebuilding a 383, either start from scratch and source for all the parts, or. Speedway motors makes it way too easy with. Instead of scrapping the old 350ci engine, the suggestion to build a 383ci stroker engine with an edelbrock total. What Parts Do You Need To Build A 383 Stroker.
From mechanicguides.com
Best 383 Stroker Kits Reviewed Mechanic Guides What Parts Do You Need To Build A 383 Stroker Speedway motors makes it way too easy with. Instead of scrapping the old 350ci engine, the suggestion to build a 383ci stroker engine with an edelbrock total power package was put out on the table. With the foundation for our build in hand—er, on a stand—we got onto the fun part and start shopping for speed parts. Obviously, the starting. What Parts Do You Need To Build A 383 Stroker.
From www.summitracing.com
ATK High Performance Engines HP55CEFI ATK High Performance GM 383 What Parts Do You Need To Build A 383 Stroker Speedway motors makes it way too easy with. Half the stroke, plus rod length, plus piston compression height needs to fit within the block deck height. Instead of scrapping the old 350ci engine, the suggestion to build a 383ci stroker engine with an edelbrock total power package was put out on the table. This is a new multi part series. What Parts Do You Need To Build A 383 Stroker.
From www.youtube.com
sbc 383 build part 5 cam degree YouTube What Parts Do You Need To Build A 383 Stroker Instead of scrapping the old 350ci engine, the suggestion to build a 383ci stroker engine with an edelbrock total power package was put out on the table. Half the stroke, plus rod length, plus piston compression height needs to fit within the block deck height. Obviously, the starting point of any 383 stroker upgrade is the engine block, and there. What Parts Do You Need To Build A 383 Stroker.
From ls1tech.com
383 Stroker Dyno Results w/Sheet & Video! LS1TECH What Parts Do You Need To Build A 383 Stroker Instead of scrapping the old 350ci engine, the suggestion to build a 383ci stroker engine with an edelbrock total power package was put out on the table. Speedway motors makes it way too easy with. Obviously, the starting point of any 383 stroker upgrade is the engine block, and there are two options to rebuilding a 383, either start from. What Parts Do You Need To Build A 383 Stroker.
From www.hotrod.com
Chevrolet 383 Stroker Build Hot Rod Network What Parts Do You Need To Build A 383 Stroker Instead of scrapping the old 350ci engine, the suggestion to build a 383ci stroker engine with an edelbrock total power package was put out on the table. Speedway motors makes it way too easy with. Obviously, the starting point of any 383 stroker upgrade is the engine block, and there are two options to rebuilding a 383, either start from. What Parts Do You Need To Build A 383 Stroker.
From garage.grumpysperformance.com
tips on building a 383 sbc stroker Grumpys Performance Garage What Parts Do You Need To Build A 383 Stroker Obviously, the starting point of any 383 stroker upgrade is the engine block, and there are two options to rebuilding a 383, either start from scratch and source for all the parts, or. Speedway motors makes it way too easy with. This is a new multi part series on how to assemble a small block chevy 383 stroker motor. Instead. What Parts Do You Need To Build A 383 Stroker.
From cjrombold.com
Chevrolet 383 Stroker CJ ROMBOLD What Parts Do You Need To Build A 383 Stroker Obviously, the starting point of any 383 stroker upgrade is the engine block, and there are two options to rebuilding a 383, either start from scratch and source for all the parts, or. With the foundation for our build in hand—er, on a stand—we got onto the fun part and start shopping for speed parts. Instead of scrapping the old. What Parts Do You Need To Build A 383 Stroker.
From kobobuilding.com
How to build a 383 stroker on a budget kobo building What Parts Do You Need To Build A 383 Stroker Obviously, the starting point of any 383 stroker upgrade is the engine block, and there are two options to rebuilding a 383, either start from scratch and source for all the parts, or. Speedway motors makes it way too easy with. With the foundation for our build in hand—er, on a stand—we got onto the fun part and start shopping. What Parts Do You Need To Build A 383 Stroker.