Dodge Ram 1500 Brake Line Diagram . The dodge ram brake line diagram is an essential tool for understanding the hydraulic brake system in your vehicle. Order the necessary parts and get back. With the 2008 dodge ram 1500 brake line diagram, you can easily identify each component of the brake system, such as the master cylinder, brake lines, brake hoses, brake calipers, and brake pads. It provides a visual representation of the various components and. Looking for a dodge ram 1500 brake line diagram? Find the detailed diagram and information you need to properly maintain and repair your brakes. Find a comprehensive dodge ram brake line diagram to help you understand the layout and components of the brake system. Looking for a rear brake line diagram for a 2002 dodge ram 1500? Find detailed diagrams and information to help you with your brake line. Learn how the brake lines connect to the master cylinder,. Learn how to change the flexible rubber brake lines on your dodge ram that can crack or leak over time.
from workshoprepairhall99.z21.web.core.windows.net
It provides a visual representation of the various components and. Find detailed diagrams and information to help you with your brake line. Looking for a dodge ram 1500 brake line diagram? Find a comprehensive dodge ram brake line diagram to help you understand the layout and components of the brake system. Order the necessary parts and get back. With the 2008 dodge ram 1500 brake line diagram, you can easily identify each component of the brake system, such as the master cylinder, brake lines, brake hoses, brake calipers, and brake pads. Looking for a rear brake line diagram for a 2002 dodge ram 1500? The dodge ram brake line diagram is an essential tool for understanding the hydraulic brake system in your vehicle. Learn how to change the flexible rubber brake lines on your dodge ram that can crack or leak over time. Find the detailed diagram and information you need to properly maintain and repair your brakes.
Dodge Ram 1500 4.7l Brake Booster Diagram
Dodge Ram 1500 Brake Line Diagram Order the necessary parts and get back. Learn how to change the flexible rubber brake lines on your dodge ram that can crack or leak over time. Learn how the brake lines connect to the master cylinder,. With the 2008 dodge ram 1500 brake line diagram, you can easily identify each component of the brake system, such as the master cylinder, brake lines, brake hoses, brake calipers, and brake pads. Looking for a dodge ram 1500 brake line diagram? Looking for a rear brake line diagram for a 2002 dodge ram 1500? Find the detailed diagram and information you need to properly maintain and repair your brakes. It provides a visual representation of the various components and. The dodge ram brake line diagram is an essential tool for understanding the hydraulic brake system in your vehicle. Order the necessary parts and get back. Find detailed diagrams and information to help you with your brake line. Find a comprehensive dodge ram brake line diagram to help you understand the layout and components of the brake system.
From partsdiagram.netlify.app
2001 dodge ram 1500 brake line diagram Dodge Ram 1500 Brake Line Diagram It provides a visual representation of the various components and. Looking for a rear brake line diagram for a 2002 dodge ram 1500? Order the necessary parts and get back. The dodge ram brake line diagram is an essential tool for understanding the hydraulic brake system in your vehicle. Find detailed diagrams and information to help you with your brake. Dodge Ram 1500 Brake Line Diagram.
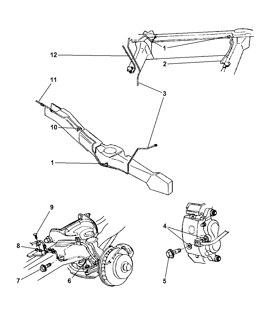
From techdiagrammer.com
Visual Guide Dodge Ram 1500 Brake Line Diagram (2008) Dodge Ram 1500 Brake Line Diagram With the 2008 dodge ram 1500 brake line diagram, you can easily identify each component of the brake system, such as the master cylinder, brake lines, brake hoses, brake calipers, and brake pads. Looking for a dodge ram 1500 brake line diagram? Looking for a rear brake line diagram for a 2002 dodge ram 1500? Learn how the brake lines. Dodge Ram 1500 Brake Line Diagram.
From partsdiagram.netlify.app
1999 dodge ram 1500 brake line diagram Dodge Ram 1500 Brake Line Diagram Learn how to change the flexible rubber brake lines on your dodge ram that can crack or leak over time. It provides a visual representation of the various components and. Looking for a rear brake line diagram for a 2002 dodge ram 1500? Learn how the brake lines connect to the master cylinder,. The dodge ram brake line diagram is. Dodge Ram 1500 Brake Line Diagram.
From guidemanualgesta.z4.web.core.windows.net
2004 Dodge Ram 1500 Rear Brake Line Diagram Dodge Ram 1500 Brake Line Diagram Find the detailed diagram and information you need to properly maintain and repair your brakes. Find a comprehensive dodge ram brake line diagram to help you understand the layout and components of the brake system. Learn how the brake lines connect to the master cylinder,. It provides a visual representation of the various components and. The dodge ram brake line. Dodge Ram 1500 Brake Line Diagram.
From engineexpanders.z13.web.core.windows.net
2004 Dodge Ram 1500 Brake Line Diagram Dodge Ram 1500 Brake Line Diagram The dodge ram brake line diagram is an essential tool for understanding the hydraulic brake system in your vehicle. Find detailed diagrams and information to help you with your brake line. Find a comprehensive dodge ram brake line diagram to help you understand the layout and components of the brake system. Find the detailed diagram and information you need to. Dodge Ram 1500 Brake Line Diagram.
From autoctrls.com
How to Identify and Fix Brake Line Issues in a 2008 Dodge Ram 1500 A Dodge Ram 1500 Brake Line Diagram Looking for a rear brake line diagram for a 2002 dodge ram 1500? With the 2008 dodge ram 1500 brake line diagram, you can easily identify each component of the brake system, such as the master cylinder, brake lines, brake hoses, brake calipers, and brake pads. Learn how the brake lines connect to the master cylinder,. Order the necessary parts. Dodge Ram 1500 Brake Line Diagram.
From garagefixruth99.z21.web.core.windows.net
97 Dodge Ram 1500 Brake Line Diagram Dodge Ram 1500 Brake Line Diagram Looking for a rear brake line diagram for a 2002 dodge ram 1500? Find the detailed diagram and information you need to properly maintain and repair your brakes. The dodge ram brake line diagram is an essential tool for understanding the hydraulic brake system in your vehicle. Learn how the brake lines connect to the master cylinder,. Order the necessary. Dodge Ram 1500 Brake Line Diagram.
From garagefixsteve55.z4.web.core.windows.net
97 Dodge Ram 1500 Brake Line Diagram Dodge Ram 1500 Brake Line Diagram It provides a visual representation of the various components and. Learn how the brake lines connect to the master cylinder,. Find the detailed diagram and information you need to properly maintain and repair your brakes. Order the necessary parts and get back. Learn how to change the flexible rubber brake lines on your dodge ram that can crack or leak. Dodge Ram 1500 Brake Line Diagram.
From www.sketchite.com
1996 Dodge Ram 1500 Brake Line Diagram Sketch Coloring Page Dodge Ram 1500 Brake Line Diagram Find the detailed diagram and information you need to properly maintain and repair your brakes. The dodge ram brake line diagram is an essential tool for understanding the hydraulic brake system in your vehicle. Order the necessary parts and get back. Learn how the brake lines connect to the master cylinder,. It provides a visual representation of the various components. Dodge Ram 1500 Brake Line Diagram.
From www.moparpartsgiant.com
2006 Dodge Ram 1500 Lines & Hoses, Brake, Rear Dodge Ram 1500 Brake Line Diagram Looking for a dodge ram 1500 brake line diagram? With the 2008 dodge ram 1500 brake line diagram, you can easily identify each component of the brake system, such as the master cylinder, brake lines, brake hoses, brake calipers, and brake pads. Find the detailed diagram and information you need to properly maintain and repair your brakes. Looking for a. Dodge Ram 1500 Brake Line Diagram.
From guidepartjunoesque.z19.web.core.windows.net
2001 Dodge Ram 1500 Front Brake Line Diagram Dodge Ram 1500 Brake Line Diagram Learn how the brake lines connect to the master cylinder,. Looking for a dodge ram 1500 brake line diagram? With the 2008 dodge ram 1500 brake line diagram, you can easily identify each component of the brake system, such as the master cylinder, brake lines, brake hoses, brake calipers, and brake pads. Find detailed diagrams and information to help you. Dodge Ram 1500 Brake Line Diagram.
From partsdiagram.netlify.app
1999 dodge ram 1500 brake line diagram Dodge Ram 1500 Brake Line Diagram Looking for a rear brake line diagram for a 2002 dodge ram 1500? Order the necessary parts and get back. It provides a visual representation of the various components and. Looking for a dodge ram 1500 brake line diagram? With the 2008 dodge ram 1500 brake line diagram, you can easily identify each component of the brake system, such as. Dodge Ram 1500 Brake Line Diagram.
From fixrepairweisz99.z21.web.core.windows.net
Dodge Ram 1500 Brake Line Diagram Dodge Ram 1500 Brake Line Diagram Learn how to change the flexible rubber brake lines on your dodge ram that can crack or leak over time. The dodge ram brake line diagram is an essential tool for understanding the hydraulic brake system in your vehicle. Learn how the brake lines connect to the master cylinder,. Find detailed diagrams and information to help you with your brake. Dodge Ram 1500 Brake Line Diagram.
From www.youtube.com
How to Install 20022005 Dodge Ram 1500 Brake Lines YouTube Dodge Ram 1500 Brake Line Diagram Learn how the brake lines connect to the master cylinder,. Order the necessary parts and get back. Looking for a dodge ram 1500 brake line diagram? It provides a visual representation of the various components and. Find a comprehensive dodge ram brake line diagram to help you understand the layout and components of the brake system. Looking for a rear. Dodge Ram 1500 Brake Line Diagram.
From fixmachineshyla77.z19.web.core.windows.net
1996 Dodge Ram Brake Line Diagram Dodge Ram 1500 Brake Line Diagram With the 2008 dodge ram 1500 brake line diagram, you can easily identify each component of the brake system, such as the master cylinder, brake lines, brake hoses, brake calipers, and brake pads. Find the detailed diagram and information you need to properly maintain and repair your brakes. It provides a visual representation of the various components and. Order the. Dodge Ram 1500 Brake Line Diagram.
From wiringdatabaseinfo.blogspot.com
2001 Dodge Ram 1500 Brake Line Diagram Wiring Site Resource Dodge Ram 1500 Brake Line Diagram Learn how the brake lines connect to the master cylinder,. Looking for a dodge ram 1500 brake line diagram? It provides a visual representation of the various components and. Find a comprehensive dodge ram brake line diagram to help you understand the layout and components of the brake system. Order the necessary parts and get back. Looking for a rear. Dodge Ram 1500 Brake Line Diagram.
From guidelisteickhoff.z21.web.core.windows.net
Dodge Ram 1500 Brake Line Diagram Dodge Ram 1500 Brake Line Diagram Find a comprehensive dodge ram brake line diagram to help you understand the layout and components of the brake system. The dodge ram brake line diagram is an essential tool for understanding the hydraulic brake system in your vehicle. It provides a visual representation of the various components and. With the 2008 dodge ram 1500 brake line diagram, you can. Dodge Ram 1500 Brake Line Diagram.
From wiringdatabaseinfo.blogspot.com
2001 Dodge Ram 1500 Brake Line Diagram Wiring Site Resource Dodge Ram 1500 Brake Line Diagram Find a comprehensive dodge ram brake line diagram to help you understand the layout and components of the brake system. It provides a visual representation of the various components and. The dodge ram brake line diagram is an essential tool for understanding the hydraulic brake system in your vehicle. Looking for a dodge ram 1500 brake line diagram? Learn how. Dodge Ram 1500 Brake Line Diagram.
From machinemoise55.z19.web.core.windows.net
2004 Dodge Ram 1500 Brake Line Diagram Dodge Ram 1500 Brake Line Diagram It provides a visual representation of the various components and. Find the detailed diagram and information you need to properly maintain and repair your brakes. Learn how the brake lines connect to the master cylinder,. With the 2008 dodge ram 1500 brake line diagram, you can easily identify each component of the brake system, such as the master cylinder, brake. Dodge Ram 1500 Brake Line Diagram.
From workshoprepairhall99.z21.web.core.windows.net
Dodge Ram 1500 4.7l Brake Booster Diagram Dodge Ram 1500 Brake Line Diagram Order the necessary parts and get back. It provides a visual representation of the various components and. Find a comprehensive dodge ram brake line diagram to help you understand the layout and components of the brake system. Learn how to change the flexible rubber brake lines on your dodge ram that can crack or leak over time. Find the detailed. Dodge Ram 1500 Brake Line Diagram.
From parts.chryslerjeepdodgecityofmckinney.com
Dodge Ram 1500 Tube. Brake, brake master cylinder to 55398142AE Dodge Ram 1500 Brake Line Diagram Learn how to change the flexible rubber brake lines on your dodge ram that can crack or leak over time. Looking for a rear brake line diagram for a 2002 dodge ram 1500? Find detailed diagrams and information to help you with your brake line. The dodge ram brake line diagram is an essential tool for understanding the hydraulic brake. Dodge Ram 1500 Brake Line Diagram.
From www.autozone.com
2000 Dodge/Ram Truck RAM 1500 1/2 ton 2WD 5.9L FI OHV 8cyl Repair Dodge Ram 1500 Brake Line Diagram Learn how to change the flexible rubber brake lines on your dodge ram that can crack or leak over time. It provides a visual representation of the various components and. Find detailed diagrams and information to help you with your brake line. Find the detailed diagram and information you need to properly maintain and repair your brakes. Learn how the. Dodge Ram 1500 Brake Line Diagram.
From wirecrafted.com
Detailed Brake Line Diagram for 1999 Dodge Ram 1500 Dodge Ram 1500 Brake Line Diagram With the 2008 dodge ram 1500 brake line diagram, you can easily identify each component of the brake system, such as the master cylinder, brake lines, brake hoses, brake calipers, and brake pads. Learn how the brake lines connect to the master cylinder,. Find a comprehensive dodge ram brake line diagram to help you understand the layout and components of. Dodge Ram 1500 Brake Line Diagram.
From partsdiagram.netlify.app
1999 dodge ram 1500 brake line diagram Dodge Ram 1500 Brake Line Diagram Find detailed diagrams and information to help you with your brake line. Looking for a dodge ram 1500 brake line diagram? The dodge ram brake line diagram is an essential tool for understanding the hydraulic brake system in your vehicle. With the 2008 dodge ram 1500 brake line diagram, you can easily identify each component of the brake system, such. Dodge Ram 1500 Brake Line Diagram.
From repairjung77.z19.web.core.windows.net
2002 Dodge Ram 1500 Brake Line Diagram Dodge Ram 1500 Brake Line Diagram Looking for a rear brake line diagram for a 2002 dodge ram 1500? Order the necessary parts and get back. It provides a visual representation of the various components and. Looking for a dodge ram 1500 brake line diagram? The dodge ram brake line diagram is an essential tool for understanding the hydraulic brake system in your vehicle. Find the. Dodge Ram 1500 Brake Line Diagram.
From partsdiagram.netlify.app
2001 dodge ram 1500 brake line diagram Dodge Ram 1500 Brake Line Diagram Looking for a dodge ram 1500 brake line diagram? Find a comprehensive dodge ram brake line diagram to help you understand the layout and components of the brake system. With the 2008 dodge ram 1500 brake line diagram, you can easily identify each component of the brake system, such as the master cylinder, brake lines, brake hoses, brake calipers, and. Dodge Ram 1500 Brake Line Diagram.
From garagefixschulze101.z21.web.core.windows.net
2003 Dodge Ram 1500 Brake Line Kit Dodge Ram 1500 Brake Line Diagram Find detailed diagrams and information to help you with your brake line. Learn how the brake lines connect to the master cylinder,. Looking for a dodge ram 1500 brake line diagram? Find the detailed diagram and information you need to properly maintain and repair your brakes. Find a comprehensive dodge ram brake line diagram to help you understand the layout. Dodge Ram 1500 Brake Line Diagram.
From partsdiagram.netlify.app
1999 dodge ram 1500 brake line diagram Dodge Ram 1500 Brake Line Diagram The dodge ram brake line diagram is an essential tool for understanding the hydraulic brake system in your vehicle. Find a comprehensive dodge ram brake line diagram to help you understand the layout and components of the brake system. Learn how to change the flexible rubber brake lines on your dodge ram that can crack or leak over time. Order. Dodge Ram 1500 Brake Line Diagram.
From partsdiagram.netlify.app
2001 dodge ram 1500 rear brakes diagram Dodge Ram 1500 Brake Line Diagram Find detailed diagrams and information to help you with your brake line. Order the necessary parts and get back. Learn how the brake lines connect to the master cylinder,. Looking for a rear brake line diagram for a 2002 dodge ram 1500? With the 2008 dodge ram 1500 brake line diagram, you can easily identify each component of the brake. Dodge Ram 1500 Brake Line Diagram.
From mungfali.com
Dodge Ram 1500 Brake Line Diagram Dodge Ram 1500 Brake Line Diagram Looking for a dodge ram 1500 brake line diagram? Learn how the brake lines connect to the master cylinder,. Find the detailed diagram and information you need to properly maintain and repair your brakes. Order the necessary parts and get back. Find a comprehensive dodge ram brake line diagram to help you understand the layout and components of the brake. Dodge Ram 1500 Brake Line Diagram.
From fixrepairroy55.z19.web.core.windows.net
2002 Dodge Ram 1500 Brake Line Diagram Dodge Ram 1500 Brake Line Diagram Looking for a dodge ram 1500 brake line diagram? Order the necessary parts and get back. Learn how the brake lines connect to the master cylinder,. It provides a visual representation of the various components and. Looking for a rear brake line diagram for a 2002 dodge ram 1500? Learn how to change the flexible rubber brake lines on your. Dodge Ram 1500 Brake Line Diagram.
From eleccircs.com
The Ultimate Guide to Understanding the Dodge Ram 1500 Brake Line Diagram Dodge Ram 1500 Brake Line Diagram Find a comprehensive dodge ram brake line diagram to help you understand the layout and components of the brake system. Find the detailed diagram and information you need to properly maintain and repair your brakes. With the 2008 dodge ram 1500 brake line diagram, you can easily identify each component of the brake system, such as the master cylinder, brake. Dodge Ram 1500 Brake Line Diagram.
From wiremystique.com
Visualizing the Brake Line Diagram for a 2006 Dodge Ram 1500 WireMystique Dodge Ram 1500 Brake Line Diagram Looking for a dodge ram 1500 brake line diagram? With the 2008 dodge ram 1500 brake line diagram, you can easily identify each component of the brake system, such as the master cylinder, brake lines, brake hoses, brake calipers, and brake pads. Learn how to change the flexible rubber brake lines on your dodge ram that can crack or leak. Dodge Ram 1500 Brake Line Diagram.
From fixmachineamelcorns.z13.web.core.windows.net
1998 Dodge Ram 1500 Rear Brake Line Diagram Dodge Ram 1500 Brake Line Diagram Learn how to change the flexible rubber brake lines on your dodge ram that can crack or leak over time. Find a comprehensive dodge ram brake line diagram to help you understand the layout and components of the brake system. With the 2008 dodge ram 1500 brake line diagram, you can easily identify each component of the brake system, such. Dodge Ram 1500 Brake Line Diagram.
From mechanicmeiofauna.z21.web.core.windows.net
2005 Dodge Ram 1500 Brake Line Diagram Dodge Ram 1500 Brake Line Diagram Find the detailed diagram and information you need to properly maintain and repair your brakes. With the 2008 dodge ram 1500 brake line diagram, you can easily identify each component of the brake system, such as the master cylinder, brake lines, brake hoses, brake calipers, and brake pads. Order the necessary parts and get back. It provides a visual representation. Dodge Ram 1500 Brake Line Diagram.